eyevision DT-RLC Two Wire Video Intercom System Accessories

Please read this manual carefully before using the product you purchase, and keep it well for future use.We reserve the right to modify the specification in this manual at any time without notice.
About DT-RLC Unit
Description:
The relay actuator DT-RLC is an accessory device designed for DT system to control door locks or lights. It has the features as follows:
- It has two work modes: lock control mode and light control mode;
- Allows to open gate door locks or control lights;
- Support high power-consumption lock;
- With configurable unlock timed output or light control timed output;
- Support exit control button: when in lock control mode, the exit control button to control the lock; when in light control mode, the exit control button to control the light.
Parts and Name

- +12V:12V power output. Can be used to power the lock.
- S2:Reserved.
- S1:Exit button contact. Short this contact and the GND to unlock or control light.
- GND: The Common Ground of the other 3 contacts: S1, S2, and +12V.
- NC: The normally-closed contact to COM.
- COM: The common contact of the unlock/light relay.
- NO: The normally-open contact to COM.
- Lock Control Jumper: To select the lock type: see sections 5.3, and 5.4.
- POWER: Working indicator, it will light up when plugs in the power supply.
- IN-USE: Unlock/light indicator, it will light up when unlock(or turn on the light).
- Bus: Connect to the bus line, no polarity.
- DIP : Used for setting the address of the RLC.
Unit Mounting

How To Set The Work Mode
Note that the factory default is lock control mode.
- In DIP1 = ON, DIP2 = ON, DIP3 = OFF status, exit button(S1 and GND) shortcircuit, meanwhile, the DT-RLC will power on to activate the setting mode;
- In setting status, struck repeatedly DIP1 four times to switch work modes:
- When the IN-USE indicator flashes once, it means the system will enter the light control mode.
- When the IN-USE indicator flashes two times, it means the system will enter the lock control mode.
- When the setting is complete,it will automatically restart. Please note the setting state valid within 5 seconds, more than five seconds without operation, it will exit the setting mode automatically.
Lock Control Mode
In lock control mode, the DT-RLC allows to open gate door locks; Supports high power consumption lock; With configurable unlock timed output; Support exit control button.
How to set the unlock time
In lock control mode:
- Power on within 5 seconds, short-circuit S2 up to 3 seconds, the IN-USE indicator flash.
- Short-circuit S1 up to 3 seconds, and the IN-USE indicator is always light.
- Short-circuit again S2, meanwhile, the time of short-circuit equal to unlock time. (the IN-USE indicator flashes once per second, Less than two seconds by one second calculation; The maximum setting time is 30 seconds.)
- After S2 is released, saved unlock time, and exit the setting.
DIP setting for the lock
The DIP switch in the back of the panel is used to set the address of the RLC. Please refer to the following for more detail information about the DIP settings:

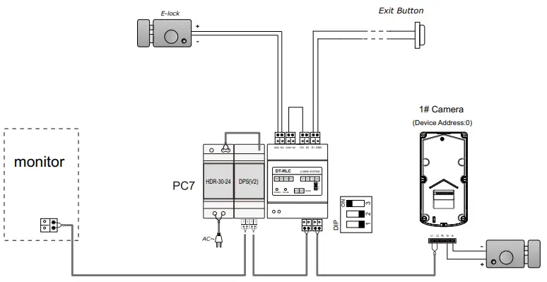
Internal powered lock connection(only suitable for Power-on-to unlock type)
DT-RLC controls the second lock of door station 1
DT-RLC connect lock
Note:
- When DT-RLC connects the Electronic lock, the jumper position is 1-2.
- When DT-RLC connects the E-magnetic lock, the jumper position is 2-3.
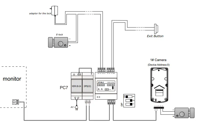
External Power Supply powered lock connection
Power-on-to-unlock type:
DT-RLC controls the second lock of door station 1
DT-RLC connect lock
Note:
- Here’s lock type is Electronic lock.

Power-off-to-unlock type:
DT-RLC controls the second lock of door station 1
DT-RLC connect lock
Note:
- Here’s lock type is an E-magnetic lock.
Light Control Mode
In light control mode, the DT-RLC allows to control of lights; With configurable light-timed output; Supports exit control button
How to set the light working time
In light control mode:
- Power on within 5 seconds, short-circuit S2 up to 3 seconds, the IN-USE indicator flash.
- Short-circuit S1 up to 3 seconds, and the IN-USE indicator is always light.
- Short-circuit again S2, meanwhile, the time of short-circuit 1 second equal to light working time 30 seconds.(the IN-USE indicator flashes once per second; The maximum setting time is 900 seconds.)
- After S2 is released, saved unlock time, and exit the setting.
DIP setting for light


DT-RLC Connections for Light Control

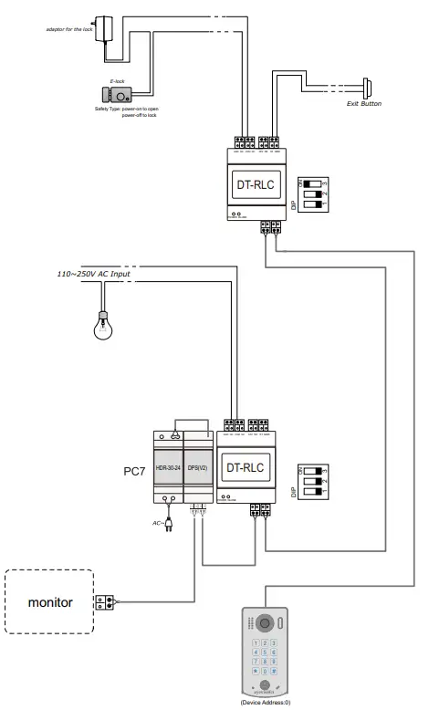
Connecting 2 DT-RLCs
In one system, you can connect a DT-RLC to control gate door lock, and connect another DT-RLC to control the light.
Specification
- Power Supply: DC24V;
- Unlocking Time: 1~30s(Default 1s);
- Lock Power supply: 12Vdc, 450mA(Internal Power);
- Working Temperature: 0 0 -10 C~+40 C;
- Dimension: 89(H)×71(W)×45(D)mm
The design and specifications can be changed without notice to the user. Right to interpret and copyright of this manual are preserved.
The design and specifications can be modified without notice to the user. Right to interpret and copyright of this manual are reserved.
















