TESB131-C 13 Inch Built in Single Side Burners

SIDE BURNERS INSTALLATION,
USE & CARE MANUAL
MODELS: TESB131-C TESB132-C
A special message to our customers…
Congratulations on the purchase of your TWIN EAGLES grill! Our products are engineered for precision and designed for style. Each TWIN EAGLES grill is manufactured in the USA at our own state of the art facility in California.
This manual will give you easy to follow instructions for installing, operating and maintaining your grill. We recommend reading this manual before your first use to ensure safety, proper care and operation.
At TWIN EAGLES, we want you to enjoy grilling and spending time together as much as we do making memories that linger long after the grill cools down.
Thank you and welcome!
Dante Cantal
Owner and Founder
FOR YOUR RECORDS
Please record the product information below and refer to it when contacting TWIN EAGLES. This information is found on the data nameplate, located on the bottom right hand side of the firebox near the regulator. A second label with model number and serial number is located under the right side of the control panel. Remove the drip tray to visually access the nameplate from the front of the grill.
Model #:_______________________
Serial #:________________________
Date of Purchase:________________
Place of Purchase:________________
Type of gas: ____NG ____LP
WARNING: CALIFORNIA PROPOSITION
65 This product can expose you to chemicals including carbon monoxide which is known to the State of California to cause cancer and reproductive harm. To minimize exposure to the by-products of the burning fuel or from combustion, always operate this unit according to the use and care manual and provide good ventilation. California law requires businesses to warn customers of potential exposure to such substances. For more information go to www.P65Warnings.ca.gov
To the Installer: Please read these instructions completely before installation and give this manual to the owner.
To the Owner: Keep this manual in a safe place for future reference.
IMPORTANT SAFETY INFORMATION
WARNING! Read this manual carefully and completely before using your side burner to ensure proper operation, proper installation, proper servicing and to reduce the risk of fire, burn hazard and/ or other injury.
DANGER
If you smell gas:
- Shut off gas to the appliance.
- Extinguish any open flames.
- If odor continues, keep away from the appliance and immediately call your gas supplier or fire department.
WARNING
- Do not store or use gasoline or other flammable vapors and liquids in the vicinity of this or any other appliance.
- An LP cylinder not connected for use shall not be stored in the vicinity of this or any other appliance.
THIS IS FOR OUTDOOR USE ONLY:
If stored indoors, detach and leave L.P. cylinder outdoors.
BEFORE LIGHTING
- Read instructions before lighting.
- Open lid during lighting.
- If ignition does not occur in 5 seconds, turn the burner control(s) off, wait 5 minutes, and repeat the lighting procedure.
GENERAL SAFETY REQUIREMENTS
- The installation of this appliance must conform with local codes or, in the absence of local codes, either the National Fuel Gas Code, ANSI Z223.1/NFPA 54, Natural Gas and Propane Installation Code, CSA B149.1 or Propane Storage and Handling Code, B149.2
- The utilization of an external electrical source requires that when installed, this outdoor cooking gas appliance must be electrically grounded in accordance with the local codes or, in the absence of local codes, with the National Electrical Code, ANSI/NFPA 70, or the Canadian Electrical Code, CSA C22.1. Keep any electrical supply cord and the fuel supply hose away from any heated surfaces.
- This outdoor cooking gas appliance shall be used only outdoors and shall not be used in a building, garage or any other enclosed area.
- This outdoor cooking gas appliance is not intended to be installed in or on recreational vehicles and /or boats.
- Minimum clearance of 12 inches from the back and sides of the side burner to adjacent combustible construction must be maintained. This outdoor cooking gas appliance shall not be located under overhead-unprotected combustible construction.
- Check all gas connections for leaks with soapy water solution and brush. Never use an open flame. (Reference page 5 for leak test procedure).
- Always use caution when operating the side burner in a windy area.
- Keep your side burner in an area clear and free from combustible materials, gasoline and other flammable vapors and liquids.
- DO NOT obstruct the flow of combustion and ventilation air to this appliance. Keep the ventilation openings of the cylinder enclosure free and clear from debris.
- Check flexible hoses for cuts and wear that may affect the safety before each use.
- The pressure regulator and hose assembly supplied with the Twin Eagles Side Burner must be used. Replacement pressure regulators and hose assemblies must be those specified by Twin Eagles.
- Remove all packaging materials, labels and protective plastic film. DO NOT LEAVE UNIT IN THE SUN WITH PROTECTIVE PLASTIC FILM ON FOR A LONG PERIOD OF TIME AS IT WILL BECOME DIFFICULT TO REMOVE THE FILM.
In Massachusetts: All gas products must be installed using a “Massachusetts” licensed plumber or gasfitter. A “T” handle type manual gas valve must be installed in the gas supply line to this appliance. This applies to permanently installed natural gas and propane installations. This does not apply to propane portable installations using a 20 pound tank.
GAS SAFETY REQUIREMENTS
Each appliance is set and tested at the factory for the type of gas supply to be used. Identify the type of gas, either natural gas (NG) or Liquid Propane (LP) gas and make sure that the marking on the data plate (rating plate) matches the gas being supplied to the side burner. This information is found on the rating/data plate, located on the inside back of the front panel.
All gas connections should be made by a qualified technician and in accordance with local codes and ordinances. The installation must conform with local codes or, in the absence of local codes, with either the National Fuel Gas Code, ANSI Z223.1/NFPA 54, Natural Gas and Propane Installation Code, CSA B149.1 or Propane Storage and Handling Code, B149.2
WARNING: ENSURE THAT THE GAS SUPPLY HOSE DOES NOT COME IN CONTACT WITH ANY HOT SURFACE OF THE SIDE BURNER. NEVER CONNECT THE SIDE BURNER TO AN UNREGULATED GAS SUPPLY.
L.P. GAS SAFETY REQUIREMENT
The LP-gas supply cylinder must be constructed and marked in accordance with the Specifications for LP-gas Cylinders of the U.S. Department of Transportation (D.O.T.) or the National Standards of Canada CAN/CSAB339, Cylinders, Spheres and Tubes for the Transportation of Dangerous Goods, and Commission, as applicable; and
- Provided with a listed overfilling prevention device.
- Provided with a cylinder connection device compatible with the connection for outdoor cooking appliances.
- It must be provided with a shut-off valve terminating in gas tank valve outlet. It must include a collar to protect the cylinder valve. The cylinder supply system must be arranged for vapor withdrawal.
- Do not operate the side burner indoors or in any enclosed area. If the side burner is not in use, the gas must be turned off at the supply cylinder. If the side burner is to be stored indoors, disconnect the gas supply cylinder and leave the cylinder outdoors out of reach of children and must not be stored in a building, garage or any other enclosed area.

LP GAS HOOK-UP
Install the factory-supplied hose and regulator assembly as shown. Connect the 3/8″ flare end of the hose to the manifold coupling using a ¾” open wrench. Do not apply pipe sealant to the 3/8″ flare connection. Connect the regulator to the LP cylinder hand tighten it, do not use a wrench. Check for leaks using soapy water solution. (Reference page 5 for leak test procedure).

CAUTION: Provide adequate ventilation holes in the enclosure for safety purposes in the event of a gas leak.
Note: An enclosure for LP gas cylinder must be vented on the level of the cylinder valve and at floor level. The effectiveness of the opening(s) for purposes of ventilation shall be determined with the LP gas supply cylinder in place. This shall be accomplished by one of the following:
a. One side of the enclosure shall be fully open; or
b. For a cylinder enclosure having four sides, a top and a bottom, and intended for installation in a built-in enclosure:
- At least one ventilation opening shall be provided on the exposed exterior side of the enclosure located within 5 in (1.27mm) of the top of the enclosure and unobstructed. The opening(s) shall have a total free area of not less than 1 in²/lb (14.2 cm²/kg) of stored fuel capacity.
- At least one ventilation opening shall be provided on the exposed, exterior side of the enclosure 1 in. (25.4 mm) or less from the floor level and shall have a total free area of not less than ½ in²/lb (7.1 cm²/kg) of stored fuel capacity. The upper edge shall be no more than 5 in (127 mm) above the floor level.
- Every opening shall have a minimum dimension so as to permit the entrance of 1/8 in (3.2 mm) rod.
GAS REGULATOR CHECK / CONVERSION
If the side burner is factory built for natural gas, the regulator supplied is set for 4″ water column. The regulator is convertible to 10 in wc (2.49 kPa) for system LP application. Make sure that the regulator is set for the correct gas type. To check, remove the brass hex cap. You will find the conversion plastic pin attached to the cap to the underside of the cap. If the disc (1/2 in. diameter) of the pin is close to the cap, then the regulator is set for natural gas. If the disc is at the tip of the pin, away from the brass cap, the regulator is set for system LP application. To convert to natural gas, remove the plastic conversion pin and invert and replace it back in a manner such that the disc is close to the brass cap. For both natural and LP, the maximum inlet pressure is 14 in wc (3.48 kPa).

WARNING:
- DO NOT STORE SPARE LP-GAS CYCLINDER UNDER OR NEAR THIS APPLIANCE.
- NEVER FILL THE CYLINDER BEYOND 80 PERCENT FULL.
- FAILURE TO DO SO MAY CAUSE FIRE, DEATH, OR SERIOUS INJURY MAY OCCUR.
- USE ONLY A 20-LBS (5 GALLON CAPACITY) GAS CYLINDER.
- DO NOT USE A DENTED OR RUSTED LP CYLINDER.
- NEVER USE A CYLINDER WITH A DAMAGED VALVE.
- ALWAYS CHECK FOR LEAKS AFTER CHANGING THE LP CYLINDER.
- THE LP PRESSURE REGULATOR AND HOSE SUPPLIED WITH THIS UNIT MUST BE USED WITHOUT ALTERATION.
NATURAL GAS INSTALLATION
A typical natural gas installation is shown below. Make sure that the factory-supplied regulator is used and installed with the arrow mark on the regulator pointing towards the side burner. Use only pipe sealants that are approved for use with natural and LP gases. An installer-supplied gas shutoff valve must be installed in an accessible location.

CAUTION: Provide adequate ventilation holes in the enclosure for safety purposes in the event of a gas leak.
Please note, when pressure testing, the following statements must be adhered to:
- This gas appliance and its individual shutoff valve must be disconnected from the gas supply piping system during any pressure testing of that system at the test pressures in excess of 1/2 psi (3.5 kPa).
- This appliance must be isolated from the gas supply piping system by closing its individual manual shutoff valve during any pressure testing of the gas supply piping system at test pressures equal to or less than 1/2 psi (3.5 kPa).
LEAK TEST
CAUTION BEFORE TESTING
- NEVER USE THE SIDE BURNER WITHOUT FIRST LEAK TESTING THE GAS CONNECTIONS.
- WARNING: DO NOT USE OPEN FLAME TO CHECK FOR LEAKS. USE OF AN OPEN FLAME COULD RESULT IN A FIRE, EXPLOSION AND BODILY HARM.
- DO NOT SMOKE WHILE PERFORMING THE LEAK TEST!
- To prevent fire or explosion hazard, DO NOT use or permit sources of ignition in the area while performing a leak test. Perform leak test outdoors only.
- Check to ensure that flexible hoses do not have any cuts and wear that may affect the safety before each use. Only the factory supplied hose and regulator must be used. Use only replacement regulator and hose assemblies specified by Twin Eagles.
LEAK TEST
- Prepare a leak testing solution of sudsy water by mixing in a spray bottle with half liquid soap and half water.
- Confirm that all control knobs are in the OFF position.
- Turn the main gas valve supply ON.
- Apply leak testing solution by spraying on the pipe joints, fittings, and hose.
- A gas leak is detected if;a) There is a faint gas smell and/or…b) …growing bubbles appear on any of the connection points and/or hose, DO NOT attempt to ignite the side burner and IMMEDIATELY turn off the gas supply valve.
- When there is a gas leak, call a qualified service technician. DO NOT use the side burner until the leak is corrected.

LOCATING THE SIDE BURNER
This gas appliance is designed and certified for outdoor use only. Do not locate this side burner under overhead combustible surfaces.
CAUTION should be taken when the unit is used near glass, vinyl siding or other temperature sensitive construction materials. In some cases it may be necessary to increase the clearance around the unit to avoid damage to vinyl siding. Check with the manufacturer of the siding material for details
Do not operate the side burner inside a building, garage, recreation vehicle or any enclosed area. When choosing an area, consider exposure to wind, proximity to traffic paths and length of gas supply line. Keep gas supply lines as short as possible to reduce pressure drop. Keep the side burner away from windy areas but keep the side burner in a well-ventilated area. Do not obstruct the flow of combustion and ventilation air around the side burner. The supporting edges of the side burner must be located level and flat. The counter should also be leveled.
CLEARANCE TO COMBUSTIBLE CONSTRUCTION
A minimum clearance of 12″ from the sides and 12″ from the back of the side burner to adjacent vertical combustible construction must be maintained.
IMPORTANT: Prior to completing the installation into the island, connect the wire harnesses of the side burner to the grill if applicable. The location of the side burner in reference to the grill should be to the right hand side when facing the front of the grill. Installing the side burner to the left hand side of the grill is ok, but installation to the right of the grill is preferred. Both grill and side burner come with connections to the other. If wires are not long enough, an extension wire is available to make the proper connection.

ATTENTION: A 9-volt battery is required to be installed prior to the side burner being installed into the island. The battery is located under the false drip pan handle to the right of the bezel assembly.
CUT-OUT DIMENSIONS

OPERATING INSTRUCTIONS
HOW TO LIGHT
- Make sure all knobs are in the “OFF” position. If using a 2-burner Side Burner the right knob is for the front burner and the left knob is for the back burner.
- Turn “on” the gas at source.
Caution: If you smell gas, shut off gas supply and call for service. - Before lighting, remove the side burner cover or any cooking utensils from the burner grate.
- Push-in and turn the burner knob counterclockwise to “HI” (LARGE FLAME) position, and hold the knob in. You should hear a continuous clicking sound and see sparks being provided to the burner. (If clicking sound is weak, replace the 9V battery. See page 6).
- If the burner does not ignite within 5 seconds, turn the burner to “OFF” and wait for five minutes. Repeat the above procedures or try the following manual lighting procedures
a. Hold a lit match next to the burner ports
b. Push and turn the burner knob counterclockwise to ignite the burner. - Adjust flame setting to “LOW” or “MEDIUM” or “HIGH”, if desired.
- Caution: Do not leave the side burner unattended while cooking.
- To shutdown the burner, push and turn the burner knob clockwise to “OFF”.
- For complete shutdown, turn “off” the gas at source.
CLEANING & MAINTENANCE
SPIDER AND INSECT WARNING
Spiders and other insects can nest in the burners of this and any other grills, which causes the gas to flow from the front of the burner. This dangerous “condition” can cause a fire behind the valve panel, damaging the unit and making the unit unsafe to operate. Inspect the burners once a year or if the unit has not been used for more than one month or if any of the following conditions occur:
- The smell of gas in conjunction with the burner flames appearing yellow.
- The side burner does not reach temperature.
- The side burner heats unevenly.
- The burners make popping noises.
S-GRATE
The easiest way to clean the grates is to scrub them with a soapy cloth after cooking is completed, the flame is turned off, and the side burner has had time to cool. The grate may discolor, this is a natural reaction to the intense heat given off by the burners.
IMPORTANT Stainless Steel & General Product Care
To keep your TWIN EAGLES products free of surface corrosion and in good working order, it is important to take additional precautions under certain conditions.
If your TWIN EAGLES products are located in corrosive conditions, such as:
- A coastal environment where corrosive salty air is present
- Near a swimming pool, hot tub or water feature with exposure to corrosive pool chemicals and/or chlorinated water
- Areas where muriatic acid (hydrochloric acid) or other corrosive cleaning solutions are used to clean concrete and masonry
- Areas where corrosive masonry dust and debris are created by cutting stone or mixing cements
These conditions can create a highly corrosive environment that will cause the corrosions resistant type 304 stainless steel to develop surface oxidation, corrosions or rust.
TWIN EAGLES products have been tested in saline solutions, highly chlorinated solutions and have been tested against exposure to highly acidic foods. The test results proved the type 304 stainless steel can withstand exposure over prolonged periods of time. However, the conditions outlined above, along with neglect, can lead to surface corrosion or rust.
It is recommended that your TWIN EAGLES products be kept dry and covered when not in use. This is even more important when long-term storage is intended.
Do not allow food particles or grease to be left inside your TWIN EAGLES products. These can attract rodents, which are unsanitary and are likely to cause physical damage by chewing on the wiring, which can cause permanent damage to the electrical components.
If you are located along the coast or in the desert, wind driven sand is extremely abrasive and can pit and scratch the stainless steel. Keep your TWIN EAGLES products covered when not in use.
When routine cleaning, maintenance and awareness of the conditions outlined above, you can enjoy many years of service from your TWIN EAGLES products. In the event that surface corrosion has developed on the stainless steel, it is typically not the stainless steel that is corroding but corrosive particles that have been deposited on the surface. As a first step, we recommend “Bar Keepers Friend”, available in many supermarkets and hardware stores.
TWIN EAGLES products are made of all welded stainless steel. It is non-rusting and non-magnetic. Never clean the stainless steel when it is hot. After the initial use, some areas may discolor. This is a normal discoloration caused by the intense heat given off by the burners.
Specks of grease can gather on the surface of the stainless steel and get baked-on. These can be removed by using a mild abrasive pad (like Scotch Brite) with a stainless steel cleaner. Use the mildest cleaner and always scrub in the direction of the grain. Do not use steel wool to clean the side burner.
Do not use abrasives on the polished highlights. Be extra careful when cleaning around the highlights. Metal polisher or mild chrome cleaner can be used to bring back the luster on highlights. To touch-up minor scratches in the stainless steel, sand the affected surface very lightly, with 100-dry grit emery sandpaper in the direction of the grain.
EXPLODED VIEW


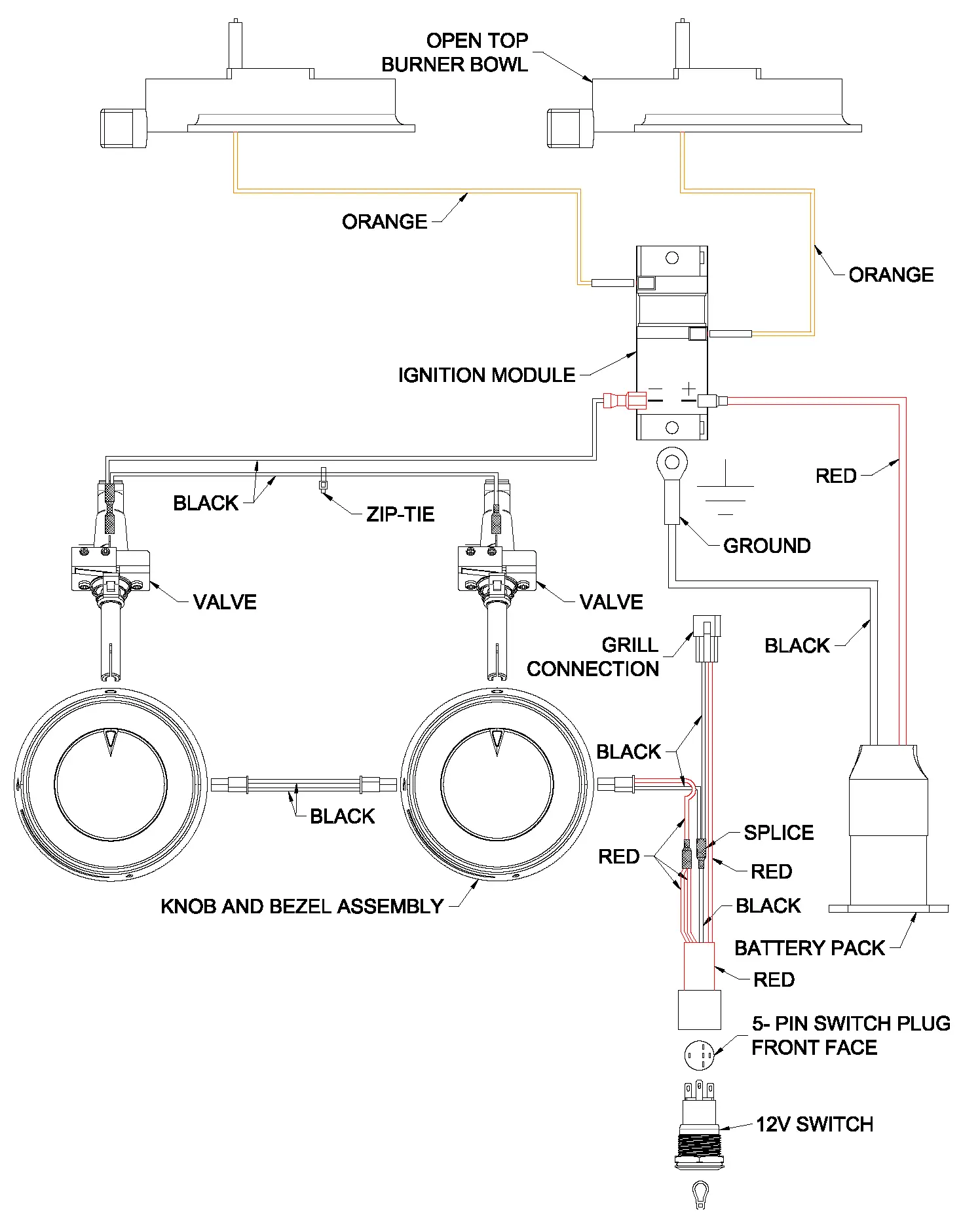
WIRING DIAGRAM



HOW TO OBTAIN SERVICE
For service, please contact your TWIN EAGLES dealer or call TWIN EAGLES direct at (800) 789-2206 or (562) 802-3488 or fax (562) 802-3391Mailing address:
Twin Eagles, Inc.
13259 East 166th Street
Cerritos, CA 90703
Visit us at www.twineaglesgrills.com
Please provide:
▪ Model number
▪ Serial Number
▪ Date of Purchase
▪ A description of the problem

Or you may register online at https://www.twineaglesgrills.com/resources/warranty-registration
Customer Service
ATTN: Warranty Department
13259 East 166th Street
Cerritos, CA 90703
Fax no. (562) 802-3391
















