HK INSTRUMENTS Siro Series Indoor Air Quality Transmitters

INTRODUCTION
Thank you for choosing an HK Instruments Siro series indoor air quality transmitter. The Siro series transmitters are intended for use in building automation systems in the HVAC/R industry.
Siro is an indoor air quality transmitter with a modern design. The transmitter is available with several optional air quality sensors. The modular device can be equipped with CO2 concentration and VOC (Volatile Organic Compounds) measurements or alternatively PM (Particulate Matter) measurement and in addition temperature and humidity measurements. It offers easy installation and adjustment, several different model options and various output signals that are configurable separately for each measurement parameter.
The Siro series devices are available with user interface that includes LCD display and buttons making the configuration of the device quick and easy. An external configuration tool is available for devices without user interface. Siro utilizes the industry standard NDIR measurement principle with self-calibrating ABC logicTM for CO2 measurement.t
WARNING
- READ THESE INSTRUCTIONS CAREFULLY BEFORE ATTEMPTING TO INSTALL, OPERATE OR SERVICE THIS DEVICE.
- Failure to observe safety information and comply with instructions can result in PERSONAL INJURY, DEATH AND/OR PROPERTY DAMAGE.
- To avoid electrical shock or damage to equipment, disconnect power before installing or servicing and use only wiring with insulation rated for full device operating voltage.
- To avoid potential fire and/or explosion do not use in potentially flammable or explosive atmospheres.
- Retain these instructions for future reference.
- This product, when installed, will be part of an engineered system whose specifications and performance characteristics are not designed or controlled by HK Instruments. Review applications and national and local codes to assure that the installation will be functional and safe. Use only experienced and knowledgeable technicians to install this device.
APPLICATIONS
Siro series devices are commonly used to monitorand control:
- indoor air quality in offices, public spaces, meeting rooms and classrooms
- CO2 and VOC concentration to regulate demand-controlled ventilation and to keep the indoor air quality in a good level
- PM concentration to measures the size and amount of particulates in the indoor air for example to assess the performance of air filters
- temperature and humidity in HVAC/R environment
SPECIFICATIONS
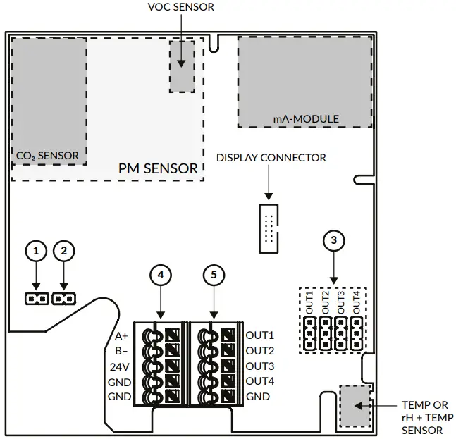
SCHEMATICS

| Pin header | Description |
| Open Connected Open Connected | CO2 / PM output range selection 400…2000 ppm (CO2 models) 0…2000 ppm (CO2 models) 0…500 μg/m3 (PM models) 0…50 μg/m3 (PM models) |
| Pin header | Description |
| Open Connected | Menu lock Menu lock disabled Menu lock enabled |
| Pin header | Description |
| OUT1 OUT2 OUT3 OUT4 GND | Voltage / current output selection
Output 1 |
| Connector | Description |
| A+ B- | RS485 Modbus/RTU slave (optional) DATA+ DATA- |
| 24 V GND GND | Power supply 24 VAC/DC ±10 % Ground Ground |
| Connector | Description |
| OUT1 OUT2 OUT3 OUT4 GND | Voltage / current outputs
Output 1 |
DIMENSIONAL DRAWINGS

INSTALLATION
- Mount the device in the desired location (see step 1).
- Route the cables and connect the wires (see step 2).
- Connect the display cable to the display connector on the PCB. (See schematics)
- The device is now ready for configuration.
WARNING! Apply power only after the device is properly wired.
Opening/closing the lid

- Open the lid by pressing the center from the bottom of the lid as in the figure.
- Close the lid by inserting the top of the lid into the grooves first and pushing the bottom edge as in the figure.
STEP 1: MOUNTING THE DEVICE
- Select a mounting location on the wall at 1.2–1.8 m (4–6 ft) above the floor and at least 50 cm (20 in) from the adjacent wall. Do not block device air vents from any direction and leave atleast 20 cm (8 in) gap to other devices. Locate the unit in an area with good ventilation and an average temperature, where it will be responsive to changes to the room conditions. The Siro should be mounted on a flat surface.
Do not locate the Siro where it can be affected by:
• Direct sunlight
• Drafts or dead areas behind doors
• Radiant heat from appliances
• Concealed pipes or chimneys
• Outside walls or unheated / uncooled areas - Use the device as a template and mark the screw holes.
- Mount the wall plate with screws.
CAUTION! Incorrect installation may cause a shift in measurements.



STEP 2: WIRING DIAGRAMS
CAUTION!
- For CE compliance, a properly grounded shielding cable is required.
- Use copper wire only. Insulate or wire nut all unused leads.
- Care should be used to avoid electrostatic discharge to the device.
- This unit has configuration jumpers. You may need to reconfigure this device for your application.
- Route the cables through the opening in the back plate or for surface wiring select a knockout on the bottom of the wall plate, as shown in Figure 2a.
- Connect the wires as shown in Figure 2b and 2c.


NOTE! When using long connection wires it may be necessary to use a separate GND wire for voltage output current to prevent measurement distortion. The need for an extra GND wire depends on the cross section and length of the used connection wires. If long and/or small cross section wires are used, supply current and wire resistance may generate a voltage drop in the common GND wire resulting in a distorted output measurement.
When using AC power supply, make sure that the ground potential of the signal is the same as the ground potential of the supply voltage to avoid short circuit through the additional GND wire.
STEP 3: CONFIGURATION
Configuration of the Siro series device consists of:
- Configuring the jumpers (see step 4).
- Configuration menu options.
(Display (-D) or configuration tool required. See the user manual for further details.)
STEP 4: Jumper settings

1) Configuration of the output modes:
Select the output mode, current (4–20 mA) (optional) or voltage (0– 10 V) for each output (1-4) by installing jumpers as shown in Figure 4.
On a display version of the device, the output scale can be changed via the configuration menu. An external configuration tool is available for devices without user interface.
First, select the output mode by jumper, then select the output scale (4–20 mA (optional) / 0–10 V / 2–10 V / 0–5 V) via the configuration menu. Please see the user manual for more details.
NOTE! When using mA output, do not use Vout scalings from the
menu.
Using 2-10 V output in some applications it is critical to know immidiately if the wire is broken or the device is damaged. In these cases, a 2-10 voltage output is recommended.
2) Output range selection with CO2- and PM-models:Install the jumper 1 (figure 3) to change output range. This feature is intended to use only on devices without display. On a display version of the device, the output range can be selected via the configuration menu. Please see the user manual for more details.
| Pin header | Description |
| Open Connected Open Connected | CO2 / PM output range selection 400…2000 ppm (CO2 models) 0…2000 ppm (CO2 models) 0…500 μg/m3 (PM models) 0…50 μg/m3 (PM models) |
3) Locking the display:
Install the jumper 2 (figure 3) to lock the display to prevent access to the configuration menu after installation is completed.
RECYCLING/DISPOSAL
The parts left over from installation should be recycled according to your local instructions. Decommissioned devices should be taken to a recycling site that specializes in electronic waste.

WARRANTY POLICY
The seller is obligated to provide a warranty of five years for the delivered goods regarding material and manufacturing. The warranty period is considered to start on the delivery date of the product. If a defect in raw materials or a production flaw is found, the seller is obligated, when the product is sent to the seller without delay or before expiration of the warranty, to amend the mistake at his/her discretion either by repairing the defective product or by delivering free of charge to the buyer a new flawless product and sending it to the buyer. Delivery costs for the repair under warranty will be paid by the buyer and the return costs by the seller. The warranty does not comprise damages caused by accident, lightning, flood or other natural phenomenon, normal wear and tear, improper or careless handling, abnormal use, overloading, improper storage, incorrect care or reconstruction, or changes and installation work not done by the seller. The selection of materials for devices prone to corrosion is the buyer’s responsibility, unless otherwise is legally agreed upon. Should the manufacturer alter the structure of the device, the seller is not obligated to make comparable changes to devices already purchased. Appealing for warranty requires that the buyer has correctly fulfilled his/her duties arisen from the delivery and stated in the contract. The seller will give a new warranty for goods that have been replaced or repaired within the warranty, however only to the expiration of the original product’s warranty time. The warranty includes the repair of a defective part or device, or if needed, a new part or device, but not installation or exchange costs. Under no circumstance is the seller liable for damages compensation for indirectdamage.


























