Revolve Rsh3q Split System Heat Pump For Manufactured Housing

Product Information
SEER: 14.3
Installation Instructions
Important Safety Information
- Installer: Please read all instructions before servicing this equipment. Pay attention to all safety warnings and any other special notes highlighted in the manual. Safety markings are used frequently throughout this manual to designate a degree or level of seriousness and should not be ignored.
- WARNING: Shut off all electrical power to the unit before performing any maintenance or service on the system. Failure to comply may result in personal injury or death.
Installation/Verification of the Systems Expansion Device
- Connecting Refrigerant Tubing Between the Indoor & Outdoor Unit
- Coupling the Line-Set to the Unit
Refrigerant Charging Electrical Wiring
- Pre-Electrical Checklist
- Line Voltage
- Grounding
- Thermostat Connections
- Low Voltage Connections
Heat Pump Maintenance
- Panel Removal
- Panel Installation
Electrical Diagrams & Tables
- Figure 7. Wiring Diagram for *SH3QE4M Units with Rotary Compressors (2.0 & 2.5T)
- Figure 8. Wiring Diagram for *SH3QE4M Units with Scroll Compressors (3.0, 3.5 & 4.0T)
Installation Checklist
Replacement Parts
- IMPORTANT: For installation only in HUD manufactured home per Construction Safety 24 CFR part 3280.
- IMPORTANT
- ATTENTION INSTALLERS: These instructions are primarily intended to assist qualified individuals experienced in the proper installation of this appliance. Some local codes require licensed installation/service personnel for this type of equipment. Please read all instructions carefully before starting the installation. Return these instructions to the customer’s package for future reference.
- DO NOT DESTROY.
- PLEASE READ CAREFULLY & KEEP IN A SAFE PLACE FOR FUTURE REFERENCE.
IMPORTANT
For installation only in HUD manufactured home per Construction Safety 24 CFR part 3280.
IMPORTANT
ATTENTION INSTALLERS:
It is your responsibility to know this product better than your customer. This includes being able to install the product according to strict safety guidelines and instructing the customer on how to operate and maintain the equipment for the life of the product. Safety should always be the deciding factor when installing this product and using common sense plays an important role as well. Pay attention to all safety warnings and any other special notes highlighted in the manual. Improper installation of the unit or failure to follow safety warnings could result in serious injury, death, or property damage.
These instructions are primarily intended to assist qualified individuals experienced in the proper installation of this appliance. Some local codes require licensed installation/service personnel for this type of equipment. Please read all instructions carefully before starting the installation. Return these instructions to the customer’s package for future reference.
DO NOT DESTROY. PLEASE READ CAREFULLY & KEEP IN A SAFE PLACE FOR FUTURE REFERENCE.
IMPORTANT SAFETY INFORMATION
INSTALLER: Please read all instructions before servicing this equipment. Pay attention to all safety warnings and any other special notes highlighted in the manual. Safety markings are used frequently throughout this manual to designate a degree or level of seriousness and should not be ignored.
WARNING indicates a potentially hazardous situation that if not avoided, could result in personal injury or death.
CAUTION indicates a potentially hazardous situation that if not avoided, may result in minor or moderate injury or property damage.
WARNING:
Shut off all electrical power to the unit before performing any maintenance or service on the system. Failure to comply may result in personal injury or death.
WARNING:
Unless noted otherwise in these instructions, only factory authorized parts or accessory kits may be used with this product. Improper installation, service, adjustment, or maintenance may cause explosion, fire, electrical shock or other hazardous conditions which may result in personal injury or property damage
WARNING:
*SH3QE4M Split System Heat Pumps are shipped charged with R410A refrigerant and ready for installation. If repairs make it necessary for evacuation and charging, it should only be attempted by qualified trained personnel thoroughly familiar with this equipment. Under no circumstances should the owner attempt to install and/or service this equipment. Failure to comply with this warning could result in property damage, personal injury, or death.
CAUTION:
This unit uses refrigerant R-410A. DO NOT use any other refrigerant in this unit. Use of another refrigerant will damage the unit.
WARNING:
The information listed below must be followed during the installation, service, and operation of this unit. Unqualified individuals should not attempt to interpret these instructions or install this equipment. Failure to follow safety recommendations could result in possible damage to the equipment, serious personal injury or death.
- The installer must comply with all local codes and regulations which govern the installation of this type of equipment. Local codes and regulations take precedence over any recommendations contained in these instructions. Consult local building codes and the National Electrical Code (ANSI) for special installation requirements.
- All electrical wiring must be completed in accordance with local, state and national codes and regulations and with the National Electric Code (ANSI/NFPA 70) or in Canada the Canadian Electric Code Part 1 CSA C.22.1.
- This equipment contains liquid and gaseous refrigerant under high pressure. DO NOT USE ANY PORTION OF THE CHARGE FOR PURGING OR LEAK TESTING. Installation or servicing should only be performed by qualified trained personnel thoroughly familiar with this type equipment.
- Fully annealed, refrigerant grade copper tubing should be used when installing the system. Refrigerant suction line tubing should be fully insulated.
- Installation of equipment may require brazing operations. Installer must comply with safety codes and wear appropriate safety equipment (safety glasses, work gloves, fire extinguisher, etc.) when performing brazing operations.
- Installation of this equipment will require the use of refrigerant line-sets with quick connect couplings. Use only Nortek approved couplings or line-sets for these connections.
- Follow all precautions in the literature, on tags, and on labels provided with the equipment. Read and thoroughly understand the instructions provided with the equipment prior to performing the installation and operational checkout of the equipment.
- When refrigerant tubing and electrical wiring penetrates a structures envelope, the openings should be made to be suitably water-tight after their installation.
- This unit is designed for outdoor installations only and should be positioned as shown on page 3.
HEAT PUMP INSTALLATION
General Information
The *SH3QE4M series Heat Pump is designed only for outdoor rooftop or ground level installations. This unit has been tested for capacity and efficiency in accordance with AHRI Standards and will provide many years of safe and dependable comfort, providing it is properly installed and maintained. Abuse, improper use, and/or improper maintenance can shorten the life of the appliance and create unsafe hazards.
To achieve optimum performance and minimize equipment failure, it is recommended that periodic maintenance be performed on this unit. The ability to properly perform maintenance on this equipment requires certain mechanical skills and tools.
Before You Install this Unit
- The cooling and heating loads of the area to be conditioned must be calculated and a system of the proper capacity selected. It is recommended that the area to be conditioned be completely insulated and vapor sealed.
- Check the electrical supply and verify the power supply is adequate for unit operation. The system must be wired and provided with circuit protection in accordance with local building codes. If there is any question concerning the power supply, contact the local power company.
- Verify that the indoor thermostat and wiring is correct for the installation of these units and that any required unit accessories are on-hand before beginning the installation.
- The indoor section (air handler, furnace, etc) should be installed before routing the refrigerant tubing. Refer to the indoor unit’s installation instructions for installation details.
- All units are securely packed at the time of shipment and upon arrival should be carefully inspected for damage prior to installing the equipment at the job site. Verify coil fins are straight. If necessary, comb fins to remove flattened or bent fins. Claims for damage (apparent or concealed) should be filed immediately with the carrier.
- Please consult your dealer for maintenance information and availability of maintenance contracts. Please read all instructions before installing the unit.
Packaging Removal
NOTE: To prevent damage to the tubing connections, carefully remove the carton and user’s manual from the equipment. Discard the shipping carton.
Locating the Heat Pump
- Survey the job site to determine the best location for mounting the outdoor unit.
- Sufficient clearance for unobstructed airflow through the outdoor coil must be maintained in order to achieve rated performance. See Figure 1 for minimum clearances to obstructions.
- Overhead obstructions (Figure 1), poorly ventilated areas, and areas subject to accumulation of debris should be avoided.
- The unit should not be placed under roofing or other overhangs which are not guttered; that would allow water or ice to fall into the unit’s discharge opening.
- Consideration should be given to availability of electric power, service access, noise, and shade.
Clearance Requirements
- The general recommendation is for the units to be installed with 18 inches of clearance on 3 sides and with 24 inches of clearance for the service access side to the unit’s service panel.
- For installations that are space constrained, one side of the unit, adjacent to the service panel, may have its air side clearance reduced to a minimum of 6 inches. The other side adjacent to the service panel requires 24 inches for service access. The remaining two sides, at a minimum shall require 12 inches of clearance.
- A minimum of 18 inches between two units must be maintained for proper performance.
Ground Level
- The unit should be installed on a solid base that is level and located at least 2 inches above grade*.
Note: It is recommended that poured concrete mounting bases are not attached or adjacent to the building structure or foundation.
Roof Mount
- The unit may only be installed on a structure that is capable of supporting the total weight of the unit and its anchorage. The support for the base of the unit may not slope more than 1/8 inch per foot. The minimum clearance for the base of the unit to the roof-line is 2 inches* for residential applications.
*Note on ground and roof clearances: Heat pump and other applications should account for the accumulation of snow and raise the base of the unit accordingly. (At a minimum, a 6 inch clearance is required.)
Accessory Mounting Kits
Kits for other mounting methods and accessories can be found in the technical sales literature for the unit. Or the literature library on NortekHVAC.com.

Figure 1. Clearance Requirements
INSTALLATION/VERIFICATION OF THE SYSTEMS EXPANSION DEVICE
After outdoor and indoor unit placement has been determined, refer to the Quick Reference Data sheet for information on the appropriate TXV metering device to use for the equipment. Verify that the installed expansion device matches those requirements or install the correct expansion device. Outdoor heat-pump units have the correct outdoor expansion device pre-installed at the factory. Verify that the TXV provided with the indoor unit matches the requirements in the Quick Reference Data. The correct expansion device or kit is available for all approved Nortek listed applications from the parts department.
Connecting Refrigerant Tubing Between the Indoor & Outdoor Unit
The SH3QE4M SERIES of units are equipped with single use quick-connect couplings. Together with the indoor section and an approved line-set, only four coupling connections are required to provide a 100% sealed system. Pre-Charged Line-Set Kits of various lengths may be found in the technical sales literature for the unit.
- Tubing and quick connect couplers should be kept clean of foreign debris during installation.
- The SH3QE4M units are equipped with a factory installed, liquid line filter-drier within the outdoor unit. Installers should ensure that only one filter-drier is installed in the liquid line of the system.
After outdoor and indoor unit placement has been determined, route refrigerant tubing between the equipment in accordance with sound installation practices.
- Refrigerant tubing should be routed in a manner that minimizes the length of tubing and the number of bends in the tubing. If precise forming of refrigerant lines is required, a copper tubing bender is recommended. Avoid sharp bends and contact of the refrigerant lines with metal surfaces.
- Refrigerant tubing should be supported in a manner that the tubing will not vibrate or abrade during system operation.
- Every effort should be made by the installer to ensure that the field installed refrigerant containing components of the system have been installed in accordance with these instructions and sound installation practices to insure reliable system operation and longevity.
- The maximum recommended interconnecting refrigerant line lengths is 75 ft. and the vertical elevation difference between the indoor and outdoor sections should not exceed 20 ft.
- Optional equipment such as liquid line solenoid valves, low ambient, etc., should be installed in strict accordance with the manufacturer’s installation instructions.
Coupling the Line-Set to the Unit
Nortek approved line-sets are factory sealed assemblies, vacuumed properly and pre-charged with a refrigerant holding charge. Always verify that the refrigerant within the line-set matches the refrigerant called out on the unit nameplate. It is recommended to only work on and complete one quick-connection coupling at a time. After the line-set has been properly routed between the units, prepare the couplers and connect them in accordance with the following.
- Inspect the outside of the couplings and ensure that they are free of any dirt or debris. Clean, if necessary.
- Remove the protective caps and plugs from the couplings to be joined. Inspect the interior of the coupling. If necessary, clean the interior of the coupling with a clean, soft, lint-free rag or cloth. Ensure that o-ring is in place and that the threads are clean and undamaged.
- Apply clean refrigerant oil to the entire surface of the diaphragm, o-ring and threaded area of the male coupling assembly. The amount of lubricant used must cover all designated surfaces sufficiently. Ideal application is a small brush with lubricant applied liberally. As an alternate, another acceptable lubricant would be a refrigerant compatible silicone grease product similar to Dow Corning DC200/60,000 cst. Nortek approved line-set kits include a packet of silicone grease for use.
- Ensure that the couplers to be joined are properly aligned with each other. The end faces of the couplers should be parallel with each other and visually in-line down the center axis of the couplers. By hand, start threading the nut on the female coupler onto the male for 2-3 full thread rotations of the union nut. This should bring the diaphragm of both couplers into contact with each other. A sharp increase in torque will be felt when they come into contact.
If the nut will not start by hand, or if it is difficult to rotate the union nut by hand, adjust the position of the line-set coupler to improve the alignment between the couplers. There should be no side-load on the coupling during assembly. DO NOT Proceed to the next step until any misalignment is corrected and the union nut can easily be threaded by hand. - Refer to table 1 for the appropriate wrench sizes and torque values for the coupling being connected.
| COUPLING SIZE | TORQUE | MALE COUPLING | FEMALE COUPLING NUT | FEMALE COUPLING BODY |
| 3/8” (10mm) | 10-12 Ft-Lbs (14-16 Nm) | 3/4” | 13/16” | 5/8” |
| 3/4” (19mm) | 35-45 Ft-Lbs (47-61 Nm) | 1-1/16” | 1-5/16” | 1” |
| 7/8” (22mm) | 35-45 Ft-Lbs (47-61 Nm) | 1-1/8” | 1-5/16” | 1” |
Table 1. Torque Values
Once this operation is begun, the coupling seals will be pierced, and the units’ refrigerant will be released into the line. During the tightening operation, the o-ring seal will prevent any refrigerant from escaping. However, if for any reason it is decided to disassemble the coupling after beginning this operation, the refrigerant charge will need to be recovered from the unit and the line prior to doing so.
Using both a back-up wrench on the female body of the coupling and primary wrench on the female union nut, tighten the union nut. Ensure that the female coupler body does not rotate with respect to the male coupler during the tightening operation. The nut should be tightened until a definite increase in resistance is felt. This will be the metal to metal contact of the permanent sealing surfaces. At this point, the union nut will have covered all, or mostly all threads on the male coupler body. (Some larger coupler sizes may show approximately 1/2 of the last thread when properly assembled.) Refer to the figure below for additional detail.
- Using a marker or scribe, mark out a line lengthwise from the female coupling union nut to the female coupling body, or the bulkhead. After, tighten the union nut an additional 60 degrees. (1 wrench flat.) Reference the markings made to confirm that an additional 60 degrees of rotation has occurred. This final rotation is necessary to ensure the formation of the leak-proof seal.
NOTE: Do not allow the body of the female coupling to rotate while performing this final tightening. Always use the backup wrench to prevent rotation of the coupling body. - Leak check the coupling assembly.
- Repeat steps 1 – 7 for the remaining quick-connect coupling connections.
Note: if repairs to the refrigerant piping or system become necessary during or after the installation process, then the unit and piping will require evacuation and recovery of the refrigerant charge from the system. Always use safe practices when handling refrigerant or performing brazing processes.
CAUTION:
If repairs are necessary to the refrigerant line-set or indoor setup after the initial installation, then when servicing, cover or seal openings to minimize the exposure of the refrigerant system to air to prevent accumulation of moisture and other contaminants.
CAUTION:
When connecting refrigerant line-sets together, it is highly recommended that dry nitrogen be flowing through the joints during brazing to prevent internal oxidation and scaling. Copper oxides, internal to the system can damage the compressors bearings and seals, block small orifices and microchannel or otherwise damage components.
CAUTION:
When performing brazing operations always protect the system components and seals from the possibility of heat damage. Remove all caps, plugs and Schrader valve cores on piping system components just prior to assembly and brazing. Use good brazing practices to protect components from the heat and flame of the brazing torch.
- After the completion of all brazing operations and when the components have been properly cooled, replace all the seals, Shrader cores and caps which had been previously removed. It is recommended that all seals be either lubricated with a light coat of refrigerant oil.
- Always verify that oil applied matches the oil type listed on the compressor nameplate. A thread sealant which is compatible with the system refrigerant and oil can be sparingly applied if desired.

Figure 2. Coupling Tightening Operation
REFRIGERANT CHARGING
WARNING:
*SH3QE4M Split System Heat Pumps are shipped charged with R410A refrigerant and ready for installation. If repairs make it necessary for evacuation and charging, it should only be attempted by qualified trained personnel thoroughly familiar with this equipment. Under no circumstances should the owner attempt to install and/or service this equipment. Failure to comply with this warning could result in property damage, personal injury, or death.
The SH3QE4M SERIES of units, when connected to Nortek approved line-sets and indoor equipment, do not require the system to be evacuated prior to charging. All of the components come pre-charged from the factory and the quick connect couplers allow the system to be properly configured for use without evacuation afterwards.
After refrigerant line connections and expansion device installation are completed, it is required that you leak check the indoor section and all line connections (using proper methods) before finalizing the full system refrigerant charge.
Note: additional charging instructions located near the end of this document.
- Refer to the Quick Reference Data sheet for additional charging information for this unit with the approved Nortek indoor units. For reference, these units are listed in the AHRI Directory with all approved combinations of indoor coils and units. Installing these outdoor units on systems that combine it with an indoor coil or unit not listed there, is not recommended. When approved combinations of indoor and outdoor units are installed, they should be set up to operate within the airflow and other operational parameters prescribed in all of the units provided instructions and technical specifications.
- Installation of this outdoor unit with other, non-listed indoor unit combinations may require different airflows, expansion devices, charge values and system setup from the instructions provided here and with this unit. Nortek does not recommend the use of this product in unlisted combinations, and the system performance and efficiency values of unlisted unit combinations may be different than the listed product combinations.
- SH3QE4M outdoor units with non-AHRI listed indoor coils are not recommended. Deviations from rated airflows or non-listed combinations may require modification to the expansion device and refrigerant charging procedures for proper and efficient system operation.
- The refrigerant charge can be checked and adjusted through the service ports provided external to the outdoor unit. Use only gage line sets which have a “Schrader” depression device present to actuate the valve.
- An automatic high-pressure switch is factory-installed installed in these units and is located on the discharge line after the unit’s compressor. This switch is designed to protect the system when very high pressures occur during abnormal conditions. Under normal conditions, the switch is closed. If the system pressure rises to 650 psig, then the switch will open and de-energize the contactor coil in the outdoor unit. The switch will close again once the liquid pressure decreases to 460 psig and allow the unit to restart.
- An automatic low-pressure switch is factory-installed on these units and is located on the suction line. This auto-reset switch is designed to protect the system from abnormal operation and events that could otherwise harm the compressor. When the refrigeration system is at normal pressures, the switch will be closed. If the compressor suction pressure falls below 20 psig, the switch will open. If the compressor suction pressure then rises to 35 psig, the switch will automatically re-close.
- These outdoor heat-pump units have an Anti-short cycle control incorporated into the defrost control board. This control will only allow the compressor to restart 5 minutes after the last call for operation was terminated.
- These outdoor heat-pumps units have been configured with a compressor crankcase heater (CCH) that will operate when the compressor is not energized. It is highly recommended to allow the CCH to operate for 24 hours prior to the initial unit start-up.
- These outdoor heat-pump units have been configured with an outdoor thermostat switch in the control panel compartment for compliance with US 24 CFR § 3280.714 (2022) requirements on Manufactured Housing Applications with electrical resistance heating means. The SPST switch will be open when ambient temperatures are above 40F and will close at 25F. Refer to the Low Voltage Connections Section for additional information.
- These heat-pump units have an additional Schrader port on the compressor suction line located on the lower service panel of the unit, above the refrigerant line connections. This will allow a qualified technician to make a suction DP measurement across the system accumulator and reversing valve, or for the true compressor SH to be measured.
ELECTRICAL WIRING
WARNING:
To avoid risk of electrical shock, personal injury, or death, disconnect all electrical power to the unit before performing any maintenance or service. The unit may have more than one electrical supply.
Label all wires prior to disconnection when servicing the unit. Wiring errors can cause improper and dangerous operation.
- All electrical connections must be in compliance with all applicable local codes and ordinances, and with the current revision of the National Electric Code (ANSI/NFPA 70).
- For Canadian installations the electrical connections and grounding shall comply with the current Canadian Electrical Code (CSA C22.1 and/or local codes).
Pre-Electrical Checklist
- Verify that the voltage, frequency, and phase of the supply source match the specifications on the unit rating plate.
- Verify that the service provided by the utility is sufficient to handle the additional load imposed by this equipment. Refer to the unit wiring label for proper voltage wiring.
- If replacing an existing unit, verify that the: current wiring, unit disconnect and circuit breaker is properly sized and rated for the new units requirements. Verify that information with the MCA and MOP values on the unit nameplate. Verify factory wiring is in accordance with the unit wiring diagrams Figure 7 (page 12) and Figure 8 (page 13). Inspect for loose connections.
Line Voltage
- A wiring diagram is located on the inside cover of the electrical box of the outdoor unit. The installer should become familiar with the wiring diagram before making any electrical connections to the outdoor unit.
- An electrical disconnect must be located within sight of and readily accessible to the unit. This switch shall be capable of electrically de-energizing the outdoor unit.
- Line voltage to the unit should be supplied from a dedicated branch circuit containing the correct fuse or circuit breaker for the unit. Incoming field wiring and minimum size of electrical conductors and circuit protection must be in compliance with information listed on the outdoor unit data label. Any other wiring methods must be acceptable to authority having jurisdiction.
- The outdoor unit requires electrical connections for its incoming line voltage wiring, its safety ground wiring and the low voltage control circuit wiring. Refer to the wiring diagram for identification and location of outdoor unit field wiring interfaces Figure 7 (page 12) and Figure 8 (page 13). Make all electrical connections in accordance with all applicable codes and ordinances.
- Overcurrent protection must be provided at the branch circuit distribution panel and sized as shown on the unit rating label and according to applicable local codes. See the unit rating plate for minimum circuit ampacity (MCA) and maximum overcurrent protection (MOP) limits.
- Provide power supply for the unit in accordance with the unit wiring diagram, and the unit rating plate. Connect the line-voltage leads to the terminals on the contactor inside the control compartment.
- Use only copper wire for the line voltage power supply to this unit in strict accordance of the NEC (ANSI/NFPA 70), applicable local codes, and the instructions provided with the equipment. Use proper code agency listed conduit and a conduit connector for connecting the supply wires to the unit. Use of rain tight conduit is recommended.
- Optional equipment requiring connection to the power or control circuits must be wired in strict accordance of the NEC (ANSI/NFPA 70), applicable local codes, and the instructions provided with the equipment.
Grounding
WARNING:
The unit cabinet must have an uninterrupted or unbroken electrical ground to minimize personal injury if an electrical fault should occur. Do not use gas piping as an electrical ground!
This unit must be electrically grounded in accordance with local codes or, in the absence of local codes, with the National Electrical Code (ANSI/NFPA 70) or the CSA C22.1 Electrical Code. Use the grounding lug provided in the control box for grounding the unit.
Thermostat Connections
- Thermostat connections should be made in accordance with the instructions supplied with the thermostat and the indoor equipment.
Low Voltage Connections
- The outdoor unit is designed to operate from a 24 VAC Class II control circuit. The control circuit wiring must comply with the current provisions of the NEC (ANSI/NFPA 70) and with applicable local codes having jurisdiction.
- The low voltage wires must be properly connected to the units low voltage terminal block.
- For applications utilizing the outdoor thermostatic switch within these units, the installer shall need to wire in the switch as appropriate for their application. Refer to Figure 3 for typical configurations and the unit wiring diagram as needed.

Figure 3. Typical Thermostat Connections
START UP & ADJUSTMENTS
Pre-Start Check List
- Verify that the outdoor unit is installed according to all instructions in this document.
- Verify that the indoor unit is appropriate for use with the refrigerant listed on the outdoor unit. And that it has the proper design pressure for the outdoor unit equipment type.
- Verify the indoor unit and thermostat have been installed in accordance with that equipment’s instructions.
- Verify line voltage power leads are securely connected and that both indoor and outdoor units are properly grounded.
- Verify that the power supplied by branch circuits for both the indoor and outdoor equipment is:
- the proper voltage for the equipment, and
- that the overcurrent protection device is properly sized, and
- that the supply wiring is the correct gauge.
- Verify that the low voltage and thermostat wiring are securely connected to the proper terminals for all equipment.
- Verify that the low voltage transformer has been properly connected with that unit’s instructions.
- Verify that the refrigerant line-set has been properly routed between the units, connected appropriately, is properly secured and protected from damage, and that it has the correct piping insulation installed.
- Verify that the refrigerant system and lines are leak free by inspection with a leak detector or the soap-bubble method.
- Verify that any attached indoor ducting has been properly installed and sealed.
- Verify that the indoor condensate drain line and trap are properly installed and functioning.
- Verify that all removable panels have been re-installed, and all cabinet enclosures and fan guards are secure.
- Verify that the air filters are clean and properly installed.
- Verify that the thermostat is set to the stand-by, or off setting. And the fan switch is set to automatic or off.
Start-Up Procedures
The thermostat’s function mode should be set to OFF and the fan mode should be set to AUTO. Close all electrical disconnects to energize the system.
WARNING:
This unit is equipped with a crankcase heater. Allow 24 hours prior to continuing the start up procedures to allow for heating of the refrigerant compressor crankcase. Failure to comply may result in damage and could cause premature failure of the system. This warning should be followed at initial start up and any time the power has been removed for 12 hours or longer.
Operating Temperatures
This equipment has been designed to operate for a large range of ambient conditions, however: running the heat-pump in heating mode, at higher than 70°F ambient temperatures may require the use of a Heat Pump Mild Weather Control Kit.
If an application is expected to require heating operation during mild ambient temperatures the systems liquid line pressures should be inspected during these periods of operation. If the liquid line pressure is 530 psig or greater, then the Heat Pump Mild Weather Control Kit is required to be installed on the system. Alternately, the control system could be configured to utilize the emergency or auxiliary heating means in order to maintain reliable system operation.
Air Circulation – Indoor Blower
- Set the thermostat system mode on OFF and the fan mode to ON.
- Verify the blower runs continuously. Check the air delivery at the supply registers and adjust register openings for balanced air distribution. If insufficient air is detected, examine ductwork for leaks or obstructions.
- Set the thermostat fan mode to AUTO and verify the blower stops running.
Short Cycle Protection
- Set the thermostat system mode to COOL. Observe the temperature setting of the thermostat and gradually raise the set-point temperature until the unit de-energizes.
- Immediately lower the set point temperature of the thermostat to its original setting and verify that the indoor blower is energized and outdoor unit remains de-energized.
- After approximately 5 minutes, verify the outdoor unit energizes and the temperature of the discharge air is cooler than the room temperature.
System Cooling
- Set the thermostat’s system mode to COOL and the fan mode to AUTO. Gradually lower the thermostat temperature setpoint below room temperature and verify the outdoor unit and indoor blower energize.
- Verify blower wheel is spinning in direction indicated by arrow. Feel the air being circulated by the indoor blower and verify that it is cooler than ambient temperature. Listen for any unusual noises. If unusual sounds occur, determine the source of the noise and correct as necessary.
- Verify HI and LO refrigerant pressures.
Allow the system to operate for several minutes and then set the temperature selector above room temperature. Verify the fan and compressor cycle off with the thermostat. NOTE: The blower should also stop unless fan switch is set to the ON position.
System Heating
- Set the thermostat’s system mode to HEAT and the temperature mode to below room temperature.
- Verify the outdoor unit and indoor fan stop running. After 5 minutes, increase the temperature on the thermostat to it’s maximum setting.
- Verify the outdoor unit and indoor blower energize. Feel the air being circulated by the indoor blower and verify that it is warmer than ambient temperature. Listen for any unusual noises. If unusual sounds occur, determine the source of the noise and correct as necessary.
Defrost Control Board Test Pins
- Verify the Status Indicator (on the control board) against the codes listed in Table 2 (page 9) to determine proper diagnostic description.
- Terminals ‘R’ and ‘C’ must have 18-30 VAC present between them for proper board operation.
- Board anti-short cycle timer can be bypassed by shorting the test terminals for less than 1 second while there is a call for heating or cooling.
- Forced defrost enabled when shorting the test terminals for more than three seconds while there is a call for heating or cooling. After short removed, defrost mode will be terminated when conditions are met.
- Forced defrost can be maintained for up to 11 minutes by continuously maintaining the short across the test terminals. If held for over 11 minutes, the unit will stop and a flashing ‘dF’ will be indicated on the board.
- A continuous display of a fault code will indicate that the fault is still active.
- A flashing fault code indicates that the fault has been corrected but remains in memory for troubleshooting purposes.
- Multiple fault codes are listed in order from the most recent to the oldest. Only ten codes will be stored in memory.
- Faults will remain in the board memory for seven days after the last fault is corrected.
- Faults can be cleared from memory by shorting the test terminal momentarily while there is not a call for heating or cooling.
| STATUS INDICATOR | STATUS TYPE | DIAGNOSTIC DESCRIPTION |
| C1 | Operating Status | Cooling, 1st Stage |
| C2 | Operating Status | Cooling, 2nd Stage |
| H1 | Operating Status | Heating, 1st Stage |
| H2 | Operating Status | Heating, 2nd Stage |
| SC | Operating Status | Anti Short Cycle Timer |
| DF | Operating Status | Defrost |
| _. | Operating Status | Power on, no call for operation |
| 01 | Fault | Pressure switch, low |
| 02 | Fault | Pressure switch, high |
| 03 | Fault | Temperature Sensor, Ambient |
| 04 | Fault | Temperature Sensor, Coil |
| 05 | Fault | Board |
| OF (FLASHING) | Input Error | Forced defrost – test short applied longer than 11 minutes |
Table 2. Defrost Control Board Status Indicators
Charging the Unit in AC mode
If the outdoor temperature is 65 degrees F or higher:
After completing the refrigerant line connections, leak checking the system, and evacuating the indoor section and all line connections (using proper methods), perform the following steps:
- Determine the recommended charge addition (if applicable) for the system being installed. This information is in the unit’s QRD (Quick Reference Data sheet).
- Calculate the amount of additional refrigerant needed for the line set length of the actual installation. This information is on the first page of the unit’s QRD (Quick Reference Data sheet).
- Weigh in the additional charge amounts determined by step 1 and 2 above.
- Adjust the charge to match the superheat (for fixed orifice systems) or subcooling (for TXV systems). There are three different resources for doing this:
- The chargecalculator.com website. This will walk you through the charging process step by step.
- The charging tables on the inside of the outdoor unit’s electrical box cover panel. These tables provide superheat targets for fixed orifice systems and subcooling targets for TXV systems. The system should be charged so that the measured superheat/ subcooling are within 1 degree F of the target listed in the table.
For fixed orifice systems:- If your measured superheat at the suction valve is LESS THAN the recommended superheat value in the table then REMOVE refrigerant.
- If your measured superheat at the suction valve is GREATER THAN the recommended superheat value in the table then ADD refrigerant.
For TXV systems: - If your measured sub cooling at the liquid valve is LESS THAN the recommended sub cooling value in the table then ADD refrigerant.
- If your measured sub cooling at the liquid valve is GREATER THAN the recommended sub cooling value in the table then REMOVE refrigerant.
- The charging tables in the Supplemental Charging Information, can be found online in the literature library. The tables can also be accessed by scanning the QR code on the unit’s electrical panel. The pressures listed in these tables are for reference only and are to be used in troubleshooting a system. The system should be charged to match the superheat or subcooling targets as previously noted and not to match the system pressures. Follow the same procedure described in 4b above.
If the outdoor temperature is between 35 degrees F and 65 degrees F:
After completing the refrigerant line connections, leak checking the system, and evacuating the indoor section and all line connections (using proper methods), perform the following steps:
- Determine the recommended charge addition (if applicable) for the system being installed. This information is in the unit’s QRD (Quick Reference Data sheet).
- Calculate the amount of additional refrigerant needed for the line set length of the actual installation. This information is on the first page of the unit’s QRD (Quick Reference Data sheet).
- Weigh in the additional charge amounts determined by step 1 and 2 above.
- Block off the discharge of the outdoor fan. NOTE: One half of the unit should be covered corner to corner as shown in Figure 4.

Figure 4. Blocked Off Outdoor Fan Discharge - With the unit in cooling mode, Adjust the charge to match the superheat (for fixed orifice systems) or subcooling (for TXV systems). There are two different resources for doing this:
- The chargecalculator.com website. This will walk you through the charging process step by step.
- The low ambient charging tables on the inside of the outdoor unit’s electrical box cover panel. These tables provide superheat targets for fixed orifice systems and subcooling targets for TXV systems. The system should be charged so that the measured superheat/subcooling are within 1 degree F of the target listed in the table.
For fixed orifice systems:- If your measured superheat at the suction valve is LESS THAN the recommended superheat value in the table then REMOVE refrigerant.
- If your measured superheat at the suction valve is GREATER THAN the recommended superheat value in the table then ADD refrigerant.
If the outdoor temperature is below 35 degrees F:
After completing the refrigerant line connections, leak checking the system, and evacuating the indoor section and all line connections (using proper methods), perform the following steps:
- Determine the recommended charge addition (if applicable) for the system being installed. This information is in the unit’s QRD (Quick Reference Data sheet).
- Calculate the amount of additional refrigerant needed for the line set length of the actual installation. This information is on the first page of the unit’s QRD (Quick Reference Data sheet).
- Weigh in the additional charge amounts determined by steps 1 and 2 above.
- Return to the system when the outdoor temperature is 35 degrees F or higher and follow the steps defined in step 4 of the “If the outdoor temperature is between 35 degrees and 65 degrees F” or “If the outdoor temperature is 65 degree F or higher” sections above as applicable.
HEAT PUMP MAINTENANCE
WARNING:
To prevent electrical shock, personal injury, or death, disconnect all electrical power to the unit before performing any maintenance or service. The unit may have more than one electrical supply.
Proper maintenance is important to achieve optimum performance from the Heat Pump. The ability to properly perform maintenance on this equipment requires certain mechanical skills and tools. If you do not possess these skills, contact your dealer for maintenance. Consult your local dealer about the availability of maintenance contracts. Routine maintenance should include the following:
- Inspect and clean or replace air filters at the beginning of each heating and cooling season, or more frequently if required.
- Inspect the condensate drains in the units base pan and the outdoor coil at the beginning of each cooling season. Remove any debris. Clean the outdoor coil and louvers as necessary using a mild detergent and water. Rinse thoroughly with water.
- To access the outdoor coil on units equipped with louvered panels, refer to Figure 5 for panel removal and Figure 6 for panel installation.
- Inspect the electrical connections for tightness at the beginning of each heating and cooling season. Service as necessary.
- Do not attempt to add additional oil or grease to motors unequipped with oil tubes or grease fittings. Most outdoor unit motors are manufactured with sealed, permanently lubricated bearings that are designed for the life of the equipment without maintenance.
- The compressor is hermetically sealed and shipped from the factory with the proper oil charge for most installations. Lubricating oil should only be added by trained personnel and is typically only required for long line-sets or tall riser applications.
Panel Removal
- Remove screws securing the panel.
- Slide the panel up towards the top pan in order to clear the bottom flange from the base pan. See Figure 5.
- Swing the bottom of the panel out and pull the panel down to remove it from the unit.
Panel Installation
- Insert the top corners of side panel flanges into the corner post channels as shown in Detail A in Figure 6.
- Slide the panel up into the top pan. (You may need to push on the center of the panel at the top in order to clear the top pan edge).
- Swing the panel in and push down until the panel is resting on the top edge of the base pan wall as shown in Detail B.
- Install screws into the panel to secure it to the unit.


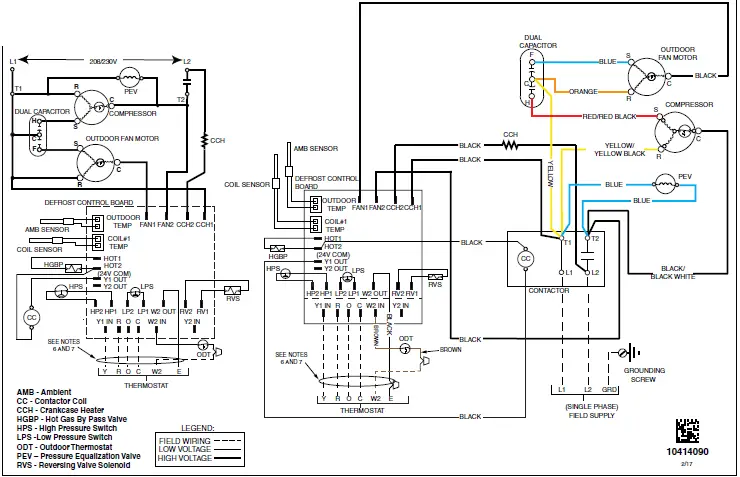
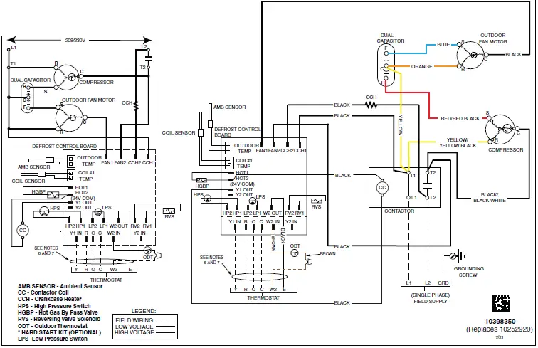
ELECTRICAL DIAGRAMS & TABLES
Split System Heat Pump (Outdoor Section)
- Disconnect all power before servicing.
- For supply connections use copper conductors only.
- Not suitable on systems that exceed 150 volts to ground
- For replacement wires use conductors suitable for 105˚ C.
- For ampacities and overcurrent protection, see unit rating plate.
- Connect to 24 vac/40va/class 2 circuit. See furnace/air handler installation instructions for control circuit and optional relay/transformer kits.
- Caution: The Low Voltage wiring shall NOT be grounded to this unit.

Figure 7. Wiring Diagram for *SH3QE4M Units with Rotary Compressors (2.0 & 2.5T)
Split System Heat Pump (Outdoor Section)
NOTES:
- Disconnect all power before servicing.
- For supply connections use copper conductors only.
- Not suitable on systems that exceed 150 volts to ground
- For replacement wires use conductors suitable for 105˚ C.
- For ampacities and overcurrent protection, see unit rating plate.
- Connect to 24 vac/40va/class 2 circuit. See furnace/air handler installation instructions for control circuit and optional relay/transformer kits.
- Caution: The Low Voltage wiring shall NOT be grounded to this unit.

Figure 8. Wiring Diagram for *SH3QE4M Units with Scroll Compressors (3.0, 3.5 & 4.0T)
INSTALLATION CHECKLIST
| INSTALLATION ADDRESS: | ||
| CITY: | STATE: | |
| UNIT MODEL #: | ||
| UNIT SERIAL #: | ||
| INSTALLER NAME: | ||
| CITY: | STATE: | |
| Unit Installed Minimum clearances per Figure 1 (page) 3? | YES | NO |
| Has the owner’s information been reviewed with the customer? | YES | NO |
| Has the Literature Package been left with the unit? | YES | NO |
| REFRIGERATION SYSTEM | ||
| Was unit given 24 hr warm up period for crankcase heaters? | YES | NO |
| Stage-1 Liquid Pressure (high side): | ||
| Stage-1 Suction Pressure (low side): | ||
| ELECTRICAL SYSTEM | ||
| Electrical connections tight? | YES | NO |
| Line voltage polarity correct? | YES | NO |
| Rated Voltage: | ||
| Has the thermostat been calibrated? | YES | NO |
| Is the thermostat level? | YES | NO |
| Is the heat anticipator setting correct? (If Applicable) | YES | NO |

REPLACEMENT PARTS
Replacement parts are available through your distributor. Please have the complete model and serial number of the unit when ordering replacement parts.
ELECTRICAL:
- Capacitors
- Compressors
- Contactors
- Pressure Switches
- Relays
- Temperature Limit Switches
- Thermostats
- Time Delay Relays
- Transformers
MOTORS:
- Blower Motor
- Fan Motor
COMPONENTS:
- Fan Grille
- Blower Assembly
- Cabinet Panels
- Expansion Valves
- Filter/Driers
Specifications & illustrations subject to change without notice or incurring obligations (10/22). O’Fallon, MO, © Nortek Global HVAC LLC 2022. All Rights Reserved.

10441270
(Replaces 10434500)















