AUH2436ZGDA Split Type Heat Pump
Instruction Manual
AUH2436ZGDA Split Type Heat Pump
The manufacturer recommends installing AHRI listed matched indoor and outdoor system. Installing approved matched indoor and outdoor system will provide optimum efficiency and best overall system reliability.
READ CAREFULLY.
KEEP THESE INSTRUCTIONS.
Record Keeping
Thank you for purchase this product from GE Appliances, a Haier Company. This installation manual will help to get the best performance of the system.
For future reference, record the model and serial number located on the label on the side of your air conditioner/heat pump, and the date of purchase.
Staple your proof of purchase to this manual to aid in obtaining warranty service if needed.
To register your new system, go to http://www.haierductless.com/product-registration and input the model/serial number information on this page. To receive a 10-year compressor and parts warranty, registration is required within 60 days of installation.
Model number ………….
Serial number ………….
Date of purchase ………….
http://www.haierductless.com/product-registration
IMPORTANT SAFETY INFORMATION
READ ALL INSTRUCTIONS BEFORE USING THE SYSTEM
WARNING
For your safety, the information in this manual must be followed to minimize the risk of fire, electric shock, or personal injury.
- Use this equipment only for its intended purpose as described in this manual.
- This heat pump must be properly installed in accordance with these instructions before it is used.
- All wiring should be rated for the amperage value listed on the rating plate. Use only copper wiring.
- All electrical work must be completed by a qualified electrician and completed in accordance with local and national building codes.
- Any servicing must be performed by a qualified individual.
Federal regulations require that a technician must have a Class II or Universal certification to perform any work on the sealed refrigeration system. - All air conditioners contain refrigerants, which under federal law must be removed prior to product disposal. If you are getting rid of an old product with refrigerants, check with the company handling disposal.
- These R-410A heat pumps systems require that contractors and technicians use tools, equipment and safety standards approved for use with this refrigerant. DO NOT use equipment certified for R22 refrigerant only.
WARNING
RISK OF ELECTRIC SHOCK. Could cause injury or death.
- A dedicated ground is essential before connecting the power supply.
- Disconnect all connected electric power supplies before servicing.
- Repair or replace immediately all electrical wiring that has become frayed or otherwise damaged. Do not use wiring that shows cracks or abrasion damage along its length or at either end.
WARNING
RISK OF FIRE. Could cause injury or death.
- Do not store or use combustible materials, gasoline or other flammable vapors or liquids in the vicinity of this or any other appliance.
WARNING
This unit is not intended for use by persons (including children) with reduced physical, sensory or mental capabilities, or lack of experience and knowledge.
Children should be supervised to ensure that they do not play with the appliance.
To avoid danger of suffocation, keep the plastic bag or thin film used as the packaging material away from young children.
Be sure not to allow foreign materials to enter the refrigerant piping. Seal the ends of refrigerant piping before storage.
For installation purposes, be sure to use the parts supplied by the manufacturer or other prescribed parts.
The use of non-prescribed parts can cause serious accidents such as the unit falling, water leakage, electric shock, or fire.
The rated power supply of this product is 208/230 VAC/60hz/1PH. Verify the voltage is within 187~253 range before turning the equipment on.
Supply power to the heat pump should be from a dedicated circuit that meets branch circuit ampacity requirements.
Use a special branch circuit breaker and receptacle matched to the power circuit capacity of the heat pump. Install in accordance with national, state, and local code.
CAUTION
It is highly recommended that you do not open or close the service valves when the outdoor temperature is below -5°F (-21°C), as this may cause refrigerant leakage.
Do not touch the fins of the coil. Touching the coil fins could result in damage to the fins or personal injury.
Ensure the power circuit capacity is adequate for all loads connected to the electrical service panel. Increase the conductor and panel capacity if the total electrical loads exceed the power source capacity.
Contact the power utility if the power provided is below equipment rating plate requirements.
Be sure to install a circuit breaker of the specified capacity.
Refer to local requirements regarding type and kind of circuit breaker, power wiring, and control cable.
Regulation of cables and circuit breaker differs from each locality. Be aware of these regulations prior to installation.
Do not use existing refrigerant lines.
Use refrigerant tubing that is clean and free of any contamination which may cause damage to the system, including sulfur, copper oxide, dust, metal chips, powder, oil, or water.
Avoid coupling lines whenever possible. Use a continuous length of copper tubing, as oxides formed during improper brazing techniques can damage the equipment.
Do not use copper pipes that have a collapsed, deformed, or discolored portion (especially on the interior surface). Otherwise, the expansion valve or capillary tube may become blocked with contaminants.
Improper line sizing will degrade performance. Peak pressure of R410A is much higher than R22. Use ACR copper tubing with adequate wall thickness.
Use a tubing bender to change piping direction. Make sure the radius of the bend is no less than 4”.
If the pipe is bent repeatedly at the same place, it will break.
READ AND SAVE THESE INSTRUCTIONS
FOR MORE HELP, VISIT HAIERAPPLIANCES.COM OR CALL THE CONSUMER HELP LINE AT 877-337-3639.
BEFORE YOU BEGIN
Read these instructions completely and carefully.
- IMPORTANT – Save these instructions for local inspector’s use.
- IMPORTANT – Observe all governing codes and ordinances. Use for future reference.
- Note to Installer – Be sure to leave these instructions with the owner.
- Note to Owner – Keep these instructions for future reference.
- Skill level – A licensed certified technician (to handle refrigerant R-410A, recovery, etc.) and a qualified electrician are required for equipment and service of this split heat pump system.
- Use team lift for installation of this product”.
- Proper installation is the responsibility of the installer.
- Product failure due to improper installation is not covered under the limited warranty.
- For personal safety, this system must be properly grounded.
- Protective devices (fuses or circuit breakers) acceptable for installation are specified on the nameplate of each unit.
- Piping or wiring within walls must be protected per local code.
CAUTION
- Aluminum electrical wiring may present special problems – consult a qualified electrician.
- When the unit is in the STOP position, there is still voltage to the electrical controls.
Installation Instructions
Required Tools for Installation
| • 18-6 thermostat wire • 5/8” (16mm), 7/8” (22mm), 1” (25mm) or Adjustable Wrench • R-410A Refrigerant* • Adhesive tape* • Conduit cable clamp 1/2”* • Copper line set *(for size, see table on page 15) • #2 phillips screwdriver • Drill • R-410A flaring tool • Hex wrench • Hole saw 2 1/4” • Insulation* • Refrigerant scale • Level • Manifold gauge set • Measuring tape | • Micron gauge • Mini-split adapter (5/16”F to 1/4”M) • Nitrogen* • Pipe cutter • PVC pipe • Razor knife • Reamer • Saddle clamp (L.S.) w/ screws • Sealant, non-expanding (for lineset hole) • Soap/water solution* or gas leakage detector • Stud finder • Torque wrench • Vacuum pump • Wire strippers • All usual and customary HVAC hand and power tools, meters, and testing devices * consumable materials |
Accessories
| Outdoor Unit Accessories | |||
| Name | Appearance | Quantity | Usage |
| Drain Plug | 3 | To plug the unused drain hole | |
| Drainage Connector | ![]() | 1 | To connect with the hand PVC drain pipe |
| Vapor Connect Pipe | 1 | To connect with the service valves to the line set, gas pipe | |
| Liquid Connect Pipe | 1 | To connect with the service valves to the line set, liquid pipe. | |
| Installation Manual | ![]() | 1 | For reference |

Installation Location
WARNING
- The unit must be installed in a location strong enough to support the weight of the unit and securely fastened to avoid toppling.
- Install the unit in a location where the inclination is less than 5°.
- DO NOT install the unit in a location with direct sunlight.
- DO NOT install the unit where combustible gas leakage may occur.
Select a location pursuant to the following conditions:
- Noise and air flow produced by the outdoor unit will not disturb neighbors
- The location is away from animals and plants. If not, please add safety fences to protect the unit.
- The area is well-ventilated with no nearby obstacles that
- The location is able to support the weight and withstand the operating vibration of the unit.
- Installation is able to be performed safely.
- The location area is free of combustible or corrosive gas, and oil smoke.
- Unit is able to be shielded from strong wind. Strong wind may affect the outdoor fan and lead to insuffcient
- Unit is away from objects which can generate or amplify noise during operation.
- Condensate can be safely drained from the unit.
SALTWATER COAST INSTALL
- The outdoor unit should be installed at least ½ mile away from the salt water, including seacoasts and inland waterways. If the unit installed from ½ mile to 5 miles away from the salt water, including seacoasts and inland waterways, please follow the installation instruction below.
- Install the outdoor unit in a place (such as near buildings etc.) where it can be protected from sea breeze which can damage the outdoor unit.

- If you cannot avoid installing the outdoor unit by the seashore, construct a protection wall around it to block the sea breeze.
- A protection wall should be constructed with a solid material to block the sea breeze. The height and the width of the wall should be 1.5 times larger than the size of the outdoor unit. Also, allow at least 28” (700mm) between the protection wall and the outdoor unit for air circulation to ventilate.

- Install the outdoor unit in a place where water can drain.
- If the above conditions cannot be met, contact GE Appliances for assistance.
Outdoor Unit Clearances
NOTE: If there is danger that the unit will fall or turn over, fix the unit by inserting bolts, wire or other foundation options.
NOTE: Place the unit on a level mounting base (or a plastic pedestal) for proper drainage.
NOTE: Install the outdoor unit in a level position. Failure to do so may result in water leakage or accumulation.
(3) Installation and maintenance space
Selection of installation location of outdoor
- Single-unit installation(unit: in.(mm))
The top and two side surfaces must be exposed to open space, and barriers on at least one side of the front and back shall be lower than the outdoor unit. - Multi-unit installation (unit: in.(mm))
Height of barriers is below that of outdoor unit - Multi-unit installation in front and back (unit: in.(mm))

Mounting the Unit
- If the outdoor unit is installed on a solid surface, such as concrete, use M10 screws, bolts, and nuts to secure it.
Make sure the unit is standing on a level surface. - Follow local code requirements when installing this unit on a roof.
- If vibration isolation is required, add rubber cushions between the unit’s feet and the installation surface.
- If a drain pipe is required by code, plug all drain openings in the cabinet. Connect a drain pipe to the drain connector as shown. If using the drain connector and pipe, the unit should be at least 3” above grade.
- Plugs and drainage connector are not recommended if the unit is equipped with a base pan heater on the chassis.

Cold Climate Installation Requirement
Prepare the Outdoor Unit for Installation
- Remove all packaging.
- Place supplied vibration pads onto outdoor unit’s feet.
- Use team lift to place the unit on a solid foundation, 8” above the average snowfall.

Pipe Installation Notes
- It is very important to measure the exact length of the line set, as the refrigerant charge is critical.
- Never braze tubing joints without using a dry nitrogen purge during and after heating the joint.
- When changing piping direction, a tubing bender must be used.
- Flexible connection pipes are shipped with outdoor unit to aid in connecting the line set to the service valves.
- Make sure insulation covers every inch of exposed tubing.
- Insulation value should never be less than 3/4”. Refer to local code for correct thickness and material type.
- Tubing must be able to withstand the high operating pressures of R-410A refrigerant.
- Never use a flaring tool not intended for R-410A refrigerant.
- Make multiple passes with a tubing cutter so as not to compress the pipe.
- Never flare tubing without reaming the outside and inside of the pipe.
- Only use flare nuts intended for R-410A refrigerant.
- If the vertical distance between the indoor and outdoor units is more than 30 feet, an oil trap must be installed every 20 feet.
- Use a reducer if the service valve is larger than the line set.
| Outdoor unit factory model | AUH2436ZGDA | AUH4860ZGDA | |
| Liquid O.D. in | Inch | 3/8” | 3/8” |
| Suction O.D. in (Sdt) | Inch | 3/4” | 3/4” |
| Suction O.D. in (Opt) | Inch | 5/8” | 7/8” |
| Suction O.D. in (Opt) | Inch | 7/8” | 1 – 1/8” |
| Maximum Pipe Length | Feet / m | 164 / 50 | 98 / 30 |
| Maximum Drop between Liquid Gas indoor Liquid Gas and outdoor unit | Feet / m | 50/15 | |
CAUTION
Be extremely careful not to dent or damage the piping while bending away from the unit. Any dents in the piping will affect the unit’s performance.
Conventional Line Set Installation: Pipe Bending
- Use a tubing bender to change pipe direction.
- If tubing is coiled, extend it by unwinding it from one end.
- DO NOT bend the pipe excessively.
MINIMUM BEND RADIUS
- Use a sharp cutter to cut the pipe insulation as shown, and bend the pipe after it is exposed. After bending, place the insulation back on the pipe and secure it with adhesive tape.
NOTE: Tubing extension is included with the unit and comes attached to the service valves.
Step 1: Cutting
- When preparing refrigerant pipes, take your time to cut and flare them properly. This will ensure efficient operation and minimize the need for future repairs and loss of comfort.
- Measure and record the distance between the indoor and outdoor units.
- Make sure that the pipe is cut at a perfect 90° angle. Refer to the image below for guidance.

NOTE:
Be extra careful not to damage, dent, or deform the pipe while cutting. This will drastically reduce the operating efficiency of the unit.
Conventional Line Set Installation: Pipe Cutting / Pipe Flaring
Step 2: Deburring
Burrs will affect the air-tight seal of the refrigerant piping connection. They must be completely removed.
- Hold the pipe at a downward angle to prevent burrs from falling into the pipe.
- Using a reamer or deburring tool, remove all inside and outside burrs from the cut section of the pipe.
- After cutting and deburing, never allow tubing to be exposed to the atmosphere. Tightly seal cut ends with PVC tape.

All installations must have a field-supplied Bi-Flow filter drier installed within 8” of the liquid service valve.

Step 3: Flaring
Proper flaring is essential to achieve an airtight seal.
- Ensure there is enough insulation to protect the entire line set from end to end.
- Use the flare nuts from the accessories pouch, located in the indoor unit packaging. Fit the nut on the tubing to be flared.

- Remove the seal over the exposed end, and place the tube into the R-410A flaring tool.

- Run the tube against the flaring tool pipe stop, and clamp the form on the tube.
- Rotate the handle of the die clockwise until the clutch releases, then remove the flared tubing from the form.

- Examine the flare to make sure there are no imperfections on the lip of the flare, and that the back of the flare exactly fits the seat of the flare nut.

Conventional Line Set Installation: Pipe Connection
Flared Section
- Apply refrigerant oil on the threads of the flare nut and the flare fitting.
- With the tubing held so that the flare is seated straight onto the fitting, tighten the flare nut hand tight, pushing the pipe against the nut to make sure the flare remains fully seated.
- Following the tightening specifications in the chart, use a torque wrench and back-up wrench to obtain the correct force on each flare nut.
- Using permanent ink, record the line set length on the inside of the service door.
- Repeat both Step 3 on the previous page, and this section, for the indoor unit connections.
- Using core removal tools with full-flow shut off valves, remove both of the service valve cores at the outdoor unit, and attach a manifold gauge set to each service valve. Use a 3/8” heavy duty evacuation hose for the center port attachment.
- With the service valves closed, fill each tube with 500 PSI of dry nigrogen and check for leaks.
- Evacuate the line set to at least 350 microns. From the final micron level obtained, shut off the vacuum pump. If the system rises no more than 150 microns within a minute and stops, the evacuation can be considered sufficient.
- If the system rises more than 150 microns from the original vacuum, there is either a leak or moisture has not been removed. Locate and repair leak, or continue evacuation as needed.
- When the evacuation is complete, replace the service valve cores through the core removal tool.
- Add additional refrigerant charge if needed before you open indoor service valves if indoor coil is so equipped.
- Record the amount of refrigerant added in permanent ink at the line set length location entered earlier.

| Pipe diameter (in.) | Tightening torque (N m) |
| 1/4 | 15-30 |
| 3/8 | 35-40 |
| 1/2 | 45-50 |
| 5/8 | 60-65 |
| 3/4 | 70-75 |
| 7/8 | 80-85 |
Conventional Line Set Installation: Pipe Connection
- Attach the flare nuts to the indoor coil, using the same process and precautions as found above for the outdoor section flares.
- Using a torque wrench and back-up wrench, tighten the indoor coil flare nuts to match the torque specification chart.
- With the service valves closed, fill each tube with 500 PSI of dry nigrogen and check for leaks.
- The indoor coil comes precharged with R410A so there is no need to purge or evacuate the indoor coil.
- Evacuate the line set to at least 350 microns. From the final micron level obtained, shut off the vacuum pump. If the system rises no more than 150 microns within a minute and stops, the evacuation can be considered sufficient.
- If the system rises more than 150 microns from the original vacuum, there is either a leak or moisture has not been removed. Locate and repair leak, or continue evacuation as needed.
- When the evacuation is complete, replace the service valve cores through the core removal tool.
- Add additional refrigerant charge if needed before you open indoor service valves if indoor coil is so equipped.
- Record the amount of refrigerant added in permanent ink at the line set length location entered earlier.

IMPORTANT: a 5/16” female by 1/4” male adapter will be required to connect conventional gauge hoses to the service valves.

NOTE: It shows the gauge connection will need to have the high side gauge hose connected to the high side liquid valve so both lines can be evacuated and leak checked.
| Adding Refrigerant | |||||||
| Scenario | Outdoor | Indoor | System charge (Ib) | Pre-charge up to (ft) | Additional (oz/ft) | ||
| Model Number | Charge (Ib) | Model Number | Charge(lb) | ||||
| 1 | AUH2436ZGDA1 | 9.30 | UUY24ZDGAA1/ UUY36ZDGAA1 | 0.51 | 9.81 | 25 | 0.58 |
| AUH4860ZGDA1 | 13.80 | UUY48ZDGAA1/ UUY6OZDGAA1 | 0.51 | 14.31 | 25 | 0.58 | |
| 2 | AUH2436ZGDA2 | 9.81 | UUY24ZDGAB1/ UUY36ZDGAB1 | 0.00 | 9.81 | 25 | 0.58 |
| AUH4860ZGDA2 | 14.31 | UUY48ZDGAB1/ UUY6OZDGAB1 | 0.00 | 14.31 | 25 | 0.58 | |
| 3 | AUH2436ZGDA1 | 9.30 | UUY24ZDGAB1/ UUY36ZDGAB1 | 0.00 | 9.30 | 15 | 0.58 |
| AUH4860ZGDA1 | 13.80 | UUY48ZDGAB1/ UUY6OZDGAB1 | 0.00 | 13.80 | 15 | 0.58 | |
| 4 | AUH2436ZGDA2 | 9.81 | UUY24ZDGAA1/ UUY36ZDGAA1 | 0.51 | 10.32 | 35 | 0.58 |
| AUH4860ZGDA2 | 14.31 | UUY48ZDGAA1/ UUY6OZDGAA1 | 0.51 | 14.82 | 35 | 0.58 | |
| 5 | AUH2436ZGDA1 | 9.30 | 3rd party coil or AHU | 0.00 | 9.30 | 15 | 0.58 |
| AUH4860ZGDA1 | 13.80 | 3rd party coil or AHU | 0.00 | 13.80 | 15 | 0.58 | |
| AUH2436ZGDA2 | 9.81 | 3rd party coil or AHU | 0.00 | 9.81 | 25 | 0.58 | |
| AUH4860ZGDA2 | 14.31 | 3rd party coil or AHU | 0.00 | 14.31 | 25 | 0.58 | |
Note: It is not approved to remove factory charge out of the outdoor unit when the line set is shorter than the pre-charge length. The accumulator will hold the excess factory charge.
Installation of Drain Pipe

Bundle the line set, drain, and wiring.
If penetrating concrete or brick, a wall sleeve should be used.
Be sure to seal both inside and outside wall penetrations.
Wind insulating tape around the entire bundle from the bottom up.
Electrical Connection
Electrical Requirements
| Model | Power Supply | Recommended breaker size (A) |
| AUH2436ZGDA | 208/230V-1Ph-60Hz | 35 |
| AUH4860ZGDA | 208/230V-0Ph-60Hz | 45 |
Control Wiring
Using 18 Gauge Solid Core Copper Wire
- Cut back the insulation 1” from the end of the wire.
- Remove the screw from the terminal block, and wrap the wire around the screw.
- Return the screw and wire to the terminal block and tighten securely.

Stranded Wire
- Cut back the insulation 3/8” from the end of the wire.
- Make sure the round or forked terminal connector is rated for the amperage of the unit being installed.
- Use a crimping tool only to fasten the connector to the wire.
- Return the screw and connector to the terminal block and tighten securely.

Wiring Connections
- High and low voltage wires should be led through different rubber rings of the electric box cover.
- High and low voltage wires should be secured separately. Secure the former ones with large clamps and the latter ones with small clamps.
- Use screws to tighten high and low voltage wiring on the terminal board. Improper connection may create a
- Ground the units by connecting the ground wire.
- All wiring must comply with local and national code.

How to Remove or Reinstall the Electric Box Cover:
Remove the electric box cover :
- First remove the top cover screws and move upward to remove the top cover.
- Then remove the screws of the maintenance cover, push down the cover by hand until the tabs of the cover move to the bottom of the slot, and then remove the cover;
- Put back the electric box cover:
- First align the four tabs with the corresponding slots, and then force push up, when all the claws are pushed to the top of the slot, install the screws.
- Then install the top cover, align the four corners and press down until the top cover falls to the specified position, and finally install the screws.
Terminal Strip
- Remove the service panel. Route the power and control wiring through the openings as shown below.
- Secure the high voltage wire using the clamp provided. Maintain as much separation as possible between the high and low voltage wires.
- Thermostat must energize reversing valve in heat mode using the “B” terminal.

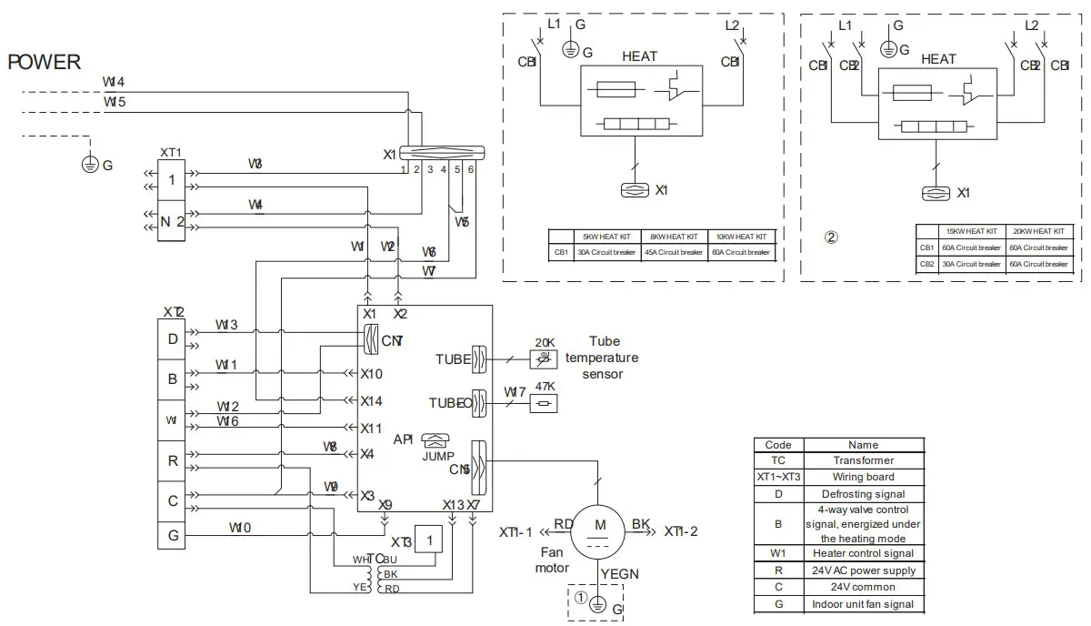
Wiring Diagram

2nd Gen IDU+ 2 nd Gen ODU
Note:
Y means compressor control signal;
B which is energized under the heating mode means
4-way valve control signal
W1/D means defrosting signal
R means 24V AC power supply
C means 24V common
Note: When the ODU is defrosting, D will send operational signal.
Note: As for the indoor units which do not include D, connect to the W1 terminal (if available).
1st Gen IDU+ 1 st Gen ODU![]() | 1st Gen IDU+ 2 nd Gen ODU![]() |
2nd Gen IDU+ 1 st Gen ODU![]() |
Wiring Diagram

Note:
- Please refer to the instruction manual to check whether the unit can connect to the engineering electric heating .
- When the unit doesn’t connect to the engineering electric heating, connect the engineering power supply to the W14(BK) and W15(WH) of X1.
- When the unit connects to the engineering electric heating, connect the engineering power supply to the breaker.
- The primary input voltage of transformer is defaulted at 230V(BK). When switching the power supply of the complete unit to 208V, connect the primary input voltage of transformer to 208V(BU), which can be realized by exchanging the black wire and the blue wire.
- □ Only applicable for the unit whose motor is with earthing wire.
- □ As for wiring, please refer to the parameters before “ /” of MCA and MOP of heat kit on the nameplate for CB1; please refer to parameters after “ /” of MCA and MOP for CB2.

Capacity Adjustments Instructions for Connect Series
AUH2436ZGDA Default capacity setting of outdoor unit is 36K, AUH4860ZGDA Default capacity setting of outdoor unit is 60K. Installer will need to change dip switch to 24k when pairing with a 24 indoor AHU OR dip switch to 48K when pairing with a 48K indoor AHU. Operation Instruction is below.
- Dip switch settings must be completed before power on the unit.
- Capacity dip switch is indicated by the red circle below.

| Dip Switch Configuration | |||||
| Model Number | Tonnage | 1 | 2 | 3 | 4 |
| AUH2436ZGDA | 36k (default) | ON | ON | OFF | OFF |
| 24k | OFF | ON | OFF | OFF | |
| AUH4860ZGDA | 60k (default) | ON | ON | OFF | OFF |
| 48k | OFF | ON | OFF | OFF | |
Indoor Pairing
- Manufacturer recommends installing AHRI listed matched indoor and outdoor system. Installing approved matched indoor and outdoor system will provide optimum efficiency and best overall system reliability.
- Under the warranty, damage caused by a used or unapproved component is not covered by the Standard Base Warranty. When installing the Connect Series Outdoor Unit with non-AHRI listed 3rd party indoor equipment, GE Appliances will presume that any damage to the outdoor unit was not caused by the indoor equipment if the following installation guidance is followed.
- When installers pair Connect Series Outdoor with a new 3rd party AHU:
- Ensure the 3rd party AHU is a R410a, TXV, tonnage to tonnage matched AHU
- Ensure to install a bi-flow Filter Dryer (Field supplied) in liquid line
- Ensure the lineset size matches GE Connect outdoor as stated in the outdoor unit installation manual (If existing lineset size is different new lineset must be installed).
- Ensure proper airflow
- Ensure existing linesets are cleaned by flushing if re-used.
- When installers pair Connect Series Outdoor with a pre-existing AHU:
- Ensure the 3rd party AHU is a R410a, TXV, tonnage to tonnage matched AHU
- Ensure to install a bi-flow Filter Dryer (Field supplied) in liquid line
- Ensure the lineset size matches GE Connect outdoor (when Indoor unit has a different size)
- Ensure proper airflow
- Ensure existing linesets are cleaned by flushing if re-used.
- Ensure to install a bi-flow Filter Dryer (Field supplied) in gas line
- Ensure to triple evacuation the pre-existing coil.
- When installers pair Connect Series Outdoor with a pre-existing “A coil + gas furnace indoor” system:
- Ensure to change the indoor coil to a new R410a, TXV, tonnage to tonnage matched A-coil
- Ensure to install a bi-flow Filter Drier (Field supplied) in liquid line
- Ensure the lineset size matches GE Connect outdoor (when Indoor unit has a different size)
- Ensure proper airflow
- Ensure existing linesets are cleaned by flushing if re-used.
- If installation guidelines and procedures are followed for each type of application above, the outdoor unit will qualify for a Limited Standard Base Warranty (i.e., 5-year parts and compressor), subject to the other limitations in the standard warranty document.
Final Check
System Test
Please explain to the customer how to operate the system by using the Owner’s Manual found with the indoor unit.
Explaining Operation To the End User
- Using the User Manual, explain to the user how to use the air conditioner/heat pump, (the remote controller,adding/removing the air filters, placing or removing the remote controller from the remote control holder, cleaning methods, precautions for operation, etc.)
- Review precautions for operation.
- Recommend that the user read the Operating Instructions carefully.
Check Items for Test Run
- No gas leak from linesets?
- Are the linesets insulated properly?
- Are the connecting wirings of indoor and outdoor firmly inserted to the terminal block?
- Is the connecting wiring of indoor and outdoor fixed?
- Is condensate draining correctly?
- Is the ground wire securely connected? Is the indoor unit securely fixed?
- Is power source voltage correct according to local code?
- Is there any odd noise?
- Does the cooling temperature drop between 20-30°F?
- Does the heating temperature raise between 30-40°F?
- Is the room temperature display accurate?
Troubleshooting Tips
| Problem | Possible Cause |
| The heat pump will not turn on | If you turn off the unit and then turn it back on immediately, the compressor will wait 3 minutes to turn on in order to avaiod damage to the compressor. |
| Wire connection is wrong. | |
| Fuse or circuit breaker is off. | |
| Wiring connections are loose. | |
| The thermostat is not calling for heating or cooling. | |
| Low cooling or heating performance | Air flow has been blocked. |
| The temperature setting is not correct. | |
| Fan speed is too low. | |
| Air flow direction is incorrect. | |
| Doors or windows are open. | |
| The thermostat is affected by direct sunlight. | |
| Too many sources of heat in one room. | |
| The filter is blocked or dirty. | |
| Dust comes from the heat pump | Check the air filter, and clean if necessary. |
| If the dust is heavy or continuous, the duct system may need to be cleaned. Contact a duct cleaning specialist for an analysis. |
Error Codes
NOTE: Call your installer for service if any of these codes show on the controller display.
| Number | Error Code | Error |
| 1 | El | Compressor high pressure protection |
| 2 | E3 | Compressor low pressure protection, refrigerant lack protection and refrigerant collecting mode |
| 3 | E4 | Compressor air discharge high-temperature protection |
| 4 | F2 | Condenser temperature sensor error |
| 5 | F3 | Outdoor ambient temperature sensor error |
| 6 | F4 | Discharge temperature sensor error |
| 7 | F6 | ODU tube temperature sensor error |
| 8 | EE | ODU memory chip error |
| 9 | H4 | Overload |
| 10 | H5 | IPM protection |
| 11 | H6 | DC fan error |
| 12 | H7 | Driver out-of-step protection |
| 13 | HC | PFC protection |
| 14 | Lc | Startup failure |
| 15 | PO | Drive reset protection |
| 16 | P5 | Over-current protection |
| 17 | P6 | Master control and driver communication error |
| 18 | P7 | Driver module sensor error |
| 19 | P8 | Driver module high temperature protection |
| 20 | PA | AC current protection |
| 21 | Pc | Driver current error |
| 22 | PL | Bus low-voltage protection |
| 23 | PH | Bus high-voltage protection |
| 24 | PU | Charge loop error |
| 25 | ee | Driver memory chip error |
| 26 | el | High pressure sensor error |
| 27 | C4 | ODU jumper cap error |
Limited Warranty
For the product models listed on Attachment 1 (the “Product”), this Standard Base Limited Warranty is provided to the Original Owner of the Product:
| For The Period Of: | GE Appliances Will Replace: |
| 5 year limited parts warranty From the date of the original purchase | This Standard Base. Limited Warranty covers all defects in workmanship or material for the mechanical and electrical parts (including the compressor) contained in the Product (“Defective Parts”) for a period of 5 years from the Date of Purchase. GE Appliances will provide new or refurbished parts, or a replacement for all or part of the unit, at its sole discretion, to your licensed HVAC technician installer. This warranty also covers all defects in workmanship or material for the unit controller for a period of 1 year. The remote controller is covered by 1-year accessory warranty. The ductless system is covered by Standard Base Limited Warranty. GE Appliances will provide a new or refurbished controller, at its sole discretion. |
WHAT IS THE DATE OF PURCHASE
The “Date of Purchase” is the date that the original installation is complete and all product start-up procedures have been properly completed and verified by the installer’s invoice. Registration is strongly recommended. If the installation date cannot be verified, then the Date of Purchase will be sixty (60) days after the manufacture date, as determined by the Product’s serial number. You should keep and be able to provide your original sales receipt from the installer as proof of the Date of Purchase. For new construction, the Date of Purchase will be the date of purchase of the residence by the Owner from the builder.
WHO IS COVERED
Owner occupied: The “Original Owner” of this product means the original owner (and his or her spouse) of the residence where the Product was originally installed. Non-owner occupied: The “Original Owner” of the Product means the original owner of the building where the Product was originally installed, and for new construction, the purchaser of the building from the builder. “Non-owner occupied” is defined as a a) single family or multi-family non-owner-occupied residential building, or b) non-industrial commercial application, (such as office buildings, retail establishments, hotels/motels), but for non-owner-occupied Original Owners, this limited warranty requires that the product be installed and maintained annually by a licensed HVAC technician (proof of annual maintenance is required). Subject to the law of the state or province where the Product is installed, the remainder of this Standard Base Warranty is transferable to subsequent owners of the residence or building.
HOW CAN YOU GET SERVICE
Contact your licensed HVAC technician installer. All installation and service must be performed by a licensed HVAC technician.
Failure to use a licensed HVAC technician for installation of this Product voids all warranty on this Product.
THIS WARRANTY DOES NOT COVER
- Damage from improper service or installation.
- Damage in shipping.
- Defects other than manufacturing defects (i.e., other than workmanship or materials).
- Damage from misuse, abuse, accident, alteration, lack of proper care and/or regular maintenance, or incorrect electrical voltage or current.
- Damage resulting from floods, fires, wind, lightning, accidents or similar conditions.
- Product that was not installed or serviced by a licensed HVAC technician.
- Labor and related services for repair or installation of the Product.
- A product purchased from an unauthorized online retailer.
- Damage as a result of subjecting Product to an atmosphere with corrosives or high levels of particulates (such as soot, aerosols, fumes, grease).
- A Product sold and/or installed outside of the 50 United States, the District of Columbia, or Canada.
- Batteries for the controller and other accessories provided with the Product for installation (e.g., plastic hose).
- Normal maintenance, such as cleaning of coils, cleaning filters, and lubrication.
- For Product installed in non-owner occupied applications, Product that has not been maintained annually by a licensed HVAC technician (proof required).
- Damage caused by a used or unapproved component or part by GE Appliances, a Haier company (e.g., a used and/or unapproved condenser / air handler).
- Component or parts are not provided by GE Appliances, a Haier Company
- Product that has been moved from its original installation to a new residence or building.
10 YEAR STANDARD REGISTERED LIMITED WARRANTY
All “Indoor and Outdoor Products,” identified in Attachment 1, registered by the installer or the Original Owner within 60 days of the Date of Purchase shall receive a Standard Registered Limited Warranty, which shall be identical to the Standard Base Warranty, except that the Limited Parts Warranty shall be for a term of 10 Years. All Product not registered within 60 days of the Date of Purchase shall be subject to the Standard Base Warranty. Some states and provinces do not allow warranty terms to be subject to registration; in those states and provinces the longer terms for Limited Parts Warranty apply. Except in Texas or where otherwise required by law, this Standard Registered Limited Warranty is not transferable to a subsequent purchaser (other than the purchaser of a new building), but subsequent purchases will receive the remainder of the Standard Base Warranty.
THIS LIMITED WARRANTY IS GIVEN IN LIEU OF ALL OTHER WARRANTIES, EXPRESS OR IMPLIED, INCLUDING THE WARRANTIES OF MERCHANTABILITY AND FITNESS FOR A PARTICULAR PURPOSE.
The remedy provided in this warranty is exclusive and is granted in lieu of all other remedies. This warranty does not cover incidental or consequential damages. Some states and provinces do not allow the exclusion of incidental or consequential damages, so this limitation may not apply to you. Some states and provinces do not allow limitations on how long an implied warranty lasts, so this limitation may not apply to you. This warranty gives you specific legal rights and you may also have other rights which vary by state and province. This warranty covers units within the 50 United States, the District of Columbia and Canada. This warranty it provided by: GE Appliances, a Haier company, Louisville, KY 40225.
ATTACHMENT 1
The “Product” is defined as Haier brand and GE Appliances brand Ductless Split Units and Side-discharge Units. The “Product” contains 2 sub-categories of goods: “Indoor and Outdoor Products” and “Selected Installation Products,” which are further defined below: “Indoor and Outdoor Products” can further be identified by the following model number descriptions: 1U*, 2U*, 3U*, 4U*, 5U*, AB*, AD*, AL*, AM*, AW*, AF*, ASY*, USY*, ASH*, AUH*, UUC*, UUY*, “Selected Installation Products”, identified by the following model number descriptions: PB-*, PAD-*.
Staple your receipt here. Proof of the original purchase date is needed to obtain service under the warranty.
31-5000483 Rev. 6




The top and two side surfaces must be exposed to open space, and barriers on at least one side of the front and back shall be lower than the outdoor unit.
Height of barriers is below that of outdoor unit

NOTE: Tubing extension is included with the unit and comes attached to the service valves.




















