iFm DTE830 RFID UHF Reader Instruction Manual
Preliminary note
Technical data, approvals, accessories and further information → www.ifm.com.
Symbols used
Instructions
> Reaction, result
[…] Designation of keys, buttons or indications
→ Cross-reference
Important note
Non-compliance may result in malfunction or interference.
Information
Supplementary note
Warnings used
ATTENTION!
Warning of damage to property
Copyright and trademarks
© All rights reserved by ifm electronic gmbh. No part of these instructions may be reproduced and used without the consent of ifm electronic gmbh.
All product names, pictures, companies or other brands used on our pages are the property of the respective rights owners.
Safety instructions
- The device described is a subcomponent for integration into a system.
- The manufacturer is responsible for the safety of the system.
- The system manufacturer undertakes to perform a risk assessment
and to create a documentation in accordance with legal and normative
requirements to be provided to the operator and user of the system.
This documentation must contain all necessary information and safety instructions for the operator, the user and, if applicable, for any service personnel authorised by the manufacturer of the system.
- Read this document before setting up the product and keep it during the entire service life.
- The product must be suitable for the corresponding applications and
environmental conditions without any restrictions. - Use the product for its intended purpose (→ 3 Functions and features).
- If the operating instructions or the technical data are not adhered to, personal injury and/or damage to property may occur.
- The manufacturer assumes no liability or warranty for any consequences caused by tampering with the product or incorrect use by the operator.
- Installation, electrical connection, set-up, operation and maintenance of the product must be carried out by qualified personnel authorised by the machine operator.
- Protect units and cables against damage.
Functions and features
The multiprotocol-capable RFID reader DTE830 / DTE930 reads active and passive ID tags in different frequency ranges:
- Europe: 865 – 868 MHz
- USA: 902 – 928 MHz
- Australia: 916 – 927 MHz
On delivery the device can read and write ID tags according to the EPC Gen2 standard. Further protocols can be imported via software updates.
The device communicates with the ID tags via transmitting and receiving antennas which are connected to the max. 4 antenna connections.
The device is designed for indoor use.
Because of the requirements for electromagnetic interference emissions, the device is intended for use in industrial environments. The device is not suitable for use in domestic areas.
The device may only be used under the operating conditions specified in the data sheet.
Radiated electromagnetic field strength
CE marking
The device complies with the requirements to CE.
- Brand name: ifm electronic DTE830 RFID UHF reader for Europe
The device is designed for operation in accordance with EN 302208. When operating the device with connected antennas, observe the human exposure
regulations to EN 50364. Ensure a minimum distance of 23 cm between antenna and people. During operation, cardiac pacemakers may be impaired. In case of doubt, persons concerned should consult the manufacturer of the pacemaker or the attending doctor.
The output power of the device can be reduced depending on the antenna cable length and the antenna gain.
FCC labelling
The device complies with the requirements to FCC Part 15.
- Brand name: ifm electronic DTE930 RFID UHF reader for US (FCC)
The device is designed for operation in accordance with FCC Part 15.
This device complies with part 15 of the FCC Rules. Operation is subject to the following two conditions:
- This device may not cause harmful interference.
- This device must accept any interference received including interference
that may cause undesired operation.
The device complies with the FCC limits for radiation exposure in a non-controlled environment: Ensure a minimum distance of 23 cm between antenna and people.
In order to comply with the regulations of FCC Part 15 in the United States, the system must be professionally installed. The operator and the installer have to ensure that only systems certified in the United States are used.
ISED Canada Regulatory Information
This device complies with ISED RSS standard(s) (Radio Standards Specifications) for licence-exempt radio apparatus. Operation is subject to the following two conditions: (1) This device may not cause harmful interference, and (2) This device must accept any interference received including interference that may cause undesired operation.
Under ISED regulations, this radio transmitter may only operate using an antenna of a type and maximum (or lesser) gain approved for the transmitter by ISED.
To reduce potential radio interference to other users, choose the antenna type and its gain such that the equivalent isotropically radiated power (EIRP) is not more than that necessary for successful communication.
This radio transmitter has been approved by ISED to operate with the antenna
types listed as accessories, with the maximum permissible gain and required antenna impedance for each antenna type indicated.
ISED RF Radiation Exposure Statement
This equipment complies with ISED RSS-102 radiation exposure limits set forth for an uncontrolled environment.
Make sure this equipment is installed and operated with a minimum distance of 34 centimetres between the radiator and your body.
C-Tick requirements
The device complies with the requirements to C-Tick.
- Brand name: ifm electronic DTE930 RFID UHF reader for Australia
Items supplied
- Device
- Grounding material
The device is supplied without installation and connection accessories. Matching accessories at www.ifm.com
Installation

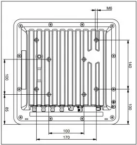
Fig. 1: Installation
Install device
►Observe the operating conditions specified in the data sheet.
► Install the device via the mounting holes.
► Use strain reliefs for cables connected to the device.
The device complies with the protection rating IP67 if unused connections are covered.
The device is supplied without installation and connection accessories. Matching accessories at www.ifm.com
Elimina
te radio disturbance
The device usually operates without any interference caused by radio communication, provided it is
- used as intended (→ 3 Functions and features),
- correctly installed (→ 6 Installation).
The operation free of radio disturbance cannot be guaranteed for each application.
If the device causes radio disturbance in an application, the following instructions will help:
► Realign the receiving antenna.
► Change the position of the receiving antenna.
► Increase the distance between the device and the antenna.
► Change the power supply of the device.
> If the device and the antenna use the same circuit, radio disturbance may occur.
► Contact the support of the manufacturer.
Electrical connection
Observe the following instructions before electrical installation.
ATTENTION!
- The device must be connected by a qualified electrician. Observe the electrical data in the data sheet.
- Device of protection class III (PC III).
- The electrical supply must only be made via PELV circuits.
- For cable lengths > 30 m use an additional protection against surge voltages to IEC 6100-4-5.
- Disconnect power before connecting the device.
Wiring

Fig. 2: Wiring
- antenna terminals 4, R-TNC 50 Ω
- antenna terminals 3, R-TNC 50 Ω
- antenna terminals 2, R-TNC 50 Ω
- antenna terminals 1, R-TNC 50 Ω
- GPIO connection, M12 socket, 12 poles, A-coded
- power supply connection, M12 connector, 4 poles, A-coded
- LAN connection with PoE Plus (Power over Ethernet), M12 socket, 8 poles, X-coded
Power supply
The power supply is designed as a 4-pole M12 round connector with A-coding.
![]() | Pin | Connection |
| 1 | + 24 V DC | |
| 2 | ||
| 3 | GND | |
| 4 |
Only use power supplies with limited power for operation: The power supply must be below 100 W on the secondary side.
Ethernet connection
The Ethernet connection is provided as an 8-pole M12 socket with X coding.
![]() | Pin | Connection | |
| 1 | TD + | PoE+ 1 | |
| 2 | TD – | PoE+ 1 | |
| 3 | RD + | PoE+ 2 | |
| 4 | RD – | PoE+ 2 | |
| 5 | PoE+ 1 | ||
| 6 | PoE+ 1 | ||
| 7 | PoE+ 2 | ||
| 8 | PoE+ 2 | ||
Only use screened cables for Ethernet connection!
Digital inputs and outputs
The digital inputs and outputs are designed as 12-pole M12 socket with A coding.
![]() | Pin | Connection | Description |
| 1 | OUT_CMN | common switching output | |
| 2 | OUTPUT 1 | switching output 1 | |
| 3 | INPUT 3 | switching input 3 | |
| 4 | INP_CMN | common switching input | |
| 5 | INPUT 1 | switching input 1 | |
| 6 | GND_extern | external mass | |
| 7 | +UB_extern | external operating voltage | |
| 8 | OUTPUT 4 | switching output 4 | |
| 9 | OUTPUT 3 | switching output 3 | |
| 10 | OUTPUT 2 | switching output 2 | |
| 11 | INPUT 2 | switching input 2 | |
| 12 | INPUT 4 | switching input 4 |
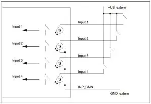
Digital inputs
The inputs are electrically isolated from the operating voltage of the device and have a common pole (switching output CMN).
If the electrical isolation is not needed, the operating voltage can also be obtained directly from the device.

Fig. 5: Circuitry of the inputs electrically isolated

Fig. 6: Circuitry of the inputs not electrically isolated
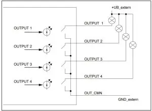
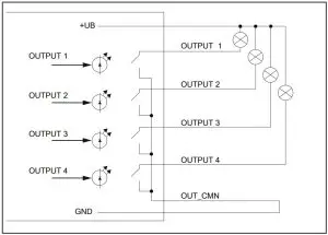
Digital outputs
The outputs are electrically isolated from the operating voltage of the device and have a common pole (switching output CMN).
If the electrical isolation is not needed, the operating voltage can also be obtained directly from the device.

Fig. 7: Circuitry of the outputs electrically isolated

Fig. 8: Circuitry of the outputs not electrically isolated
Load the digital inputs and outputs with max. 0.5 A.
Load the used digital inputs and outputs with max. 1.5 A in total.
If the auxiliary voltage of the GPIO connection of the device is used, load the used digital inputs and outputs with max. 1.1 A in total.
The inputs and outputs are designed for max. 30 V DC. For further information see the data sheets.
For operation of the outputs with an external voltage source, only use LPS (Limited Power Source) or NEC class 2 power supplies.
Antenna connection
For connection with the RFID antennas, the device has 4 antenna connections
which are designed as Reverse TNC.
Unsuitable cables decrease the power of the device.
For connection of antennas, only use approved cables. Matching accessories at www.ifm.com
Operating and display elements
- operating status
- no function
- freely programmable

Fig. 9: Display elements on the front of the device
LED PWR
The device displays the operating states via a 2-colour LED.
| Meaning | LED | Status |
| Device booting | yellow | ON (permanently) |
| green | OFF | |
| Normal operation | yellow | ON (pulse) |
| green | ON (permanently) | |
| Error during booting | yellow | ON (permanently) |
| green | ON (pulse) |
LEDs 1 / 2 / 3 / 4
The LEDs 1 / 2 / 3 / 4 can be on in the colours RGB and are freely programmable.
Audio signalling device
The device signals the operating states via an audio signalling device. The audio signalling device is freely programmable.
| Sound | Meaning |
| 1x short sound | device has booted successfully |
| 2x long sound | device signals an error |
Configuration
The devices are controlled and evaluated by means of the
- ReaderStart software,
- supplied DLL or
- proprietary reader protocol from ifm electronic.
The GS1 EPCGlobal Standard describes the interface between device and and ID tag. Further information at: www.epcglobalinc.org
The parameters for the configuration of the device are described in the software manual.
Maintenance, repair and disposal
The device does not contain any components which can be maintained.
► Do not open the device
> The devices must only be repaired by the manufacturer.
► Dispose of the device in accordance with the national environmental regulations.






















