
puravent EPHUM24 Wall Mounting Dehumidistat Hygrostat Instruction Manual

APPLICATION
The EPHUM24 controls a dehumidifier or dehumidification system to help prevent mildew build-up, which is associated with high humidity levels.
The controller is designed to be wall-mounted and can be wired in parallel or in series with any 24V thermostat.
PARALLEL INSTALLATION
ADVANTAGES:
The desired humidity is always maintained, regardless of the ambient temperature.
DISADVANTAGES:
The connected system could cycle on during low ambient temperatures.
Not all dehumidifiers can operate at low temperatures.
Note:
DO NOT USE parallel wiring if there is no low temperature compressor protection is not present.
SERIES INSTALLATION
ADVANTAGES:
The connected system will not cycle on during low ambient temperature periods.
DISADVANTAGES:
The humidity levels may be higher than desired during low temperature periods.
INSTALLATION INSTRUCTIONS
- Disconnect the electrical power.
- Determine the location for the dehumidistat location. This control should be mounted on an inside wall where normal air circulation exists. For most residential useage applications, locate mount the control adjacent to the existing wall thermostat, for easy installation and wiring.
- Remove the cover from the back plate and punch remove the wiring knockout on back plate.
- Place the back plate on a flat mounting surface and mark 2 mounting hole locations, and wire knockout hole.
- Drill holes for drywall anchors (if needed) and insert them drywall anchors.
- Drill a hole for the low voltage wires and pull the wiring wires through the access hole and through the back plate.
- Mount the back plate securely to the wall with the screws provided in the parts package.
NOTE: Make sure the back plate is flat without any undue stress. - (SEE WIRING on p. 12). Connect the wires to Terminals #1 and #2. Wires should not be taut after connection.
NOTE: All wiring should conform to NEC recommendations and any local codes. - Re-install the front cover.
- Turn the electrical power back on.
OPERATIONAL TEST
PARALLEL INSTALLATION
Put the EPHUM24-dehumidistat on the highest setting. Turn slowly towards teh lowest setting until the connected unit turns on.
Repeat the above steps at least three times to assure a proper functioning.
Turn the control knob of the EPHUM24-dehumidistat to the desired humidity level.
SERIES INSTALLATION
Put the thermostat on the highest setting.
Turn the EPHUM24-dehumidistat control from the lowest to the highest setting.The connected unit should not start up. (If it does, the wiring is incorrect.)
Turn the thermostat from the highest to the lowest setting. Again, the system should not start up.
Now, put both the connected unit and the dehumidistat control both to the lowest settings. The system should now operate.
Put the EPHUM24-dehumidistat to the desired humidity level.
NOTE: The use of a hygrometer is recommended to determine the relative humidity level.
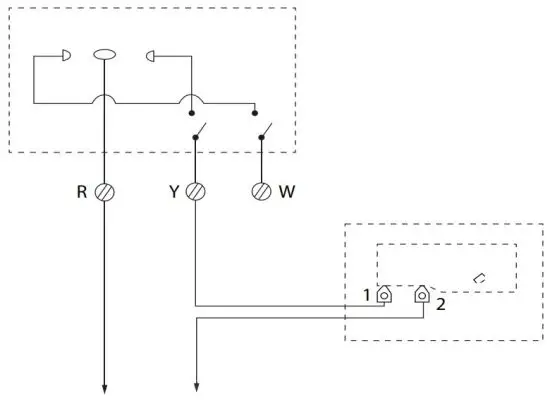
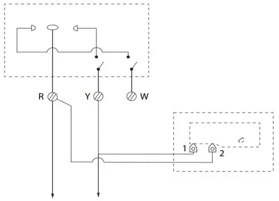
WIRING
Parallell connection 24V dehumidistat

Series connection 24V dehumidistat

Subject to modifications.
The manufacturer / supplier is not liable for damages and consequences of incorrect connections.
Get In Touch
Call: 0845 6880112
Email: [email protected]
Our Address
Puravent, Adremit Limited, Unit 5a, Commercial Yard,
Settle, North Yorkshire, BD24 9RH
Read More About This Manual & Download PDF:



















