Stroco Pure Electric Heater 60 KW User Manual

STROCO ApS, Banealle 8H, DK-8450 Hammel, Phone. +45 86961066,
IMPORTANT

In order to maintain warranty and warranty rights, the following must at least be met.
- Installation is performed as described in this manual.
- Service and repair work must be carried out professionally correctly.
- Only original spare parts shall be used.
- The heater may only be used for the voltage shown on the type plate.
DESCRIPTION
In order to ensure optimal use of the STROCO Electric heater and ensure maximum safety, it is important that this manual is read and understood before using the heater. Warranty cards are sent to STROCO ApS by mail.

The Stroco Electrical heater is used to heat the vehicle during parking and day to day travel on hybrid or all-electric vehicles. STROCO Electrical heater is mounted in the vehicle’s existing heating system and can heat the driver’s area, passenger space and engine. STROCO Electrical heater has built-in heating elements operating thermostat and safety thermostat. The type designation 15 kW indicates the power size of the heating elements in kW. The electrical connection to the electrical elements is made via a HVDC contactor (not supplied by Stroco) to the heating elements. The HVDC contactor is controlled via the electrical mechanical contactor inside the connection box which receives an active 24VDC signal from the vehicle’s heat control system to pull the HVDC contactor. When the temperature is reached, the mechanical contactor breaks the 24 voltage to the HVDC contactor. For circulation of the water, the 24V DC water pump is located on the heater and needs a 10 Amp secured cable connected to the heating control system
Technical specifications

ESSENTIAL! THE HEATING SYSTEM MUST BE FILLED WITH A CORROSION-RETARDANT ADDITIVE (E.G. 40-60% ANTIFREEZE) .
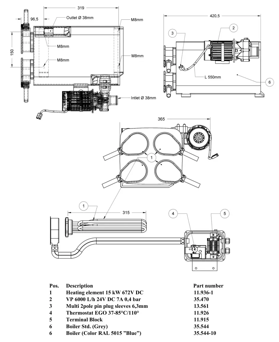
BUILT-IN DIMENSIONS FOR 4 X 15 kW 672V DC

MARKING STROCO ELECTRIC HEATER
Label on connection box

ELECTRICAL INSTALLATION AND SETTING
The electrical installation is described below and refers to diagrams on the next page.
- Ground connections
Ground Connections may only be performed, as shown in the diagram on the next page. Ground connections between individual parts must not be conducted outside the armoured hoses. The connecting box connects to the vehicle chassis. The vehicle chassis cleans from paint and rust prevented thoroughly. A minimum Ø3.5 mm even cutting or threading screw fitted with a tooth disc may be used. - Thermostat
Operating thermostat can be set sleeplessly from 37°C to 85°C. The thermostat has a built-in hysteresis of 12 K, i.e. there is 12°C between the connecting and disconnecting. The operating temperature is set with a screwdriver at . The safety thermostat disconnects if the temperature exceeds 110°C. The thermostat can be reconnected by pressing the red button.
Note ! The setting and reconnection of thermostats must only be carried out with disconnected main Switch of the vehicle. - Level sensor for low water level of heating circuit.
Level sensor shall be used to block activation of heating elements when water level is low to prevent damage on the heating elements. (Not supplied by Stroco).
COUPLING SCHEME FOR 4 X 15 kW 672V DC
15 kW

COUPLING SCHEME FOR 4 X 15 kW 672V DC
15 kW

WARRANTY CONDITIONS FOR STROCO HEATERS
STROCO heaters and parts are covered by 24 months warranty. The warranty is valid from the date of installation, however, no more than 36 months from the date of delivery. However, the warranty only covers if the following guidelines are followed:
- The STROCO heater is properly mounted according to manual
- Warranty card correctly completed with serial number and returned to STROCO
The warranty covers manufacturing defects and material defects.
THE WARRANTY LAPSE IF:
- Changes that have been made to the system or the system is NOT built in accordance with our instructions
During the warranty period, STROCO is obligated to repair units or parts that we determine to be defective. Repairs for complaints must be made in an authorized service workshop or at one of our partners’ workshops.
Labour costs for any complaints on heaters or parts are not covered by STROCO.
If you observe defects in the system during the warranty period, the defective parts should be sent postage paid to STROCO with information about the defect and delivery date/heater no.
STROCO’s assessment of the defect, and whether it is covered by the warranty, will always be final and binding for the customer.
STROCO will only accept warranty claims that have been approved beforehand. STROCO can only accept warranty claims if the owner/user can present written documentation to show that all service and safety instructions have been followed. All warranties will be void if the installation guide and other instructions in this manual have not been followed. The same applies if installation and maintenance has not been performed in a proper professional manner, or if unoriginal parts have been used for servicing or repairs.
Consequential losses
STROCO assumes no liability for personal injury, damage to property, or operating losses resulting from failure of the unit, no matter the cause (including manufacturing defects).

DANMARK, Denmark:
STROCO ApS
Banealle 8H
DK-8450 Hammel
Tel. +45 86 96 10 66
E-mail – [email protected]
ENGLAND:
GRAYSON THERMAL SYSTEMS
257 Wharfdale Road
Tyseley
GB-Birmingham B11 2DP
Tel – 0121 708 4000
E-mail – [email protected]
FINLAND:
EL-CAR OY
Jukka Eerola
Mittatie 26A
SF-01260 Vantaa
Tel. 09 389 4995
E-mail – [email protected]
MUICON OY
Marko Muikko
Hakekatu 4
SF-70800 Kuopio
Tel. 844 2134 131
E-mail – [email protected]
FÆRØERNE, the Faroe Islands:
CARE ON SEA Spf
Úti vio Neyst 11
FO-430 Hvalvik
Tel. 74 88 55
E-mail – [email protected]
NORGE, Norway:
VEST SERVICE AS
Visnesvegen 9A
N-6783 Stryn
Tel. 90 85 60 00
E-mail – [email protected]
POLEN, Poland:
MULTITECH sp. z o.o.
Dabrowa Szlachecka 238
PL-32-070 Czernichóv
Tel. 12 638 06 63
E-mail – [email protected]
PORTUGAL:
PROJECTIVA
Zona Industrial
Apartado 175
P-2354-909 Torres Novas
Tel. 249 819 240
E-mail – [email protected]
SVERIGE, Sweden:
TK BUSSKLIMAT AB
Järnringen 2
S-433 30 Partille
Tel. +46 31 445 200
E-mail – [email protected]
ØSTRIG, Austria:
FA. ING. HUBERT KNITTEL
Lastbergstrasse 41
A-3031 Pressbaum
Tel. 1 804 15 23 00
E-mail – [email protected]
Stroco Pure Electric Heater 60 KW User Manual – Optimized File
Stroco Pure Electric Heater 60 KW User Manual – Original File


















