helo HEL005849 Havana 90 D WT Electric Heater

ELECTRIC SAUNA HEATER:

1714 – 450 – 04
1714 – 600 – 04
1714 – 800 – 04
1714 – 900 – 04
CONTROL PANEL:

CONTACTOR BOX

WARNINGS
Check before taking a sauna bath
- The sauna room is suitable for taking a sauna bath.
- The door and the window are closed.
- The sauna heater is topped with stones that comply with the manufacturer’s recommendations, the heating elements are covered with stones, and the stones are piled sparsely.
NOTE! Ceramic rocks are not allowed.
The heater’s main switch is located at the bottom of the heater, on the right side as seen from the front.
The main switch is marked on the contactor box with a 0 – 1 laber or on the switch.
Sauna room
The walls and ceiling of a sauna room should be thermally well insulated. All surfaces that store heat, such as tiled and plastered surfaces must be insulated. It is recommended to use wooden panel cladding inside the sauna room. If there are heat storage elements in the sauna room, such as decorative stone, glass etc., note that these elements may extend the pre-heating period even though the sauna room is otherwise well insulated (see page 6, section 2.7 Preparing for sauna heater installation).
Information for users
This appliance may not be used by children aged less than eight years, by persons with reduced physical, sensory or mental capabilities, or by persons lacking experience and knowledge regarding its operation only if such have been given instructions on the safe use of the device and the risks involved. Children must not be allowed to play with the appliance or to clean and service it without supervision. (7.12 EN 60335-1:2012)
Operation of the sauna heater controls
Refer to the specific control panel operating instructions.
Rearrange the sauna stones at least once a year and replace any weathered stones. This enhances air circulation between the stones, which extends the useful life of the thermal resistors.
If you encounter any problems, please contact the manufacturer’s warranty service shop.
For additional information about enjoying a sauna bath, please visit our website at: www.tylohelo.com
HEATING THE SAUNA
Before turning the sauna heater on, make sure the sauna room is suitable for taking a sauna bath. When heated for the first time, the sauna heater may emit some odour. If you detect any odour while the sauna heater warms up, disconnect the sauna heater briefly, and air the room. Then turn the sauna heater back on.
You should turn the sauna heater on roughly an hour before you plan to take a sauna bath, so that the stones have time to heat up properly and the air warms up evenly in the sauna room.
Pleasant, smooth sauna bath temperature is about 70 °C.
Do not put any objects on the sauna heater. Do not dry clothes on the sauna heater or anywhere in its vicinity.
Recommended sauna room ventilation

- Sauna room
- Washroom
- Electric sauna heater
- Exhaust valve
- Exhaust flue or channel
- Door to the sauna room
- A ventilation valve can be installed here to be kept closed while the sauna is heated and during bathing.
Inlet vent can be positioned in the A zone. Make sure the incoming fresh air will not interfere with (i.e. cool down) the sauna heater’s thermostat near the ceiling.
The B zone serves as the incoming air zone, if the sauna room isn’t fitted with forced ventilation. In this case, the exhaust valve is installed min 1m higher than the inlet valve.
DO NOT ISTALL INLET VALVE WITHIN ZONE C, IF THE SAUNA HEATER’S CONTROL THERMOSTAT IS LOCATED IN THE SAME ZONE.
Installing the sensor near a supply air vent

The sauna room air should be exchanged six times in an hour. The diameter of the supply air pipe should be between 50 and 100 mm.
A circular air supply vent (360°) must be installed at least 1000 mm away from the sensor.
An air supply vent with a flow-directing panel (180°) must be installed at least 500 mm away from the sensor. Air flow must be directed away from the sensor.
Ceiling installation of the sensor

In ceiling installation, a 5-mm hole must be drilled to the sensor case to allow any condensed water to drain.
Do not spray water directly towards the sensor or splash water at it with a sauna scoop.
Installing the Extra NTC sensor
The additional OLET 31 sensor is connected to the Ext NTC connector on the RJ10 circuit board. For more details, refer to the switch diagram. The additional sensor is installed on the sauna room wall no more than 500 mm from the ceiling.
Once the additional sensor has been connected to the circuit board, it is automatically activated. This means that the temperature shown on the control panel is measured by the additional sensor.
The primary sensor installed above the sauna heater only has the limiter circuit that limits the maximum temperature to 110 °C.
Even if the temperature is set to 110 °C on the control panel, the maximum temperature that can be shown on the panel is approximately 90 °C, as the primary sensor above the heater limits the maximum temperature to 110 °C.
Depending on individual preferences, the temperature of a sauna room is typically set between 70 and 80 °C.
Sauna heater stones
Quality stones meet the following requirements:
- Sauna stones should withstand heat and heat variation caused by vaporisation of the water thrown on the stones.
- Stones should be rinsed before use in order to avoid odour and dust.
- Sauna stones should have an uneven surface to supply a larger surface for the water to evaporate from.
- Sauna stones should be large enough, measuring about 50–100 mm to allow good ventilation between the stones.

This extends the useful life of the heating elements. - Sauna stones should be piled sparsely in order to enhance ventilation between the stones. Do not bend the heating elements together or against the frame.
- Rearrange the stones regularly (at least once a year) and replace small and broken stones with new, larger stones.
- Empty the stone compartment regularly, at least once a year in private use, remove small and broken stones and replace them with new ones.
- In commercial use this operation must be performed at least every second month.
- Stones are piled so that they cover the heating elements. Do not, however, pile a large heap of stones on the heating elements. For a sufficient amount of stones refer to Table 1 on page 9. Any small stones in the package of stones must not be piled on the sauna heater.
- The warranty does not cover defects resulting from poor ventilation caused by small and tightly packed stones.
- Structural clay tiles are not allowed. They may cause damage to the sauna heater that will not be covered by the warranty.
- Do not use soapstone as sauna rocks. Any damages resulting from this will not be covered by the stove warranty.
- Do not use lava stone as sauna rocks. Any damages resulting from this will not be covered by the stove warranty.
- DO NOT USE THE HEATER WITHOUT STONES.
If the sauna heater will not heat up
If the sauna heater will not heat up, please check that:
- the power is on;
- the main fuses of the sauna heater are intact;
- is there any error messages on the control panel. In case of an error message on the control panel, please refer to the control panel instructions.
THE PERSON INSTALLING THE SAUNA HEATER SHOULD LEAVE THESE INSTRUCTIONS AT THE PREMISES FOR THE FUTURE USER.
Preparing for sauna heater installation
Check the following before installing the sauna heater.
- The ratio of the heater’s input (kW) and the sauna room’s volume (m3). Volume recommendations are presented in Table 1 on page 9. The minimum and maximum volumes must not be exceeded.
- The sauna room height must be a min. of 1900 mm.
- Uninsulated and masonry stone walls extend the preheating time. Each square metre of plastered ceiling or wall surface adds 1.2 m3 to the sauna room’s volume.
- Check page 9 Table 2 for a suitable fuse size (A) and the correct diameter of the power supply cable (mm²) for the sauna heater in question.
- Conform to the specified safe clearance around the sauna heater. Please refer to page 9.
- There should be enough room around the sauna heater controls for maintenance purposes. Also a doorway can be considered as a maintenance area.
Installation
Follow the safety clearance specifications on page 9. when installing the sauna heater. Thin panel is not a suitable mounting base. The mounting base must be reinforced with timber behind the panel. The minimum clearances specified on page 9 table 1 must be followed also in case the sauna room wall materials are incombustible.
Walls or ceilings must not be clad with fibre-reinforced plaster board or other light-weight cladding, because they may cause a fire hazard.
A single sauna heater is allowed per a sauna room.
Installation instructions


- The wall mount is attached to the wall according to the mounting dimensions.The dimensions can be found on the following page.
- Mounting the sauna heater onto the support brackets
- Lift the heater on the support brackets so that the connection box is situated on the open side in order to allow the installation and connection of the electric cable. If you wish to situate the connection box on the other side, the steam guide (frame of the stone compartment) must be turned over. The steam guide is fastened with two screws from the inside of the stone compartment (see image). The collar (the higher edge) of the steam guide must always be placed closest to the wall.After mounting, tighten the screws and ensure that the heater is securely fastened by lifting it carefully.

Heater safety distances and sensor position


Power | Saunaroom | Minimum distance to | Stone | ||||||||
| kW | Volume | Height | Side wall A mm | In front of D mm | Ceiling mm | Floor K mm | B mm | J mm | min.Circa kg max. Circa kg | ||
| min. m³ | max. m³ | min. mm | |||||||||
| 4,5 | 3 | 6 | 1900 | 40 | 80 | 1100 | 120 | 135 | 245 | 20 | 28 |
| 6,0 | 5 | 9 | 1900 | 45 | 100 | 1100 | 120 | 140 | 245 | 20 | 35 |
| 8,0 | 8 | 12 | 1900 | 75 | 130 | 1100 | 150 | 170 | 275 | 20 | 35 |
| 9,0 | 9 | 13 | 1900 | 80 | 150 | 1100 | 150 | 175 | 275 | 20 | 35 |
Table 1 Safety clearances
Connection of the sauna heater to the mains
The sauna heater must be connected to the mains by a qualified electrician and in compliance with current regulations. Sauna heater is connected with a semi-permanent connection. Use H07RN-F (60245 IEC 66) cables or a corresponding type. Other output cables (signal lamp, electric heating toggle) must also adhere to these recommendations. Do not use PVC insulated cable as a connection cable for the sauna heater.
A multipolar (e.g. 7-pole) cable is allowed, if the voltage is the same. In the absence of a separate control current fuse, the diameter of all cables must be the same, i.e. in accordance with the front fuse. For example, in an 8 kW sauna heater the diameter of separate cables to the signal lamp and the mains control unit has to be at least 2.5 mm².
The connecting box on the sauna wall should be located within the minimum safety clearance specified for the sauna heater.
The maximum height for the connection box is 500 mm from the floor (Image 6 Location for the connection box, page 10). If the connection box is located at 500 mm distance from the heater, the maximum height is 1000 mm from the floor.
NOTE: Controlling the lights in the sauna with the circuit board is only possible with resistive loads (incandescent light bulbs). The circuit board relay cannot withstand capacitive loads (switched-mode power supply units). If the lighting fixtures in the sauna have transformers, for example LED or halogen lamps, the stove circuit board’s relay control must be fitted with a separate relay or contactor for controlling the lights.
Sauna heater insulation resistance: The sauna heater heating elements may absorb moisture from air, e.g. during storage. This may cause bleeder currents. The moisture will be gone after a few heating sessions. Do not connect the heater power supply through a ground fault interrupter.
Adhere to the effective electrical safety regulation when installing the sauna heater.
| Power kW | Sauna heater’s connection cable H07RN –F/ 60245 IEC 66 mm² 400V 3N~ | Fuse A | Sauna heater’s connection cable H07RN –F/ 60245 IEC 66 mm² 230V 3~ | Fuse A | Sauna heater’s connection cable H07RN –F/ 60245 IEC 66 mm² 230V 1 N~ / 2~ | Fuse A |
| 4,5 | 5 x 1,5 | 3 x 10 | 4 x 2,5 | 3 x 16 | 3 x 4 | 1 x 20 |
| 6,0 | 5 x 1,5 | 3 x 10 | 4 x 2,5 | 3 x 16 | 3 x 10 | 1 x 35 |
| 8,0 | 5 x 2,5 | 3 x 16 | 4 x 6 | 3 x 25 | 3 x 10 | 1 x 35 |
| 9,0 | 5 x 2,5 | 3 x 16 | 4 x 10 | 3 x 35 | ———- | ——– |
Table 2 Connection cable and fuses
Electric heating toggle
Electric heating toggle applies to homes with an electric heating system.
Sauna heater has connections (marked N-55) for controlling the electric heating toggle. Connectors N-55 and the heating elements are simultaneously live (230V). The sauna heater thermostat also controls the heating toggle. In other words, home heating turns on once the sauna thermostat cuts power off the sauna heater.
Locating the connecting box for the connection cable in the sauna room
A = Specified minimum safety clearance
- Recommended location for the connecting box
- Silumin box recommended in this area.
- This area should be avoided. Always use a silumin box
In other areas, use a heat-resisting box (T 125 °C) and heat-resisting cables (T 170 °C). The connection box must be clear of obstacles. When installing the connection box to zones 2 or 3, refer to the instructions and regulations of the local energy supplier.
Remote controlling
The Heater can be remotely controlled by connecting a closed contactor, which can be pulse triggered, to connectors 3 and 4 of a RJ10 circuit board. The recommended cable size is AWG 24 or 26. The maximum length of an AWG 24 cable is 200 m.
The maximum length of an AWG 26 cable is 130 m.
Note! The sauna standard requires a door switch if the sauna heater is controlled from outside the sauna.
An indicator light can be connected to the remote button terminal, it will be lit up when the remote command is activated.
The indicator light shows an error by blinking rapidly, this error is caused by keeping the sauna door open for more than 5 minutes, the sauna heater will be shut down automatically.
The remotely operated sauna heater stays on as long as the setting in the control panel (in private us max 6h). The sauna heater can be shut off at any time by the remote-control device.
Order of RJ 10 connectors
NOTE: Incorrect connections may break a circuit board.

| Additional sensor (NTC) | Remote control switch (Ext switch) | Door switch | ||||||
Pin 1 | Pin 1 | Pin 1 | ||||||
| Pin 2 | NTC 10 kOhm | 3.3 V | Pin 2 | Pin 2 | Alarm LED | GND | ||
Pin 3 | NTC 10 kOhm | CPU | Pin 3 | To switch | GND | Pin 3 | Door switch | GND |
| Pin 4 | Pin 4 | To switch | 12 VDC | Pin 4 | Door switch | 12 VDC | ||

Sensor (Sec/NTC) | ||
Pin 1 | End stop | GND |
| Pin 2 | NTC 10 kOhm | 3.3 V |
Pin 3 | NTC 10 kOhm | CPU |
| Pin 4 | End stop | 10V |
Table 3 RJ 10 connectors to circuit board
Door switch
The door switch refers to the switch on the sauna door. This switch complies with regulations. Public and private saunas must have a door switch, i.e. saunas where the heater can be switched on from outside the sauna, e.g. using an On/Off button or a similar method.
The control panel automatically registers when the door switch is connected to the heater’s OLEA 103 circuit board. When using the sauna for the first time after the installation, close the door to the sauna room and turn on electricity using the heater’s main switch.
If the door is opened before the heating sequence is started, (pre-set heating) automatic use (remote use) is disabled after one minute. The door must be closed and the function restarted from the control panel.
If the door has been left open for more than five minutes while the heater is on, the heater is automatically turned off.
The heater can be turned on again from the control panel after the door is closed. The fault indicator light, if installed, will start flashing. See installation instructions below.
Door switch instructions for installation and connection
The door switch is installed outside the sauna room on the upper edge of the door, at least 300 mm from the inner corner.
The switch part is installed on the door frame and the magnet is installed on the door. The distance between the switch and the magnet is 18 mm.
When the door switch is installed on the top part of the door, TylöHelo recommends using the TylöHelo model with product number 0043233, SSTL 8260371.
When the door switch is installed on the bottom part of the door, TylöHelo recommends using the TylöHelo model with product number SP11000326, SSTL 8263280.
See the installation and user instructions supplied with the heater for instructions.

| Door switch | Conductor colour | ||
| Pin 1 | |||
| Pin 2 | |||
| Pin 3 | Door switch | GND | Orange |
| Pin 4 | Door switch | 12 VDC | Green/white |
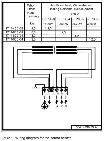
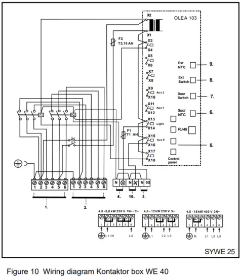
Wiring diagram Havanna Heater and kontaktor box WE 40


- Power input Contactor box
- Power input Heater
- Signal kontakt
- Sauna light
- Control panel Pure or Elite
- Sensor OLET 31
- Door switch
- Remote control snap
- Sensor extra (Extra NTC)
- Ventilator
Principle image when Pure is used as control panel

Spare parts for Havanna D Helo-WT -electric sauna heater

| Parts | Product number | Product title | Havanna 450 D | Havanna 600 D | Havanna 800 D | Havanna 900 D |
| 1 | SP4069013 | Havanna basic grate | 1 | 1 | 1 | 1 |
| 2 | SP7712000 | Cable clamp NKWA 1 | 1 | 1 | 1 | 1 |
| 3 | SP7812550 | Mains connector NLWD 1-1 | 1 | 1 | 1 | 1 |
| 4 | SP5207680 | Heating element SEPC 93 230V 1500W | 3 | – | – | – |
| 4 | SP4316229 | Heating element SEPC 94 230V 2000W | – | 3 | – | – |
| 4 | SP4316230 | Heating element SEPC 95 230V 2670W | – | – | 3 | – |
| 4 | SP4316231 | Heating element SEPC 96 230V 3000W | – | – | – | 3 |
Table 5 Spare parts for Havanna D
Helo-WT technology in a Havanna heater
Helo Water Tech (Helo-WT) uses the heater’s thermal energy to heat water and raise the moisture level without a separate heat source. Moisturised air improves the sauna climate, and various fragrances and salts can be evaporated to make the sauna experience more enjoyable.
A water tank with a lid is delivered with the heater; the tank can be installed in the wider gap between the heating elements. The water tank can be installed when approximately 2/3 of the heater stones have been stacked.
The tank has a capacity of approximately 1.7 litres. Bringing water to the boil when the tank is full takes approximately 1- 2 hours depending on the set temperature.
It is recommended to pour water into the tank when the heater is turned off. Water is poured through the grate on the lid.
You can pour less water into the tank if the bathing time is shorter.
The water tank must be removed and impurities, such as limescale etc. removed every so often. The stones surrounding the tank must be removed during cleaning, so that the tank can be lifted more easily.
When the water is boiling, the moisture levels in the sauna remain high. This means that the temperature can be kept lower while still experiencing pleasant heat. More heat and moisture can, if necessary, be created by throwing water on the stones on top of the heater.
Mild fragrance essences, suitable for heater use, can be put in the water tank.
You can, for example, put mountain salt crystals on the lid of the water tank. They dissolve into the steam and evaporate into the air. If mountain salt crystals are placed in the water tank, the salinity of the water will remain 26%.
Do not use the tank without water.
Remove the tank from the heater if the steam function is unpleasant. The tank will deform if it overheats.
If you remove the tank from the heater, replace it with sauna stones.
ROHS
Instructions for environmental protection
This product must not be disposed with normal household waste at the end of its life cycle. Instead, it should be delivered to a collecting place for the recycling of electrical and electronic devices.
The symbol on the product, the instruction manual or the package refers to this.

The materials can be recycled according to the markings on them. By reusing, utilising the materials or by otherwise reusing old equipment, you make an important contribution for the protection of our environment.
Please note that the product is returned to the recycling centre without any sauna rocks and soapstone cover.
Please contact the municipal administration with enquiries concerning the recycling place.




















