MRCOOL PHK05H Electric Heat Kit Owner's Manual

www.mrcool.com/documentation
Thank you for choosing MRCOOL. Please read this manual carefully before installation and keep it for future reference. Copyright © 2021 MRCOOL, LLC
(!) CAUTION
- Ensure that all power supplies are disconnected prior to installing the heat kit.
- Check heat kit for physical damage. Do not install a damaged heat kit.
- A means of strain relief and conductor protection must be provided at the supply wire entrance into cabinet.
- Only use copper conductors.
- Installation must follow National Electric Code (NEC) and other applicable codes.
Compatible Heat Kits

IMPORTANT
You must use a compatible heat kit listed in the chart above. Using an incorrectly sized heat kit could cause the unit to overheat and/or cause equipment damage.
mrcool.com
1 Preparation Before Installation
1.) Remove the upper side panel of the air handler

2.) Remove the air duct sealing plate by removing the 4 screws

3.) Knock out the covered hole on the front panel

2 Install Electric Heating Components
1.) Insert the electric heat kit into the air duct installation hole and align the 4 prongs on the end of the heat kit with the corresponding 4 holes on the opposite side of the air duct hole

2.) Reinstall screws to fasten the heat kit to air duct

3.) Fasten heat kit electrical board bracket to air handler by installing two screws

4.) Position the heat kit electrical board on the bracket and fasten with 4 screws

NOTE: When installing the electrical installation board, pay attention to the indoor unit power cord and make sure it does not hang or snag on the sharp edges of the sheet metal heat kit bracket. Please refer to the image below.

5.) Insert signal wire into the main electronic control board

6.) Reinstall the upper side panel. The switches for the heat kit should protrude through the hole you knocked out of the panel. Then, turn on the power and check operation.

3 Wiring Diagrams
Air Handler Wiring Diagrams for each model with Heat Kit Installed
1.) 53 Model (18K/24K/30K/36K/42K)

2.) 140 Model (48K)

3.) 160 Model (60K)

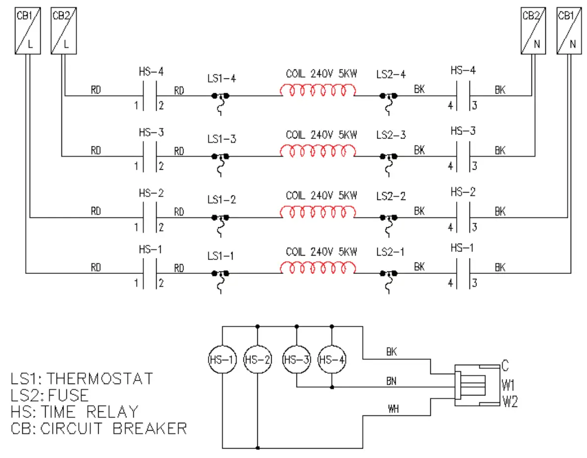
Schematic diagrams of electric heating components
1.) 5-10KW Heat Kit

2.) 11-20KW Heat Kit


The design and specifications of this product and/or manual are subject to change without prior notice. Consult with the sales agency or manufacture for details.


















