
LUCKY STAR TECHNOLOGY CO., LTD.
6ABX3
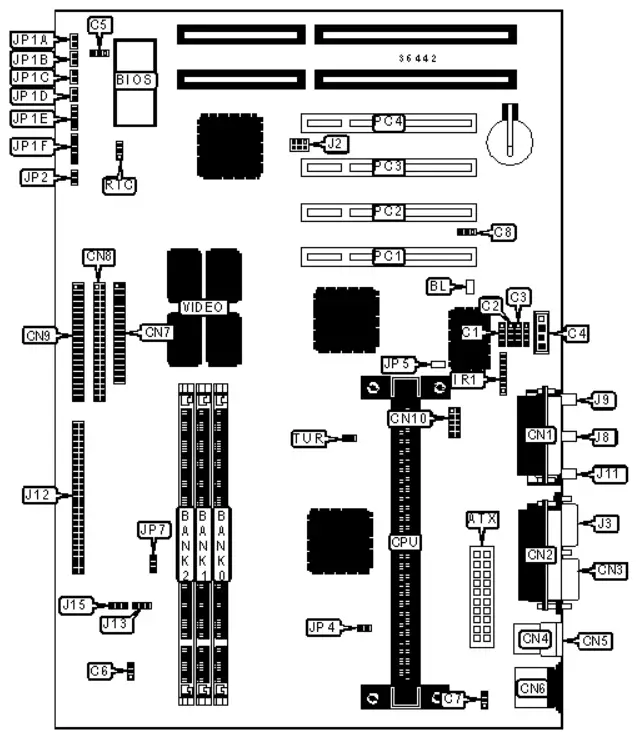
6ABX3 Mainboard
| Device Type | Mainboard |
| Processor | Pentium II/Celeron |
| Processor Speed | Unidentified |
| Chip Set | Intel 440BX |
| Video Chip Set | Strong 3D |
| Maximum Onboard Memory | 768MB (EDO & SDRAM supported) |
| Maximum Video Memory | 8MB |
| Audio Chip Set | Unidentified |
| Cache | 0/128/256/512KB (located on the CPU) |
| BIOS | Award |
| Dimensions | 305mm x 244mm |
| I/O Options | 32-bit PCI slots (4), floppy drive interface, game/MIDI port, green PC connector, IDE interfaces (2), parallel port, PS/2 mouse port, serial ports (2), IR connector, USB connectors (2), ATX power connector, line in, line out, microphone in, audio in – CD-ROM, SB-link connector, wake on LAN connector |

| CONNECTIONS | |||
| Purpose | Location | Purpose | Location |
| ATX power connector | ATX | IRconnector | IR1 |
| Tuner In | C1 | SB-link connector | J2 |
| Auxiliary in | C2 | VGA port | J3 |
| Line out | C3 | Line out | J8 |
| Audio in – CD-ROM | C4 | Microphone in | J9 |
| Chassis fan power | C5 | Line out | J11 |
| Chassis fan power | C6 | Video/modem connector | J12 |
| Chassis fan power | C7 | C-video connector | J13 |
| Wake on LAN connector | C8 | SDPIF connector | J15 |
| Game/MIDI port | CN1 | Green PC connector | JP1A |
| Parallel port | CN2 | Turbo LED | JP1B |
| Serial port 1 | CN3 | IDE interface LED | JP1C |
| USB connector 1 | CN4 | Reset switch | JP1D |
| USB connector 2 | CN5 | Speaker | JP1E |
| PS/2 mouse port | CN6 | Power LED & keylock | JP1F |
| Floppy drive interface | CN7 | Soft off power supply | JP2 |
| IDE interface 2 | CN8 | S-video connector | JP7 |
| IDE interface 1 | CN9 | 32-bIt PCI slots | PC1 – PC4 |
| Serial port 2 | CN10 | ||
| USER CONFIGURABLE SETTINGS | |||
| Function | Label | Position | |
| » | Factory configured – do not alter | BL | Unidentified |
| » | Factory configured – do not alter | JP4 | Unidentified |
| » | Factory configured – do not alter | JP5 | Unidentified |
| » | CMOS memory normal operation | RTC | Pins 1 & 2 closed |
| CMOS memory clear | RTC | Pins 2 & 3 closed | |
| » | »Factory configured – do not alter | TUR | Unidentified |
| DIMM CONFIGURATION | |||
| Size | Bank 0 | Bank 1 | Bank 2 |
| 8MB | (1) 1M x 64 | None | None |
| 16MB | (1) 2M x 64 | None | None |
| 16MB | (1) 1M x 64 | (1) 1M x 64 | None |
| 24MB | (1) 2M x 64 | (1) 1M x 64 | None |
| 24MB | (1) 1M x 64 | (1) 1M x 64 | (1) 1M x 64 |
| 32MB | (1) 4M x 64 | None | None |
| 32MB | (1) 2M x 64 | (1) 1M x 64 | (1) 1M x 64 |
| 32MB | (1) 2M x 64 | (1) 2M x 64 | None |
| 40MB | (1) 4M x 64 | (1) 1M x 64 | None |
| 40MB | (1) 2M x 64 | (1) 2M x 64 | (1) 1M x 64 |
| 48MB | (1) 4M x 64 | (1) 1M x 64 | (1) 1M x 64 |
| 48MB | (1) 4M x 64 | (1) 2M x 64 | None |
| 48MB | (1) 2M x 64 | (1) 2M x 64 | (1) 2M x 64 |
| 56MB | (1) 4M x 64 | (1) 2M x 64 | (1) 1M x 64 |
| 64MB | (1) 8M x 64 | None | None |
| 64MB | (1) 4M x 64 | (1) 2M x 64 | (1) 2M x 64 |
| DIMM CONFIGURATION (CON’T) | |||
| Size | Bank 0 | Bank 1 | Bank 2 |
| 64MB | (1) 4M x 64 | (1) 4M x 64 | None |
| 72MB | (1) 8M x 64 | (1) 1M x 64 | None |
| 72MB | (1) 4M x 64 | (1) 4M x 64 | (1) 1M x 64 |
| 80MB | (1) 8M x 64 | (1) 1M x 64 | (1) 1M x 64 |
| 80MB | (1) 8M x 64 | (1) 2M x 64 | None |
| 80MB | (1) 4M x 64 | (1) 4M x 64 | (1) 2M x 64 |
| 88MB | (1) 8M x 64 | (1) 2M x 64 | (1) 1M x 64 |
| 96MB | (1) 8M x 64 | (1) 2M x 64 | (1) 2M x 64 |
| 96MB | (1) 8M x 64 | (1) 4M x 64 | None |
| 96MB | (1) 4M x 64 | (1) 4M x 64 | (1) 4M x 64 |
| 104MB | (1) 8M x 64 | (1) 4M x 64 | (1) 1M x 64 |
| 112MB | (1) 8M x 64 | (1) 4M x 64 | (1) 2M x 64 |
| 128MB | (1) 16M x 64 | None | None |
| 128MB | (1) 8M x 64 | (1) 4M x 64 | (1) 4M x 64 |
| 128MB | (1) 8M x 64 | (1) 8M x 64 | None |
| 136MB | (1) 16M x 64 | (1) 1M x 64 | None |
| 136MB | (1) 8M x 64 | (1) 8M x 64 | (1) 1M x 64 |
| 144MB | (1) 16M x 64 | (1) 1M x 64 | (1) 1M x 64 |
| 144MB | (1) 16M x 64 | (1) 2M x 64 | None |
| 144MB | (1) 8M x 64 | (1) 8M x 64 | (1) 2M x 64 |
| 152MB | (1) 16M x 64 | (1) 2M x 64 | (1) 1M x 64 |
| 160MB | (1) 16M x 64 | (1) 2M x 64 | (1) 2M x 64 |
| 160MB | (1) 16M x 64 | (1) 4M x 64 | None |
| 160MB | (1) 8M x 64 | (1) 8M x 64 | (1) 4M x 64 |
| 168MB | (1) 16M x 64 | (1) 4M x 64 | (1) 1M x 64 |
| 176MB | (1) 16M x 64 | (1) 4M x 64 | (1) 2M x 64 |
| 192MB | (1) 16M x 64 | (1) 4M x 64 | (1) 4M x 64 |
| 192MB | (1) 16M x 64 | (1) 8M x 64 | None |
| 192MB | (1) 8M x 64 | (1) 8M x 64 | (1) 8M x 64 |
| 200MB | (1) 16M x 64 | (1) 8M x 64 | (1) 1M x 64 |
| 208MB | (1) 16M x 64 | (1) 8M x 64 | (1) 2M x 64 |
| 224MB | (1) 16M x 64 | (1) 8M x 64 | (1) 4M x 64 |
| 256MB | (1) 32M x 64 | None | None |
| 768MB | (1) 32M x 64 | (1) 32M x 64 | (1) 32M x 64 |
Note: Board accepts EDO & SDRAM memory.
CACHE CONFIGURATION
Note: 256KB/512KB cache is located on the Pentium II CPU. 128KB cache is located on the Celeron 300A & 333 CPU.
VIDEO MEMORY CONFIGURATION
Note: Video memory is factory installed and is not configurable.


















