KOBE IN2630SQB-700-2 Range Hoods Instruction Manual

READ BEFORE INSTALLATION
- Carefully check all contents of package(s).
- Thoroughly inspect the unit for any shipping damages, cosmetic damages or defects.
- Have a certified contractor/electrician test the unit before installation.
IF THERE IS ANY PROBLEM:
- DO NOT INSTALL THE UNIT AND KEEP ALL ORIGINAL PACKAGING MATERIAL.
- Have your original invoice as proof of purchase and product serial number ready.
- Contact your merchant for product replacement due to shipping damages, cosmetic damages or defects.
- For all other issues, email [email protected].
NO RETURN, NO REFUND, NO EXCHANGE IF:
- PRODUCT HAS BEEN INSTALLED
- KNOCK-OUT HOLES HAVE BEEN PUNCTURED
- MISSING ORIGINAL PACKAGING MATERIAL AND/OR PARTS.
IMPORTANT SAFETY INSTRUCTIONS
PLEASE READ THIS SECTION CAREFULLY BEFORE INSTALLATION –
WARNING: TO REDUCE THE RISK OF FIRE, ELECTRIC SHOCK OR PERSONAL INJURY, OBSERVE THE FOLLOWING:
- Installation and electrical wiring must be done by qualified professionals and in accordance with all applicable codes and standards, including fire-rated construction.
- When cutting or drilling into wall or ceiling, be careful not to damage electrical wiring or other hidden utilities.
- Ducted fans must be vented to the outside.
a) Before servicing or cleaning unit, open the light panel and SWITCH POWER OFF AT SERVICE PANEL.
b) Clean all grease laden surfaces frequently. To reduce the risk of fire and to disperse air properly, make sure to vent air outside. DO NOT vent exhaust air into wall spaces, attics, crawl spaces or garages.
NOTE
– This warranty is void without an authorized agent’s receipt or if unit is damaged due to misuse, poor installation, improper use, mistreatment, negligence or any other circumstances beyond the control of KOBE RANGE HOODS authorized agents. Any repair carried out without the supervision of KOBE RANGE HOODS’ authorized agents will automatically void the warranty.
– KOBE RANGE HOODS will not be held responsible for any damages to personal property or real estate or any bodily injuries whether caused directly or indirectly by the range hood.
WARNING:
TO REDUCE THE RISK OF PERSONAL INJURY IN THE EVENT OF A RANGE TOP GREASE FIRE:
- Keep all fan, baffle/spacer/filter/oil tunnel/oil container and grease-laden surfaces clean. Grease should not be allowed to accumulate on fan, baffle/spacer/filter/oil tunnel/oil container.
- Always turn hood ON when cooking.
- Use high settings on cooking range ONLY when necessary.
- Do not leave cooking range unattended when cooking.
- Always use cookware and utensils appropriate for the type and amount of food prepared.
- Use this unit only in the manner intended by the manufacturer.
- Before servicing, switch power off at service panel and lock service panel (if possible) to prevent power from switching on accidentally.
- Clean ventilating fan frequently.
What to Do In The Event Of a Range Top Grease Fire
- SMOTHER FLAMES with a tight fitting lid, cookie sheet, or metal tray, and then turn off the burner. KEEP FLAMMABLE OR COMBUSTIBLE MATERIAL AWAY FROM FLAMES. If the flames do not go out immediately, EVACUATE THE AREA AND CALL THE FIRE DEPARTMENT or 911.
- NEVER PICK UP A BURNING PAN – You May Get Burned.
- DO NOT USE WATER, including wet dishcloths or towels – a steam blast will result.
- Use an extinguisher ONLY if:
a) You have a Class A, B, C extinguisher and know how to operate it.
b) The fire is small and contained in the area where it started.
c) The fire department has been called.
d) You can fight the fire with your back to an exit.
What to Do If You Smell Gas
- Extinguish any open flame.
- Do not try to turn on the lights or any type of appliance.
- Open all doors and windows to disperse the gas. If you still smell gas, call the Gas Company and Fire Department right away.
CAUTION
- For general ventilation use only. Do not use to exhaust hazardous or explosive materials and vapors.
- To reduce the risk of fire, use only metal ductwork. Sufficient air is needed for proper combustion and exhausting of gases through the flue (chimney) to prevent back drafting.
- Follow the heating equipment manufacturer’s guideline and safety standards such as those published by the National Fire Protection Association (NFPA), and the American Society for Heating, Refrigeration and Air Conditioning Engineers (ASHRAE), and code authorities.
- Activating any switch on may cause ignition or an explosion.
- Due to the size and weight of this hood, installation by 2 persons is recommended.
ELECTRICAL SHOCK HAZARD – Can result in serious injury or death. Disconnect appliance from electric power before servicing. If equipped, the fluorescent light bulb contains small amounts of mercury, which must be recycled or disposed of according to Local, State, and Federal Codes.
COMPONENTS OF PACKAGE
Range Hood Box
{A} KOBE Range Hood
{B} Warranty Registration Card
{C} Quick Ref Guide
{D} Baffle Filters x 2
{E} Oil Tunnel
{F} Spacer x 2
{G} Baffle Handle Package

{H} Rectangular Exhaust Plate
{I} Rectangular Exhaust Adapter
{J} Power cord
{K} 6” round Plastic Exhaust
{L} Twist-on wire connector
{M} Screws
{N} Screws Package

Optional Accessories (Sold Separately)
{O} Remote Control
FOR MORE INFORMATION, PLEASE VISIT OUR WEBSITE www.koberangehoods.com.
INSTALLATION
PLEASE READ ENTIRE INSTRUCTIONS BEFORE PROCEEDING Calculation Before Installation
To calculate installation, please refer to TABLE 1. (All calculation in inches.)
– FOR BUILT-IN / INSERT –
TABLE 1
A = Height of Floor to Ceiling
B = Height of Floor to Counter Top (Standard: 36″)
C = Height of Counter Top to Wood Frame Bottom (Minimum 26″ to 30″)
D = Height of Wood Frame
SAFETY WARNING
HOOD MAY HAVE VERY SHARP EDGES; PLEASE WEAR PROTECTIVE GLOVES IF REMOVING ANY PARTS FOR INSTALLING, CLEANING OR SERVICING.
NOTE: BE CAREFUL WHEN USING ELECTRICAL SCREWDRIVER, DAMAGE TO THE HOOD MAY OCCUR.
Preparation Before Installation
NOTE: TO AVOID DAMAGE TO YOUR HOOD, PREVENT DEBRIS FROM ENTERING THE VENT OPENING.
Figure 1
- Decide the location of the venting pipe from the hood to the outside. Refer to Figure 1.
- A straight, short vent run will allow the hood to perform more efficiently.
- Try to avoid as many transitions, elbows, and long run as possible. This may reduce the performance of the hood.
- Temporarily wire the hood to test for proper operation before installing.
- Important: Peel protective film off the hood, if any.
- Use duct tape to seal joints between pipe sections.
CAUTION:
If moving the cooking range is necessary to install the hood, turn off the power in an electric range at the main electrical box. SHUT OFF THE GAS BEFORE
MOVING A GAS RANGE. And use a protective covering to protect cooktop and/or countertop from damage.
Custom Hood Preparing

Figure 2
- The custom hood frame must be designed according to the shape and the weight of the hood. Refer to Measurements and Diagram on Page 13.
- A sturdy base (3/4 inch thick plywood recommended) is needed to sustain the weight of hood.
- It is recommended to install front & rear stud support (not included). Refer to Figure 2. For safety purposes, extra installation holes on the side of the hood are provided. Prepare the side stud support if needed.
- Determine and mark the centerlines on the base of the wood frame where the hood will be installed.
- Location the proper location for the Power Supply Cable. Make a wiring access hole using a drill bit. Install the wire cable and seal the gap around hole.
- Cut out the opening where the hood will be installed. (Figure 3) NOTE: Please add additional 1/8” for the rivets.
Hood Preparing Before Installation

Figure 3 - CAUTION: If moving the cooking range is necessary to install the hood, turn off the power in an electric range at the main electrical box. SHUT OFF THE GAS BEFORE
MOVING A GAS RANGE. - Choose the required vent option. The Round Exhaust Plate is pre-installed for top vent.
- For Top 3-1/4” x 10” rectangular installation only: – Remove the pre-installed Round Exhaust Plate (Refer to Figure 5). Keep screws to attach Rectangular
Exhaust Plate and Rectangular Exhaust Adapter. – Place Rectangular Exhaust Plate over vent and secure with 2 screws (Refer to Figure 6). Place Rectangular
Exhaust Adapter over the Rectangular Exhaust plate and secure with 10 screws (Refer to Figure 6). – Use remaining screws to secure exhaust plate.
Hood Preparing Before Installation
Figure 4CAUTION: If moving the cooking range is necessary to install the hood, turn off the power in an electric range
at the main electrical box. SHUT OFF THE GAS BEFORE MOVING A GAS RANGE. - Choose the required vent option. The Round Exhaust Plate is pre-installed for top vent.
For Top 3-1/4” x 10” rectangular installation only:
– Remove the pre-installed Round Exhaust Plate (Refer to Figure 5). Keep screws to attach Rectangular Exhaust Plate and Rectangular Exhaust Adapter.
– Place Rectangular Exhaust Plate over vent and secure with 2 screws (Refer to Figure 6). Place Rectangular Exhaust Adapter over the Rectangular Exhaust plate and secure with 10 screws (Refer to Figure 6). – Use remaining screws to secure exhaust plate.For Rear Vent Options only:
NOTE: The blower is pre-installed for top vent. If installing- For Rear 6” round installation only:
– Remove the Rear Round Vent Cover and Rear Rectangular Vent Cover (Refer to Figure 4). Keep screws to attach Round Exhaust Plate to rear vent.
– Remove the pre-installed Round Exhaust Plate from top vent (Refer to Figure 5). Attach it to the rear vent (Refer to Figure 7) using the screws removed from vent covers.
– Use the Round and Rectangular vent covers removed from rear vent to seal top vent.
– Remove the 4 screws that secure the blower system (Refer to Figure 8). Hold the blower to keep it from
dropping as you remove screws. Keep screws to reattached blower. Slowly rotate blower system to align with mounting holes at the back of the hood. Secure blower using 4 screws (Refer to Figure 9). - 10. For Rear 3-1/4” x 10” rectangular installation only:

– Remo ve the Rear Round Vent cover and Rear Rectangular Vent Cover (Refer to Figure 5). Keep screws to attach Rectangular Exhaust Plate and Rectangular Exhaust Adapter.
– Place the Rectangular Exhaust Plate over vent and secure with 2 screws (Refer to Figure 10). Place Rectangular Exhaust Adapter over the Rectangular Exhaust Plate and secure with 10 screws (Refer to Figure 10).
– Use remaining screws to secure exhaust plate.
– Remove the pre-installed Round Exhaust Plate from top vent and keep screws (Refer to Figure 4). Use the Round and Rectangular vent covers removed from rear to seal top vent.
– Remove the 4 screws that secure the blower system
(Refer to Figure 8). Hold the blower to keep it from dropping as you remove screws. Keep screws to reattach blower. Slowly rotate blower system to align with mounting holes at the back of the hood. Secure the blower using 4 screws (Refer to Figure 9).Duct Work Installation11. Determine and make all necessary cuts in the wall or ceiling for the ductwork. Note: Install the ductwork before installing the hood
12. Use steel pipe to connect the exhaust on the hood to the ductwork above. Use duct tape to make all joints secure and air tight.
13. Please refer to local building codes for the usage of a damper (not included).
SAFETY WARNING
RISK OF ELECTRICAL SHOCK. THIS RANGE HOOD MUST BE PROPERLY GROUNDED. MAKE SURE THIS IS DONE BY QUALIFIED ELECTRICIAN IN ACCORDANCE WITH ALL APPLICABLE NATIONAL AND LOCAL ELECTRICAL CODES. BEFORE CONNECTING WIRES, SWITCH POWER OFF AT SERVICE PANEL AND LOCK SERVICE PANEL TO PREVENT POWER FROM BEING SWITCHED ON ACCIDENTALLY.- Connect electrical wires.
- Connect three wires (black, white, and green) to house wires and cap with wire connectors. Connect wires corresponding to their colors (i.e. black to black, white to white, and green to green).
- Store wires in a wiring box.
Hood InstallationNOTE: USE HAND TOOLS ONLY. DO NOT OVER TIGHTEN SCREWS AS IT MAY CAUSE DAMAGE TO THE HOOD.

- Remove the light panel by removing 10 screws located at the bottom of the hood (Refer to Figure 11). Carefully remove the light support panel.
- Position the hood inside the custom wood frame, and secure the hood to the front and rear stud support (Refer to Figure 2) by using the front and rear mounting holes (Screws included).
- For a more secure installation, use the mounting holes
located on the side of the hood. - Make sure hood is secure before releasing.
- Re-install the light support panel. (Do not over tighten screws.)

CAUTION: MAKE SURE HOOD IS SECURE BEFORE RELEASING
Final Assembly - The oil tunnel is already installed into recess support near rear of hood. Refer to Figure 12.
- Install baffle filters. Angle baffle filter toward back of hood
①. Push baffle filter up until almost level ②. Slide forward into recess behind the front of hood ③. Lower baffle filter ④. Slide back until it fits into resting position ⑤. Refer to Figure 13.

Figure 12 Figure 13
OPERATING INSTRUCTIONS
Note: For best results, turn fan on prior to any preparation or cooking and keep fans running while cooking. Adjust speed as needed.

Note: For best results, turn fan on prior to any preparation or cooking and keep fans running while cooking. Adjust speed as needed.

Power Control
To turn the hood ON/OFF, press the power button once.
Speed Control
The hood starts on speed #3 by default. To decrease speed level, press the Decrease Fan Speed.
To increase speed level, press the Increase Fan Speed.
3-Minute Delay Shutoff
To activate the 3-minute delay shutoff, press and hold the power button for about 3 seconds. Once the delay shutoff has been activated the LED display will flash and the fan speed will change to speed #3. While the 3 minute countdown is running, the speed level can be adjusted by pressing the increase/decrease fan speed buttons. To turn the fan off immediately, press the power button a second time.
Light Control
Press the light button to turn the LED lights ON. Each press of the light button will cycle the light intensity through bright, medium bright, dim and off. Lights are controlled independently from
power control and delay shutoff. Turning the fan off will not turn the lights off.
ECO Mode Control
ECO Mode is set to turn the fan on QuietMode™ setting for 10 minutes every hour to remove excess moisture, microscopic particles and odors for better kitchen air quality.
ECO Mode is independent from the power control and delay shutoff. ECO Mode can be activated while fan is running on or off. Press and hold the ECO button until the “E” icon briefly appears in the LED display. While the fan is running, you can change the speed, use delay shutoff or turn off the fan without disabling the ECO Mode. When the fan is off and ECO Mode has been activated, the “E” icon will appear in the LED display. The “E” icon will flash while ECO Mode is operating on QuietMode™. To deactivate, press and hold the ECO button until the “E” icon no longer appears in the LED display.
NOTE: Press the power button while ECO Mode is active will activate the regular fan function and the speed will be displayed on the LED display.
WARNING: Make sure there is sufficient make-up air when ECO Mode is activated by opening doors or windows.
Remote Control

The remote control has magnet to allow it to be attached on any magnetic surface.
NOTE: Remote control uses CR2032 batteries (provided). Remote control range is up to 16 feet.
MAINTENANCE
For optimal performance, clean the range hood surface and baffles regularly.
To Clean Hood Surface
CAUTION: NEVER USE ABRASIVE CLEANERS, PADS, OR CLOTHS. *** Regular
- Use only mild soap or detergent solutions. Dry surfaces using soft cloth.
- If hood looks splotchy (stainless steel hood), use a stainless steel cleaner to clean the surface of the hood. Avoid getting cleaning solution onto or into the control panel. Follow directions of the stainless steel cleaner. Caution: Do not leave on too long as this may cause damage to hood finish. Use soft towel to wipe off the cleaning solution, gently rub off any stubborn spots. Use dry soft towel to dry the hood.
- DO NOT allow deposits to accumulate or remain on the hood.
- DO NOT use ordinary steel wool or steel brushes. Small bits of steel may adhere to the surface and cause rusting.
- DO NOT allow salt solutions, disinfectants, bleaches, or cleaning compounds to remain in contact with stainless steel for extended periods. Many of these compounds contain chemicals, which may be harmful. Rinse with water after exposure and wipe dry with a clean lint free cloth.
For Baffle Filter models only: to Clean Baffle Filter/Oil Tunnel
CAUTION: DRAIN OIL FROM BAFFLE FILTER & OIL TUNNEL REGULARLY TO PREVENT OVERFLOW.
- Remove all the baffle filters, spacers and oil tunnel. Note: Not all models have spacers and oil tunnels.
- Using a sponge, wash with warm soapy water. Dry completely before returning into place.
CAUTION: SHARP EDGES (Note: Baffle Filters are top rack dishwasher safe.)
SPECIFICATIONS

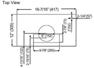
MEASUREMENTS & DIAGRAMS
⧫ All ( ) are in millimeter.
⧫ All inch measurements are converted from millimeters. Inch measurements are estimated.
MODEL NO: IN2630SQB-700-2





PART LIST
MODEL NO: IN2630SQB-700-2
| NO. | DESCRIPTION | MODEL/SIZE | PART NO. |
| 1 | Rectangular Exhaust Plate | L1-0241-0001B | |
| 2 | Rectangular Vent Cover | L1-0241-0002A | |
| 3 | Round Exhaust Plate | L1-0241-0001A | |
| 4 | Rectangular Exhaust Adapter | L1-0241-0002B | |
| 5 | Hood Casing | IN2630SQB-700-2 | 10-2630B-700-2 |
| 6 | Motor Transformer | L1-0402-6120-40V | |
| 7 | Processor Board | L1-0404-6001-D | |
| 8 | Blower Bracket | L1-0233-2630-A | |
| 9 | Capacitor x 1 pc | L1-0401-0120-24 | |
| 10 | Oil Tunnel | IN2630SQB-700-2 | B101-2630-14A |
| 11 | Blower System | L1-0302-0120-590RE | |
| 12 | Bottom Casing | B101-2630-09 | |
| 13 | Baffle Filter Support | B101-2630-15B | |
| 14 | Stainless Steel Spacer {1-13/16” (46) x 9- 1/4” (235)} | B101-2630-14B | |
| 15 | Baffle Filter | B101-2630-15 | |
| 16 | Control Unit | L1-0404-6001-C | |
| 17 | Light Panel Support | B101-2630-06-1 | |
| 18 | LED Light (3W) | L1-0403-0301 |
MODEL No.: IN2630SQB-700-2

CIRCUIT DIAGRAM
MODEL NO.: IN2630SQB-700-2

TROUBLE SHOOTING
| Issue | Possible Cause | Solution |
| After Installation, both motors and lights are not working. | The power is not on. | Make sure the circuit breaker and the unit’s power is ON. Use a voltage meter to check the power supply. |
| The wire connection is not secure. | Check and tighten wire connection. | |
| The control unit and processor board wiring are disconnected. | Check wire continuity from control unit to processor board. | |
| Lights are working, but motor(s) is not. | The control unit and processor board is defective. | Replace the control unit or processor board. |
| The motor(s) is defective. | Replace the motor. | |
| The capacitor(s) is defective. | Replace capacitor(s). | |
| The range hood is vibrating. | The control unit or processor board is defective. | Replace the control unit or processing board. |
| The blower system is not secure. | Tighten the turbine impeller/squirrel cage and air chamber. | |
| The turbine impeller/squirrel cage is not balanced. | Replace the turbine impeller/squirrel cage. | |
| The motor is working, but the lights are not working. | Hood is not secured in place. | Check the installation of hood, tighten the mounting bracket. |
| LED light fixture(s) is defective. | Replace LED light fixture(s) | |
| The light wiring(s) is loose. | Check wire continuity from processor board to light transformer to LED light fixture(s). | |
| The range hood is not venting out correctly. | The control unit or processor board is defective. | Replace the control unit or processing board. |
| The range hood is installed outside of the manufacture recommended clearance. | Adjust the clearance between the range hoods and cook top to 26” to 30”. For Island range hood, the clearance between the range hoods and cook top is 30” to 36”. | |
| There is no make-up air inside the house. | Open the window to enhance the performance of the range hood by creating a sufficient make-up air. | |
| Obstacle blocking the pipe work. | Remove all obstacles from the duct work. | |
| Cold air is coming into the home. | The pipe size is smaller than the suggested pipe size. | Change the ducting according to the manufacture suggestion. |
| The pipe connection is not properly sealed. | Check the pipe installation. | |
| The damper is not properly installed or is missing from the installation. | Check the damper installation. |
TWO-YEAR LIMITED LABOR WARRANTY ON KOBE PREMIUM SERIES:
For two years from the date of your original invoice from a KOBE authorized dealer, we will repair any parts or components free of charge that failed due to manufacturing defects. KOBE reserves the right to replace, rather than repair the product free of charge at our sole discretion.
It is your sole responsibility to ensure the product is readily accessible for the service technician to perform repairs. The service technician will not, under any circumstance, remove, alter or modify any fixture built around and/or connected to the product to gain access to perform repairs.
For two years from the date of your original invoice from a KOBE authorized dealer, we will provide non-consumable replacement parts or components free of charge that failed due to manufacturing defects. Consumable parts such as lights bulbs, filters, fuses, and oil cups are not covered by this warranty.
WHAT IS COVERED:
This warranty is valid in the United States and Canada. It is non-transferable and applies only to the original purchaser and does not extend to subsequent owner of this product. In Hawaii, Alaska and Canada, this warranty is limited. There may be additional shipping charges for parts and service technician travel costs in remote areas or locations 30 miles outside of KOBE authorized service area.
WHAT IS NOT COVERED:
- Normal wear and tear, regular service and maintenance required for the product.
- Consumable parts such as light bulbs, filters, fuses, and oil cups.
- Chips, scratches or dents due to abuse or misuse of the product, use of corrosive and abrasive cleaning products.
- Damages caused by accident, fire, flood and other Acts of God.
- Services in remote areas or locations 30 miles outside of KOBE authorized service area.
- Labor cost incurred in connection with the removal of range hood, and reinstallation of replacement range hood, nor does it cover any other contingent expenses.
- Scratches inside the hood, back of the baffle filter, and inside the duct cover.
THIS WARRANTY WILL BE VOIDED WHEN:
- Improper installation and failure to follow installation instructions.
- Any repair, alteration, modification not authorized by KOBE.
- Duct alteration, modification and connection.
- Incorrect electric current, voltage or wiring.
- Improper usage of the product such as commercially, outdoor or other usage other than its intended purpose which is residential indoor usage only.
- Product is purchased from an unauthorized KOBE dealer.
- Product is damaged due to negligence, misuse, abuse, accident.
If we determine that the warranty exclusions listed above applies or if you fail to provide all necessary documentation for warranty service, you will be responsible for all expenses associated with the requested service, including parts, labor, shipping, travelling, and any other expense related to the service request.
TO REQUEST WARRANTY SERVICE, PLEASE CONTACT KOBE RANGE HOODS SERVICE CENTER:
From the 48 contiguous states: Email (best): [email protected] Phone: 1-626-775-8880 ext. 103
Toll Free: 1-877-BUY-KOBE (289-5623) From Alaska, Hawaii, and Canada:
Email (best): [email protected]
Phone: 1-626-775-8880 ext. 103

CAUTION

























