KOBE INX2936SQBF-500-1 Range Hoods

IMPORTANT READ THIS FIRST
READ BEFORE INSTALLATION
- Carefully check all contents of packages.
- Thoroughly inspect the unit for any shipping damages, cosmetic damages or defects.
- Have a certified contractor/ electrician test the unit before installation.
IF THERE IS ANY PROBLEM:
- DO NOT INSTALL THE UNIT AND KEEP ALL ORIGINAL PACKAGING MATERIAL.
- Have your original invoice as proof of purchase and product serial number ready.
- Contact your merchant for product replacement due to shipping damages, cosmetic damages or defects.
- For all other issues, email [email protected].
NO RETURN, NO REFUND, NO EXCHANGE IF:
- PRODUCT HAS BEEN INSTALLED
- KNOCK-OUT HOLES HAVE BEEN PUNCTURED
- MISSING ORIGINAL PACKAGING MATERIAL AND/OR PARTS
READ ALL INSTRUCTIONS CAREFULLY BEFORE STARTING
ALL WIRING MUST BE DONE BY A PROFESSIONAL AND IN ACCORDANCE WITH NATIONAL AND LOCAL ELECTRICAL CODES
IMPORTANT SAFETY INSTRUCTIONS
– PLEASE READ THIS SECTION CAREFULLY BEFORE INSTALLATION –
WARNING: TO REDUCE THE RISK OF FIRE, ELECTRIC SHOCK OR PERSONAL INJURY, OBSERVE THE FOLLOWING:
- Installation and electrical wiring must be done by qualified professionals and in accordance with all applicable codes and standards, including fire-rated construction.
- When cutting or drilling into wall or ceiling, be careful not to damage electrical wiring or other hidden utilities.
- Ducted fans must be vented to the outside.
- Before servicing or cleaning unit, open the light panel and SWITCH POWER OFF AT SERVICE PANEL.
- Clean all grease-laden surfaces frequently. To reduce the risk of fire and to disperse properly, make sure to vent air outside. DO NOT vent exhaust air into wall spaces, attics, crawl spaces or garages.
NOTE
- This warranty is invalid without an authorized agent’s receipt or if unit is damaged due to misuse, poor installation, improper use, mistreatment, negligence or any other circumstances beyond the control of KOBE RANGE HOODS authorized agents. Any repair carried out without the supervision of KOBE RANGE HOODS authorized agents will automatically void the warranty.
- KOBE RANGE HOODS will not be held responsible for any damages to personal property or real estate or any bodily injuries whether caused directly or indirectly by the range hood.
WARNING: TO REDUCE THE RISK OF PERSONAL INJURY IN THE EVENT OF A RANGE TOP GREASE FIRE:
- Keep all fan, baffle/spacer/filter/oil tunnel/oil container and grease-laden surfaces clean. Grease should not be allowed to accumulate on fan, baffle/spacer/filter/oil tunnel/oil container.
- Always turn hood ON when cooking.
- Use high settings on cooking range ONLY when necessary.
- Do not leave cooking range unattended when cooking.
- Always use cookware and utensils appropriate for the type and amount of food prepared.
- Use this unit only in the manner intended by the manufacturer.
- Before servicing, switch power off at service panel and lock service panel (if possible) to prevent power from switching on accidentally.
- Clean ventilating fan frequently.
What to Do In The Event Of a Range Top Grease Fire
- SMOTHER FLAMES with a tight fitting lid, cookie sheet, or metal tray, and then turn off the burner. KEEP FLAMMABLE OR COMBUSTIBLE MATERIAL AWAY FROM FLAMES. If the flames do not go out immediately, EVACUATE THE AREA AND CALL THE FIRE DEPARTMENT or 911.
- NEVER PICK UP A BURNING PAN – You May Get Burned.
- DO NOT USE WATER, including wet dishcloths or towels – a violent steam blast will result.
- Use an extinguisher ONLY if:
- You have a Class A, B, C extinguisher and know how to operate it.
- The fire is small and contained in the area where it started.
- The fire department has been called.
- You can fight the fire with your back to an exit.
What to DO If You Smell Gas
- Extinguish any open flame.
- Do not try to turn on the lights or any type of appliance.
- Open all doors and windows to disperse the gas. If you still smell gas, call the Gas Company and Fire Department right away.
CAUTION
- For general ventilation use only. Do not use to exhaust hazardous or explosive materials and vapors.
- To reduce the risk of fire, use only metal ductwork. Sufficient air is needed for proper combustion and exhausting of gases through the flue (chimney) to prevent back drafting.
- Follow the heating equipment manufacturer’s guideline and safety standards such as those published by the National Fire Protection Association (NFPA), and the American Society for Heating, Refrigeration and Air Conditioning Engineers (ASHRAE), and code authorities.
- Turning any switch on may cause ignition or an explosion.
- Due to the size and weight of this hood, two people installation is recommended.
Warning
ELECTRICAL SHOCK HAZARD – Can result in serious injury or death. Disconnect appliance from electric power before servicing. If equipped, the fluorescent light bulb contains small amounts of mercury, which must be recycled or disposed of according to Local, State, and Federal Codes.
COMPONENTS OF PACKAGE
(Must keep all material for returns or refunds)
| Range Hood Box | |||||
| {A} | KOBE Range Hood | {D} | ![]()
| {E} |
|
| {B} | Warranty Registration Card | ||||
| {C} | Quick Reference Guide | ||||
| {D} | Baffle Filter – 2pcs for 30” | ||||
| – 3pcs for 36” | |||||
| {E} | Aluminum Filter – 2pcs for 30” | ||||
| – 3pcs for 36” | |||||
| {F} | Screws | ||||
| {G} | Flapper (2 pcs) | ||||
| {A} | ![]() | {F} | {G} | ||
|
{B} |
{C} | ||||
INSTALLATION
PLEASE READ ENTIRE INSTRUCTIONS BEFORE PROCEEDING
Calculation before Installation
To calculate installation, please refer to TABLE 1. (All calculation in inches).
FOR BUILT-IN / INSERT
| TABLE 1
A = Height of Floor to Ceiling B = Height of Floor to Counter Top (Standard: 36”) C = Height of Counter Top to Wood Frame Bottom (Recommended 26” to 30”) D = Height of Wood Frame | ![]() |
SAFETY WARNING
- HOOD MAY HAVE SHARP EDGES; PLEASE WEAR PROTECTIVE GLOVES IF REMOVING ANY PARTS FOR INSTALLING, CLEANING, OR SERVICING.
- BE CAREFUL WHEN USING ELECTRICAL SCREWDRIVER, DAMAGE TO THE HOOD MAY OCCUR. USING HAND TOOLS IS RECOMMENDED. DO NOT OVER TIGHTEN SCREWS.
- MAKE SURE TO PREVENT ANY DEBRIS FROM ENTERING THE VENT OPENING TO AVOID DAMAGE OR MALFUNCTION.
INSERT INSTALLATION
Before Installation
- Read any provided document(s).
- Test the range hood by temporarily connecting it to an outlet and turning the fan and lights ON.
- If you run into any problems, contact KOBE Range Hoods.
Venting Requirements - This range hood has a top 6” Round exhaust (default).
- Decide the location of the venting pipe from the hood to the outside. A straight, short vent run will allow the hood to perform more efficiently. Try to avoid elbows, transitions, and long run as much as possible as this may reduce the performance of the hood. Make sure that the duct work leads to the outside.
- It is recommended to use metal/aluminum duct/pipe with a uniform size (ex. 6” round pipe from range hood to the outside.)
- If an elbow is necessary, a minimum of 12” straight run is necessary before the elbow.
Clearance - Clearance is the distance between the cooktop and the bottom of the range hood. The recommended minimum clearance for this model is 26” and the maximum clearance is 30”.
- It is important to install the hood at the recommended clearance. Installing too low could result in damage and/or fire hazard while installing too high may result in reduced performance and efficiency.
Hood Installation - The hood has to be installed inside the cabinet. It is recommended to install a front and rear stud support. Refer to Figure 1. The stud supports are located 1-1/2” from the rear and 2” from the front.

- Determine and mark the centerlines on the base of the wood frame where the insert will be installed.
- Determine and make all necessary cuts in the wall or ceiling for the ductwork.
Note: Install the duct work before installing the insert. - Cut out the opening where the insert will be installed. Refer to Figure 2. Refer to page 10.

- Slide the hood to the opening.
- Locate the screw holes (4) on each side of the insert. Adjust the level of the hood casing support according to the thickness of the base.
- Secure the hood using the screw holes that are located at the front and back of the unit (screws provided). Refer to Figure 3.
- Make sure the hood casing support is secure before releasing.
Ductwork - Attach the vent adapter to the exhaust opening using the 4 x 8 mm screws.

- Connect the pipe to the vent adapter and seal the joint with duct tape. Make sure it is completely air tight.
Electrical Wire - Connect the range hood to an outlet.
- If hardwired is desired, cut off the plug and connect three wires (black, white, green) to the outlet wires and cap with wire connectors. Connect the wires according to color (ex: black to black).
Finish - Remove any protective film from the hood.
- Before using, make sure that any accessories such as baffle filters are properly installed where applicable.
- Test the range hood to see if it is working properly.
THIS RANGE HOOD MUST BE PROPERLY GROUNDED. MAKE SURE THIS IS DONE BY A QUALIFIED ELECTRICIAN IN ACCORDANCE WITH ALL APPLICABLE NATIONAL AND LOCAL ELECTRICAL CODES. BEFORE CONNECTING WIRES, SWITCH POWER OFF AT SERVICE PANEL AND LOCK SERVICE PANEL TO PREVENT POWER FROM BEING SWITCHED ON ACCIDENTALLY.
OPERATING INSTRUCTIONS
3-Speed Mechanical Control
Note: For best results, turn fan on prior to any preparation or cooking and keep fans running while cooking. Adjust speed as needed.
Button Control
- OFF = Turns the range hood OFF.
- Q = Lowest fan speed (QuietMode™)
- L = Middle fan speed (Low)
- H = Highest fan speed (High)
- = Turns the lights ON/OFF
Power Control
To turn the hood off, press the OFF button once while it is ON.
Speed Control
Press the speed buttons (Q, L and H) to increase/decrease the fan speed level.
Light Control
Press the light button to turn ON/OFF the lights
MAINTENANCE
For optimal performance, clean the range hood surface and filters regularly. To Clean Hood Surface
CAUTION: NEVER USE ABRASIVE CLEANERS, PADS, OR CLOTHS.
Regular care will help preserve its fine appearance.
- Use only mild soap or detergent solutions. Dry surfaces using soft cloth.
- If hood looks smudged (stainless steel hood), use a stainless steel cleaner to clean the surface of the hood. Avoid getting cleaning solution onto or into the control panel. Follow directions of the stainless steel cleaner. Caution: Do not leave on too long as this may cause damage to hood finish. Use a soft towel to wipe off the cleaning solution, gently rub off any stubborn sports. Use a dry soft towel to dry the hood.
- DO NOT allow deposits to accumulate or remain on the hood.
- DO NOT use ordinary steel wool or steel brushes. Small bits of steel may adhere to the surface and cause rusting.
- DO NOT allow salt solutions, disinfectants, bleaches, or cleaning compounds to remain in contact with stainless steel for extended periods. Many of these compounds contain chemicals which may be harmful to the hood. Wipe off cleaning solution using a soft towel moistened with water and wipe dry with a clean lint-free cloth. For Baffle Filter models only: to Clean Baffle Filter/Oil Tunnel
CAUTION: DRAIN OIL FROM BAFFLE FILTERS, SPACERS & OIL TUNNEL REGULARLY TO PREVENT OVERFLOW.
- Remove all the baffle filters, spacers and the oil tunnel. Note: Not all models have spacers or an oil tunnel.
- Using a sponge, wash them with warm soapy water. Dry them completely before putting them back into place. CAUTION: SHARP EDGES
(Note: Baffle Filters are top rack dishwasher safe) For Aluminum Filter models only: to Clean Aluminum Filter
CAUTION: CLEAN FILTER PERIODICALLY.
- Remove aluminum filters.
- Using a sponge, wash them with warm soapy water. Dry them completely before putting them back into place.
SPECIFICATIONS
- MODEL / SIZE
- INX2930SQBF-500-1 (30”)
- INX2936SQBF-500-1 (36”)
- COLOR
- 20-Gauge Commercial Grade Stainless Steel
- CONSUMPTION / AMPERE
- 240W / 2.0A
- NUMBER OF BLOWERS 1
- DESIGN
- Seamless / Satin Finish
- BLOWER TYPE
- Single Horizontal Squirrel Cage
- EXHAUST
- Top 6” Round
- CONTROLS
- Mechanical Push Button
- LIGHTS
- 3-watt LED Lights x 2
- HOOD DIMENSION(W x D x H)
- INX2930SQBF-500-1 27-3/4” x 11-1/2” x 11”
- INX2936SQBF-500-1 35-7/16” x 11-1/2” x 11”
- OPTIONAL ACCESSORIES (W x D x H)
- 30” Stainless Steel Back Panel SSP30: 30” x 1/10” x 32”
- 36” Stainless Steel Back Panel SSP36: 36” x 1/10” x 32”
- One sone is equivalent to the sound of a refrigerator at 40 decibels.
- Specifications subject to change without notice.
MEASUREMENTS & DIAGRAMS
- All inch measurements are converted from millimeters. Inch measurements are estimated.
- All measurements in ( ) are millimeters.
MODEL NO.: INX2930SQBF-500-1 (30”) INX2936SQBF-500-1 (36”)
PARTS LIST
MODEL NO.:
- INX2930SQBF-500-1 (30”)
- INX2936SQBF-500-1 (36”)
| NO. | DESCRIPTION | MODEL / SIZE | PART NO. |
| 1 | 6” Exhaust Vent | 02-003 | |
| 2 | LED Light Driver | 02-001 | |
| 3 | Capacitor (12uF, 250 VAC) | 02-004 | |
| 4 | LED Lights (3W) x 2 | 02-005 | |
| 5 | Control Switch | 02-006 | |
| 6 | Blower System | YYC-148-3 | |
| 7 | Aluminum Filter (290.5mm x 168mm) | INX2930SQBF-500-1 | 02-010-30 |
| Aluminum Filter (233mm x 168mm) | INX2936SQBF-500-1 | 02-010-36 | |
| 8 | Baffle Filter (290.5mm x 168 mm) | INX2930SQBF-500-1 | 02-011-30 |
| Baffle Filter (233mm x 168mm) | INX2936SQBF-500-1 | 02-011-36 |
MODEL NO.:
- INX2930SQBF-500-1 (30”)
- INX2936SQBF-500-1 (36”)

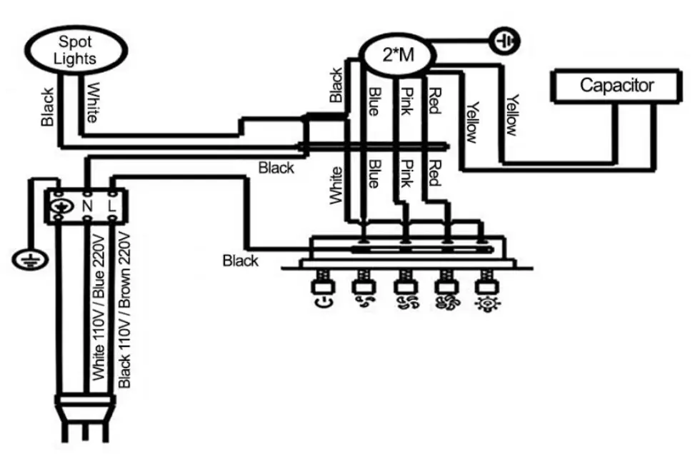
CIRCUIT DIAGRAM
MODEL NO.:
- INX2930SQBF-500-1 (30”)
- INX2936SQBF-500-1 (36”)

TROUBLE SHOOTING
| Issue | Possible Cause | Solution |
| After Installation, both motors and lights are not working. | The power is not on. | Make sure the circuit breaker and the unit’s power is ON. Use a voltage meter to check the power supply. |
| The wire connection is not secure. | Check and tighten wire connection. | |
| The control panel and processor board wiring are disconnected. | Check wire continuity from control panel to processor board. | |
| The control panel and processor board is defective. | Replace the control panel or processor board. | |
| Lights are working, but motor(s) is not. | The motor is defective. | Replace the motor. |
| The capacitor(s) is defective. | Replace capacitor(s). | |
| The control panel or processor board is defective. | Replace the control panel or processor board. | |
| The range hood is vibrating. | The blower system is not secure. | Tighten the turbine impeller/squirrel cage and air chamber. |
| The turbine impeller/squirrel cage is not balanced. | Replace the turbine impeller/squirrel cage. | |
| Hood is not secured in place. | Check the installation of hood, tighten the mounting bracket. | |
| The motor is working, but the lights are not working. | LED driver is defective. | Replace LED Driver. |
| LED light fixture(s) is defective. | Replace LED light fixture(s). | |
| The light wiring is loose. | Check wire continuity from processor board to light transformer to LED light fixture(s). | |
| The control panel or processor board is defective. | Replace the control panel or processor board. | |
| The range hood is not venting out correctly. | The range hood is installed outside of the manufacture recommended clearance. | Adjust the clearance between the range hood and cook top to 26” to 30”. For island range hood, the clearance between the range hood and cook top is 30” to 36” |
| There is no make-up air inside the house. | Open the window to enhance the performance of the range hood by creating a sufficient make-up air. | |
| Obstacle blocking the pipe work. | Remove all obstacles from the duct work. | |
| The pipe size is smaller than the suggested pipe size. | Change the ducting according to the manufacture suggestion. | |
| Cold air is coming into the home. | The pipe connection is not properly sealed. | Check the pipe from installation. |
| The damper is not properly installed or is missing from the installation. | Check the damper installation. | |
| The damper is not installed. | Installing the damper will help eliminate air backflow. |
WARRANTY
WARRANTY CERTIFICATE
In order to obtain warranty service, you must provide proof of original purchase from a KOBE authorized Dealer. Please keep a copy of your original invoice as proof of purchase. ONE-YEAR LIMITED LABOR WARRANTY ON KOBE BRILLIA SERIES: For one year from the date of your original invoice from a KOBE authorized dealer, we will repair any parts or components free of charge that failed due to manufacturing defects. KOBE reserves the right to replace, rather than repair the product free of charge at our sole discretion. It is your sole responsibility to ensure the product is readily accessible for the service technician to perform repairs. The service technician will not, under any circumstance, remove, alter or modify any fixture built around and/or connected to the product to gain access to perform repairs.
TWO-YEAR LIMITED PARTS WARRANTY ON KOBE BRILLIA SERIES:
For two years from the date of your original invoice from a KOBE authorized dealer, we will provide non-consumable replacement parts or components free of charge that failed due to manufacturing defects. Consumable parts such as light bulbs, filters, fuses, and oil cups are not covered by this warranty.
WHAT IS COVERED:
This warranty is valid in the United States and Canada. It is non-transferable and applies only to the original purchaser and does not extend to any subsequent owners of this product. In Hawaii, Alaska, and Canada, this warranty is limited. There may be additional shipping charges for parts and service technician travel costs in remote areas or locations 30 miles outside of KOBE authorized service areas.
WHAT IS NOT COVERED:
- Normal wear and tear, regular service and maintenance required for the product.
- Consumable parts such as light bulbs, filters, fuses, and oil cups.
- Chips, scratches, or dents due to abuse or misuse of the product, use of corrosive and abrasive cleaning products.
- Damages caused by accident, fire, flood and other Acts of God.
- Services in remote areas or locations 30 miles outside of KOBE authorized service areas.
- Labor cost incurred in connection with the removal of range hood, and installation of replacement range hood, nor does it cover any other contingent expenses.
- Scratches inside the hood, back of the baffle filter, and inside the duct cover.
THIS WARRANTY WILL BE VOIDED BY:
- Improper installation and failure to follow installation instructions.
- Any repair, alteration, modification not authorized by KOBE.
- Duct alteration, modification and connection.
- Incorrect electric current, voltage or wiring.
- Improper usage of the product such as commercial, outdoor or other usage other than residential indoor usage.
- Purchasing this product from an unauthorized KOBE dealer.
- Damaging the product due to negligence, misuse, abuse, or accident.
If we determine that the warranty exclusions listed above applies or if you fail to provide all necessary documentation for warranty service, you will be responsible for all expenses associated with the requested service, including parts, labor, shipping, traveling, and any other expense related to the service request.
TO REQUEST WARRANTY SERVICE, PLEASE CONTACT KOBE RANGE HOODS SERVICE CENTER:
From the 48 contiguous states:
- Email (best): [email protected]
- Phone: 1-626-775-8880
- Toll Free: 1-877-BUY-KOBE (289-5623)
From Alaska, Hawaii, and Canada:
- Email (best): [email protected]
- Phone: 1-626-775-8880
WARRANTY INFORMATION FORM
Fill in the blanks and keep this paper with the original invoice in a safe place for future service purpose.
- Date of purchase : _______________________________
- Model No. :_______________________________
- Serial No. :_______________________________
For warranty service or spare parts purchase in US, contact:
- KOBE Service Center
- Email (best): [email protected]
- Phone: 1-626-775-8880
- Toll Free: 1-877-BUY-KOBE (289-5623)
For warranty service or spare parts purchase in Canada, contact:
- Email (best): [email protected]
- Phone: 1-626-775-8880
- www.koberangehoods.com
This KOBE hood is made for use in the USA and CANADA only. We do not recommend using this hood overseas as the power supply may not be compatible and may violate the electrical code of that country. Using a KOBE hood overseas is at your own risk and will void your warranty.
Information subject to change without notice.

























