KOBE INX2930SQBF-500-2 30 Inch Insert Range Hood Stainless Steel Instruction Manual
READ BEFORE INSTALLATION
- Carefully check all contents of packages.
- Thoroughly inspect the unit for any shipping damages, cosmetic damages or defects.
- Have a certified contractor/ electrician test the unit before installation.
IF THERE IS ANY PROBLEM:
- DO NOT INSTALL THE UNIT AND KEEP ALL ORIGINAL PACKAGING MATERIAL.
- Have your original invoice as proof of purchase and product serial number ready.
- Contact your merchant for product replacement due to shipping damages, cosmetic damages or defects.
- For all other issues, email customer.[email protected].
NO RETURN, NO REFUND, NO EXCHANGE IF:
- PRODUCT HAS BEEN INSTALLED
- KNOCK-OUT HOLES HAVE BEEN PUNCTURED
- MISSING ORIGINAL PACKAGING MATERIAL AND/OR PARTS
IMPORTANT SAFETY INSTRUCTIONS
LEASE READ THIS SECTION CAREFULLY BEFORE INSTALLATION –
WARNING: TO REDUCE THE RISK OF FIRE, ELECTRIC SHOCK OR PERSONAL INJURY, OBSERVE THE FOLLOWING:
- Installation and electrical wiring be done by qualified professionals and in accordance with all applicable codes and standards, including fire-rated construction.
- When cutting or drilling into wall or ceiling, be careful not to damage electrical wiring or other hidden utilities.
- Ducted fans must ban vented to the outside.
- Before servicing or cleaning unit, open the light panel and SWITCH POWER OFF AT SERVICE PANEL.
- Clean all grease-laden surfaces frequently. To reduce the risk of fire and to disperse properly, make sure to vent air outside. DO NOT vent exhaust air into wall Spacers, attics, crawl spaces or garages.
NOTE
- The warranty is invalid without an authorized agent’s receipt or if unit is damaged due to misuse, poor installation, improper use, mistreatment, negligence or any other circumstances beyond the control of KOBE RANGE HOODS authorized agents. Any repair carried out without the supervision of KOBE RANGE HOODS authorized agents will automatically void the warranty.
- KOBE RANGE HOODS will not be held responsible for any damages to personal property or real estate or any bodily injuries whether caused directly or indirectly by the range hood.
WARNING: TO REDUCE THE RISK OF PERSONAL INJURY IN THE EVENT OF A RANGE TO GREASE FIRE:
- Keep all fan, baffle/spacer/filter/oil tunnel/oil container and grease-laden surfaces clean. Grease should not be allowed to accumulate on fan, baffle/spacer/filter/oil tunnel/oil container.
- Always turn hood ON when cooking.
- Use high settings on cooking range ONLY when necessary.
- Do not leave cooking range unattended when cooking.
- Always use cookware and utensils appropriate for the type and amount of food prepared.
- Use this unit only in the manner intended by the manufacturer.
- Before servicing, switch power off at service panel and lock service panel (if possible) to prevent power from switching on accidentally.
- Clean ventilating fan frequently.
What to Do in the Event of a Range Top Grease Fire
- SMOTHER FLAMES with a tight fitting lid, cookie sheet, or metal tray, and then turn off the burner. KEEP FLAMMABLE OR COMBUSTIBLE MATERIAL AWAY FROM FLAMES. If the flames do not go out immediately, EVACULATE THE AREA AND CALL THE FIRE DEPARTMENT or 911.
- NEVER PICK UP A BURNER PAN – You May Get Burned.
- DO NOT USE WATER, including wet dishcloths or towels – a violent steam blast will result.
- Use an extinguisher ONLY if
- You have a class A, B, C extinguisher and know how to operate it.
- The fire is small and contained in the area where it started.
- The fire department has been called.
- You can fight the fire with your back to an exit.
What to Do if You Smell Gas
- Extinguish any open flame.
- Do not try to turn on the lights or any type of appliances.
- Open all doors and windows to disperse the gas. If you still smell gas, call the Gas Company and Fire Department right away
CAUTION
- For general ventilation use only. Do not use to exhaust hazardous or explosive materials and vapors.
- To reduce the risk of fire, use only metal ductwork. Sufficient air is needed for proper combustion and exhausting of gases through the flue (chimney) to prevent back drafting.
- Follow the heating equipment manufacturer’s guideline and safety standards such as those published by the National Fire Protection Association (NFPA), and the American Society for Heating, Refrigeration and Air Conditioning Engineers (ASHRAE), and code authorities.
- Turning any switch on may cause ignition or an explosion.
- Due to the size and weight of this hood, two people installation is recommended.
WARNING:
ELECTRICAL SHOCK HAZARD – Can result in serious injury or death. Disconnect appliance from electric power before servicing. If equipped, the fluorescent light bulb contains small amount of mercury, which must be recycled or disposed of according to Local, State, and Federal Codes.
COMPONENTS OF PACKAGE
(Must keep all materials for returns or refunds)
Range Hood Box
{A} KOBE Range Hood
{B} Warranty Registration Card
{C} Quick Reference Guide
{D} Baffle Filter – 2pcs for 30” – 3pcs for 36”
Baffle Filter
Installed by default
{E} Aluminum Filter – 2pcs for 30” – 3pcs for 36”
{F} Screws
Size: 4 x 35 mm
QTY: 12
Size: 4*16
QTY: 6
{G} Flapper – 2pcs
{H} 6” Round Exhaust with Rubber Plate
INSTALLATION
PLEASE READ ENTIRE INSTRUCTIONS BEFORE PROCEEDING
Calculation before installation
To calculate installation, please refer to TABLE 1. (All calculation in inches).
FOR BUILT-IN / INSERT
| TABLE 1 A = Height of Floor to Ceiling | ![]() |
SAFETY WARNING
- HOOD MAY HAVE SHARP EDGES, PLEASE WEAR PROTECTIVE GLOVES IF REMOVING ANY PARTS FOR INSTALLING, CLEANING, OR SERVICING.
- BE CAREFUL WHEN USING ELECTRICAL SCREWDRIVER, DAMAGE TO THE HOOD MAY OCCUR. USING HAND TOLLS IS RECOMMENDED. DO NOT TIGHTEN SCREWS.
- MAKE SURE TO PREVENT ANY DEBRIS FROM ENTERING THE VENT OPENING TO AVOID DAMAGE OR MALFUCTION.
INSERT INSTALLATION
Before Installation
- Read any provided document(s).
- Test the range hood by temporarily connecting it to an outlet and turning ON the fan and lights.
- If you run into any problems, contact KOBE Range Hoods.
Venting Requirements - The range hood has top 6” round exhaust (default).
- Decided the location of the venting pipe from the hood to the outside. A straight, short vent run will allow the hood to perform more efficiently. Try to avoid elbows, transitions, and long run as much as possible as this may reduce the performance of the hood. Make sure that the duct work leads to the outside.
- It is recommended to use metal / aluminum duct/pipe with a uniform size (ex. 6” round pipe from range hood to the outside).
- If an elbow is necessary, a minimum of 12” straight run is necessary before the elbow.
Clearance - Clearance is the distance between the cooktop and the bottom of the range hood. The recommended minimum clearance for this model is 26” and the maximum clearance is 30”.
- It is important to install the hood at the recommended clearance. Installing too low could result in damage and/or fire hazard while installing too high may result in reduced performance and efficiently.
Hood Installation - The hood has to be installed inside the cabinet. It is recommended to install a front and rear stud support. Refer to Figure 1. The stud supports are located 1- 1/2” from the rear and 2” from the front.

Figure 1 - Determine and mark the centerlines on the base of the hood frame where the insert will be installed.
- Determine and make all necessary cuts in the wall or ceiling of the ductwork.
Note: Install the duct work before installing the hood. - Cut out the opening where the hood will be installed.
Refer to Figure 2.
Figure 2 - Slide the hood to the opening.
- Locate the screw holes (2) on each side of the hood. Adjust the level of the hood casing support according to the thickness of the base.
- Secure the hood using the screw holes that are located at the front and back of the unit (screw provided).
Refer to Figure 3. - Make sure the hood casing support is secure before releasing.
Ductwork
Figure 3
Note: Sample image only. May not be actual model. - Attached the rubber plate and 6” round exhaust vent adapter to the exhaust opening and use 6 4*16 screws to secure it. Refer to Figure 4.
- Connect the pipe to the vent adapter and seal the joint with duct pipe. Make sure it is completely tight
Electrical Wire
Figure 4 - Connect the range hood to an outlet.
- If hardwired is desired, cut off the plug and connect three wires (black, white, green) to the outlet wires and cap with wire connectors. Connect the wires according to color (ex. black to black).
Finish - Remove any protective film from the hood, if any.
- Before using, make sure that any accessories such as baffle filters are properly installed when applicable.
- Test the range hood to see if it is working properly.
THIS RANGE HOOD MUST BE PROPERLY GROUNDED. MAKE SURE THIS IS DONE BY A QUALIFIED ELECTRICIAN IN ACCORDANCE WITH ALL APPLICABLE NATIONAL AND LOCAL ELECTRICAL CODES. BEFORE CONNECTING WIRES, SWITCH POWER OFF AT SERVICE PANEL AND LOCK SERVICE PANEL TO PREVENT POWER FROM BEING SWITCHED ON ACCIDENTALLY.
OPERATING INSTRUCTIONS
Speed Mechanical Control
Note: For best results, turn fan on prior to any preparation or cooking and keep fans running while cooking. Adjust speed as needed.
To operate the fan function
- Press button to choose from speed
- Q = Quiet Mode™ speed
- L = Low speed
- H = High speed
- Press “OFF” to turn fan off
To operate the light function
- Press the Light control to turn lights on and off
MAINTENANCE
For optimal performance, clean the range hood surface and filters regularly.
To Clean Hood Surface
CAUTION: NEVER USE ABRASIVE CLEANERS, PADS, OR CLOTHS.
Regular care will help preserve its fine appearance
- Use only mild soap or detergent solutions. Dry surfaces using soft cloth.
- If hood looks smudged (stainless steel hood), use a stainless steel cleaner to clean the surface of the hood. Avoid getting cleaning solution onto or into the control panel. Follow directions of the stainless steel cleaner. Caution: Do not leave on too long as this may cause damage to hood finish. Use soft towel to wipe off the cleaning solution, gently rub off any stubborn spots. Use dry soft towel to dry the hood.
- DO NOT allow deposits to accumulate or remain on the hood.
- DO NOT use ordinary steel wool or steel brushes. Small bits of steel may adhere to the surface and cause rusting.
- DO NOT allow salt solutions, disinfectants, bleaches, or cleaning compounds to remain in contact with stainless steel for extended periods. Many of these compounds contain chemicals, which may be harmful to the hood. Rinse with water after exposure and wipe dry with a clean lint free cloth.
For Baffle Filter models only: to Clean Baffle Filter / Oil Tunnel
CAUTION: DRAIN OIL FROM BAFFLE FILTERS, SPACERS & OIL TUNNEL REGULARLY TO PREVENT OVERFLOW
- Remove all the baffler filters, spacers and oil tunnel. Note: Not all models have spacers and oil tunnel.
- Using a sponge, wash with warm soapy water. Dry completely before returning into place.
CAUTION: SHARP EDGES
(Note: Baffle Filters are top rack dishwasher safe)
For Aluminum Filter models only: to Clean Aluminum Filter
CAUTION: CLEAN THE FILTERS PERIODICALLY.
- Remove all the aluminum filters.
- Using a sponge, wash with warm soapy water. Dry completely before returning into place.
CAUTION: SHARP EDGES
SPECIFICATIONS
MODEL / SIZE: INX2930SQBF-500-2 (30”) INX2936SQBF-500-2 *36”)
COLOR: 18-Gauge Commercial Grade Stainless Steel
CONSUMPTION: / AMPERE 240W / 2.0A
NUMBER OF BLOWER: 1
DESIGN: Satin Finish
BLOWER TYPE: Single Horizontal Squirrel Cage
EXHAUST: Top 6” Round
CONTROL: Mechanical Push Button
LIGHT: 3-watt LED Lights x 2
HOOD DIMENSION (W x D x H): INX2930SQBF-500-1 27-3/4” x 11-1/2” x 11”
INX2936SQBF-500-1 35-7/16” x 11-1/2” x 11”
OPTIONAL ACCESSORIES (W x D x H):
- 30” Stainless Steel Back Panel
Model: SSP30 (30” x 32” x 1/10”) - 36” Stainless Steel Back Panel
Model: SSP36 (36” x 32” x 1/10”)
HOOD WEIGHT: Net Gross
INX2930SQBF-500-1 (30”) 25.0 lbs 30.0 lbs
INX2936SQBF-500-1 (36”) 27.0 lbs 34.0 lbs
SPEED Quiet Mode™ Low High
Air Capacity (cfm) 157 277 550
Sone (dB)* 1.5 (61) 4.5 (71) 7.0 (78)
- One sone is equivalent to the sound of refrigerator at 40 decibels.
- Specifications subject to change without notice.
MEASUREMENTS & DIAGRAMS
- All inch measurements are converted from millimeters. Inch measurements are estimated.
- All measurements in ( ) are millimeters.
MODEL NO: INX2930SQBF-500-2 (30”)
INX2936SQBF-500-2 (36”)
PARTS LIST
MODEL NO: INX2930SQBF-500-2 (30”)
INX2936SQBF-500-2 (36”)
| NO. | DESCRIPTION | MODEL / SIZE | PART NO. |
| 1 | 6” Exhaust Vent | 02-003 | |
| 2 | LED Light Driver | 02-001 | |
| 3 | Capacitor (12uF, 250 VAC) | 02-004 | |
| 4 | LED Lights (3W) x 2 | 02-005 | |
| 5 | Control Switch | 02-006 | |
| 6 | Blower System | YYC-143-3 | |
| 7 | Aluminum Filter (290.5mm x 168mm) | INX2930SQBF-500-1 | 02-010-30 |
| Aluminum Filter (233mm x 168mm) | INX2936SQBF-500-1 | 02-010-36 | |
| 8 | Baffle Filter (290.5mm x 168mm) | INC2930SQBF-500-1 | 02-011-30 |
| Baffle Filter (233mm x 168mm) | INX2936SQBF-500-1 | 02-011-36 |
MODEL NO: INX2930SQBF-500-2 (30”)
INX2936SQBF-500-2 (36”)
INX2930SQBF-500-2 (30”)
INX2936SQBF-500-2 (36”)
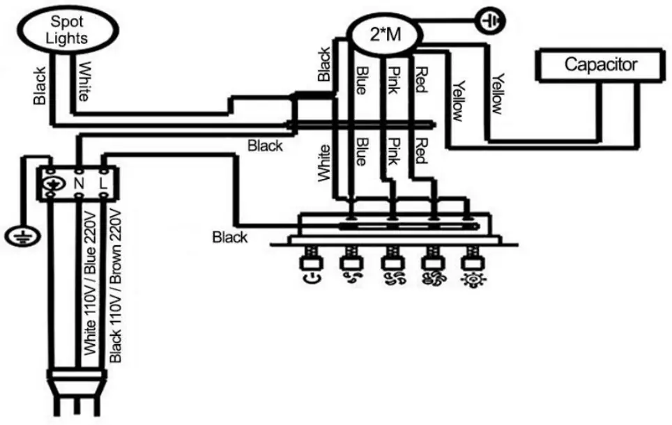
CIRCUIT DIAGRAM
MODEL NO: INX2930SQBF-500-2 (30”)
INX2936SQBF-500-2 (36”)
TROUBLE SHOOTING
| Issue | Possible Cause | Solution |
| After installation, both motors and lights are not working | The power is not on. | Make sure the circuit breaker and the unit’s power is ON. Use a voltage meter to check the power supply. |
| The wire connection is not secure. | Check and tighten wire connection. | |
| The control panel is defective. | Replace the control panel. | |
| Lights are working, but motor(s) is not. | The motor(s) is defective. | Replace the motor(s). |
| The capacitor(s) is defective. | Replace the capacitor(s). | |
| The control panel is defective. | Replace the control panel. | |
| The range hood is vibrating. | The blower system is not secure. | Tighten the turbine impeller/ squirrel cage. |
| The turbine impeller/ squirrel cage is not balanced. | Replace the turbine impeller/ squirrel cage. | |
| Hood is not secure in place. | Check the installation of hood, tighten the mounting bracket. | |
| The motor is working, but the lights are not working. | LED light fixture(s) is defective. | Replace LED light fixture(s). |
| The light wiring(s) is loose. | Check wire continuity from control panel to LED light driver to LED light fixture(s). | |
| The control panel or LED light driver is defective. | Replace the control panel or LED light driver. | |
| The range hood is not venting out correctly. | The range hood is installed outside of the manufacture recommended clearance. | Adjust the clearance between the range hood and cook top to 26” to 30”. For island range hood, the distance between range hood and cook top is 30” to 36”. |
| There is no make-up air inside the house. | Open the window to enhance the performance of the range hood by creating a sufficient make-up air. | |
| Obstacle blocking the pipe work. | Remove all obstacles from the duct work. | |
| The pipe size is smaller than the suggested pipe size. | Change the ducting according to the manufacture suggestion. | |
| Cold air is coming into the home. | The pipe connection is not properly sealed. | Check the pipe from installation. |
| The damper is not properly installed or is missing from the installation. | Check the damper installation. | |
| The damper is not installed. | Installing the damper will help eliminate air backflow. |
WARRANTY
ARRANTY CERTIFICATE
In order to obtain warranty service, you must provide proof of original purchase from a KOBE authorized Dealer. Please keep a copy of your original invoice as proof of purchase.
TWO-YEAR LIMITED PARTS WARRANTY ON KOBE BRILLIA SERIES:
For two years from the date of your original invoice from a KOBE authorized dealer, we will provide non-consumable replacement parts or components free of charge that failed due to manufacturing defects. Consumable parts such as light bulbs, filters, fuses, and oil cups are not covered by this warranty.
WHAT IS COVERED:
This warranty is valid in the United States and Canada. It is non-transferable and applies only to the original purchaser and does not extend to any subsequent owners of this product. In Hawaii, Alaska, and Canada, this warranty is limited. There may be additional shipping charges for parts and service technician travel costs in remote areas or locations 30 miles outside of KOBE authorized service areas.
WHAT IS NOT COVERED:
- Normal wear and tear, regular service and maintenance required for the product.
- Consumable parts such as light bulbs, filters, fuses, and oil cups.
- Chips, scratches, or dents due to abuse or misuse of the product, use of corrosive and abrasive cleaning products.
- Damages caused by accident, fire, flood and other Acts of God.
- Services in remote areas or locations 30 miles outside of KOBE authorized service areas.
- Labor cost incurred in connection with the removal of range hood, and installation of replacement range hood, nor does it cover any other contingent expenses.
- Scratches inside the hood, back of the baffle filter, and inside the duct cover.
THIS WARRANTY WILL BE VOIDED BY:
- Improper installation and failure to follow installation instructions.
- Any repair, alternation, modification not authorized by KOBE.
- Duct alternation, modification, and connection.
- Incorrect electric current, voltage, or wiring.
- Improper usage of the product such as commercial, outdoor, or other usage other than residential indoor usage.
- Purchasing this product from an unauthorized KOBE dealer.
- Damaging the product due to negligence, misuse, abuse, or accident
If we determine that the warranty exclusions listed above applies or if you fail to provide all necessary documentation for warranty service, you will be responsible for all expenses associated with the requested service, including parts, labor, shipping, traveling, and any other expense related to the service request.
TO REQUEST WARRANTY SERVICE, PLEASE CONTACT KOBE RANGE HOODS SERVICE CENTER:
From the 48 contiguous states:
Email (best): [email protected]
Phone: 1-626-775-8880
Toll Free: 1-877-BUY-KOBE (289-5623)
From Alaska, Hawaii, and Canada:
Email (best): [email protected]
Phone: 1-626-775-8880
WARRANTY INFORMATION FORM
Fills in the blanks and keep this paper with the original invoice in a safe place for future service purpose.
- Date of purchase:
- Model No:
- Serial No:
For warranty service or spare parts purchase in US, contact:
KOBE Service Center
Email (best): [email protected]
Phone: 1-626-775-8880
Toll Free: 1-877-BUY-KOBE (289-5623)
For warranty service or spare parts purchase in Canada, contact:
Email (best): [email protected]
Phone: 1-626-775-8880
KOBE Range Hoods
11775 Clark Street
Arcadia, CA 91006 USA
This KOBE hood is made for use in the USA and CANADA only. We do not recommend using this hood overseas as the power supply may not be compatible and may violate the electrical code of that country. Using a KOBE hood overseas is at your own risk and will void your warranty
VER. 210901
Information subject to change without notice
























