SUMMIT SEH1524SS Range Hood Instruction
SAFETY WARNINGS
READ AND SAVE THESE INSTRUCTIONS
- This product is designed for domestic use.
- Electric input for the device must be 110-120V, 60Hz.
- A grounded cable is installed in your device. It must be connected to a grounded electrical socket.
- All electrical installations must be done by a qualified electrician. Installations done by unqualified people may result in poor performance, failure of the device, and accidents.
- Do not let the power cord become pinched or squeezed during installation. Keep the cord away from cooking surfaces; otherwise, the cord could melt and cause a fire.
- Do not connect the power cord before installation is complete.
- If the lights in your device have been on for a long time, do not touch them, they are hot enough to burn your hands.
- Kitchen hoods are designed for cooking in domestic residences. There is a risk of failure if they are used for other purposes, and this will void the warranty.
- Comply with local codes and regulations related to discharging air. (This warning does not apply to hoods without a stack).
- Do not cook flammable foods below the hood.
- Start the hood after placing pots or pans on your cooking surface. Otherwise, high temperatures may result in the deformation of parts of the hood.
- Do not leave hot oil on the cooking surface. Pots that contain hot oil can ignite, causing fires.
- When frying foods, be mindful of curtains. They may catch fire.
- Change the filters regularly. Oily residues could become fire risks.
- When replacing filters, always use the same type of filter as the original. Substitutes may be unsuitable.
- Do not use the device without a filter. Do not remove filters while the device is in use.
- If there is ignition or sparking, cut off the electric power to the device. (Turn off the switch.)
- If the device is not cleaned regularly, built-up grime and dirt could cause a fire.
- When you make the stack installation for your hood, use 5.9″ (150mm) diameter pipes. The stack installation must be as short and with as few bends as possible.
- Keep the packing materials away from children, as these materials could be dangerous to them.
- Ensure that children do not play with the device. Do not let little children use the device.
- If the electrical cable is defective, it must be changed by the manufacturer or a qualified service technician.
- If there is a fire, cut off the power to the hood and cooking devices and cover the flame. Do not use water to extinguish the fire.
- Do not operate any fan with a damaged cord or plug. Discard fan or return it to an authorized service facility for examination and/or repair.
- Do not run cord under carpeting. Do not cover cord with throw rugs, runners, or similar coverings. Do not route cord under furniture or appliances. Arrange cord away from traffic area and where it will not be tripped over.
GROUNDING INSTRUCTIONS
This appliance must be grounded. In the event of an electrical short circuit, grounding reduces the risk of electric shock by providing an escape wire for the electric current. This appliance is equipped with a cord having a grounding wire with a grounding plug. The plug must be plugged into an outlet that is properly installed and grounded.
WARNING – Improper grounding can result in a risk of electric shock.
Consult a qualified electrician if the grounding instructions are not completely understood, or if doubt exists as to whether the appliance is properly grounded. Do not use an extension cord. If the power supply cord is too short, have a qualified electrician install an outlet near the appliance.”
Use only with rangehood cord-connection kits that have been investigated and found acceptable for use with this model rangehood.”
WARNING! TO REDUCE THE RISK OF A RANGE-TOP GREASE FIRE:
- Never leave surface units unattended at high settings. Boil-overs cause smoking and greasy spillovers that may ignite. Heat oils slowly on low or medium settings.
- Always turn the hood ON when cooking at high heat or when flambéing food.
- Clean ventilating fans frequently. Grease should not be allowed to accumulate on fan or filters.
- Use proper pan size. Always use cookware appropriate for the size of the surface element.
WARNING! TO REDUCE THE RISK OF INJURY TO PERSONS IN THE EVENT OF A RANGE-TOP GREASE FIRE, OBSERVE THE FOLLOWING:
- SMOTHER FLAMES with a close-fitting lid, cookie sheet, or metal tray, then turn off the burner. BE CAREFUL TO PREVENT BURNS. If the flames do not go out immediately, EVACUATE AND CALL THE FIRE DEPARTMENT.
- NEVER PICK UP A FLAMING PAN – you may be burned.
- DO NOT USE WATER, including wet dishcloths or towels, to douse the fire – this could result in a violent explosion of hot steam.
- Use an extinguisher ONLY if:
- You know you have a Class ABC extinguisher, and you already know how to operate it.
- The fire is small and contained in the area where it started.
- The fire department is being called.
- You can fight the fire with your back to an exit.
WARNING! TO REDUCE THE RISK OF FIRE, ELECTRIC SHOCK, OR OTHER INJURY, OBSERVE THE FOLLOWING:
WARNING: Use this unit only in the manner intended by the manufacturer. If you have questions, contact the manufacturer.
- Before servicing or cleaning the unit, switch the power off at the service panel and lock the service-disconnecting means to prevent power from being switched on accidentally. If the service disconnecting means cannot be locked, securely fasten a prominent warning device, such as a tag, to the service panel.
- WARNING: To reduce the risk of fire or electric shock, do not use this fan with any solid-state speed control device.
CAUTION:
- WARNING: The fan in this device is for general ventilating use only. Do not use to exhaust hazardous or explosive materials and vapors.
- To reduce the risk of fire and to properly exhaust air, be sure to duct air outside. Do not vent exhaust air into spaces within walls, ceilings, attics, crawl spaces, or garages.
- WARNING: Use only metal ductwork.
WARNINGS ABOUT HANDLING AND CARRYING
- All the materials used in the packaging of your device are suitable for recycling.
- Comply with the warning labels on the packs during transportation.
- Grasp handling grips while carrying your device.
How to obtain the electronic version manual:www.summitappliance.com
LOCATION OF PARTS

- 120V Supply Cord
- Illumination
- Aluminum Cassette Filter
- Control Panel
- Body
- External Chimney
- Internal Chimney
- Ventilation
TECHNICAL SPECIFICATIONS
| Model | SEH1524SS SEH1530SS SEH1536SS |
| Voltage(V) | 120V |
| Lamp (W) | 2 x 5W LED |
| Control Type | Slide switch |
| Motor Power (W) | 310W |
| Capacity (CFM) | 400CFM ±10% |
| Motor Insulation Class | B |
| Insulation Class | CLASS I |
DIMENSIONAL DIAGRAM
WARNING! TO REDUCE THE RISK OF FIRE, USE ONLY METAL DUCTWORK.

INSTALLATION
CAUTION: During installation, persons installing the hood must wear heavy gloves to protect against sharp edges.
POSITIONING THE RANGE HOOD
Upon completion of installation, the distance between the hood and an electric rangetop must be a minimum of 26″ (65cm), and the distance between the hood and a gas rangetop must be a minimum of 30″ (75cm).

min. 30″ for gas ranges min. 26″ for electric ranges
PREPARING THE SITE WARNING – TO REDUCE THE RISK OF FIRE, ELECTRIC SHOCK, OR INJURY, OBSERVE THE FOLLOWING:
- Installation work and electrical wiring must be done by qualified personnel in accordance with all applicable codes and standards, including re-rated construction.
- Sufficient air is needed for proper combustion and exhausting of gases through the chimney of fuel-burning equipment to prevent back-drafting. Follow the range manufacturer’s guidelines and safety standards such as those published by the National Fire Protection Association (NFPA), the American Society for Heating, Refrigeration and Air Conditioning Engineers (ASHRAE), and the local code authorities.
- When cutting or drilling into a wall or ceiling, do not damage electrical wiring and other hidden utilities.
- Ducted fans must always be vented to the outdoors.
INSTALLING THE RANGE HOOD ON THE WALL
- DRILLING OF HANGING HOLES Confirm the installation position of the hood and install it according to the Figure at right.

- Open the holes on A, B,C,D points with 8 mm-sized drill bit.
- Open holes at points E and F with a 8mm sized drill bit in order to screw chimney assembly parts Refer to the chimney installation dimensions to fix the position of the chimney bracket.
- SCREWING OF WALL PLUGS Screw the Ø 8mm sized wall plugs into A, B,C,D holes for hanging screws. Screw the Ø 8mm sized wall plugs into E, F holes for chimney mounting parts.
- SCREWING OF HANGING SCREWS Screw the hanging screws into Ø 8mm sized wall plugs in A, B holes.
- There must be 5mm distance between the screw head and the wall.

- Screw the chimney mounting parts into Ø 8mm sized wall plugs on E,F points which are provided with your product.
- There must be 5mm distance between the screw head and the wall.
- MOUNTING THE PRODUCT ONTO WALL Hang the product by already mounted -L shaped- hanging the parts covering the body.

- Then fix the body on (A, B) holes to the wall using the screws.

- Fix the body onto the wall with a screw through the (C,D) holes that are located inside the body.

- Then fix the body on (A, B) holes to the wall using the screws.
NOTE: If the hood seems to be tilting, slightly loosen the screws that are used on the hanging parts at the top and straighten until the hood is vertical.
WARNING! TO REDUCE THE RISK OF FIRE, USE ONLY METAL DUCTWORK.

- Place metal chimneys over product body.

- Screw internal chimney on chimney fixing sheet, fixed over upper corner of external chimney.
Using your range hood For best performance, you should switch on the range hood 15 minutes before starting to cook and leave it to run for approximately 15 minutes after the end of cooking.
Control Panel
- Light switch
- Power switch
- Speed levels

To switch the hood light on or off. Slide the light switch (A) to operate the light. To switch on the hood or to change the speed at any time when the hood is running. Slide the power switch to the required position depending on the speed you require.
To switch the hood off. Slide the power switch to position (B) on the control panel.
EFFICIENT VENTILATION For proper ventilation, windows must be kept closed. Doors and windows opening to other rooms may be kept open.
IMPORTANT NOTE!
Pay attention when operating the hood simultaneously with devices that work by burning the ambient air with fuel (such as gas heaters). The burning may be affected because the hood discharges air in the room to the outside. This advice does not apply to hoods not having an outside exhaust.
CLEANING AND MAINTENANCE
- Disconnect the device prior to maintenance (cut off its power supply by turning off the switch).
- The aluminum cassette filter holds oils and dust from the air. The metal filter must be washed in hot soapy water every month, if possible, in the dishwasher at 140°F.
- To disassemble, press on the spring clamps at the edge of the cassette filter.(After cleaning, do not reassemble before drying.)

- Outer surfaces of the hood should be wiped with a cloth dampened with a solution of liquid detergent. Do not clean the unit with products containing corrosive substances.
- Avoid wetting switches or other electronic parts when cleaning with water or other liquids.
- When cleaning stainless steel surfaces, use products specifically made for this use.
Note: Aluminum filters may change color after several washings in the dishwasher. This is normal and does not affect the performance of the filter.
CARBON FILTER REPLACEMENT
Before replacing the round carbon filters, disconnect the power to your device. The carbon filters are located behind the metal filter, on the left and the right sides of the blower. First, take out the metal filter. To replace the carbon filters, remove the old ones from the device and mount the new ones as shown. In kitchens that do not have a chimney outlet, the carbon filter should be replaced every 3-5 months depending on usage.

REPLACEMENT OF LIGHTING COMPONENTS
Disconnect the hood. Remove the aluminum cassette filter. In order to change the 5W LED light, refer to the diagram below. (1) Press down on the back part of the lamp holder and (2) turn it counter-clockwise. Replace the old bulb with the new one. Turn in the reverse direction when installing a new bulb.
WARNING! Be sure the bulb is cool before trying to change it.

Note: Replacement bulbs can be purchased directly from SUMMIT by calling us at 1-800-932-4267 or by going to our website at www.summitappliance.com/support. Have the model number of your range hood handy.
MOVING THE HOOD
If you expect to have to move your range hood: * Keep original packaging. Move your hood using original packaging; comply with moving instructions printed on the packaging.
If you do not have original packaging:
- Do not put any load on the range hood.
- Avoid any possible impacts.
- Pack the hood in such a way as to prevent damage.
TROUBLESHOOTING
If hood does not operate, before contacting customer service: Be sure that the power cable is connected to the power supply and that the electric fuse for the installation is in good condition. Before contacting the service, check your hood according to the table below. If the problem continues, contact your dealer or authorized service center.
Troubleshooting Guide
| Check Electric connection. (Supply voltage should be 110-120V, hood should be connected to grounded socket.) | Check motor switch. (Motor switch should be in 1,2,3 position) | Check lamp switch. (Lamp switch should be in on position.) | Check aluminum filter. (Aluminum cassette filter should be washed once a month under normal conditions.) | Check bulbs. (Bulbs should be in good conditions.) | Check air outlet chimney. (Air outlet chimney should be open.) | Check carbon filter. (If it operates with carbon filter, carbon filter should be replaced quarterly.) | |
| Hood does not operate | X | X | |||||
| Illumination lamp does not illuminate | X | X | X | ||||
| Air suction of hood is weak | X | X | X | ||||
| It does not exhaust air(in the ambient without chimney) | X | X |
Service and Spare Parts You can obtain service advice and spare parts for your product directly from SUMMIT by calling us at 1-800-932-4267 or by going to our website at
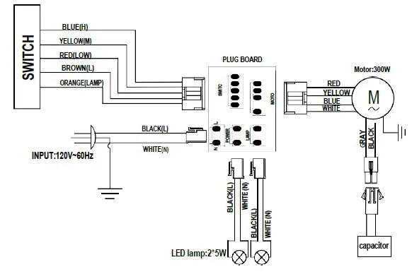
www.summitappliance.com/support Have the model number of your range hood handy. This can be found on the product label, which can be seen when you remove the aluminum cassette filter. An exploded view, parts list and wiring diagram for your unit can be found on the following pages of this manual.
EXPLODED VIEW

| Model | SEH1524SS | |
| Model No | 2190.8.579.01 | |
| Pos. | Part No. | |
| 1 | 0010800207 | Cassette aluminum filter |
| 2 | 0010108042 | Switch front panel |
| 3 | 0010108048 | Switch bracket |
| 4 | 0011405533 | Switch assembly |
| 5 | 0010900276 | Capacitor |
| 6 | 0010902116 | Power strip |
| 7 | 0010902447 | LED LAMP 5W |
| 8 | 0011405562 | Lamp holder assembly-with long wire |
| 9 | 0011405563 | Lamp holder assembly-with short wire |
| 10 | 0010101162 | Junction box |
| 11 | 0010800396 | Charcoal filter |
| 12 | 0011405534 | Blower assembly |
| 13 | 0011405537 | Main body |
| 14 | 0010902492 | Power cord |
| 15 | 0010201263 | Damper flap |
| 16 | 0010108117 | Metal protective case |
| 17 | 0011405536 | Screw bag assembly |
| 18 | 0010100709 | Chimney bracket |
| 19 | 0010105033 | External Chimney |
| 20 | 0010105032 | Internal Chimney |
| Model | SEH1530SS | |
| Model No | 2190.8.579.01 | |
| Pos. | Part No. | |
| 1 | 0010800394 | Cassette aluminum filter |
| 2 | 0010108054 | Switch front panel |
| 3 | 0010108048 | Switch bracket |
| 4 | 0011405539 | Switch assembly |
| 5 | 0010900276 | Capacitor |
| 6 | 0010902116 | Power strip |
| 7 | 0010902447 | LED LAMP 5W |
| 8 | 0011405564 | Lamp holder assembly-with long wire |
| 9 | 0011405565 | Lamp holder assembly-with short wire |
| 10 | 0010101162 | Junction box |
| 11 | 0010800396 | Charcoal filter |
| 12 | 0011405540 | Blower assembly |
| 13 | 0011405538 | Main body |
| 14 | 0010902492 | Power cord |
| 15 | 0010201263 | Damper flap |
| 16 | 0010108117 | Metal protective case |
| 17 | 0011405536 | Screw bag assembly |
| 18 | 0010100709 | Chimney bracket |
| 19 | 0010105033 | External Chimney |
| 20 | 0010105032 | Internal Chimney |
EXPLODED VIEW
| Model | SEH1536SS | |
| Model No | 2190.8.579.01 | |
| Pos. | Part No. | |
| 1 | 0010800395 | Cassette aluminum filter |
| 2 | 0010108062 | Switch front panel |
| 3 | 0010108048 | Switch bracket |
| 4 | 0011405542 | Switch assembly |
| 5 | 0010900276 | Capacitor |
| 6 | 0010902116 | Power strip |
| 7 | 0010902447 | LED LAMP 5W |
| 8 | 0011405566 | Lamp holder assembly-with long wire |
| 9 | 0011405567 | Lamp holder assembly-with short wire |
| 10 | 0010101162 | Junction box |
| 11 | 0010800396 | Charcoal filter |
| 12 | 0011405501 | Blower assembly |
| 13 | 0011405543 | Main body |
| 14 | 0010902492 | Power cord |
| 15 | 0010201263 | Damper flap |
| 16 | 0010108117 | Metal protective case |
| 17 | 0011405536 | Screw bag assembly |
| 18 | 0010100709 | Chimney bracket |
| 19 | 0010105033 | External Chimney |
| 20 | 0010105032 | Internal Chimney |
WIRING DIAGRAM

























