TE connectivity EMC6 Single Phase Filters

- Compact dual stage filter series
- Cost-effective design
- Current rating up to 30A
- High differential mode attenuation in the lower frequency range
- High common mode performance
- Suitable for switching mode power supplies
Ordering Information
Specifications
Maximum leakage current each Line to Ground:
3. 6. l0A 15. 20. 30A
@ 120 VAC 60 Hz: .21 mA .73 mA
@250 VAC 50 Hz: .43 mA 1.52 mA
Hipot rating (one minute):
Line to Ground: 2250 VDC
Line to Line: 1450 VDC
Rated Voltage (max): 250 VAC
Operating Frequency: 50/60 Hz
Rated Current: 3 to 30A
Operating Ambient Temperature Range (at rated current Ir): -10°C to +40°C
In an ambient temperature (Ta) higher than +40°C the maximum operating current (10) is calculated as follows: 10 = Ir ✓(85-Ta)/45
Electrical Schematic
Available Part Numbers-
EMC Series
Case Styles
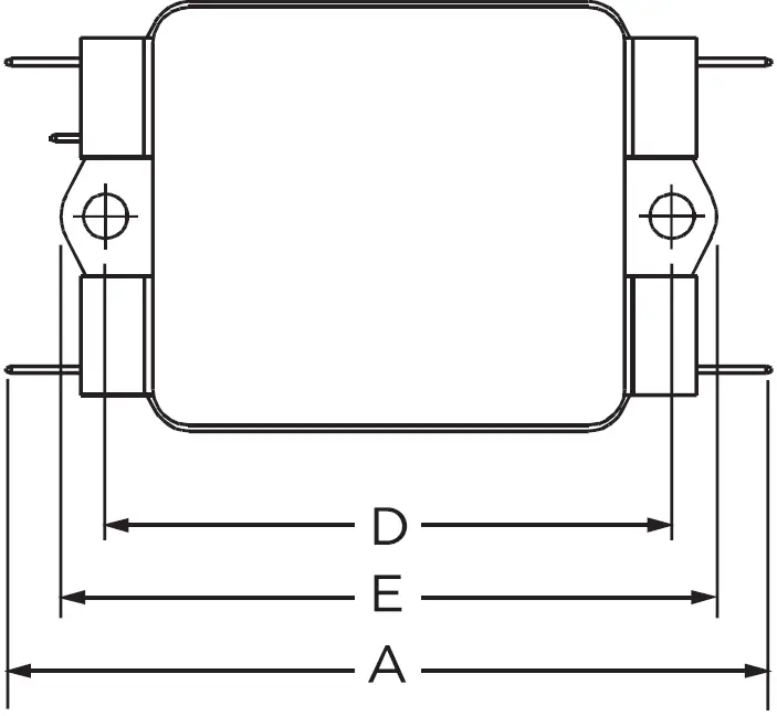
EMCl
Typical Dimensions:
Line/Load Terminals (4): .250 [6.3] with .07 [1.8] Dia. hole
Ground Terminal (1): .250 [6.3] with .07 x .16 [1.8 x 3.8] slot
Mounting Holes (2): .187 ±.008 [4.75 ±.20] Dia.
EMC3
Typical Dimensions:
Wire leads (5): 4.0 [101.6] Min., AWG18 (AWG16 for 15A)
Mounting Holes (2): .187 ±.008 [4.75 ±.20] Dia.-
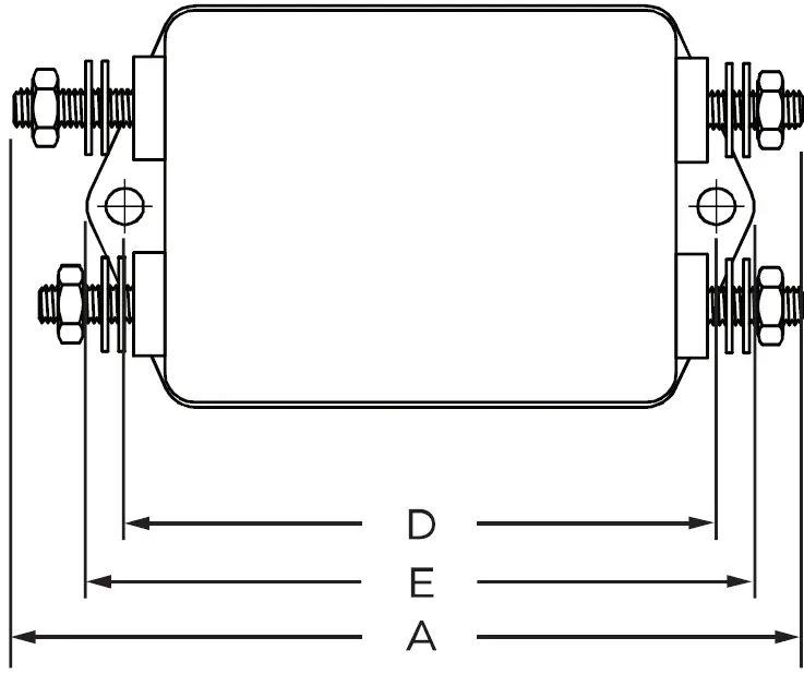
EMC6 
Typical Dimensions:
Terminals (5): 8-32, Torque 18 lbf-in. [2.03 N-m] max.± 2 [.22]
Mounting Holes (4): .187 ±.008 [4.75 ±.20] Dia.
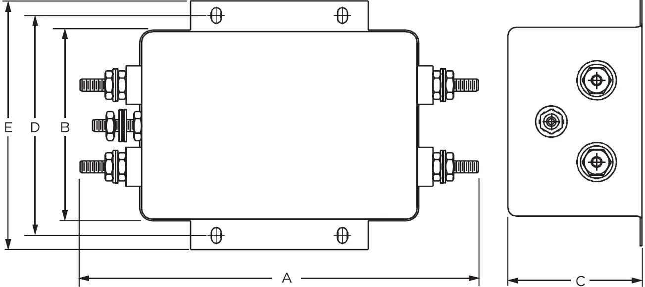
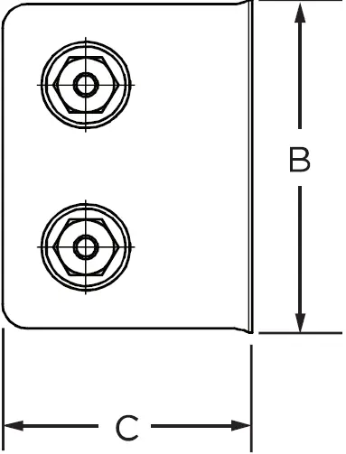
30EMC6
Typical Dimensions:
Terminals (5): 10-32, Torque 27 lbf-in. [3.05 N-m] max.± 3 [.34]
Mounting Slots (4): .203 x .156 [5.16 x 3.96]
Case Dimensions
Part No A B C D
| (max) | (max) | (max) | (max) | (max) |
| 3EMC1 3.35 | 1.81 | 1.16 | 2.375 | 2.78 |
| 85.1 | 46 | 29.5 | 60.3 | 70.6 |
| 6EMC1 3.85 | 2.07 | 1.16 | 2.938 | 3.35 |
| 97.8 | 52.6 | 29.5 | 74.6 | 85.1 |
| lOEMCl 3.85 | 2.07 | 1.53 | 2.938 | 3.35 |
| 97.8 | 52.6 | 38.91 | 74.6 | 85.1 |
| 15EMC1 4.97 | 2.25 | 1.78 | 4.063 | 4.46 |
| 20EMC1 126.2 | 57.2 | 45.2 | 103.2 | 113.3 |
| 2.07 | 1.81 | 1.16 | 2.375 | 2.78 |
| 52.6 | 46 | 29.5 | 60.3 | 70.6 |
| 6EMC3 2.56 | 2.07 | 1.16 | 2.938 | 3.35 |
| 65 | 52.6 | 29.5 | 74.6 | 85.1 |
| 2.56 | 2.07 | 1.53 | 2.938 | 3.35 |
| 10EMC3 65 | 52.6 | 38.9 | 74.6 | 85.1 |
| 15EMC3 3.69 | 2.25 | 1.78 | 4.063 | 4.47 |
| 93.7 | 57.2 | 45.2 | 103.2 | 113.5 |
| 10EMC6 3.94 | 2.07 | 1.53 | 2.938 | 3.35 |
| 99.9 | 52.6 | 38.9 | 74.6 | 85.1 |
| 15EMC6 5.09 | 2.25 | 1.78 | 4.063 | 4.47 |
| 20EMC6 129.3 | 57.2 | 45.2 | 103.2 | 113.5 |
| 30EMC6 6.05 | 3.12 | 2.18 | 3.5 | 3.96 |
| 153.7 | 79.2 | 55.4 | 88.9 | 100.6 |
Performance Data
Typical Insertion Loss
Measured in closed 50 Ohm system
3EMC
6EMC
10EMC
15EMC
20EMC
30EMC 
Minimum Insertion Loss
- Common Mode/ Asymmetrical (Line to Ground)

- Differential Mode/ Symmetrical (Line to Line)



















