Contents hide
HAVIT Lighting Lisse Wall Light

Product Specifications
| Product Specifications | ||||
| Model No. | HV3641T-BLK-12V | HV3641T-WHT-12V | HV3642T-BLK-12V | HV3642T-WHT-12V |
| Name | Lisse | |||
| Material | Aluminium | |||
| Colour | Black | White | Black | White |
| IP Rating | IP54 | |||
| Input Voltage | 12v DC | |||
| Lamp Base | Built in LED | |||
| Lamp Wattage | 1x 4w | 2x 3w | ||
| Colour Temp | TRI Colour – 3000k, 4000k, 5500k | TRI Colour – 3000k, 4000k, 5500k | ||
| Lumens | 240lm, 250lm, 260lm | 2x 180lm, 2x 187lm, 2x 195lm | ||
| CRI | > 80 | |||
| Wiring | Parallel | |||
| Dimmable | No | |||
| Warranty | 2 Years Replacement* | |||
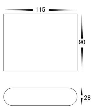
HV3641 Dimensions

HV3642
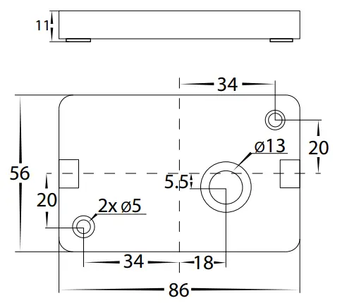
Mounting Base Diagram
Important Safety Issues
- This product must be installed by a qualified electrician according to AS/NZS 3000.
- Ensure all electrical mains are disconnected before any installation.
- Do not exceed maximum wattage restrictions for globes: 240V GU10 = 35w / 12V MR16 = 20w
- Modification of this product will void any warranty.
- Havit Lighting does not take responsibility for wrong installation, incorrect use, or use of installation material that does not belong to the system.
- When installing low voltage fittings, Voltage to fitting must be within +or- 5% of voltage required, if not within this allowance warranty will be voided.
- Aluminium and 304SS fittings must not be installed within 2km of any salt water environments.
- When installing copper fittings, gloves must be worn to avoid any oils transferring to fitting.
- All 316 stainless steel fittings must have regular cleaning maintenance to avoid any tea staining from forming on fitting. (Warranty does not cover Tea Staining)
- All o-rings and seals must be in place correctly to maintain warranty.
- These instructions may be updated at any time due to product improvements, Please visit website for most current installation instructions.
Steps for Installation
- Make sure that the electrical circuit is free of voltage (master switch off)
- Loosen allen screws on side of base and seperate mounting bracket from fitting.
- Install the backing plate securely using appropiate screws for application, Seal all holes in the backing plate including cable entry and screw holes. Failure to do so will void warranty.
- Connect the cable – use wire with earth; connect the earth first, then live and neutral wire
- Affix the fiiting to the mounting bracket and tighten allen screws, making sure these are tight to avoid any water penetration.
- Apply silicon seal around the whole base plate to avoid any water getting into electrical connections.
- Colour temperature and wattage is preset to 3000k and 7w, to change remove cover from fitting by twisting anti clockwise and set aside. Remove globe and select desired colour temperature and wattage by moving switches on side of globe and reinsert globe into lampholders.
- Reattach cover by turning clockwise making sure the seals are still in place and caps are tight to avoid any water penetration.
- Adjust fitting to desired position making sure to stop rotating when fitting cannot rotate anymore, If forced fitting will continue to rotate and cause internal cables to become entangled causing fitting to short. If this is done, warranty will be voided.
- All connections must be carried out carefully, inspect all contacts before switching back on the electric circuit
Must be installed by a licensed electrician
Contact Details:
143 Beauchamp Road Matraville NSW 2036 Australia
- Tel: 02 9381 8300
- Fax: 02 9666 8881
- Email: [email protected]
- Web: www.havit.com.au
Warranty Terms & Conditions

Additional Information

Tivah Single Adjustable 5w GU10 Installation Instructions Dimensions
Product Specifications
| Product Specifications | ||||
| Model No. | HV3641T-BLK-12V | HV3641T-WHT-12V | HV3642T-BLK-12V | HV3642T-WHT-12V |
| Name | Lisse | |||
| Material | Aluminium | |||
| Colour | Black | White | Black | White |
| IP Rating | IP54 | |||
| Input Voltage | 12v DC | |||
| Lamp Base | Built in LED | |||
| Lamp Wattage | 1x 4w | 2x 3w | ||
| Colour Temp | TRI Colour – 3000k, 4000k, 5500k | TRI Colour – 3000k, 4000k, 5500k | ||
| Lumens | 240lm, 250lm, 260lm | 2x 180lm, 2x 187lm, 2x 195lm | ||
| CRI | > 80 | |||
| Wiring | Parallel | |||
| Dimmable | No | |||
| Warranty | 2 Years Replacement* | |||
HV3641 Dimensions

HV3642
Mounting Base Diagram
Important Safety Issues
- This product must be installed by a qualified electrician according to AS/NZS 3000.
- Ensure all electrical mains are disconnected before any installation.
- Do not exceed maximum wattage restrictions for globes: 240V GU10 = 35w / 12V MR16 = 20w
- Modification of this product will void any warranty.
- Havit Lighting does not take responsibility for wrong installation, incorrect use, or use of installation material that does not belong to the system.
- When installing low voltage fittings, Voltage to fitting must be within +or- 5% of voltage required, if not within this allowance warranty will be voided.
- Aluminium and 304SS fittings must not be installed within 2km of any salt water environments.
- When installing copper fittings, gloves must be worn to avoid any oils transferring to fitting.
- All 316 stainless steel fittings must have regular cleaning maintenance to avoid any tea staining from forming on fitting. (Warranty does not cover Tea Staining)
- All o-rings and seals must be in place correctly to maintain warranty.
- These instructions may be updated at any time due to product improvements, Please visit website for most current installation instructions.
Steps for Installation
- Make sure that the electrical circuit is free of voltage (master switch off)
- Loosen allen screws on side of base and seperate mounting bracket from fitting.
- Install the backing plate securely using appropiate screws for application, Seal all holes in the backing plate including cable entry and screw holes. Failure to do so will void warranty.
- Connect the cable – use wire with earth; connect the earth first, then live and neutral wire
- Affix the fiiting to the mounting bracket and tighten allen screws, making sure these are tight to avoid any water penetration.
- Apply silicon seal around the whole base plate to avoid any water getting into electrical connections.
- Colour temperature and wattage is preset to 3000k and 7w, to change remove cover from fitting by twisting anti clockwise and set aside. Remove globe and select desired colour temperature and wattage by moving switches on side of globe and reinsert globe into lampholders.
- Reattach cover by turning clockwise making sure the seals are still in place and caps are tight to avoid any water penetration.
- Adjust fitting to desired position making sure to stop rotating when fitting cannot rotate anymore, If forced fitting will continue to rotate and cause internal cables to become entangled causing fitting to short. If this is done, warranty will be voided.
- All connections must be carried out carefully, inspect all contacts before switching back on the electric circuit
Steps for Changing Globe
- Remove the cover by twisting anti-clockwise and set aside, remove globe by also twisting anti-clockwise.
- Re-insert the appropriate globe by inserting the 2 circular pins into the lampholder and twisting clockwise.(Make sure not to exceed max wattage, see product label for correct info)
- Reattach cover by turning clockwise making sure the seals are still in place and caps are tight to avoid any water penetration
Must be installed by a licensed electrician
Contact Details:
143 Beauchamp Road Matraville NSW 2036 Australia
- Tel: 02 9381 8300
- Fax: 02 9666 8881
- Email: [email protected]
- Web: www.havit.com.au
Warranty Terms & Conditions

Additional Information




















