7KT0310 SMART 7KT Power Monitoring Devices
MANUAL
SMART 7KT
Multifunction meter
7KT0310
SMART 7KT power monitoring devices

Introduction
1.1 Purpose of this document
This present manual describes the SMART 7KT multifunction meter.
It is intended for the use of:
• Planners
• Plant operators
• Commissioning engineers
• Service and maintenance personnel
1.2 Required basic knowledge
A general knowledge of the field of electrical engineering is required to understand this manual.
Knowledge of the relevant safety regulations and standards is required for installing and connecting the device.
1.3 Components of the product
The carton for the products contain
1 SMART 7KT meter
1 set of clamps (4 clamps) for mounting the meter on the panel door
1 Gasket
1 Operating instruction

Safety precautions
Please read and understand these instructions before installing, operating, or maintaining the equipment. | |
| DANGER Hazardous voltage. Will cause death or serious injury. Turn off and lock out all power supply to this device before working on this device. Replace all covers before power supplying this device is turned on. |
All safety related codifications, symbols and instructions that appear in this operating manual or on the equipment must be strictly followed to ensure the safety of the operating personnel as well as the instrument. If the equipment is not used in a manner specified by the manufacturer it might impair the protection provided by the equipment.
Do not use the equipment if there is any mechanical damage.
Ensure that the equipment is supplied with correct voltage.
|
Technical specification
Display
| Type and specifics | • Large backlit Liquid Crystal display • 4 Lines with 4 digits each to show measured values • 5th Line with 8 digits to show energy values • Graph for current loading indication |
| Size of display (mm x mm) | 60.3 mm x 60.3 mm |
| LCD Indications | Integration of energy Unit is in configuration menu Communication in progress Maximum and Minimum Demand Power |
| Display update time | 1 sec. for all parameters |
| Display scrolling | Automatic or Manual (Programmable) |
| Password protected | Yes |
| Wiring input | 3 Ø – 4 wire, 3 Ø – 3 wire, 1 Ø – 2 wire |
| Measuring inputs | |
| Rated input voltage | 11 to 300V AC (L-N); 19 to 519V AC (L-L); Installation Category III (600V) |
| Frequency range | 45-65 Hz |
| Rated input current | Nominal 1A / 5A AC (Min-11mA , Max-6A for 5A) |
| Auxiliary supply | 95V to 240V AC, ±10%, 50/60Hz (±5%) |
| Memory (behaviour in the event of power failure) | Retains all energy values, On hours counter value and configuration settings in case of power failure |
| CT/PT Settings | |
| CT Type | Measurement C.T, FS 10 |
| CT Primary | 1A / 5A to 10,000A (Programmable for any Value) • 1A to 10,000A when CT secondary is 1 • 5A to 10,000A when CT secondary is 5 |
| CT Secondary | 1A or 5A (Programmable) |
| Burden | 0.5 VA@5A per phase |
| PT Primary | 100V to 500kV (Programmable for any value) |
| PT Secondary | 100V to 500V AC (L-L) (Programmable for any value) |
| Power consumption | Less than 8VA |
| Environmental conditions | • Temperature (Operating): -10°C to 55°C • Temperature (Storage): -20°C to 75°C • Humidity: Up to 85% non-condensing • Altitude: of up to 2000 meters • Indoor use • Pollution degree II |
| Mounting | Panel-door mounting |
| Protection Class | II |
| Degree of protection according to IEC 60529 | Front: IP 65 (when mounted on the panel door) Rear: IP20 |
| Overvoltage Category | III |
| Dimensions and weight | L x B x D: 96 x 96 x 55 mm Weight: 360 gms |
| Digital Input | |
| Number | 1 |
| Input voltage | Maximum input voltage: 28 V DC Switching threshold for signal “1“ >__ V DC |
| Input current | For signal “1”: typ __mA |
Measured variables
| Measured variable | On display | On communication |
| Voltage V L-N, V L-L | ● | ● |
| Current | ● | ● |
| Neutral current | ● | ● |
| Frequency | ● | ● |
| Power factor | ● | ● |
| Active power | ● | ● |
| Reactive power | ● | ● |
| Apparent power | ● | ● |
| Active energy (Import, Export, Total) | ● | ● |
| Reactive energy (Import, Export, Total) | ● | ● |
| Apparent energy | ● | ● |
| Max demand (current) over set demand period | ● | ● |
| Max demand (active, reactive and apparent power) over set demand period | ● | ● |
| Phase angle of 3 phases | ● | – |
| THD% (Current) | ● | ● |
| THD% (Voltage) | ● | ● |
| Individual harmonics (Current) | – | ● |
| Individual harmonics (Voltage) | – | ● |
–: Not there
●: Available
Measuring accuracy

When measuring on external current transformers or voltage
transformers, the accuracy of the measurement depends on the
quality of the transformer
IEC Standards
| Description | Standard |
| Energy accuracy | IEC 62053-21 | Active energy |
| EMC requirements | IEC 61326-1: 2012 |
| Degree of protection test (IP) | IEC 60529 |
| Safety requirements | IEC 61010-1:2010 and IEC 61010-2-030:2010 |
| Vibration and mechanical shock | IEC 62052-11 |
Certifications
SMART 7KT multifunction meter conforms to IEC
standards, IPC electronics assembly standard and
Assembly
For installing the meter
Prepare the panel cutout with proper dimensions as shown below.

Note: Terminal screw tightening torque: 0.7 N-m to 0.8 N-m (6 In-Lb to 7 In-Lb)
Mounting distance
The distance to be maintained between two meters while
mounting on a panel door should be at least 100 mm.

Installation Guidelines
- This equipment, being built-in-type, normally becomes a part of main control panel and in such case the terminals do not remain accessible to the end user after installation and internal wiring.
- Conductors must not come in contact with the internal circuitry of the equipment or else it may lead to a safety hazard that may in turn endanger life or cause electrical shock to the operator.
- Circuit breaker or mains switch must be installed between power source and supply terminals to facilitate power ‘ON’ or ‘OFF’ function. However this switch or breaker must be installed in a convenient position normally accessible to the operator.
- Before disconnecting the secondary of the external current transformer from the equipment, make sure that the current transformer is short circuited to avoid risk of electrical shock and injury.
- The equipment shall not be installed in environmental conditions other than those mentioned in this manual.
- The equipment does not have a built-in-type fuse. Installation of external fuse of rating 275V AC / 0.5Amp for electrical circuitry is highly recommended.
- Remove the scratch-guard from the meter display during commissioning of the panel.
Wiring Guidelines
- To prevent the risk of electric shock, power supply to the equipment must be kept OFF while doing the wiring arrangement.
- Wiring shall be done strictly according to the terminal layout. Confirm that all connections are correct.
- Use lugged terminals.
- To reduce electromagnetic interference use of wires with adequate ratings and twists of the same in equal size shall be made with shortest connections.
- Layout of connecting cables shall be away from any internal EMI source.
- Cable used for connection to power source, must have a cross-section of 1mm2 to 2.5mm2.These wires shall have current carrying capacity of 6A.
- Copper cable should be used (Stranded or Single core cable).
For demounting the meter
Pull the arm of the sliding clamps in outward direction (opposite to meter) and drag the sliding clamps away from the panel.

Dis-assemble the snap fitted base clamps from the meter using a screw-driver

Push the meter from back side out of the panel window and remove the gasket from the meter

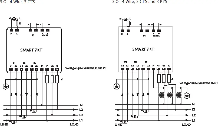
Connection

Circuit Diagram

Circuit Diagram (Continued)

Configuration
There are 4 dedicated keys labelled as F1, F2, F3, F4. Use these 4 keys to read meter
parameters. Simply press these keys to read the parameters.
The keys have multiple assignments. Function assignments and key labeling change
according to the context of operator input.
A short press on the key triggers the function once. Holding the key down for longer
switches on the autorepeat function after approximately 1 s. The function of the key is
triggered repeatedly while the key is held down. Autorepeat is useful, for example, for
fast incrementing of values when parameterizing the device.
For reading serial number
Press F3 key for 5 sec. to display 8-digit serial number only for 5 sec. at 5th line of display
Automatic / manual mode
Press F4 key for 3 seconds to toggle between Automatic and Manual mode.
Note: By default, unit operates in automatic mode.
In automatic mode online pages scroll automatically at the rate of 5 seconds per page.
In automatic mode when any key is pressed, unit temporarily switches to manual mode and the appropriate page is displayed. If any key is not pressed for 5 sec, unit resumes automatic mode.
Password to start configuration
When the meter is brought into the configuration mode by pressing keys F3+F4, the first page that is displayed is the password page which shows the password 0000. Enter the password 1000 which is the default factor-set password by pressing the F1 key to move curser left or right by one digit at a time and F2 or F3 keys for increasing or decreasing parameter values. After you enter the password of 1000, press F4 key to go to the next page which is the password change page and continue with parameterization.
For the configuration setting mode
Press F3 + F4 keys for 3 seconds to enter or exit from the Configuration menu.
Use F1 key to move curser left or right by one digit at a time
Use F2 or F3 keys for increasing or decreasing parameter values
Press F2+F4 key to go back to previous page
Parameterization with function keys
| Config. page | Function | Range or Selection | Factory Setting |
| Password | 0000 to 9998 | 1000 | |
| 1 | Change Password | No / Yes | No |
| 1.1 | New Password | 0000 to 9998 | 1000 |
| 2 | Network Selection | 3P4W, 3P3W, 1P2W-P1, 1P2W-P2 and 1P2W-P3 | 3P4W |
| 3 | CT Secondary | 1A or 5A | 5 |
| 4 | Ct Primary | 1A, 5A to 10,000A | 5 |
| 5 | Pt Secondary | 100V to 500V | 350 |
| 6 | Pt primary | 100V to 500kV | 350 |
| 7 | Slave Id | 1 to 255 | 1 |
| 8 | Baud Rate | 300, 600, 1200, 2400, 4800, 9600 and 19200 (bps) | 9600 |
| 9 | Parity | None, Odd, Even | None |
| 10 | Stop Bit | 1 or 2 | 1 |
| 11 | Back Light | 0 to 7200 sec. | 0 |
| 12 | Demand interval method | Sliding / Fixed | Sliding |
| 13 | Demand interval duration | 1 to 30 | 15 |
| 14 | Demand interval length | 1 to 30 min | 1 |
| 15 | Max Page Auto | 1 to 22 | 22 |
| 16 | Change Page Sequence | No / Yes | No |
| 16.01 | Page sequence 1 | 1 to 22 | 1 |
| 16.02 | Page sequence 2 | 1 to 22 | 2 |
| 16.03 | Page sequence 3 | 1 to 22 | 3 |
| 16.04 | Page sequence 4 | 1 to 22 | 4 |
| 16.05 | Page sequence 5 | 1 to 22 | 5 |
| 16.06 | Page sequence 6 | 1 to 22 | 6 |
| 16.07 | Page sequence 7 | 1 to 22 | 7 |
| 16.08 | Page sequence 8 | 1 to 22 | 8 |
| 16.09 | Page sequence 9 | 1 to 22 | 9 |
| 16.1 0 | Page sequence 10 | 1 to 22 | 10 |
| 16.11 | Page sequence 11 | 1 to 22 | 11 |
| 16.12 | Page sequence 12 | 1 to 22 | 12 |
| 16.13 | Page sequence 13 | 1 to 22 | 13 |
| 16.14 | Page sequence 14 | 1 to 22 | 14 |
| 16.15 | Page sequence 15 | 1 to 22 | 15 |
| 16.16 | Page sequence 16 | 1 to 22 | 16 |
| 16.17 | Page sequence 17 | 1 to 22 | 17 |
| 16.18 | Page sequence 18 | 1 to 22 | 18 |
| 16.19 | Page sequence 19 | 1 to 22 | 19 |
| 16.2 0 | Page sequence 20 | 1 to 22 | 20 |
| 16.21 | Page sequence 21 | 1 to 22 | 21 |
| 16.22 | Page sequence 22 | 1 to 22 | 22 |
| 17 | Factory default | No / Yes | No |
| 18 | Reset energy and MAX demand | No / Yes | No |
| 18.1 | Password | 0001 to 9999 | 1001 |
| 18.011) | Reset active energy | No / Yes | No |
| 18.02 | Reset reactive energy | No / Yes | No |
| 18.03 | Reset apparent energy | No / Yes | No |
| 18.04 | Reset MAX | No / Yes | No |
| 18.05 | Reset ON hour | No / Yes | No |
NETWORK SELECTION and WIRING INPUT
| Network selection in configuration mode | Wiring |
| 3P4W | 3P4W, 2P3W |
| 3P3W | 3P3W |
| 1P2W (P1/P2/P3) | 1P2W (P1/P2/P3) |
Note: P1, P2 and P3 are Three Phase.
1) For resetting energy parameters user will be prompted the
password. If correct password is entered, the user will be able to
reset all energy parameters. This password will be value which
will be greater than the configuration password by 1.
Reading of parameters
Key Press
| Key Press | Screen number | Description |
Press F1 to navigate to each screen | 1 | Displays line to neutral voltage of three phase and average line to neutral voltage. |
| 2 | Displays line to line voltage of three phase and average line to line voltage. | |
| 3 | Displays total percentage harmonics of line to neutral voltage of three phase and average line to neutral voltage. | |
| 4 | Displays total percentage harmonics of line-to-line voltage of three phase and average line to line voltage. | |
| 5 | Displays phase current of three phase and neutral current. | |
| 6 | Displays phase maximum current demand of three phase and average current. | |
| 7 | Displays total percentage harmonic of current of three phase and average phase current. | |
| Note: 1) For 3 Ø 3 wire system, only second, fourth, fifth, sixth and seventh screens will be available. Displays average current instead of neutral current on screen number 5. 2) For 1 Ø 2 wire system, only first, third, fifth sixth and seventh screens will be available. | ||
Press F2 to navigate to each screen | 1 | Displays voltage, current, power factor of fi rst phase and frequency. |
| 2 | Displays voltage, current, power factor of second phase and frequency. | |
| 3 | Displays voltage, current, power factor of third phase and frequency. | |
| 4 | Displays average value of voltage, current and power factor of three phase and frequency. | |
| Note: 1) For 3 Ø 3 wire system, voltage, current, power factor and frequency will be line to line. 2) For 1 Ø 2 wire system, only fi rst, third, fi fth sixth and seventh screens will be available. | ||
Press F3 to navigate to each screen | 1 | Displays power factor of three phase and average power factor. |
| 2 | Displays phase angle of three phase and average angle | |
| 3 | Displays active power of three phase and total active power. | |
| 4 | Displays reactive power of three phase and total reactive power. | |
| 5 | Displays apparent power of three phase and total apparent power. | |
| 6 | Displays active, reactive, apparent power and power factor of fi rst phase. | |
| 7 | Displays active, reactive, apparent power and power factor of second phase. | |
| 8 | Displays active, reactive, apparent power and power factor of third phase. | |
| 9 | Displays total active, reactive, apparent power and average power factor of three phase. | |
| 10 | Displays maximum active power demand, reactive power demand and apparent power demand. | |
| 11 | Displays minimum active power demand and reactive power demand. | |
| Note: 1) For 3 ø 3 wire system, only average power factor and average angle will be available on screen number 2. 2) For 3 Ø 3 wire system only ninth, tenth and eleventh screen will be available. 3) In 1Ø 2 wire system only fi rst, second, third, fourth, fi fth, sixth, ninth, tenth, eleventh screen will be displayed. | ||
Press F4 to navigate to each screen. The energy values will be visible on the 5th line of the screen | 1 | Displays import active energy of fi rst phase. |
| 2 | Displays import active energy of second phase. | |
| 3 | Displays import active energy of third phase. | |
| 4 | Displays export active energy of fi rst phase. | |
| 5 | Displays export active energy of second phase. | |
| 6 | Displays export active energy of third phase. | |
| 7 | Displays total import active energy of three phase. | |
| 8 | Displays total export active energy of three phase. | |
| 9 | Displays total net active energy of three phase. | |
| 10 | Displays import reactive energy of fi rst phase. | |
| 11 | Displays import reactive energy of second phase. | |
| 12 | Displays import reactive energy of third phase. | |
| 13 | Displays export reactive energy of fi rst phase. | |
| 14 | Displays export reactive energy of second phase. | |
| 15 | Displays export reactive energy of third phase. | |
| 16 | Displays total import reactive energy of three phase. | |
| 17 | Displays total export reactive energy of three phase. | |
| 18 | Displays total net reactive energy of three phase. | |
| 19 | Displays apparent energy of first phase. | |
| 20 | Displays apparent energy of second phase. | |
| 21 | Displays apparent energy of third phase. | |
| 22 | Displays total net apparent energy of three phase. | |
| 23 | Displays ON hour | |
| Note: 1) For 3 Ø 3 wire system only seventh, eighth, ninth, sixteenth, seventeenth, eighteenth, twenty second and twenty third screens will be available. 2) In 1Ø 2 wire system first, fourth, seventh, eighth, ninth, tenth, thirteenth, sixteenth, seventeenth, eighteenth, nineteenth, twenty second and twenty third screens will be available. | ||
Communication
Protocol and interface
Protocol: Modbus RTU
Interface: Integrated RS485 interface
Communication parameters
Communication address 1 to 255
Transmission mode Half duplex
Data types Float and Integer
Transmission distance 500m maximum
Transmission Speed 300, 600, 1200, 2400, 4800,
9600, 19200 (in bps)
Parity None, Odd, Even
Stop bits 1 or 2
Response Time 100ms Max & Independent, at
Baud rate
Modbus register addresses list
Address Hex Address Parameter
30000 0x00 Voltage V1N
30002 0x02 Voltage V2N
30004 0x04 Voltage V3N
30006 0x06 Average Voltage LN
30008 0x08 Voltage V12
30010 0x0A Voltage V23
30012 0x0C Voltage V31
30014 0x0E Average Voltage LL
30016 0x10 Current I1
30018 0x12 Current I2
30020 0x14 Current I3
30022 0x16 Average Current
30024 0x18 kW1
30026 0x1A kW2
30028 0x1C kW3
30030 0x1E kVA1
30032 0x20 kVA2
30034 0x22 kVA3
30036 0x24 kVAr1
Address Hex Address Parameter
30038 0x26 kVAr2
30040 0x28 kVAr3
30042 0x2A Total KW
30044 0x2C Total KVA
30046 0x2E Total KVAr
30048 0x30 PF1
30050 0x32 PF2
30052 0x34 PF3
30054 0x36 Average PF
30056 0x38 Frequency
30058 0x3A Total net kWh
30060 0x3C Total net kVAh
30062 0x3E Total net kVArh
30064 0x40 kW Max Active Power
30066 0x42 kW Min Active Power
30068 0x44 kVAr Max Reactive Power
30070 0x46 kVAr Min Reactive Power
30072 0x48 kVA Max Apparent Power
30084 0x54 kWh1 (Imp)
Address Hex Address Parameter
30086 0x56 kWh2 (Imp)
30088 0x58 kWh3 (Imp)
30090 0x5A kWh1 (Exp)
30092 0x5C kWh2 (Exp)
30094 0x5E kWh3 (Exp)
30096 0x60 Total kWh (Imp)
30098 0x62 Total kWh (Exp)
30100 0x64 kVArh1 (Imp)
30102 0x66 kVArh2 (Imp)
30104 0x68 kVArh3 (Imp)
30106 0x6A kVArh1 (Exp)
30108 0x6C kVArh2 (Exp)
30110 0x6E kVArh3 (Exp)
30112 0x70 Total kVArh (Imp)
30114 0x72 Total kVArh (Exp)
30122 0x7A Neutral Current
30124 0x7C THD of 1st Phase Voltage
30126 0x7E THD of 2nd Phase Voltage
30128 0x80 THD of 3rd Phase Voltage
30130 0x82 THD of Voltage V12
30132 0x84 THD of Voltage V23
30134 0x86 THD of Voltage V13
30136 0x88 THD of Current I1
30138 0x8A THD of Current I2
30140 0x8C THD of Current I3
30143 08F 2nd Harmonic of V1N
30145 091 3rd Harmonic of V1N
30147 093 4th Harmonic of V1N
30149 095 5th Harmonic of V1N
30151 097 6th Harmonic of V1N
30153 099 7th Harmonic of V1N
30155 09B 8th Harmonic of V1N
30157 09D 9th Harmonic of V1N
30159 09F 10th Harmonic of V1N
30161 0A1 11th Harmonic of V1N
30163 0A3 12th Harmonic of V1N
30165 0A5 13th Harmonic of V1N
30167 0A7 14th Harmonic of V1N
30169 0A9 15th Harmonic of V1N
30171 0AB 16th Harmonic of V1N
30173 0AD 17th Harmonic of V1N
30175 0AF 18th Harmonic of V1N
30177 0B1 19th Harmonic of V1N
30179 0B3 20th Harmonic of V1N
30181 0B5 21st Harmonic of V1N
30183 0B7 22nd Harmonic of V1N
30185 0B9 23rd Harmonic of V1N
30187 0BB 24th Harmonic of V1N
30189 0BD 25th Harmonic of V1N
30191 0BF 26th Harmonic of V1N
Address Hex Address Parameter
30193 0C1 27th Harmonic of V1N
30195 0C3 28th Harmonic of V1N
30197 0C5 29th Harmonic of V1N
30199 0C7 30th Harmonic of V1N
30201 0C9 31st Harmonic of V1N
30203 0CB 2nd Harmonic of V2N
30205 0CD 3rd Harmonic of V2N
30207 0CF 4th Harmonic of V2N
30209 0D1 5th Harmonic of V2N
30211 0D3 6th Harmonic of V2N
30213 0D5 7th Harmonic of V2N
30215 0D7 8th Harmonic of V2N
30217 0D9 9th Harmonic of V2N
30219 0DB 10th Harmonic of V2N
30221 0DD 11th Harmonic of V2N
30223 0DF 12th Harmonic of V2N
30225 0E1 13th Harmonic of V2N
30227 0E3 14th Harmonic of V2N
30229 0E5 15th Harmonic of V2N
30231 0E7 16th Harmonic of V2N
30233 0E9 17th Harmonic of V2N
30235 0EB 18th Harmonic of V2N
30237 0ED 19th Harmonic of V2N
30239 0EF 20th Harmonic of V2N
30241 0F1 21st Harmonic of V2N
30243 0F3 22nd Harmonic of V2N
30245 0F5 23rd Harmonic of V2N
30247 0F7 24th Harmonic of V2N
30249 0F9 25th Harmonic of V2N
30251 0FB 26th Harmonic of V2N
30253 0FD 27th Harmonic of V2N
30255 0FF 28th Harmonic of V2N
30257 101 29th Harmonic of V2N
30259 103 30th Harmonic of V2N
30261 105 31st Harmonic of V2N
30263 107 2nd Harmonic of V3N
30265 109 3rd Harmonic of V3N
30267 10B 4th Harmonic of V3N
30269 10D 5th Harmonic of V3N
30271 10F 6th Harmonic of V3N
30273 111 7th Harmonic of V3N
30275 113 8th Harmonic of V3N
30277 115 9th Harmonic of V3N
30279 117 10th Harmonic of V3N
30281 119 11th Harmonic of V3N
30283 11B 12th Harmonic of V3N
30285 11D 13th Harmonic of V3N
30287 11F 14th Harmonic of V3N
30289 121 15th Harmonic of V3N
30291 123 16th Harmonic of V3N
Address Hex Address Parameter
30293 125 17th Harmonic of V3N
30295 127 18th Harmonic of V3N
30297 129 19th Harmonic of V3N
30299 12B 20th Harmonic of V3N
30301 12D 21st Harmonic of V3N
30303 12F 22nd Harmonic of V3N
30305 131 23rd Harmonic of V3N
30307 133 24th Harmonic of V3N
30309 135 25th Harmonic of V3N
30311 137 26th Harmonic of V3N
30313 139 27th Harmonic of V3N
30315 13B 28th Harmonic of V3N
30317 13D 29th Harmonic of V3N
30319 13F 30th Harmonic of V3N
30321 141 31st Harmonic of V3N
30323 143 2nd Harmonic of V12
30325 145 3rd Harmonic of V12
30327 147 4th Harmonic of V12
30329 149 5th Harmonic of V12
30331 14B 6th Harmonic of V12
30333 14D 7th Harmonic of V12
30335 14F 8th Harmonic of V12
30337 151 9th Harmonic of V12
30339 153 10th Harmonic of V12
30341 155 11th Harmonic of V12
30343 157 12th Harmonic of V12
30345 159 13th Harmonic of V12
30347 15B 14th Harmonic of V12
30349 15D 15th Harmonic of V12
30351 15F 16th Harmonic of V12
30353 161 17th Harmonic of V12
30355 163 18th Harmonic of V12
30357 165 19th Harmonic of V12
30359 167 20th Harmonic of V12
30361 169 21st Harmonic of V12
30363 16B 22nd Harmonic of V12
30365 16D 23rd Harmonic of V12
30367 16F 24th Harmonic of V12
30369 171 25th Harmonic of V12
30371 173 26th Harmonic of V12
30373 175 27th Harmonic of V12
30375 177 28th Harmonic of V12
30377 179 29th Harmonic of V12
30379 17B 30th Harmonic of V12
30381 17D 31st Harmonic of V12
30383 17F 2nd Harmonic of V23
30385 181 3rd Harmonic of V23
30387 183 4th Harmonic of V23
30389 185 5th Harmonic of V23
30391 187 6th Harmonic of V23
Address Hex Address Parameter
30393 189 7th Harmonic of V23
30395 18B 8th Harmonic of V23
30397 18D 9th Harmonic of V23
30399 18F 10th Harmonic of V23
30401 191 11th Harmonic of V23
30403 193 12th Harmonic of V23
30405 195 13th Harmonic of V23
30407 197 14th Harmonic of V23
30409 199 15th Harmonic of V23
30411 19B 16th Harmonic of V23
30413 19D 17th Harmonic of V23
30415 19F 18th Harmonic of V23
30417 1A1 19th Harmonic of V23
30419 1A3 20th Harmonic of V23
30421 1A5 21st Harmonic of V23
30423 1A7 22nd Harmonic of V23
30425 1A9 23rd Harmonic of V23
30427 1AB 24th Harmonic of V23
30429 1AD 25th Harmonic of V23
30431 1AF 26th Harmonic of V23
30433 1B1 27th Harmonic of V23
30435 1B3 28th Harmonic of V23
30437 1B5 29th Harmonic of V23
30439 1B7 30th Harmonic of V23
30441 1B9 31st Harmonic of V23
30443 1BB 2nd Harmonic of V31
30445 1BD 3rd Harmonic of V31
30447 1BF 4th Harmonic of V31
30449 1C1 5th Harmonic of V31
30451 1C3 6th Harmonic of V31
30453 1C5 7th Harmonic of V31
30455 1C7 8th Harmonic of V31
30457 1C9 9th Harmonic of V31
30459 1CB 10th Harmonic of V31
30461 1CD 11th Harmonic of V31
30463 1CF 12th Harmonic of V31
30465 1D1 13th Harmonic of V31
30467 1D3 14th Harmonic of V31
30469 1D5 15th Harmonic of V31
30471 1D7 16th Harmonic of V31
30473 1D9 17th Harmonic of V31
30475 1DB 18th Harmonic of V31
30477 1DD 19th Harmonic of V31
30479 1DF 20th Harmonic of V31
30481 1E1 21st Harmonic of V31
30483 1E3 22nd Harmonic of V31
30485 1E5 23rd Harmonic of V31
30487 1E7 24th Harmonic of V31
30489 1E9 25th Harmonic of V31
30491 1EB 26th Harmonic of V31
30493 1ED 27th Harmonic of V31
30495 1EF 28th Harmonic of V31
30497 1F1 29th Harmonic of V31
30499 1F3 30th Harmonic of V31
30501 1F5 31st Harmonic of V31
30503 1F7 2nd Harmonic of I1
30505 1F9 3rd Harmonic of I1
30507 1FB 4th Harmonic of I1
30509 1FD 5th Harmonic of I1
30511 1FF 6th Harmonic of I1
30513 201 7th Harmonic of I1
30515 203 8th Harmonic of I1
30517 205 9th Harmonic of I1
30519 207 10th Harmonic of I1
30521 209 11th Harmonic of I1
30523 20B 12th Harmonic of I1
30525 20D 13th Harmonic of I1
30527 20F 14th Harmonic of I1
30529 211 15th Harmonic of I1
30531 213 16th Harmonic of I1
30533 215 17th Harmonic of I1
30535 217 18th Harmonic of I1
30537 219 19th Harmonic of I1
30539 21B 20th Harmonic of I1
30541 21D 21st Harmonic of I1
30543 21F 22nd Harmonic of I1
30545 221 23rd Harmonic of I1
30547 223 24th Harmonic of I1
30549 225 25th Harmonic of I1
30551 227 26th Harmonic of I1
30553 229 27th Harmonic of I1
30555 22B 28th Harmonic of I1
30557 22D 29th Harmonic of I1
30559 22F 30th Harmonic of I1
30561 231 31st Harmonic of I1
30563 233 2nd Harmonic of I2
30565 235 3rd Harmonic of I2
30567 237 4th Harmonic of I2
30569 239 5th Harmonic of I2
30571 23B 6th Harmonic of I2
30573 23D 7th Harmonic of I2
30575 23F 8th Harmonic of I2
30577 241 9th Harmonic of I2
30579 243 10th Harmonic of I2
30581 245 11th Harmonic of I2
30583 247 12th Harmonic of I2
30585 249 13th Harmonic of I2
30587 24B 14th Harmonic of I2
30589 24D 15th Harmonic of I2
30591 24F 16th Harmonic of I2
30593 251 17th Harmonic of I2
30595 253 18th Harmonic of I2
30597 255 19th Harmonic of I2
30599 257 20th Harmonic of I2
30601 259 21st Harmonic of I2
30603 25B 22nd Harmonic of I2
30605 25D 23rd Harmonic of I2
30607 25F 24th Harmonic of I2
30609 261 25th Harmonic of I2
30611 263 26th Harmonic of I2
30613 265 27th Harmonic of I2
30615 267 28th Harmonic of I2
30617 269 29th Harmonic of I2
30619 26B 30th Harmonic of I2
30621 26D 31st Harmonic of I2
30623 26F 2nd Harmonic of I3
30625 271 3rd Harmonic of I3
30627 273 4th Harmonic of I3
30629 275 5th Harmonic of I3
30631 277 6th Harmonic of I3
30633 279 7th Harmonic of I3
30635 27B 8th Harmonic of I3
30637 27D 9th Harmonic of I3
30639 27F 10th Harmonic of I3
30641 281 11th Harmonic of I3
30643 283 12th Harmonic of I3
30645 285 13th Harmonic of I3
30647 287 14th Harmonic of I3
30649 289 15th Harmonic of I3
30651 28B 16th Harmonic of I3
30653 28D 17th Harmonic of I3
30655 28F 18th Harmonic of I3
30657 291 19th Harmonic of I3
30659 293 20th Harmonic of I3
30661 295 21st Harmonic of I3
30663 297 22nd Harmonic of I3
30665 299 23rd Harmonic of I3
30667 29B 24th Harmonic of I3
30669 29D 25th Harmonic of I3
30671 29F 26th Harmonic of I3
30673 2A1 27th Harmonic of I3
30675 2A3 28th Harmonic of I3
30677 2A5 29th Harmonic of I3
30679 2A7 30th Harmonic of I3
30681 2A9 31st Harmonic of I3
Readable / writable parameters: [Data Structure: Integer]
Maintenance
Guidelines
• The equipment should be cleaned regularly to avoid blockage of ventilating parts.
• Clean the equipment with a clean dry or damp cloth. Do not use any cleaning agent other than water.
Disposal and recycling
Dispose of or recycle the module in accordance with the applicable laws and regulations in your country.
These instructions do not purport to cover all details or variations in equipment, or to provide for every possible contingency in connection with installation, operation, or maintenance. Should additional information be desired, please contact the local Siemens sales office. The contents of this instruction manual shall not become part of or modify any prior or existing agreement, commitment, or relationship. The sales contract contains the entire obligation of Siemens. The warranty contained in the contract between the parties is the sole warranty of Siemens. Any statements contained herein do not create new warranties or modify the existing warranty.
Trademarks – Unless otherwise noted, all names identified by ® are registered trademarks of Siemens AG or Siemens Industry, Inc. The remaining trademarks in this publication may be trademarks whose use by third parties for their own purposes could violate the rights of the owner.
Published bySiemens Malaysia Sdn BhdSmart Infrastructure
Electrical Products (EP)
Cp Tower, 11, Jalan 16/11
46350 Petaling Jaya, Selangor
[email protected]
Subject to changes and errors.
The information given in this document only contains general descriptions and/or performance features which may not always specifically reflect those described, or which may undergo modification in the course of further development of the products. Product development is a continuous process. Consequently the data indicated in this Operating Instructions is subject to change without prior notice. For latest issue contact our sales offices.
© Siemens 2022



















