
PFD 101 Dishwasher
Installation Guide
PFD 101
PFD 101 i
PFD 101 U
Installation notes
For safe installation and commissioning of the dishwasher please read the installation plan, the service documentation, the installation sheet, and the operating instructions.
This installation plan includes the dimensions of the appliance, the technical data, and the requirements to be met on-site for the installation of the dishwasher.
Installation requirements
This dishwasher must only be installed and commissioned by the Miele Customer Service Department, a Miele authorized dealer or a suitably qualified specialist.
Installation should only be performed in accordance with valid regulations, relevant standards, and health and safety codes.
Environmental requirements
Condensate can build up in the area surrounding the dishwasher. Any furniture and fittings in the room must therefore be suitable for the purpose.
Vapor barrier film for built-in appliances
All work on the electrical connection must be carried out by the Miele Customer Service Department, an authorized Miele dealer or a qualified electrician.
Plug connection
The dishwasher should be connected to the electricity supply via a suitably rated plug and socket.
Hard-wired
If the dishwasher is hard-wired to the power supply, a power switch capable of disconnecting the dishwasher at all poles must be installed on-site. This power switch must have a contact gap of at least 3 mm.
The socket and the power switch must be accessible after the appliance has been installed. An electrical safety test can then easily be carried out, e.g., after any service or maintenance work. The connection cable must be protected from the risk of thermal damage.
Residual current device (RCD)
For increased safety, it is recommended to protect the dishwasher with a residual current device (RCD) with a trip current of 30 mA.
Equipotential bonding
There is a screw connection point for equipotential bonding at the back of the dishwasher. Equipotential bonding should be carried out if possible on site.
Water connection
The dishwasher must only be connected to fully vented pipework. A brief increase in the water pressure can damage components of the dishwasher.
Water inlet
The quality of the incoming water must correspond to the drinking water specification of the country in which the dishwasher is being operated. The dishwasher must be connected to the water supply in strict accordance with current local and national water authority regulations.
It can be connected to cold or hot water supplies. Connecting the dishwasher o a hot water supply will reduceprogramme running times. For short program running times, dynamic water pressure of at least 200 kPa is also required.
UK installation requirements:
The double check valve supplied with this product must be installed between the stopcock and the water inlet hose. Screw the double-check valve onto the stopcock. Then screw the water inlet hose with the water protection system onto the thread of the double check valve.
If a stopcock is not available, only a qualified installer may connect the dishwasher to the mains water supply.
The stopcock should remain accessible once the dishwasher has been installed so that the water supply can be shut off whenever the appliance is not in use.
Drain
The dishwasher drain hose should be connected to a separate on-site drainage system for the dishwasher only. If a separate connection is not available, we recommend connecting the hose to a dual-chamber siphon.
If the hose is to be fitted directly to the drainage system on-site, use the hose clip supplied with the dishwasher.
The on-site connector for the drain hose can be adapted to different hose diameters. If the connector extends more than 30 mm into the drain hose, it must be shortened. Otherwise, the drain hose can become blocked.
Lay the drain hose so that it does not kink and is not being subjected to pressure or tension.
If the on-site drain connection is situated lower than the guide path for the lower basket rollers in the open door, a siphoning effect during a program can cause the wash cabinet to empty itself of water.
In this case, lay the drain hose with a bend in it so that its highest point is at least level with the guide path for the lower basket rollers.
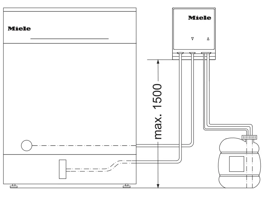
External dispensing
An external dispensing module for liquid cleaning agents can be connected to the back of the dishwasher. The dispensing module is available as an optional accessory and is
supplied with installation instructions.
Freestanding appliance
PFD 101
Built-in appliance/built-under appliance
Front panel dimensions PFD 101 i
| Length | [mm] | 500–654 |
| Thickness | [mm] | 16–20 |
| Weight | [kg] | 4–11 |
Connections on the back of the appliance
- Electrical connection
- External dispensing, power supply connection
- Equipotential bonding
- Wastewater
- Cold or hot water
- External dispensing, connection for dispensing hose sealed with a blind stopper*
* the dispenser connector is supplied with the dispensing module
External dispensing
| Max. delivery head | [m] | 1.5 |
| Length of dispenser hose, DOS module to suction lance | [m] | 1.8 |
| Length of dispenser hose, back of the appliance to DOS module | [m] | 2.8 |
| Length of power cable, back of the appliance to DOS module | [m] | 2.8 |
Place the container on the floor next to the cleaning machine or in an adjacent cabinet.
The container must not be placed on top of or above the cleaning machine.
Technical data
| Model PFD 101 | Version | i | U |
Dimensions and weights
| Height | [mm] | 845 | 805 | 805 |
| Height adjustment | [mm] | 35 | 65 | 65 |
| Width | [mm] | 600 | 598 | 598 |
| Depth | [mm] | 600 | 570 | 570 |
| Depth with door open | [mm] | 1195 | 1165 | 1165 |
| Max. plinth return | [mm] | – | 115 | 115 |
| Weight | [kg] | 60 | 42 | 44 |
| Max. floor load | [N] | 1000 | 1000 | 1000 |
Emission levels
| Sound power level | [dB(A) re 1 pW] | 46 | 46 |
| The sound pressure level in the workplace | [dB(A)] | 34.1 | 34.1 |
Electrical connection
Standard electrical connection
| Voltage | 3N AC 400 V | |
| [Hz] | 50 | |
| Frequency | ||
| Fuse rating | [A] | 16 |
| Plug | – | |
| Power cable length | [rrl] | 1,7 |
| Power cable cross-section | [mm2] | 5 x 2,5 |
| Heat output | [kW] | 7,1 |
| Total rated load | [kW] | 7,3 |
| Possible voltage variant | ||
| Voltage * | AC 230 V | |
| Frequency | [Hz] | 50 |
| Fuse rating | [A] | 10-16 |
| Plug | Typ-F | |
| Power cable ** length | [rrl] | 1,7 |
| Power cable cross-section | [mm2] | 3 x 1,5 |
| Heat output | [kW] | 1,9 |
| Total rated load | [kW] | 2,1 |
| ‘ Programme running times are longer with 11* Optional accessory this voltage variant | ||
| Water inlet | ||
| Max. water temperature | [°C] | 60 |
| Max. water hardness | [mmo1/1] | 7. |
| Max. water hardness | [°dH] | 36 |
| Water connection pressure | [kPa] | 50 -1000 |
| On-site threaded union (flat seal) | [inches] | 3/4 |
| Connection hose length | [m] | 2. |
| Connection hose extension ‘ | [m] | 2. |
Drain
| Max. water temperature | [°C] | 82 |
| Drain hose length | [m] | 2. |
| Max. drain hose length | [m] | 4 |
| Max. delivery head | [m] | 1 |
| Max. transient flow rate | [I/min] | 10 |
| Hose inner diameter | [mm] | 22 |
| On-site hose sleeve (0 x length) | [mm] | 22 x 30 |
| Operating conditions | ||
| Ambient temperature | [°C] | +5 – +40 |
| Relative humidity: Up to 31 °C, maximum Linear decreases to 40 °C | [%] [%] | 80 50 |
| Max. altitude above sea level up to | [m] | 4000 |
| Storage and transportation conditions | ||
| Ambient temperature | [°C] | -20 – +60 |
| Relative humidity | [%] | 10-85 |
| Air pressure | [h Pa] | 500-1060 |
| Min. site access dimensions including Jansport pallet | ||
| Height | [mm] | 970 |
| Width | [mm] | 670 |
| Depth | [mm] | 670 |
MIELE S.A.S – Z.I. du Coudray – 9, av. Albert Einstein – B.P. 1000
93151 Le Blanc-Mesnil Cedex – www.miele.fr/professional
R.C.S. Bobigny B 708 203 088
Contact Service Commercial
Tél. : 01 49 39 44 44 – Fax : 01 49 39 44 38 – Mail : [email protected]
Contact SAV Professionnel (Intervention)
Tél. : 01 49 39 44 78 – Fax. : 01 49 39 34 10 – Mail : [email protected]
Contact Support Technique (Hotline)
Tél. : 01 49 39 44 88 – Mail : [email protected]




















