Radial engineering Cherry Picker MIC/LINE SWITCHER

INTRODUCTION
Thank you for purchasing a Radial Cherry Picker. You will find that it will help improve the efficiency and work flow in your studio by speeding the preamp selection process, comparing compressors and introducing innovative patching options that spur on creative new opportunities.
Although the Cherry Picker is ‘plug & play’ easy to use please take a few minutes to read through this manual. Inside, you will find details on how the signal flows and maybe a few ideas to get your creative juices flowing. If by chance you do not find everything you need, please visit the Cherry Picker web site’s FAQ page. This is where we post the latest updates and answers to questions from users like you. If after viewing the page you still do not find the answers you need, feel free to send an email to [email protected] and we will do our very best to reply in short order.
Now get ready to maximize your signal path like never before!
FEATURE SET
- 48V: Phantom power switch is recessed to prevent accidental turn-on which could damage more sensitive equipment. An LED illuminates when phantom power is active.
- MUTE: Use to turn off all four outputs so that you can change the mic or DI without noise. Saves having to change your preamp or mixer settings when re-configuring.
- OUTPUT SELECTORS 1~4: ‘Radio’ style switches automatically turn the current output off when another selector switch is depressed. Helps to streamline the comparison process. An LED indicator displays the active output.
- LIFT 1~4: Disconnects the ground at the XLR output (pin-1) to help eliminate hum and buzz caused by ground loops.
- BOOK- END DESIGN: Creates a protected zone to prevent damage to the front panel controls.
- 14 GAUGE STEEL: Heavy-duty construction eliminates stress on the PCB and provides excellent shielding against magnetic fields and RF which could otherwise introduce noise.
- CABLE CLAMP: A handy cable clamp prevents accidental power disconnection.
- POWER ADAPTER: Connection for the included 15VDC Radial power supply.
- OUTS 1~4: Four fully insulated XLR-M outputs are used to connect to your various preamps or audio destinations.
- INPUT: Balanced mic/line input is used to connect microphones, direct boxes or other audio devices to the Cherry Picker.
OVERVIEW
The Cherry Picker is a device that enables you to connect your favourite microphone to as many as four preamps and compare the sound between them. This is most often done when comparing mic preamps for a vocalist. You will often find that while one preamp may sound great on a male vocal, it may sound harsh on a female. The Cherry Picker lets you quickly compare preamps without having to mute, patch cables or reset levels. The immediate transition between preamps keeps the sound fresh in your mind, making it much easier and faster to make a decision. Having the artist involved during the selection process gives them a sense of comfort which ultimately results in a better, more relaxed performance.
CONNECTIONS
The Cherry Picker is easy to set up. Begin by pushing in the MUTE switch. This will block any noise from reaching your monitors while making connections. Connect your microphone to the balanced input on the Cherry Picker and then connect the four outputs to your favourite preamps. Make sure the phantom power on the four preamps is turned off. Connect the outputs of the preamps directly to the inputs of your DAW, digital audio converters or recording system to maintain the purity of the preamp’s signal.
The Cherry Picker generates its own 48V phantom internally to power condenser microphones and active direct boxes. Therefore you must ensure that the phantom power function is turned off on the preamps as this will interfere with the functionality and likely cause switching noise. Turning on the 48V phantom power is done by pushing in the recessed 48V switch. An LED illuminates when phantom power is active. The switch is recessed to prevent accidental turn-on while the Cherry Picker is in use, which could send a loud transient ‘pop’ to your studio monitors or damage vintage ribbon mics.
While most of today’s modern ribbon microphones and audio devices are not affected by phantom power it’s a good idea to only turn phantom power on when using a microphone or DI that requires it, otherwise the phantom power should be turned off. Also turn off the phantom power feature on your mic preamps. For best results the Cherry Picker should be the only source of phantom power.
TESTING THE AUDIO
Once you have made connections and determined the proper phantom power setting for your source you are set to turn up the level on your audio system and begin testing. Always test at a low level as this reduces risk of equipment damage and feedback.
Start with testing output-1 by depressing the OUT-1 switch on the front panel. This will automatically shut off the previously selected output, thus ensuring only one mic preamp is on at any time. The LED indicator displays the active output. Turn it up and listen to the preamp. If all is well, switch to output-2 and adjust the level so that both preamps play at the same relative loudness. Repeat for outputs 3 and 4.
If you hear any hum or buzz try depressing the ground LIFT switch. This disconnects the signal ground (pin-1) at the male XLR on each of the four outputs. This often helps eliminate the noise caused by ground loops. If you hear excessive clicking or popping when you switch between preamps, check to make sure that you have turned off the phantom power on all your preamps. Note that there will always be a bit of clicking noise when switching audio. This is normal.
USING THE CHERRY PICKER
Once the signal is tested and flowing, increase the output levels so that you are at a comfortable listening volume. You should then re-test to make sure the levels of each preamp play at the same relative loudness. This is important as humans are easily fooled into believing that the louder channel sounds better. This will result in a more honest conclusion.
If after auditioning you are not ‘convinced’ of your mic selection, simply depress the front panel MUTE switch and try another microphone. The mute function will turn off the signal going to the outputs allowing you to switch mics without having to reset the relative volumes between your preamps.
Getting the artist to participate
It is very beneficial to have the artist participate in the mic and preamp selection process. Doing this enables them to ‘hear’ what they expect and ultimately makes them more comfortable in your studio. When the artist is relaxed, you can usually coax a better performance out of him or her which ultimately means a better recording.
USING THE CHERRY PICKER FOR LINE LEVEL DEVICES
The Cherry Picker is basically a straight-wire audio router that uses sealed gold contact relays to switch the signal. These relays do not impart any personality or noise, nor are they limited to the signal levels normally associated with audio electronics. This means that the Cherry Picker can also be used to process higher output line-level analog signals without fear of distortion or coloration.
In the studio, you could use the Cherry Picker to compare the sound of various compressors or use it to route balanced signals to various effects. In commercial installations, it could be used to send a mic signal to an alternate console or zone. This of course opens the door to using the Cherry Picker in all types of applications.
For even more fun, get a Radial Gold Digger! This lets you compare up to four mic or direct boxes to find the best one for a given recording.
RADIAL CHERRY PICKER SPECIFICATIONS
- Circuit Type…………………………. Passive signal path with active relay switching
- Frequency Response…………… DC to 80MHz +/- 0.05dB
- Dynamic range……………………. >-115dBu (above ability to measure)
- Equivalent Input Noise…………. <<-115dBu (below measurement threshold)
- CMRR………………………………… -97db @ 55Hz
- Input Impedance………………….. 10k Ohms in parallel with load impedance
- Output Impedance……………….. Same as source impedance + 200Ohms
- S/N Ratio……………………………. <<-115dB (below measurement threshold)
- XLR Configuration……………….. Follows AES spec: pin-1 ground, pin-2 hot (+), pin-3 cold (-)
- Power requirement………………. 15VDC / 400mA (Radial adapter supplied)
- Size (W x H x D)………………….. 5.8″ x 1.88″ x 4.5″ (148mm x 48mm x 115mm)
- Weight……………………………….. 2.1 lbs. (0.96 kg)
- Warranty…………………………….. 3 years, transferable limited warranty
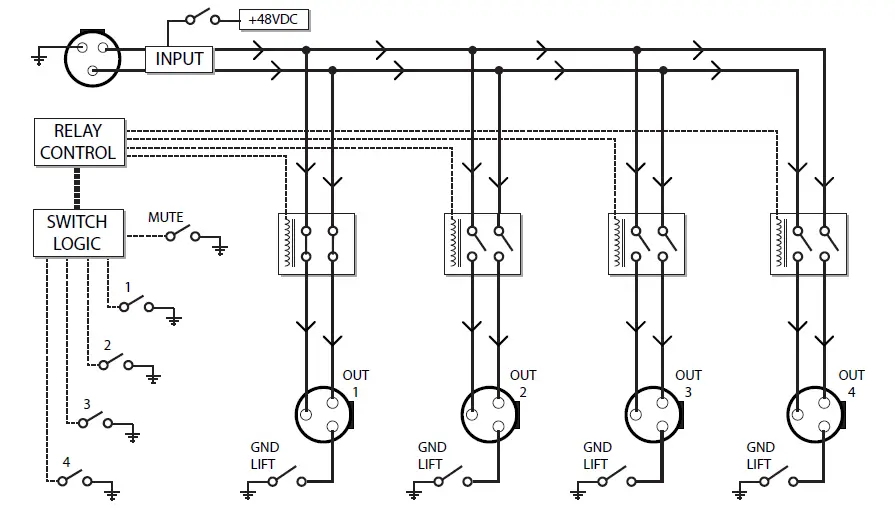
RADIAL CHERRY PICKER BLOCK DIAGRAM
THREE-YEAR TRANSFERABLE LIMITED WARRANTY
RADIAL ENGINEERING LTD. (“Radial”) warrants this product to be free from defects in material and workmanship and will remedy any such defects free of charge according to the terms of this warranty. Radial will repair or replace (at its option) any defective component(s) of this product (excluding finish and wear and tear on components under normal use) for a period of three (3) years from the original date of purchase. In the event that a particular product is no longer available, Radial reserves the right to replace the product with a similar product of equal or greater value. In the unlikely event that a defect is uncovered, please call 604-942-1001 or email [email protected] to obtain an RA number (Return Authorization number) before the 3 year warranty period expires. The product must be returned prepaid in the original shipping container (or equivalent) to Radial or to an authorized Radial repair center and you must assume the risk of loss or damage. A copy of the original invoice showing date of purchase and the dealer name must accompany any request for work to be performed under this limited and transferable warranty. This warranty shall not apply if the product has been damaged due to abuse, misuse, misapplication, accident or as a result of service or modification by any other than an authorized Radial repair center.
THERE ARE NO EXPRESSED WARRANTIES OTHER THAN THOSE ON THE FACE HEREOF AND DESCRIBED ABOVE. NO WARRANTIES WHETHER EXPRESSED OR IMPLIED, INCLUDING BUT NOT LIMITED TO, ANY IMPLIED WARRANTIES OF MERCHANTABILITY OR FITNESS FOR A PARTICULAR PURPOSE SHALL EXTEND BEYOND THE RESPECTIVE WARRANTY PERIOD DESCRIBED ABOVE OF THREE YEARS. RADIAL SHALL NOT BE RESPONSIBLE OR LIABLE FOR ANY SPECIAL, INCIDENTAL OR CONSEQUENTIAL DAMAGES OR LOSS ARISING FROM THE USE OF THIS PRODUCT. THIS WARRANTY GIVES YOU SPECIFIC LEGAL RIGHTS, AND YOU MAY ALSO HAVE OTHER RIGHTS, WHICH MAY VARY DEPENDING ON WHERE YOU LIVE AND WHERE THE PRODUCT WAS PURCHASED.
Radial Engineering Ltd. 1845 Kingsway Ave., Port Coquitlam, BC V3C 1S9, Canada tel: 604-942-1001
fax: 604-942-1010
email: [email protected]
www.radialeng.com
Copyright 2012 Radial Engineering Ltd. All rights reserved.
Specifications and appearances subject to change without notice.
Radial® Cherry Picker™ User Guide • rev1.1 • Part #: R870 1231 00 / 08-2021


















