Radial JS3 3-Way Microphone Splitter User Guide
WELCOME
Congratulations on your purchase of the Radial JS3 mic splitter. This simple yet extremely handy device will likely find its way into all types of applications such as splitting mic signals and distributing signals throughout your sound system.
The Radial JS3 is equipped with the world’s finest Jensen bridging transformer to ensure the audio signal is transferred and distributed without distortion and is built using the finest materials to ensure years of trouble-free performance.
We have purposely written this manual to be short, as most users will likely be familiar with the JS3’s applications. We do suggest that you take a moment to read through this document to familiarize yourself with the features that are built in. For more detailed information, please visit the Radial website. This is also where we post questions and answers that come from users after the product is released. If you do not find an answer, we invite you to send us an email at [email protected] and we will do our best to answer your query in a prompt and professional manner.
The Radial JS3 is a wonderful device that will surely provide you with years of problem-solving connectivity. Enjoy!
INTRODUCTION
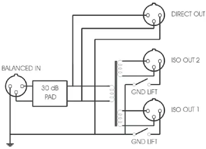
Upon inspection, you will notice the Radial JS3 is equipped with four XLR connectors: the MIC INPUT connector; the DIRECT-1 THRU; the ISOLATED-1 OUTPUT with ground lift switch and the ISOLATED-2 OUTPUT with ground lift switch.
Normally, the source microphone connects to the MICROPHONE INPUT and the DIRECT-1 THRU connects to the mixing console that supplies phantom power back to the microphone. If the source is a line level device such as a CD player, the input pad should be engaged to ensure the signal does not saturate the transformer, causing distortion.
Note that the JS3 will always output a mic-level signal.
The JS3’s isolated outputs will then feed a recording interface, broadcast truck or other PA system. The advantage of using the transformer-isolated output is that it creates a magnetic bridge between the source and the destination, thus eliminating any direct electrical current from passing. This eliminates problems such as ground loops, which can cause buzz and hum in a sound system. A ground lift switch is provided to disconnect the ground path between the input and output to further suppress noise.
The JS3 is completely passive. This means that it does not require a power supply of any kind. The magic lies in the quality of the transformer we use. Jensen transformers are famous for their exceptional signal handling and low distortion. The JS3 is equipped with a Jensen JT-MBD mic-bridging transformer that features a laminated nickel core and Faraday shield for optimum signal transfer. You will find the JS3 to be transparent and very efficient, making it the perfect choice in professional installations.
USING THE JS3
As with all Radial products, using the JS3 is simple and straight ahead. Make sure the sound system is turned off and all levels are set to zero before making audio connections. This will avoid any pops in the sound system that could cause damage to speakers.
Connect a microphone or line-level source to the MICROPHONE INPUT on the JS3. Connect the DIRECT-1 THRU output to the console that supplies phantom power and then the ISOLATED-1 and ISOLATED-2 outputs to your monitor console and recording systems. Both isolated outputs are identical and electrically separate from each other. If you encounter noise, simply depress the ground lift switches
If you are using the JS3 with a line-level device such as a keyboard, CD player or line mixer, depress the -30dB input pad. This will reduce the level going into the transformer and eliminate transformer saturation .
Start by turning up your sound system slowly to test connections before driving at full volume. You are now ready to go!
3-Way Microphone Splitting
- ISOLATED-2 output connects to a recording device.
- ISOLATED-1 output connects to second console.
- DIRECT-1 output connects to main console. This console supplies phantom power back to the mic

JS3 BLOCK DIAGRAM


J-RAK
The optional J-RAK is a high density rackshelf for Radial DI’s and splitters. It’s a 2RU rack chassis that allows up to 8 Radial devices in one neat 19” package. The DI’s can be mounted with either the input side or output side facing the front. Ideal for studio or touring. Constructed of 14 gauge steel with a baked enamel finish.
J-CLAMP
The optional J-CLAMP can mount a single Radial device to virtually any surface. Perfect for hiding away inside racks, on podiums or under tables. Constructed of 14 gauge steel with a baked enamel finish.
INPUT PANEL
- 30dB PAD
Allows line-level sources to connect to the JS3’s input. - Mic input
For low impedance microphone signals. - Direct-1 thru
Mic-level direct output will pass phantom power to microphone. - Bookend design
14 gauge steel outer shell creates protective zone around connectors and switches. - Full-bottom no-slip pad
This provides electrical isolation and plenty of “stay-put” friction to keep the JS3 in one place.
OUTPUT PANEL
- Isolated output-2
Mic-level transformer-isolated. - Ground lift (isolated-2)
Lifts the ground pin-1 on the isolated-2 XLR output connector. - Isolated output-1
Mic-level transformer-isolated. - Ground lift (Isolated-1)
Lifts the ground pin-1 on the isolated-1 XLR connector.
CONSTRUCTION
- Steel I-beam enclosure eliminates stress that could torque the PC board and cause solder joint failure.
- Military-grade double-sided PCB with plated through-holes is bolted to welded steel standoffs.
- Jensen transformer offers outstanding audio performance.
- Sturdy PC mounted switches are high-cycle rated for long life.

SPECIFICATIONS
JS3 SPECIFICATIONS | |
| Frequency response | 20Hz to 20kHz (+OdB/-2dB) |
Maximum Input | +25dBu .1kHz |
Phase distortion | +2.8° A 20Hz |
Total harmonic distortion | 0.0005% A 1 kHz |
Input | 2.4k-ohm, mic-level, pin-2 hot |
Outputs | 2.4k-ohm, mic-level, pin-2 hot |
Input pad | -30dB |
Power requirement | None, completely passive |
Size | 3.25″ x 5″ x 1.875″ |
Weight | 2 lbs. |
WARRANTY
RADIAL ENGINEERING 3 YEAR LIMITED WARRANTY
RADIAL ENGINEERING (a division of J.P. Cabletek Electronics Ltd.) warrants this product to be free from defects in material and workmanship to the original owner and will remedy any such defects free of charge according to the terms of this warranty.
Radial will repair or replace (at its option) any defective component(s) of this product (excluding batteries, finish and wear and tear on components under normal use) for a period of three (3) years from the original date of purchase. In the event that a particular product is no longer available, Radial reserves the right to replace the product with a similar product of equal or greater value.
To make a request or claim under this limited warranty, the product must be re – turned prepaid in the original shipping container (or equivalent) to Radial or to an authorized Radial repair center and you must assume the risk of loss or damage. A copy of the original invoice showing date of purchase and the dealer name must accompany any request for work to be performed under this limited warranty. This limited warranty shall not apply if the product has been damaged due to abuse, misuse, misapplication, accident or as a result of service or modification by any other than an authorized Radial repair center.
THERE ARE NO EXPRESSED WARRANTIES OTHER THAN THOSE ON THE FACE HEREOF AND DESCRIBED ABOVE. NO WARRANTIES, WHETHER EXPRESSED OR IMPLIED, INCLUDING BUT NOT LIMITED TO, ANY IMPLIED WARRANTIES OF MERCHANT ABILITY OR FITNESS FOR A PARTICULAR PUR – POSE SHALL EXTEND BEYOND THE RESPECTIVE WARRANTY PERIOD DESCRIBED ABOVE OF THREE YEARS. RADIAL SHALL NOT BE RESPON – SIBLE OR LIABLE FOR ANY SPECIAL, INCIDENTAL OR CONSEQUENTIAL DAMAGES OR LOSS ARISING FROM THE USE OF THIS PRODUCT. THIS WARRANTY GIVES YOU SPECIFIC LEGAL RIGHTS, AND YOU MAY ALSO HAVE OTHER RIGHTS, WHICH MAY VARY FROM STATE TO STATE OR PROVINCE TO PROVINCE.
FOR FURTHER SUPPORT
Radial Engineering Ltd.
1845 Kingsway Ave., Port Coquitlam, BC V3C 1S9, Canada
Tel: 604-942-1001 , Fax: 604-942-1010
Email: [email protected]






















