Exo-Pod Passive Audio Splitter
True to the Music™ ®
Exo-Pod™
Passive Audio Splitter

User Guide
Radial Engineering Ltd.
1845 Kingsway Ave., Port Coquitlam, BC V3C 1S9, Canada Tel: 604-942-1001 • Fax: 604-942-1010
email: [email protected]
Radial® Exo-Pod™ User Guide
Thank you for investing into the Radial Exo-Pod™. The Exo-Pod is a passive broadcast splitter that can take the balanced line level output from a mixing console and distribute the signal to 14 hand-held recorders, video cameras or wireless receivers. It can also be used in conjunction with the Radial Press master press box to create a modular solution for hundreds of individual press feeds.
As with all new products, please take a few minutes to read through this manual in order to familiarize yourself with the device so that you can take full advantage of all its functionality. If after you have done your homework and find yourself asking questions, please visit the Exo-Pod FAQ page as this is where we post questions and answers from users along with updates.
If afterwards you still find yourself with more questions, feel free to send us a note at [email protected] and we will do our very best to reply in short order.
Now get ready to snake along those cables with more expediency than ever before!
True to the Music ®
EXO-POD FEATURES

- XLR OUTPUT: 10 XLR-M transformer isolated outputs to connect a recorder or camera.
- GROUND LIFT: Helps to eliminate hum and buzz caused by ground loops.
- 3.5mm OUTPUT: Four transformer isolated mini TRS outputs to connect a hand held recorder or laptop.
- STEEL HANDLE: For quick maneuverability during setup and tear down.

- XLR LOOP THRU: Used to feed additional Exo-Pods when used with the mPress.
- XLR INPUT: Balanced input capable of handling levels up to +24dB.
- BUMPER: Protects the connectors and TRIM control.
- TRIM CONTROL: Set & forget adjustable trim control provides the tech with a local level control for quick adjustments.
Radial Engineering Ltd. Exo-Pod™ Audio Splitter 1
True to the Music ®
INTRODUCTION
The Exo-Pod was developed as an expansion module for the Radial mPress™, a modular press box with virtually unlimited distribution capabilities. It can also be used on its own as a traditional passive press box.

The optional mPress is a modular press box and command center that can be used on its own or with several Exo-Pod units to expand up to 448 outputs. Visit our website www.radialeng.com for more information on the mPress.

Radial Engineering Ltd. 2 Exo-Pod™ Audio Splitter True to the Music ®
MAKING CONNECTIONS
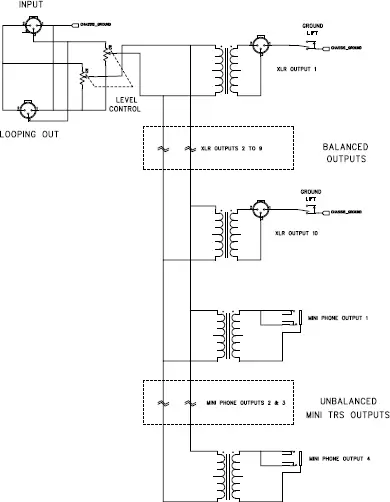
The Exo-Pod is a passive device. This means that it does not require any power to make it work. You simply connect a balanced line level audio output from a mixing desk or microphone preamp to the XLR-F input connector and it will automatically distribute the signal to 10 balanced XLR-M outputs and four mini 3.5mm connections. The XLR outputs are balanced following the AES standard with pin-1 (ground), pin-2 (+) and pin-3 (-). The mini 3.5mm is dual mono with the tip and ring sharing the same signal. Any output may be connected to unbalanced destinations using a balanced to unbalanced cable. Connected this way will reduce the output by approximately 6dB.
Each of the outputs is transformer isolated to eliminate ground loops and noise. These are supplemented with GROUND LIFT switches on each output for further noise abatement. Simply connect your line level source to the input and the output to various video cameras, portable recorders, tablets or mobile phones.

USING THE EXO-POD
Managing signal levels
The Exo-Pod is designed to be fed from either the line level input from a
mixing desk or the extra powerful output from the Radial mPress press
box. A TRIM control at the input allows you to adjust the signal level to
suit either mic or line level devices. If connecting line level devices, begin
with the TRIM turned fully clockwise (maximum ouput level). For mic
level recording devices, start with the TRIM at 12 o’clock and turn down
as needed. Connect all of the destinations (video cameras, hand held
recorders and so on) and run audio through your mixer and the Exo-
Pod to test. If the recording devices are distorting or overdriven, you can
reduce the output by adjusting the TRIM control to suit.
Use the TRIM to optimize signal level
to the outputs. The
TRIM control will not
affect the level of the
LOOP THRU output.
Eliminating Noise
Noise inducing ground loops most often occur when the audio ground and
electrical ground interact. Each of the Exo-Pod outputs are transformer
isolated in order to reduce hum and buzz caused by ground loops.
GROUND LIFT switches can also be engaged to further abate noise
should it be encountered.
Expanding your system
Depending on what type of source you are using to drive the Exo-Pod,
you can daisy-chain two or more together to expand the outputs from
14 to 28 or more using the LOOP THRU connection. +4dBu will drive
two Exo-Pods in series. +24dBu will drive up to four Exo-Pods in series.
Note that as you increase the number of outputs, you are increasing the
demands on the source. This means that you may have to compensate
by increasing the output from your mixer and increase the sensitivity
(input levels) on the recorders in the press gallery.
When using the Exo-Pod with the Radial mPress, as many as four Exo-
Pods may be connected in series as the mPress is outfitted with special
high output drivers for this purpose.
APPLICATIONS
Using the Exo-Pod as a simple broadcast splitter
The passive Exo-Pod is easily integrated with any mixer’s line level
output. All Exo-Pod outputs are transformer isolated to eliminate hum
and buzz.

Use the Exo-Pod for your town hall meeting
In addition to feeding the press gallery, send the signal to the inputs on
your PA speakers to fill up your meeting room or convention space.

Combine Exo-Pods with the mPress for large events
The mPress is a broadcast press box that can deliver up to 448 individual
audio channels to your international sporting event. Use the Exo-Pod
LOOP THRU output to create zones.

BLOCK DIAGRAM*

SPECIFICATIONS*
Audio Circuit Type:…………………………………………. Passive
Frequency Response:…………………………………….. 20Hz ~ 20kHz
Total Harmonic Distortion: (THD+ N)…………………. 0.001%
Dynamic Range:…………………………………………….. 136dB / 100dB (Balanced/Mini Output)
Input Impedance: (balanced)……………………………. 350 Ohms
Common Mode Rejection Ratio:……………………….. 63dB @ 50 Hz
Gain – Input to XLR Output:……………………………… -3.5dB/-18dB (10K/600 Ohm Load)
Gain – Input to Mini Out:………………………………….. -1.3db/-20dB (100K/600 Ohm Load)
Output Impedance – XLR Outs:………………………… 1000 Ohms
Output Impedance – Mini Outs:…………………………. 4600 Ohms
Equivalent Input Noise:……………………………………. -108dBu/-84dBu (Balanced/Mini Output)
Noise Floor – XLR Out:……………………………………. -111dBu
Noise Floor – Mini Out:…………………………………….. -86dBu
Intermodulation Distortion:……………………………….. 0.006%
Phase Deviation:……………………………………………. -5/+25° (XLR Out – 10K Load – Mini same)
Features
Controls:……………………………………………………….. Input level trim
Input Pad:………………………………………………………Variable
Ground Lift:……………………………………………………. Ground lift on XLRs
Mini jacks are permanently ground lifted with only RF ground
XLR Configuration:…………………………………………. 1-GND, 2-Hot, 3-Cold
Other Connectors:………………………………………….. Mini jacks wired dual mono
THREE YEAR TRANSFERABLE LIMITED WARRANTY
RADIAL ENGINEERING LTD. (“Radial”) warrants this product to be free from defects in material and workmanship and will remedy any such defects free of charge according
to the terms of this warranty. Radial will repair or replace (at its option) any defective
component(s) of this product (excluding finish and wear and tear on components under
normal use) for a period of three (3) years from the original date of purchase. In the event
that a particular product is no longer available, Radial reserves the right to replace the
product with a similar product of equal or greater value. In the unlikely event that a defect
is uncovered, please call 604-942-1001 or email [email protected] to obtain a RA
number (Return Authorization number) before the 3 year warranty period expires. The
product must be returned prepaid in the original shipping container (or equivalent) to
Radial or to an authorized Radial repair centre and you must assume the risk of loss or
damage. A copy of the original invoice showing date of purchase and the dealer name
must accompany any request for work to be performed under this limited and transferable
warranty. This warranty shall not apply if the product has been damaged due to abuse,
misuse, misapplication, accident or as a result of service or modification by any other than
an authorized Radial repair center.
THERE ARE NO EXPRESSED WARRANTIES OTHER THAN THOSE ON THE FACE
HEREOF AND DESCRIBED ABOVE. NO WARRANTIES WHETHER EXPRESSED
OR IMPLIED, INCLUDING BUT NOT LIMITED TO, ANY IMPLIED WARRANTIES OF MERCHANTABILITY OR FITNESS FOR A PARTICULAR PURPOSE SHALL EXTEND BEYOND THE RESPECTIVE WARRANTY PERIOD DESCRIBED ABOVE OF THREE YEARS. RADIAL SHALL NOT BE RESPONSIBLE OR LIABLE FOR ANY SPECIAL, INCIDENTAL OR CONSEQUENTIAL DAMAGES OR LOSS ARISING FROM THE USE OF THIS PRODUCT. THIS WARRANTY GIVES YOU SPECIFIC LEGAL RIGHTS, AND YOU MAY ALSO HAVE OTHER RIGHTS, WHICH MAY VARY DEPENDING ON WHERE YOU LIVE AND WHERE THE PRODUCT WAS PURCHASED.
To meet the requirements of California Proposition 65, it is our responsibility to inform you of the following:
WARNING: This product contains chemicals known to the State of California to cause
cancer, birth defects or other reproductive harm.
Please take proper care when handling and consult local government regulations before discarding.
All trademarks belong to their respective owners. All references to these are for example only and are not associated with Radial.
Radial Engineering Ltd.
1845 Kingsway Ave., Port Coquitlam, BC V3C 1S9, Canada
Tel: 604-942-1001 • Fax: 604-942-1010
email: [email protected]
Radial® Exo-Pod™ User Guide – Part #: R870 1009 00 / 10-2021
Copyright 2016 Radial Engineering Ltd. All rights reserved.
Specifications and appearance subject to change without notice.



















