Swagelok RHPS Series Proportional Relief Valves for Piping Systems

Introduction
Representative drawing of the PRV6 (> S-04600)
- body
- spring housing
- poppet holder
- poppet
- seat
- seat ring
- seat housing
- spring guide
- adjustment screw
- anti tamper cap
- locking nut
- set spring
- (seat) O-ring
- O-ring
- O-ring
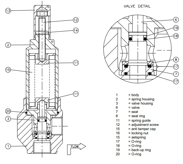
Representative drawing of the PRV6 (< S-04600) 
- body
- spring housing
- valve housing
- valve
- seat
- seat ring
- spring guide
- adjustment screw
- anti tamper cap
- locking nut
- setspring
- O-ring
- O-ring
- back-up ring
- O-ring
Installation
Relief valve loading spring ranges
- Type number
- PRV6-02-0-N
- PRV6-02-1-N
- PRV6-02-2-N
- PRV6-02-3-N
- PRV6-02-4-N
- Pressure range
- 10 to 40 bar (145 to 580 psig)
- 40 to 80 bar (580 to 1160 psig
- 80 to 150 bar (1160 to 2175 psig)
- 150 to 280 bar (2175 to 4060 psig)
- 280 to 413 bar (4060 to 6000 psig)
Operation
WARNING
Do not exceed the specific pressure range for each valve.
Changing the set pressure
- Remove the wire lock seal.
- Remove the anti tamper cap.
- Unlock the lock nut on the set screw.
- Now the set screw can be turned.
- Turning the set screw clockwise increases the load and set pressure.
- Turning the set screw counter clockwise decreases the load and set pressure.
Maintenance
Annual maintenance is recommended under normal use. More frequent maintenance may be required in heavy duty service.
Required tools for maintenance
- vise, to place the PRV in a secure and steady position
- wrench 13 mm
- wrench 17 mm
- wrench 20 mm
- wrench 32 mm
- pincers in various (small) sizes to take out the O-rings
- PRV cover socket (AST001191)
- PRV spring housing socket (AST001142)
- O-ring guide (AST001093)
Pressure venting
- If no other means of venting pressure is provided, it is possible to turn the adjustment screw counter clockwise.
Disassembly precautions
- Do not try to unscrew the spring housing before taking out the set screw first.
Disassembly
- Break the wire-lock seal.
- Remove the anti-tamper cap cover.
- Unlock locking nut.
- Turn adjustment screw fully counter clockwise.
- Loosen the spring housing.
- Remove spring housing, set spring, spring guide (2x).
- Remove poppet holder.
- Remove seat.
Inspection of disassembled parts
With all parts taken out it is now possible to inspect the components for damage. If there is any damage or significant wear the valve and seat must be replaced. Besides the valve/seat combination there is also the poppet/poppet holder combination. Make sure the valve is smoothly guided through the poppet holder guidance.
Assembly precautions
Follow the instructions for disassembly in reverse order to assemble the valve. Use system appropriate lubricant.
Recommended torque for all threads
- Spring housing to body
- Anti-tamper cap to spring housing
- 100 N·m (885 in.·lb)
- 30 N·m (265 in.·lb)
Troubleshooting



















