KMC CONTROLS BAC-19xxxx FlexStat Touchscreen Room Sensors Controllers

QUICK START Automation Hardware
Complete the following steps to select and install a KMC Conquest BAC-19xxxx FlexStat:
- Select the appropriate model for the intended application and options (see the BAC-190000 Series FlexStats Data Sheet at kmccontrols. com).
- Mount and wire the unit (see this document and the BAC-19xxxx FlexStat Sequence of Operation and Wiring Guide).
- Configure and operate the unit (see this document and the BAC-19xxxx FlexStat Application Guide).
- If necessary, troubleshoot any issues (see the BAC-19xxxx FlexStat Application Guide).
NOTE: This document gives basic mounting, wiring, and setup information. For additional information, see the KMC Controls web site for the latest documents.
CAUTION
The BAC-19xxxx models are NOT compatible with the backplates of older BAC10xxx/12xxxx/13xxxx/14xxxx FlexStats! If replacing an older FlexStat, replace the backplate as well.
WIRING CONSIDERATIONS
See the BAC-19xxxx FlexStat Sequence of Operation and Wiring Guide for sample wiring for different applications. See the BAC-19xxxx FlexStat Application Guide for additional important wiring considerations.
CAUTION
The BAC-19xxxx models areN NOT compatible with thebackplates of older BAC10xxx/12xxxx/13xxxx/14xxxx FlexStats! If replacing an older FlexStat, replace the backplate as well.
- Because of the many connections (power, network, inputs, outputs, and their respective grounds or switched commons), be sure wiring is well planned before installation of conduit!
- Make sure that conduit for all wiring has adequate diameter for all necessary wiring. Using 1-inch conduit and junction boxes is recommended! Use external junction boxes above the ceiling or in another convenient location as needed to make connections that run to the FlexStat’s junction box.
- To prevent excessive voltage drop, use a conductor size that is adequate for the wiring length! Allow plenty of “cushion” to allow for transient peaks during startup.
- Using multiple conductor wires for all inputs (e.g., 8 conductor) and outputs (e.g., 12 conductor) is recommended. Grounds for all the inputs can be combined on one wire.
MOUNTING
| DIMENSIONS | ||
| A | 3.874 inches | 99.4 mm |
| B | 5.124 inches | 130.1 mm |
| C | 1.301 inches | 33.0 mm |
NOTE: For optimum temperature sensor performance, the FlexStat must be mounted on an interior wall and away from heat sources, sunlight, windows, air vents, and air circulation obstructions (e.g, curtains, furniture). Additionally, for a model with an OcCupancy sensor option, install it where it will have unobstructed view of the most typical traffic area. See the Room Sensor and Thermostat Mounting Location and Maintenance Application Guide. If replacing an existing thermostat, label wires as needed for reference when removing the existing thermostat.
- Complete rough-in wiring at each location prior to FlexStat installation. Cable insulation must meet local building codes.
CAUTION Use only the mounting screw supplied by KMC Controls. Using other screws may damage the FlexStat. Do not turn the screw in farther than necessary to remove the cover. - If the cover is locked on the backplate, turn the hex screw in the bottom of the FlexStat clockwise until the screw (just) clears the cover. (See Illustration 1.)
Illustration 2—Unlocking the Cover from the BackplateNOTE: The hex screw should always remain in the backplate. Hex Screw Illustration 3—Hex Screw Flush in the Backplate

- Pull the bottom of the cover away from the backplate (mounting base). Illustration 4—Removing the Cover from the Backplate

Illustration 4—Removing the Cover from the Backplate
- Route the wiring through the center hole of the backplate.
- With the embossed “UP” and arrows toward the ceiling, mount the backplate on an electrical box using the provided screws. NOTE: Models mount directly on vertical 2 x 4 inch boxes, but they require an HMO10000W wall mounting plate for 4 x 4 boxes.
- Make the appropriate connections to the terminals and (for Ethernet models) modular jack. (See Network Connections on page 4, Sensor and Equipment Connections on page 5, and Power Connection on page 6.
See also the BAC-19xxxx FlexStat Sequence of Operation and Wiring Guide, and the BAC19xxxx FlexStat Application Guide.)
NOTE: SC = Switched (relay) Common
NOTE: IN1 is reserved for the internal temp sensor
Ethernet Network
Connectorb (Optional, on Cover

Illustration 5—BAC-19xx63 Terminals and Connections
NOTE: SC = Switched (relay) Common
NOTE: IN1 is reserved for the internal temp sensor
IP/Ethernet
Connector (Optional, on Cover)

Illustration 6—BAC-19xx36 Terminals and Connections
AFTER wiring is complete.
carefully position the top of the FlexStat’s cover over the top of the backplate, swing the bottom of the cover down, and push the cover into place.
CAUTION
When reinstalling the cover on the backplate, be careful not to damage or dislodge any wiring or components. Do not use excessive force. If there is any binding, pull off the cover and examine pins and terminal socket connectors.

Illustration 7—Reinstalling the Cover on the Backplate
Turn the hex screw at the bottom counterclockwise until it engages the cover and holds
it in place.

Illustration 8—Locking the Cover on the Backplate
NETWORK CONNECTIONS
Connect (Optional) Ethernet Network
- For BAC-19xxxxCE models (only), plug an Ethernet patch cable into the back of the FlexStat.
NOTE: The Ethernet patch cable should be T568B Category 5 or better and a maximum of 328 feet (100 meters) between devices.

Illustration 9—Ethernet Network Connection (“E” Models)
Connect (Optional) MS/TP Network
CAUTION
To avoid damage from ground loops and other communication issues in networked MS/TP model FlexStats, correct phasing on MS/TP network and power connections on ALL the networked controllers is critically important.
NOTE: See the BAC-19xxxx FlexStat Application Guide for additional wiring considerations.
- For the non-E models (only), connect the BACnet network to the BACnet MS/TP terminals
using shielded twisted-pair cable.
NOTE: Use 18 or 22 gauge AWG shielded twisted pair cable with maximum capacitance of 51 picofarads per foot (0.3 meters) for all network wiring. Log in and see the EIA-485 Network Wire Recommendations Technical Bulletin for recommendations. For principles and good practices when connecting an MS/TP network, see Planning BACnet Networks (Application Note AN0404A).
- A. Connect the –A terminals in parallel with all other –A terminals on the network:
- B. Connect the +B terminals in parallel with all other +B terminals on the network.
- C. Connect the shields of the cable together at each device using a wire nut (or the S terminal in other KMC BACnet controllers).
NOTE: The S (Shield) terminal in KMC controllers is provided as a connecting point for the shield. The terminal is not connected to the ground of the controller. When connecting to controllers from other manufacturers, verify the shield connection is not connected to the controller’s ground.

Illustration 10—MS/TP Connections and EOL (MS/TP Models)
- Connect the cable shield to a good earth ground at one end only.
NOTE: Devices on physical ends of MS/TP wiring segments must have EOL (End Of Line) termination for proper network operation. Verify the FlexStat’s EOL switch is in the proper position.
- If a FlexStat is at the physical end of the MS/ TP network line (only one wire on each –A or +B terminal), set both EOL switches to On on the back of the circuit board. If not on the end of the line (two wires on each terminal), ensure that both switches are Off.
SENSOR AND EQUIPMENT CONNECTIONS
Input Connections
- Wire any additional sensors to the appropriate input terminals. See the BAC-19xxxx FlexStat Sequence of Operation and Wiring Guide. (These applications are the selectable packaged programs in the BAC-19xxxx models.)
NOTE: Use KMC software to properly configure the devices. For passive input devices (e.g., switch contacts and 10K ohm thermistors), set the termination to the 10K Ohm position. For active voltage devices, set it to the 0 to 12 VDC position. Unused analog inputs can be converted to binary inputs by rightclicking the input object in KMC software and selecting Convert to…. Wire sizes 14–22 AWG can be clamped in each terminal. No more than two 16 AWG wires can be joined at a common point.
Output Connections
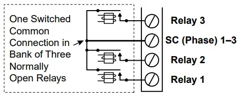
- Wire additional equipment (such as fans, dampers, and valves) to the appropriate output terminals. See the BAC-19xxxx FlexStat Sequence of Operation and Wiring Guide. Connect the device under control between the desired output terminal and the related SC (Switched Common for relays) or GND (Ground for analog outputs) terminal.

Illustration 11—Switched (Relay) Common and Relay Bank
NOTE: For the bank of three relays, there is one Switched (relay) Common connection (in place of the GND terminal used with analog outputs).
(See Illustration 11.) For the relay circuit, the phase side of the AC should be connected to the SC terminal. FlexStat relays are NO, SPST (Form “A”).Unused analog outputs can be converted to binary outputs by rightclicking the output object in KMC software and selecting Convert to Binary Object.
CAUTION Do not attach a device that draws current exceeding the FlexStat’s output capacity:
- Maximum output current for individual ANALOG/UNIVERSAL outputs is 100 mA (at 0–12 VDC) or 100 mA total for all analog outputs.
- Max. output current is 1 A for individual RELAYS at 24 VAC/VDC or a total of 1.5 A for relays 1–3 or 4–6.Relays are for Class-2 voltages (24 VAC) only. Do not connect line voltage to the relays! Do not mistakenly connect 24 VAC to an analog output ground. This is not the same as a relay’s (SC) Switched Common. See the backplate’s terminal label for the correct terminal.
POWER CONNECTION
CAUTION To avoid damage from ground loops and other communication issues in networked MS/TP model FlexStats, correct phasing on MS/TP network and power connections on ALL the networked controllers is critically important
NOTE: Follow all local regulations and wiring codes.
Connect a 24 VAC, Class-2 transformer (or 24 VDC power supply) to the power terminals (see Illustration 12):
- A. Connect the neutral side of the transformer to the common (–/C) terminal ⊥.
- B. Connect the AC phase side of the transformer to the phase (~/R)terminal ∼.

Illustration 12—Power Terminals
NOTE: Connect only one controller to each
transformer with 14—22 AWG copper
wire.
For information on principles and
good practices when connecting
transformers, see Tips for Connecting
24-Volt Power Application Note
(AN0604D).
To connect 24 VDC (–15%, +20%) instead of VAC power:
• Connect 24 VDC to the ∼ (phase/R) terminal.
• Connect GND to the ⊥.(common) terminal.
Use either shielded connecting cablesor enclose all cables in conduit to maintain RF emissions specifications.If power is applied to the terminals, the FlexStat will power up when it is reinstalled on the backplate. See Mounting on page 2.
CONFIGURATION AND PROGRAMMING
To set up the FlexStat from the touchscreen:
- Push and hold the upper left corner of the screen (space temperature reading) to start.
- Select the desired options and values. See the BAC-19xxxx FlexStat Application Guide for details.

Illustration 13—Screen Menus Access (Default)
NOTE: Options in menus are dependent on the FlexStat model and selected application.
Advanced configuration of a FlexStat can be done through software. See the BAC-190000 Series FlexStats Data Sheet for the most relevant KMC Controls tool for additional configuring, programming (with Control Basic), and/or creating graphics for the controller. See the documents or Help systems for the respective KMC tool for more information.
MS/TP NETWORK ACCESS PORT
The MS/TP EIA-485 data port on the bottom of the cover provides technicians temporary access to an MS/TP network (not Ethernet) using an HPO-5551, BAC-5051E, and KMC Connect. See the documentation for those products for details.
Illustration 14—MS/TP (EIA-485) Data Port
MAINTENANCE
To maintain accurate temperature and humidity sensing, remove dust as necessary from the ventilation holes in the top and bottom of the case. To maintain maximum sensitivity of the built-in motion sensor, occasionally wipe dust or dirt off the lens—but do not use any fluid on the sensor. To clean the case or display, use a soft, damp cloth (and mild soap if necessary).
ADDITIONAL RESOURCES
The latest support files are always available on the KMC Controls web site (www.kmccontrols.com). To see all available files, you will need to log-in.
See the BAC-190000 Series FlexStats Data Sheet for:
- Specifications
- Accessories and replacement parts
See the BAC-19xxxx FlexStat Sequence of Operation and Wiring Guide for:
- Sample wiring for applications
- Sequences of operation
- Input/output objects and connections
See the BAC-19xxxx FlexStat Application Guide for:
- Configuration of settings
- Passwords
- Communication options
- Display customization
- Wiring considerations
- CO2 and DCV information
- Restarting options
- Troubleshooting
For additional instructions on custom configuration and programming, see the Help system in the
relevant KMC software tool.
IMPORTANT NOTICES
NOTE: This device complies with Part 15 of the FCC Rules. Operation is subject to the following two conditions:
- This device may not cause harmfulinterference,
- This device must accept any interference received, including interference that may cause undesired operation. A BAC-19xxxx Class A digital apparatus complies with Canadian ICES-003.
The material in this document is for information purposes only. The contents and the product it describes are subject to change without notice. KMC Controls, Inc. makes no representations or warranties with respect to this document. In no event shall KMC Controls, Inc. be liable for any damages, direct, or incidental, arising out of or related to the use of this document.
The KMC logo is a registered trademark of KMC Controls, Inc. All rights reserved.
TEL: 574.831.5250
FAX: 574.831.5252
EMAIL: [email protected]
























