Installation instructions
Order number: 201064
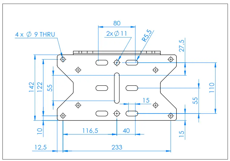
Designed for Warn VRX 45 and AXON 45/55 winches. Mountin bolt pattern: 167,4mm x 76,2mm (6.59” x
3.0”).

Parts list
1 pcs Mounting Plate 1801_032B
4 pcs Countersunk Head Screw M8x25
1 pcs Installation instructions
Installation dimensions
Overall dimensions: (WxDxH) 258 x 150 x 53mm.
Made: Stainless Steel – Ferritic – 1.4003, t=5mm
Finishing: Powder coated in black.
Note! If you are installing a winch on a platform it may be you will have to raise the plate up from the level this way the rope guide rollers will fit.

Manufacturer:
Atlok Oy – Tehtaankatu 13B – 11710 Riihimäki – FINLAND
+358105484300 – [email protected] – www.atlok.fi












