ZTE A202ZT 5G SmartPhone

Product Introduction
Congratulations on your purchase and welcome to Philips! Our reverse osmosis under-the-sink water Filtration systems are with high Filtration Flow rate and tankless design, which ensure every drop of water is freshly Filtered and save space.
The reverse osmosis membrane has a deep Filtration level down to 0.0001 micron, which effectively removes viruses, bacteria, heavy metals, pesticides, water hardness, volatile organic compounds, chlorine, and more, giving you great tasting water.* Read this user manual carefully before you use the appliance. Save it for future reference.
Note:
The water supplied by reverse osmosis systems has low mineral content. The mineral salts required by the human body are provided by food and to a lesser extent by the water we drink.
* The substances removed or reduced by this system are not necessarily in all user’s water
Product Specification
| Product name | Philips reverse osmosis under-the-sink water filtration system |
| Product model | AUT7006 |
| Filtered water flow rate | 2.1 liters/minute |
| Filtration capacity | PC 4-in-1 filter: 10,950 -15,330 liters RO filter: 11,000 – 18,250 liters |
| Inlet water pressure | 0.1-0.4 MPa** |
| Inlet water temperature | 5℃-38℃ |
| Rated voltage | 24V |
| Rated power | 110 W |
| Maximum inlet water TDS | 1500 ppm*** |
| Maximum inlet water hardness | 15 °HF*** |
| Applicable water source | Municipal tap water, which meets all European Directive on Water for Human Consumption 98/83 requirements and its national transpositions in the various EU member states. |
** When the inlet water pressure exceeds 0.4 MPa, a pressure relief valve should be installed before the system. When the inlet water pressure is below 0.1 MPa, a pressure booster should be installed before the system. The pressure relief valve and extra pressure booster need to be purchased separately.
*** If the salinity of inlet water exceeds 1500 ppm, or the hardness exceeds 15 °HF, the lifetime of the filters may be impacted. Please consult with your dealer about installing pre filters before the system.
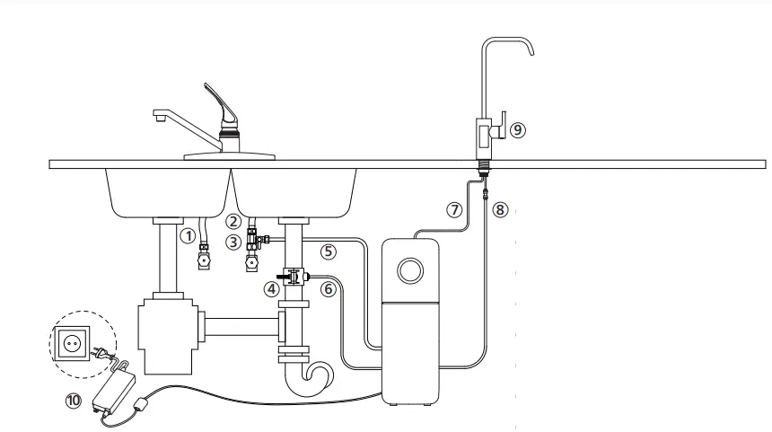
Product overview and installation illustration

- Cover
- Reverse osmosis filter (RO)
- PC 4-in-1 Filter
- System
- Faucet and accessory
- Quick connect fitting
- Three-way ball valve
- 1/4” PE pipe
- 3/8” PE pipe
- Power adapter with plug
- Drain connector
- Wrench

Installation
Note:
- Before installation, it is important to check the condition of the system to make sure it has not been damaged during transport.
- Unpack the system and its accessories. Remove the protective packaging material. Recyclable materials have been used for the packaging and should be disposed of in the appropriate recycling bins or at the specific local recycling center. Warning: Keep plastic bags out of the reach of children, as they may be dangerous.
- Check if anything is missing according to the packing list and the overview.
- Given that the system will improve the quality of your drinking water, all tools to be used in the installation process should be clean, rust and grease-free.
- The installation process should be carried out under appropriate hygienic conditions, taking all necessary precautions concerning materials and components that will come into contact with water to be treated or consumed.
- Avoid external contamination of the system through improper handling, using gloves, sanitizing gel, and washing hands as often as is necessary during the installation process, first use, and system maintenance.
- The system and installation shall comply with applicable local regulations
This product cannot be disposed of with other domestic waste products. At the end of the product’s service life, it should be returned to the place of purchase, or at a local recycling center, indicating that it contains electric and electronic components. The appropriate collection and treatment of the product, which no longer are to be used, contributes to the preservation of natural resources and avoids any potential public health risks.
- Install the three-way ball valve
a. Turn off the cold water supply. Turn on the kitchen cold water faucet to release the pressure and allow water to drain from the line. Disconnect the cold water hose from the cold water valve.
b. Slide the nut of the three-way ball valve onto the 3/8″ PE pipe pipe and insert the pipe into the opening of the three-way ball valve. Tighten the nut with a wrench

c. Install the three-way ball valve on the cold water valve. Please don’t miss the gasket inside the three-way ball valve during installation.
d. Connect the cold water hose with the three-way ball valve and screw it tightly with a wrench. Please don’t miss the gasket in the cold water hose during installation.
e. Switch off the three-way ball valve. Turn on the cold water supply. Wipe the connections with a tissue to see if there is leakage. If the tissue stays dry, it means the three-way ball valve is installed properly.
- Install the faucet
Note:
Select an appropriate installation position. The environment where the faucet is installed should adhere to any appropriate hygiene and sanitation conditions.
Make sure the faucet sits fiat on top of the sink or countertop surface.
a. Drill a hole with a diameter of about 25 mm. Skip this step if there is already a hole in the sink or the countertop surface.
b. Install the faucet according to the diagram. Screw the faucet stem nut all the way up the faucet stem, and tighten it to secure the faucet.
c. Connect the faucet cable to the faucet connector in the back of the system and tighten the nut to secure the cable.
- Installing the system
Note:
Please check if there is sufficient space for installing the system itself, its accessories, connections, and for servicing and repair. Under no circumstances should the system be installed outdoors. The environment where the system is installed should adhere to any appropriate hygiene and sanitation conditions. Avoid any external dripping liquids from pipes or drains etc onto the system.
This system should be placed on a stable and fiat surface. Keep the system away rom heat.
It shall not be placed in a place that may have inflammable gas leakage.
a. Press down the collets and pull out the plugs of the water inlet and outlet holes in the back of the system.
b. Connect the water inlet and the three-way ball valve.
Measure the length of the 3/8″ pipe you need to connect the system and the
three-way ball valve, and cut it accordingly with a pipe cutter. Insert the other end of the 3/8″ pipe which has been connected with the three-way ball valve into the water inlet hole in the back of the system. Use a clip to secure the pipe at the hole.
Note: The inlet water pressure should be within 0.1-0.4 MPa. If the pressure is too low, a pressure booster should be installed prior to the system. If the pressure is too high, a pressure relief valve should be installed prior to the system.
c. Connect the water outlet and the faucet After you measure the length of the 1/4″ pipe you need to connect the system and the faucet, cut the 1/4” pipe with a pipe cutter. Insert one end of the pipe into a quick connect fitting, and connect the quick connect fitting on the stem of the faucet. Insert the other end of the 1/4″ pipe into the filtered water outlet hole in the back of the system until it stops. Use a clip to secure the pipe at the hole.
d. Connect the drain water outlet and the drain connector
Identify the drain outlet location. Drill a 6.5mm hole on the drain pipe. Install the drain connector according to the diagram. Securely tighten the nuts. Cut a section of 1/4” pipe. Insert one end of the pipe into the drain outlet hole in the back of the system until it stops.
Use a clip to secure the pipe at the hole. Insert the other end of the pipe into the drain connector.
Note:
- Do not install the drain connector onto the same drain pipe as the garbage disposal.
- Do not penetrate opposite side of the pipe when drilling the hole.
e. Connect the power adapter with the system. DO NOT put the plug in the socket yet.

f. Move the system to its space in the under-the-sink cabinet.
g. Remove the plastic wrap of the filter cartridges. Insert the filter cartridges in the system accordingly, and turn them clockwise to align the triangle icon on the filter cartridge with the lock icon on the system.
h. Check if the system is installed properly, and turn on the three-way ball valve.
Using the system
- Before the first-time use
a. Connect the system with power. You will hear a beep, and all indicators will light up for 3 seconds. The system flush will be automatically on. Wipe all the joints and connections with tissue to check if there is leakage. If the tissue stays dry, it means the system is installed properly. If there is no further operation after the auto-flush, the system will turn into standby mode, and the indicators will be off.
b. After the auto-flush is completed, turn on the faucet to allow water to run for 30 minutes to flush the air and carbon fines through the filters. After that, the system is ready and you can start to consume the filtered water.
- User interface

- PC 4-in-1 filter lifetime indicator
- RO filter lifetime indicator
- Power indicator
- Error indicator
- Error indicator
- Flush button
When the faucet is turned on, all the indicators will light up to show the filter lifetime, the power status, and the error indicator will be off unless there is an error.
a. Filter lifetime indicator
| Status | Indicator | Sound alert |
| More than 14 days | Constant blue light (machine) Constant white light (faucet) | N/A |
| Less than 14 days | Flashing red light (machine & faucet) | There will be beeps whenever the faucet is turned on, reminding you to replace the filter. |
| The filter has reached the end of life and should be replaced immediately | Constant red light (machine & faucet) | There will be beeps whenever the faucet is turned on, reminding you to replace the filter. |
b. Error indicator
- If the faucet is constantly turned on for 2 hours, the system will go into protection mode and shut down. Meanwhile, the error indicator fiashes in red, and you will hear beeps.
Unplug the system, wait for 1 minute, and plug in again to shoot the trouble.
c. Auto-flush - The system flushes automatically when it is powered up.
- The system flushes automatically when it has been filtering water continuously for 5 minutes.
- The system flushes automatically when it is hasn’t been filtering water for 72 hours.
d. Flush button
You may manually flush the system by pressing the flush button when the system is in standby mode. During the flush, press the flush button again to stop it.
e. Reset button
To reset the fllter lifetime, long press the reset button for 5 seconds. You will hear a beep, and the indicator of CP fllter lifetime flashes blue. Short press the reset button again to
select the fllter that needs to be reset.
When the indicator of the selected filter fiashes, long-press the reset button for 3 seconds.
You will hear a beep, and the indicator will show constant blue light. This means the filter lifetime has been reset successfully.
Maintenance
1. Routine maintenance
- Organic solvent such as gasoline etc. shall not be used for wiping the housing of the device. If cleaning is required, please gently wipe the surface of the product with a wet cloth after it is disconnected from the power supply.
- If the system is not used for more than 2 days, turn on the faucet and allow the water to run for at least 5 minutes to flush the filters and the system.
- If the system will not be used for an extended period, take out the filter cartridges, seal them with plastic wraps, and store them in the refrigerator (not in the freezer). Turn off the three-way ball valve, turn on the faucet to empty the system, and turn off the power. Before using it again, allow the water to run for at least 10 minutes to flush the filters and the system.
Filter lifetime
Note
For the best performance, please change your filter cartridge according to the filter lifetime indicator, or the filter replacement cycle suggested below. When a significantly lower flow rate is observed, we recommend changing the filters as well.
This system can only work with Philips filters.
| Filter | Model code | Filter lifetime |
| PC 4-in-1 filter | AUT728 | 12-24 months* |
| RO filter | AUT780 | 36-60 months* |
* The actual lifetime of the filter cartridge depends on the local tap water quality and daily usage. The recommended replacement cycle is an average based on different local tap water quality. If the local tap water quality is below the average, the actual lifetime of
the cartridge would differ from the recommended replacement cycle. If the filter cartridge is blocked, please replace it.
Filter cartridge replacement
a. Turn off the power and water supply before replacing the fi1lter cartridges.
b. Remove the front cover.
c. Turn the filter that needs to be replaced anticlockwise and pull it out.
d. Remove the packaging of the new filter and insert the cartridge in the system.
Turn it clockwise to align the triangle icon on the filter cartridge with the lock icon on the system.
e. Turn on the water supply and re-connect with power. If the RO filter is replaced, turn on the faucet and allow the water to run for 30 minutes. If the CP filter is replaced, turn on the faucet and allow water to run for 10 minutes.
f. Reset the filter lifetime according to chapter V.
Precautions
- Warning
- This is NOT a water purifier. Always use municipal tap water as the water source.
Do not use water that is microbiologically unsafe or of unknown quality without adequate disinfection before or after the system. - This system is not intended for use by persons (including children) with reduced physical sensory or mental capabilities, or lack of experience and knowledge unless they have been given supervision or instruction concerning the use of the appliance by a person responsible for their safety. Children should be supervised to ensure that they do not play with the system.
- Be sure to handle the system gently and carefully. Do not attempt to modify or repair the system yourself, otherwise, the warranty becomes invalid.
- This device is intended for domestic use only.
- The inlet water temperature of the system should be within 5-38℃. When the inlet water temperature exceeds 38℃, the filter could be damaged and become invalid. If the inlet water temperature is lower than 5℃, it may cause freezing and the parts of the system to rupture, resulting in water leakage.
- Do not reverse the installation order of the filter cartridges to avoid affecting the filter performance of the system.
- If the system is abnormal or faulty, stop using it immediately. Close the inlet water valve, and turn on the faucet to empty the system. Events of faults include:
- Leakage
- The product is cracked or damaged
- There is an abnormal sound or burnt smell
- The machine does not work
Please contact consumer care for inspection immediately.
- If not using the system for an extended period, turn off the water supply, and turn on the faucet to release the internal pressure to avoid damage to the system
Troubleshooting
| Problem | Possible cause | Solution |
| No water comes out from the faucet. | Cold water valve or the three-way ball valve is turned off. | Turn on the valves. |
| The system is not connected with power. | Check if the power adapter is connected to the system and the power socket properly. | |
| The flow rate gets slower. | Filter is blocked. | Replace the filter. |
| Inlet water pressure is low. | Wait until the inlet water pressure gets stable, or install a pressure boost before the system if the inlet water pressure is constantly lower than 0.1 MPa. | |
| Poor outlet water quality. | Filter has reached the end of life. | Replace the filter. |
| The system hasn’t been used for some time. | Turn on the faucet and allow the water to run for 5 minutes. | |
| The inlet water quality is poor. | Always use municipal tap water as the water source. Do not use water that is microbiologically unsafe or of unknown quality without adequate disinfection before or after the system. | |
| Error indicator lights up in red, and there are beeps. | The system has been filtering water continuously for 2 hours. | Unplug the system, wait for 1 minute, and plug in again to shoot the trouble. |
| The PCB board is damaged. | Contact consumer care. | |
| Filter lifetime indicators don’t light up when the faucet is turned on. | The electronic module is damaged. | Contact consumer care. |
| The reset button doesn’t work. | Didn’t press the button long enough to trigger the reset. | Long press the reset button for 5 seconds. |
| The flush button doesn’t work. | The button module is damaged. | Contact consumer care. |
| Indicators don’t light up. | The system is not connected with power. | Check if the power adapter is connected to the system and the power socket properly. |
| The light board is damaged. | Contact consumer care. | |
| The smart faucet doesn’t work. | The smart faucet is not connected with power. | Make sure the faucet cable is securely connected with the system. |
| The smart faucet is damaged. | Contact consumer care. |
Guarantee & Service
If you need information or if you have any problems, please visit www.philips.com or contact the consumer care center in your country. If there is no consumer care center in your country, go to a local dealer. Within two years from the date of purchase, you will receive free warranty service for any damage caused by the manufacturing process, or components under normal operation confirmed by our maintenance service.
The warranty service does not include frequently replaced consumable components, auxiliary devices, transportation fees, and door-to-door service. Please show the proof of purchase to the service personnel during maintenance.
Packing list
| System | 1X |
| PC 4-in-1 filter | 1X |
| RO filter | 1X |
| Power adapter with plug | 1X |
| Three-way ball valve | 1X |
| 1/4″ PE pipe | 1X |
| 3/8″ PE pipe | 1X |
| Smart faucet and accessory | 1X |
| User manual | 1X |
| Drain connector | 1X |
| Wrench | 1X |
Please keep this user manual for future reference.
The information of this user manual is subject to change without prior notice to the users.
Specifications are subject to change without notice www.philips.com/water
© 2022 AquaShield
All rights reserved.
The Philips trademark and the Philips Shield Emblem are registered trademarks of Koninklijke Philips N.V. used under license.
This product has been manufactured by and is sold under the responsibility of Hong Kong AquaShield Health Technology Company Limited and Hong Kong AquaShield Health Technology Company Limited is the warrantor in relation to this product. Rev B JUN 22



























