SimPure Q3-600 Sink Tankless Reverse Osmosis Water Filtration System User Manual
Who We Are
- SimPure® is a purification brand based in the United States, focusing on engineering filtration and advanced purification technologies.
- SimPure® promotes the philosophy of a minimalist lifestyle, returning to nature with clean water and fresh air.
- SimPure®designs products to be both smart, easy to operate, and practical in appearance and functionality.
Overview
Getting Started
- Introduction
- Warning & Caution
- Operating Guidelines
- Typical Installation
Installation Guide
- Installation Kit
- Installation Guide
- Installation Steps
- Assemble Components
Operation Guide
- Operation & Maintenance Guide
- Replacement Filter
- Frequently asked questions
- Warranty
Getting Started
Introduction
Thank you for purchasing the SimPure®Q3-600 RO Water Filtration System which delivers purified water to your home or office. Please refer to the SimPure® website for the latest product information, including manuals, product videos, support materials, and where to purchase SimPure® products and consumables.
The Q3-600 is a piece of durable equipment, with proper care it will last for many years. This owner’s handbook outlines the installation, operation, and maintenance requirements to sustain better product performance.
The Q3-600 features different stage of filtration . . to produce clean water for your family.
- Sediment removal
- Chlorine removal
- Taste & odor filtration
- Reverse Osmosis (RO)
Customer Service: [email protected]
Toll-Free :1-866-528-4572
Website: www.simpurelife.com
Q3-600 can filter out impurities and particles from your water, such as sediment, dirt, rust, chlorine, odors, lead, organic matter, and heavy metals, offering a better water quality.
Warning & Caution
SimPure® products are designed with safety in mind. However,personnel working on these units must be familiar with any potential dangers. All safety information detailed in this handbook should be reviewed before installing and operating this water purification system.
Thoroughly flushing of the unit is required at start-up and when filters replaced (flushing instructions on page 15 of manual). The purpose of flushing is to remove protective liquid (Food-Grade Glycerin) in RO membrane and possible shipping dust.
This product is not a toy, please keep children away from the System or use under adult supervision. Please keep packing materials out of children’s reach.
The System has been designed for indoor use only. Install the System out of direct sunlight and secure it to a vertical surface such as a wall or inside a cupboard at ambient room temperature.
Do not move the System without first shutting off the water supply, draining, and releasing the water pressure.
This unit is for use with cold municipal tap water or potable well water that has been tested safe by a certified laboratory. Never use hot water or unknown/unsafe sources of water.
The installation of the System must comply with your local and state regulations. Please check before commencing installation.
In case of malfunction, shut-off the water supply to the System. Ifany part of the System is damaged or missing, replace the item before use.
Warnings and Cautions are provided; Failing to observe the instructions could result in damage to the equipment, associated parts, surroundings, or personal injury.
Operating Guidelines
The following table lists the operating parameters for this product. Operating this product outside these specifications may cause system performance issues and may even lead to personal injury and void any warranty. Please contact Sim Pure ® for further advice and support if you are uncertain about the requirements.
| Model | SimPure® Q3-600 |
| Maximum Flow | type, operating pressure and water temperature. |
| Power Requirements | 110 Volts 60Hz AC. 85w |
| Feed Water Type | Municipal Potable/Tap water or Well water meeting government drinking water standards. |
| Feed Water Pressure | 15 — 60 PSINote: Install a pressure regulator if exceeding this feed water pressure. |
| Feed Water Temperature | 41—100°F (5—38°C) |
| Ambient Temperature | 40-104°F (4-40°C) |
| Feedwater TDS* level | < 500 ppm |
| Water Hardness (Optional) | For optimal results, use feedwater with a hardness level below 10 grains per gallon and no iron present. |
TDS = Total Dissolved Solids, which i the total weight of al solids dissolved ina given volume of water,expressed i units of mg per unit volume of water (/L) also referred to as parts-per-million (pprm). With a Sim Pure® TDS meter, you can easily compare the system outlet quality with your source water to help monitor the performance of the system.
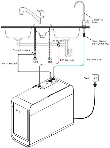
Typical Installation
The following illustration is an example of a typical under sink installation. No additional accessories required.
Installation
System Contents
Your SimPure® Q3-600 Water Filtration System was carefully assembled, packaged, and shipped complete with the parts required for a standard installation
Uncertain about something? Is there a problem? Please contact SimPure® through our website or toll-free number.
Installation Kit
Carefully unpack your SimPure® Q3-600 Water Filtration System. Layout the parts, so you can familiarize yourself with the components, check nothing is missing before starting the installation.
Package Contents List
| Description | |
| A | Main body |
| B | Gooseneck |
| C | Power adapter |
| D | Drain saddle |
| E | Tubing 3/8” PE (White, 59 inches) |
| F | Tubing 3/8” PE (Blue, 59 inches) |
| o | Tubing i/4′ pr (Red, 59 inches) |
| H | Feedwater valve â6 “ |
| M | Spare parts kit |
| MI | 3Z8” male comp. x ‘Zz” female NPT convertor fitting |
| MZ | ‘Z2” male NPT x 3Z8” female comp. convertor fitting |
| M3 | 3Z8” Card pin (x3) |
| M4 | 1/q” Card pin (x3) |
| M5 | Faucet adaptor 3/8″x1/4″ tube QC |
| M6 | Teflon tape (roll) |
| M7 | 0-rings for filter cartridges (x6) |

Installation Guide
Read the entire manual thoroughly before beginning the installation. Take note of the safety tips and follow all steps to ensure your system is installed correctly before use. Installation needs to comply with state and local laws and regulations; It is required to check and comply with all local plumbing codes. Warning: Massachusetts, requires installation by a licensed plumber and does not permit the use of saddle valves. (plumbing code 248-CMR of the Commonwea) of Massachusetts)
Hand tools required
Essential hand tools are required to install the SimPure® Q3-600 RO water purification system. An electric drill, drill bits up to %” (12.5mm), Adjustable wrench, tube cutters (or knife), cross-head screwdriver (Phillips).
Plan your Installation
Your SimPure® Q3-600 Water Purifier can be installed under a sink or in a remote location. Typical remote sites include a laundry room or utility room. Review the location options below and determine where you are going to install your system.
- Option 1: Under-Sink. The unit can be installed in a kitchen or bathroom sink cabinet. A suitable drain point is required to drain water from the Reverse Osmosis system.
- Option 2: Remote Location. The unit may also be installed in a remote location away from the RO Faucet. A nearby feed water source and drain point connection are necessary, and you may need additional tubing or a delivery pump depending on how far away you plan to install or if you plan to link to a refrigerator.
Please Attention:
- When the Q3-600 RO system is connected to the refrigerator/ice maker at the same time, the water flow rate will slow down.
- You may need to purchase additional pressure tank equipment and tubing to alleviate water flow problems.
- Itis recommended that contact our customer service before connecting the refrigerator/ice maker.
Check Location and Space Requirements
Determine and check the size and position of the Q3-600 for proper installation into the chosen space and remember to leave enough room around the System for changing filters and maintenance.
Installation Steps
Step 1 – Install the feed water adaptor valve
If the cold water valve outlet is 3/8”, it can be directly connected by following steps.
Locate Shut off valve. Turn off the COLD water shut off valve located under the sink.
Warning: Make sure you have turned the water supply off before starting any plumbing work.
Remove the original connection
from between the faucet and the cold water shut off valve under the sink. Connect the cold-water supply and feed water adapter valve.
Note: Please check if the sealing ring is installed, or it may cause water leaking. If the cold water valve outlet is 1/2”, it can be connected via the following two fittings.
Step 2 – Install the faucet

Fixing to the Sink. Try to install the faucet on the sink surround if possible, using one of the mounting holes already available, remove the cover, make sure you have clear access above and below.
If there are no additional holes available, you will need to drill a suitable hole. Max.thickness 1.2 inches. If you need to drill the counter top, especially for granite, tile, or concrete ones, you may need professional assistance.
Using a hammer and center punch, mark the hole. Drill a pilot hole first, working up to %” (12.5mm) drill bit. Insert the faucet through the hole with the top gasket in place and secure it with the lockout.
Step 3 – Install the Drain Saddle
If installing the product under a sink, make sure you connect the drain to a straight piece of pipe and make sure it is BEFORE the water trap (‘P’ trap or ‘U’ bend) see diagram below.
INSTALLATION
Only install saddle valve on straignt pipe above any water traps!
WARNING!
Never mount drain saddle on bends or below the water trap!
Drill a %” (6.5mm) hole on the drainpipe with an electric drill.
Remove the backing and stick the saddle valve seal on the pipe, line up ‘ n the holes.
Assemble the drain saddle valve according to the diagram below and tighten the bolts evenly with the cross-head screwdriver to allow the clap to fit snuggly around the pipe (Do Not Over tighten). Once secure, insert the %” PE tube into the saddle valve QC fitting.
Step 4 – Connect Tubing (refer to page 16 for instructions on use of Quick Connect Fittings)
Follow the instruction below to connect the SimPure® Q3-600 Filtration System.
- Inlet Water (A)
Use 3/8″ white tube to connect the Inletwater port and the Feedwater Valve. (refer to white tube connect) - Waste Water (B)
Use 1/4″ red tube to connect the waster water port and the Drain Saddle. (refer to red tube connect) - Outlet Water (C)
Use 3/8″ blue tube to connect the outlet water port and the Gooseneck Faucet. (refer to blue tube connect)

Step 5 – System Flushing(start up the system and filter replacement)
- System flushing— Turn on the Feedwater valve and gooseneck faucet, then plug in and let the system run for 20 minutes to rinse all fittings and the new filters. Check if any signs of leaks. Warning: Make sure the socket under the sink is powered on, and ensure the system has been plugged correctly into the power outlet.
- Enjoy your drinking water—After flushing, the system is ready for use. Turn on the faucet and enjoy it.
Note: There will be some noise when the system is running, this is normal.
The noise will disappear when the faucet is turned off.
Assemble the Components
The Sim Pure® Q3-600 Water Purification system uses quick-connect (QC) fittings making the installation simple and easy.
- How to release tube (or plug) from a quick-connect.

- Remove the locking C-clip by sliding it out from under the quick- connect fitting collect.
- Push the collet down onto the fitting (closing the gap between the collet and fitting) and hold.
- While holding the collet down, gently pull tube (or plug) in the opposite direction at the same time to release.
- How to insert tube into a quick-connect.

- Make sure the tube has a clean square cut with no bur present.
- Push the tube firmly into the QC fitting, making sure it is located correctly (you will feel the tube ‘jump’ into position as you push it into the fitting). The 1/4″ tube is secure once it has traveled */s” (15mm) into the fitting. The 3/8″ tube is secure once it has traveled /4″ (19mm) into the fitting.
- Replace the locking C-clips to secure the QC fitting.

In order to prevent water leakage, please be sure to install the Card Pin in the correct location upon connecting the tubing.
Operation and Maintenance Guide
Control Panel
The Sim Pure® Q3-600 control panel has one push-button, and two indicators to operate the system and to display the service life of filters.
Warning Indicators
CF Indicator -Indicates when the user needs to replace the CF Filter. After plugging in the power, the indicator light remains on and will flash when the filter lifespan expires.
10O Indicator -Indicates when the user needs to replace the RO Filter. After plugging in the power, the indicator light remains on and will flash when the filter lifespan expires.
Reset Button -Used to reset the filter cartridge, please refer to page 18 for details. (After plugging in the power, the indicator light remains on)
Safety Protection – All indicator lights will flash, the system will stop filtering water. Reset the system by reconnecting the power.
Replacing Filter Cartridges
After replacing the filter cartridges, please follow the following steps to reset the filter indicator light, and then flush the system (refer to page 15 for details).

Reset Button —To reset the filter cartridge. S
Step 1: Hold the Reset button down for 3-seconds; you will hear 1-beeps.
Step 2: Select the filter cartridge you want to reset. After 1-beeps. the “CF” indicator light will flash. Move to step 3 to complete CF reset; if you want to reset the RO filter, please just press the Reset button once to select the “RO”, then the “RO” indicator light will flash.
Step 3: Hold the Reset button down for at least 3-second to complete the reset process, you will hear 1-beeps, the selected filter indicator light will change from flashing to steady, and the system will return to regular operation.
If there is no operation within 10 seconds, during each stage of the filter reset process, the System will exit the setting state automatically.
Note: the above steps can only reset one selected filter cartridge at a time, and it cannot reset two filter cartridges at the same time.
Filter Replacement Details
Note: Due to the difference in feed water quality, the above is an estimate only. Please contact Sim Pure® for purchase options:
Filter cartridge replacement steps
Note: Before replacing the filter cartridge, please be sure to follow the following step.
Firstly, turn off the feed water valve, then turn on the faucet to release the water pressure inside the machine. Finally, turn off the power supply.
Step 1 – Open the side plate (See Figure A), you can see the CF Filter Cartridge and the RO Filter Cartridge. (See Figure B)
Step 2 – Open the locking latch (See Figure C), and then open the latch to both sides (See Figure D). Now you can take out the old CF(RO) Filter Cartridge.
Step 3 – Match the corresponding labels(‘RO to RO’ or ‘CF to CF) and install the new CF(RO) Filter Cartridge (See Figure E). Finally, lock the Locking Latch. (See Figure F)
Note: Refer to the markings to ensure that each filter cartridge is installed in the correct location.
Step 4 – Align the hole position and close the side plate.(See Figure G)
Tips:
- Before installing the filter, ensure that the markings on the filter and the markings on the locking latch are consistent.
- After installing the filter, ensure the locking latch is securely fastened.
Frequently Asked Questions
Q: The system cannot be powered on after you insert the power plug.
A: Check the power under the sink, as this occurs primarily when the power under the sink is powered off. Also check the connection between the power plug and the power outlet to ensure that the system has been correctly plugged into the power outlet. To test whether there is a problem with the system itself, simply pick up the system and try another power outlet.
Q: No output water from the faucet.
A1: Water supply is off: Turn on the feed water adapter or water supply valve A2: Incorrect filter installation: Reinstall the filter and make sure each filter cartridge is installed in the correct location. A3: A tubing is crimped: Check all the tubing and remove any crimps. A4: When the system continuously dispenses water over 1 hour, the system will enter safety protection mode. All the indicator lights will flash, the system will stop filtering water. Reset the system by reconnecting the power. AS: The connection between the inlet and outlet water tube is incorrect; Check if the inlet water tube is connected to the outlet of the system and the outlet tube is connected to the inlet of the system. If so, please install it correctly according to the manual.
Q: Low water flow at the faucet.
A1: A tubing is crimped or there is a leak from the tubing connection: Check to ensure that all tubing is installed correctly and completely. A2: Low water temperature: Be sure to use it at a temperature of 41-100°F. A3: Low water pressure: Confirm the water pressure is between 15-60 psi. A4: The filter cartridge has been clogged: If you are using well water as the source, please ensure that the feed water has been through a pre-filtration system. Otherwise, large particles in the well water will easily clog the filter and shorten the filter life.
Q: Why does black water come out during flushing?
A: It's normal that black water comes out when flushing. The purpose is to remove carbon powder remaining on the surface of filter materials. After flushing for 5 minutes, the water is ready to use.
Q: Filtered water from the faucet tastes like tap water.
A1: Incorrect tubing installation:Make sure the drain tubing is not connected to the faucet. A2: The filter is expired: Replace the CF filter or RO filter cartridge.
Q: All the indicator lights are flashing.
A: When the system continuously dispenses water over 1 hour, all the indicator lights will flash, and the system will enter safety protection mode. Reset the system by reconnecting the power.
Q: When the faucet was turned off, the wastewater is still flowing out.
A: The solenoid valve is damaged. Please contact Sim Pure Customer Service for support.
Q: The taste of water is poor or has a strange odor.
A1: Adsorption of the CF filter is saturated, please replace the CF filter. A2: The pipeline was incorrectly connected. Check if the pipeline is connected correctly according to the manual. A3: The system has not been used for a long time. Replace all filter cartridges and flush the system.
Q: The system emits significant noise during operation.
A: Inlet water quality is poor. The filters are blocked (before replacement schedule). Please replace the CF and RO filters. Check the quality of inlet water Note: The system will make some noise when filtering water which is normal.
Warranty
Sim Pure® warrants to the customer that its residential Filtration System will be free from defects in material and workmanship under normal use and service for a period of 1 year. We will replace or repair any part of the Sim Pure® Q3- 600 System that we find to be defective in operation due to faulty materials or workmanship within one year since the date of the original purchase. Used replaceable filter cartridges and membranes are excluded.
General Conditions
Sim Pure® obligation to the customer under these warranties shall be limited, at its option, to replacement or repair of items covered by these warranties. Prior to return or repair of covered items, the customer must obtain a return goods authorization number from Sim Pure® and, at Sim Pure® option, return the item with freight prepaid by the customer.
Damage to any part of this System because of misuse, misapplication, negligence, alteration, accident, installation, or operation contrary to our instructions, incompatibility with accessories not installed by Sim Pure®, or damage caused by freezing, flood, fire, or Acts of God are not covered by this warranty. In all such cases, regular charges will apply. This limited warranty does not include service to diagnose a claimed malfunction in this unit. This warranty is void if the claimer is not the original purchaser of the unit or if the unit is not operated under normal municipal water or well water conditions. We assume no warranty liability in connection with this System other than that specified herein. This warranty is in lieu of all other warranties, expressed or implied, including warranties of fitness for a particular purpose. SimPure® liability hereunder shall not exceed the cost of the product. Under no circumstances will SimPure® be liable for any incidental or consequential damages or for any other loss, damage or expense of any kind, including loss of use, arising in connection with the installation or use or inability to use the covered items. These warranties are governed by the laws of the state of Washington, USA, and may change at any time without notice.
Our Products & Services
Consumables
Full selection of consumable items to Full selection of consumable items to into the future are available from Sim Pure® online or through your local Distributor.
Whole House Filtration System
Sim Pure® Whole House Pre-Filter (DC5 series and Big blue series ) help to purify the water coming into your home.
Lasts Longer To Give You The Best Value In Filtration.
Reverse Osmosis System
Sim Pure® Y7P Countertop RO Water Filtration System help to improve your life.
Eliminate the need to purchase bottled water for your home.
Customer Service: [email protected]
Toll-Free :1-866-528-4572
Website: www.simpurelife.com























