KFi PRODUCTS 106335 UTV Pro 2.0 Track Extension Actuator Bracket

ACTUATOR BRACKET

| Item # Qty. Description | ||
| 1 | 1 | Actuator Cradle Bracket |
| 2 | 1 | Actuator Track Extension Bracket |
| 3 | 2 | Cradle Actuator Safety Stop |
| 4 | 1 | Hardware Kit (HK-406) |
| 4.1 | 1 | 3/8”-16 x 1.25 Carriage Bolt GR5 |
| Item # Qty. Description | ||
| 4.2 | 3 | 3/8”-16 x 1.25 Carriage Bolt GR5 |
| 4.3 | 4 | 3/8”-16 Hex Flange NY lock Nut |
| 4.4 | 6 | 5/16”-18 x 1.00 Carriage Bolt GR5 |
| 4.5 | 3 | 5/16”-18 x 1.00 Hex Flange Bolt GR5 |
| 4.6 | 9 | 5/16”-18 Hex Flange NY lock Nut |
INSTALLATION INSTRUCTIONS
Note: Make sure all hardware needed to complete this mount is in the package. Thoroughly read through and understand the instructions before installing.
Note: This kit requires UTV Track Extension Kit #106330 (Sold Separately) to be installed prior to installing the Track Extension Actuator Brackets.
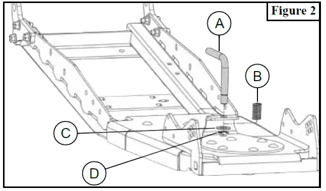
- Remove both plow springs if installed. Set aside as they will be reinstalled later.

- Pull up on the lift latch handle (A), compressing spring (B). Remove the E-retaining clip (D) located under washer (C) as shown in Figure 2. Items (A,B,C, and D) can be discarded as they will not be reused.

- Remove and discard hardware (E) shown in Figure 3.

- Set actuator track extension bracket (2) in place

- Stack both actuator safety stop plates (3) on each other and bolt them to the tube extension using bolts (4.2) and nuts (4.3), as shown in figure 5.

- Set actuator cradle bracket (1) inside of cradle and loosely secure using bolts (3.3) and nuts (3.5) as shown in Figure 6.

- Tighten all hardware evenly
- Plow springs will attach to the front cradle bracket (1). The rear most hole is the stock position, as shown in figure 7.

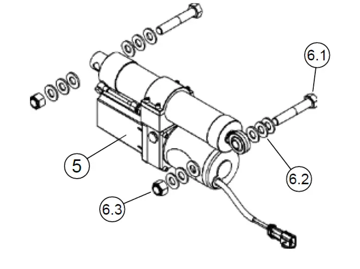
ACTUATOR INSTALLATION INSTRUCTIONS
Note: Actuator is not included with this kit. Items below come with kit #ACT203
| Item # Qty. Description | ||
| 5 | 1 | Actuator |
| 6 | 1 | Hardware Kit |
| 6.1 | 2 | M14-2.00 X 80 Hex Bolts GR8.8 |
| 6.2 | 12 | M14 Flat Washer |
| 6.3 | 2 | M14 X 2.00 Hex Lock Nut |

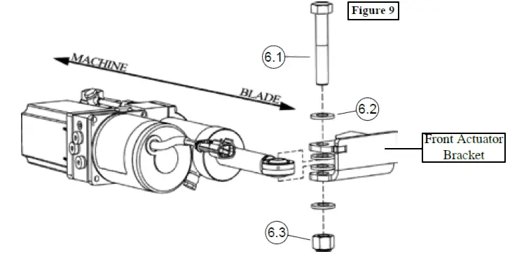
- Place bolt (6.1) through flat washer (6.2), top tab of rear actuator bracket, flat washer (6.2), Hydraulic Actuator (5), flat washer (6.2), bottom tab of rear actuator bracket, and flat washer (6.2). Place NY lock nut (6.3) onto bolt (6.1) as shown in Figure 8. (This orientation of hardware is just a guideline)

- Repeat previous step for mounting the front half of the actuator, as shown in Figure 9. It is most important that you use the washers to make sure that the actuator is parallel to the cradle swivel point, as shown in Figure 10. Both front, and rear bolts should not be tight, thread the nut on until NY lock is engaged.
Note: Periodically apply lubricant to actuator attachment points.

©2022 Copyright Kippers Fabricating, Inc. All rights reserved

























