FIT BIKE FFIC009 Indoor Cycle Race Magnetic Basic

INSTRUCTION
ATTENTION: First read the entire manual before you install and use the devices! To ensure optimum safety, you must check the device for damage and wear-sensitive parts on a regular basis. You must also follow the instructions below
- As the owner of the device, you are responsible for providing each user with clear safety instructions as described below.
- The device must be used by a maximum of 1 person at the same time.
- Check the construction, screws, bolts, and connections before using the machine for the first time, and then you must check it on a regular basis. Check if all parts are properly connected and properly secured before using the machine.
- Incorrect or excessive training can result in health damage. Before you start training, consult your doctor about whether your health permits training with this device. The doctor’s advice serves as the basis for the development of your training program.
- Before you begin your exercise, ensure that all sharp parts are removed around the machine.
- In case of regular use, we recommend to check all parts and fastening parts every 1 to 2 months, especially the screws and bolts. In order to maintain the structural safety level of the device, damaged parts must be replaced immediately.
- The device is designed for use by adults. If you still allow children to use the device, remind them to use it correctly and monitor them at all times. If you allow children to use the device, always consider their mental and physical abilities.
- The device is under no circumstances suitable as a toy. Remember that due to the natural need to play, the temperament of children in handling this device may respectively involve unforeseen situations and dangers that are not the responsibility of the manufacturer.
- Ensure sufficient space around the device during the installation and during use.
- Make sure that the machine is stable and horizontal at all times. Use a smooth subfloor for the placement of the machine.
- Always wear appropriate clothing during training. The clothing should be designed so that it can not get stuck between the machine. Also ensure proper shoes with a good anti-slip footbed. This also minimizes wear and increases safety.
- The device must be protected against humid conditions at all times.
- To protect your floor from pressure points, always use a mat.
- Keep body parts away from movable parts of the device during use.
- If you have adjusted the adjustable parts, make sure they are properly attached before using the machine.
- Never make your own adjustments to the device.
- Never start an exercise directly after consuming a meal.
- Always take a good position on the device before starting the training.
- Stop the training session immediately if you suffer from any of the following symptoms: dizziness or nausea, chest pain or other physical symptoms and contact your doctor.
- This product contains small parts that can be easily swallowed by children. Therefore, keep children away of the area during the assembly of the product.
- ATTENTION: the heart beat measurement of the product can specify an inaccurate value. Excessive training can have serious consequences, stop immediately if you feel dizzy or weak and consult a doctor.
- The manufacturer can not be held liable for damage through inefficient use of the product.
- Adjust the device in such a way that it meets a comfortable training position and that it does not unnecessarily burden the body.
- Do not use the device with exceptional forces for which such a device is not designed for.
- If the device has a power cable, the socket must always be earthed. If the power cable is damaged, it must be replaced in order to prevent danger.
- In case of a defect, always contact the supplier.
- Crosstrainer: getting on and off should be done with one foot following the other foot, and should not be done at the same time. Reduce speed at the same time to prevent injuries.
- Treadmill: a diagonal stripe runs across the running mat. This is not a defect, this is the weld seam with which the running mat is fixed. Without a ‘safety key’ the treadmill does not work, make sure that it is always attached to the clothing in case of an emergency.
- Spinning bike: many spinning bikes use a pedal system. Therefore, brake evenly or use the brake.
- To avoid an electric shock, before every cleaning or service / repair, ensure that the device is switched off and the power cable is unplugged.
- Never clean the device with strong or corrosive detergents to avoid damage to the display. Use a damp cloth when cleaning. Do not place the device in clear sunlight.
- Wipe the display and all other surfaces of the device with a clean, slightly damp cloth to remove all sweat residues.
- Place a mat to protect the device against dirt and wear during the installation. Vacuum once a week under the training device.
- Clean your device after the training session to prevent sweat acids from absorbing the device. Make sure that the floor on which the device is located on is dust-free.
- Check all parts of the device regularly and also tighten the screws regularly. Also pay attention to fatigue resistance and replace the defective parts immediately.
- Lubricate all rotating parts every 2 to 3 months with a maintenance spray and check regularly if the screws are tight.
- If the device has a ‘rails’, make sure that it remains well lubricated.
- Treadmill:
- If the treadmill slips, it must be tightened. Install the treadmill on 6 km / h and turn clockwise at both ends of the treadmill.
- If the running mat is crooked, turn the left or right end to straighten it again.
- Lubricating the treadmill should be done by spraying the silicone oil under the running mat and then you must install the treadmill at 1 km / h for 3 minutes.
- Disassemble the bonnet to periodically remove the dust.
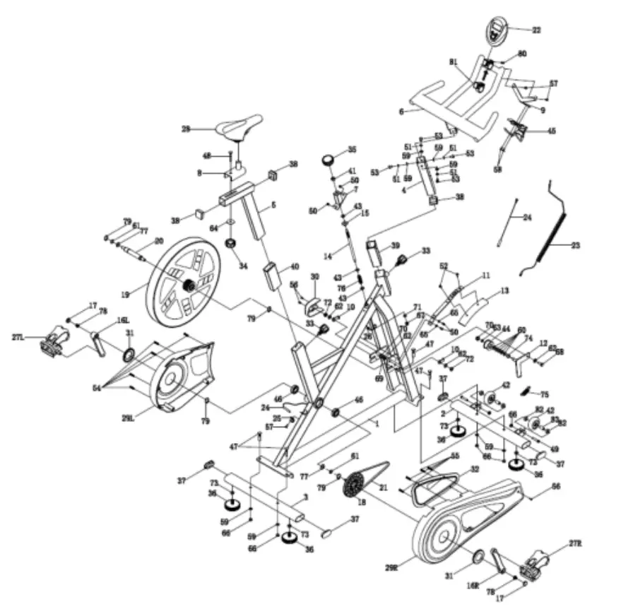
Parts list
Hardware and tools list
Overview drawing
Assembly


User instructions

General usage
- With the push button you can navigate through the different information displays.
- Press and hold the push button to do an entire RESET.
- When SCAN is displayed on the screen, the screen will change between the information displays every 8 seconds.
- If the device does not receive a signal for a few minutes, it will switch off and erase the values automatically (with the exception of the total distance ‘ODO’).






























