SUNNY SF-RB4616S Easy Adjustable Seat Recumbent Bike

EASY ADJUSTABLE SEAT RECUMBENT BIKE SF-RB4616S USER MANUAL
IMPORTANT! Please retain owner’s manual for maintenance and adjustment instructions. Your satisfaction is very important to us, PLEASE DO NOT RETURN UNTIL YOU HAVE CONTACTED US: [email protected] or 1- 877 – 90SUNNY (877-907-8669).
IMPORTANT SAFETY INFORMATION
We thank you for choosing our product. To ensure your safety and health, please use this equipment correctly. It is important to read this entire manual before assembling and using the equipment. Safe and effective use can only be achieved if the equipment is assembled, maintained, and used properly. It is your responsibility to ensure that all users of the equipment are informed of all warnings and precautions.
- Before starting any exercise program, you should consult your physician to determine if you have any medical or physical conditions that could put your health and safety at risk or prevent you from using the equipment properly. Your physician’s advice is essential if you are taking medication that affects your heart rate, blood pressure, or cholesterol level.
- Be aware of your body’s signals. Incorrect or excessive exercise can damage your health. Stop exercising if you experience any of the following symptoms: pain, tightness in your chest, irregular heartbeat, shortness of breath, lightheadedness, dizziness, or feelings of nausea. If you do experience any of these conditions, you should consult your physician before continuing with your exercise program.
- Keep children and pets away from the equipment. The equipment is designed for adult use only.
- Use the equipment on a solid, flat level surface with a protective cover for your floor or carpet. To ensure safety, the equipment should have at least 2 feet (60 CM) of free space all around it.
- Ensure that all nuts and bolts are securely tightened before using the equipment. The safety of the equipment can only be maintained if it is regularly examined for damage and/or wear and tear.
- Always use the equipment as indicated. If you find any defective components while assembling or checking the equipment, or if you hear any unusual noises coming from the equipment during exercise, discontinue use of the equipment immediately and do not use until the problem has been rectified.
- Wear suitable clothing while using the equipment. Avoid wearing loose clothing that may become entangled in the equipment.
- Do not place fingers or objects into the moving parts of the equipment.
- The maximum weight capacity of this unit is 300pounds (135kgs).
- The equipment is not suitable for therapeutic use.
- To avoid bodily injury and/or damage to the product or property, proper lifting and moving are required.
- Your product is intended for use in cool and dry conditions. You should avoid storage in extreme cold, hot or damp areas as this may lead to corrosion and other related problems.
- This equipment is designed for indoor and home use only; it is not intended for commercial use.
PRE-ASSEMBLY CHECK LIST

| No. | Description | Spec. | Qty. | No. | Description | Spec. | Qty. | |
| 1 | Main Frame | 1 | 22 | Handlebar Cover | 58*70*40 | 1 | ||
| 2 | Front Post | 1 | 24 | Computer | 3910 | 1 | ||
| 3 | Front Handlebar | 1 | 29 | Back Cushion | 430*325*50 | 1 | ||
| 4 | Seat Post | 1 | 30 | Seat | 430*300*50 | 1 | ||
| 5 | Rear Handlebar | 1 | A | Manual | 297*210 | 1 | ||
| 6F/R | Stabilizer | <t>50*1.5*460 | 2 | B | Hardware Package | 340*185 | 1 | |
| 18 | Left Pedal | 1/2″(L) | 1 | C | Thank You Card | 1 | ||
| 19 | Right Pedal | 1/2″(R) | 1 | D | Battery | 2 |
HARDWARE PACKAGE

Ordering Replacement Parts (U.S. and Canadian Customers only)
Please provide the following information in order for us to accurately identify the part(s) needed:
- ✓ The model number (found on cover of manual)
- ✓ The product name (found on cover of manual)
- ✓ The part number found on the “EXPLODED DIAGRAM” and “PARTS LIST” (found near the front of the manual)
Please contact us at [email protected] or 1- 877 – 90SUNNY (877-907-8669).
ASSEMBLY INSTRUCTIONS
We value your experience using Sunny Health and Fitness products. For assistance with parts or troubleshooting, please contact us at [email protected] or 1-877-90SUNNY (877-907-8669).
STEP 1:
NOTE: The Stabilizers (No. 6F & No. 6R) are marked “FRONT” and “REAR” for Front Stabilizer and Rear Stabilizer.
Attach the Front & Rear Stabilizers (No. 6F & No. 6R) onto the Main Frame (No. 1) with 4 Cross Head Bolts (No. 58), 4 Arc Washers (No. 54), and 4 Cap Nuts (No. 53). Tighten with the Spanner (No. 66).
STEP 2:
Connect the Sensor Wire 2 (No. 70) with Sensor Wire 1 (No. 69).
CAUTION: Please make sure the Tension Control Knob (No. 23) is at the highest resistance level (level 8, all the way to the right) before you connect the Tension Wire (No. 38). Connect Tension Control Wire (No. 23a) and Tension Wire (No. 38). Then, pull Tension Control Wire (No. 23a) upward and insert it into the slot of metal bracket on Tension Wire (No. 38). Make sure the metal fitting on Tension Control Wire (No. 23a) is secured in the metal bracket. Attach the Front Post (No. 2) onto the Main Frame (No. 1) using with 4 Hexagon Bolts (No. 59) and 4 Arc Washers (No. 54). Tighten and secure with the Allen Wrench (No. 67).We value your experience using Sunny Health and Fitness products. For assistance with parts or troubleshooting, please contact us at [email protected] or 1-877-90SUNNY (877-907-8669).
STEP 3:
Remove 4 Cross Head Screws (No. 51) from the back of the Computer (No. 24) using Allen Wrench (No. 67).
Connect the Sensor Wire 2 (No. 70) and the Computer Wire (No. 24a). Then attach the Computer (No. 24) onto the bracket of the Front Post (No. 2) with 4 Cross Head Screws (No. 51) that were removed. Tighten and secure with Allen Wrench (No. 67).
STEP 4:
WARNING! Read instructions carefully as improper assembly may cause permanent damage to your bike.
- Align the Left Pedal (No. 18) with the left side of the Crank (No. 10) at 90°. Turn the pedal bolt on Left Pedal (No. 18) counter-clockwise as tightly as you can with your hand. Then, use Spanner (No. 66) to tighten and secure.
- Align the Right Pedal (No. 19) with the right side of the Crank (No. 10) at 90°. Turn the pedal bolt on Right Pedal (No. 19) clockwise as tightly as you can with your hand. Then, use Spanner (No. 66) to tighten and secure.
- Attach the Front Handlebar (No. 3) onto the Front Post (No. 2) with 2 Hexagon Bolts (No. 64). Tighten with Allen Wrench (No. 67). Then attach the Handlebar Cover (No. 22) onto Front Handlebar (No. 3). Plug the Pulse Wire (No. 71) to the jack on the back of the Computer (No. 24).
STEP 5:
Attach the Slide Rail Assembly (No. 79) to the Main Frame (No. 1), using 4 Hexagon Bolts (No. 74) and 4 Flat Washer (No. 55) to secure and tighten with Allen Wrench (No. 67).
Attach the Adjustable Handle (No. 76) to the Axle (No. 11) with 2 Hexagon Socket Bolts (No. 83). Tighten with Allen Wrench (No. 68).
STEP 6:
Attach the Seat (No. 30) onto the Seat Post (No. 4) with 4 Hexagon Bolts (No. 60) and 4 Flat Washers (No. 55). Tighten with Allen Wrench (No. 67).
Attach the Rear Handlebar (No. 5) onto the Seat Post (No. 4) with 2 Flat Washers (No. 55), 1 Hexagon Bolt (No. 60), 1 Cross Head Bolt (No. 62) and 1 Lock Nut (No. 52). Tighten with the Spanner (No. 66) and the Allen Wrench (No. 67).
Attach the Back Cushion (No. 29) onto the Seat Post (No. 4) with 2 Flat Washers (No. 55) and 2 Hexagon Bolts (No. 61 ). Tighten with the Allen Wrench (No. 67).
The assembly is complete!
MAINTENANCE & ADJUSTMENT GUIDE
|
| ADJUSTING THE SEAT
To adjust the Seat Post (No. 4) forward or backward, while seated on the bike, put your feet on the floor. Shift down the Adjustable Handle (No. 76), then slide the seat to your desired position, lift the Adjustable Handle (No. 76) to tighten. |
![]() | MOVING THE RECUMBENT BIKE
To move the recumbent bike, hold the Rear Stabilizer (No. 6R) and tilt the recumbent bike until the End Caps (No. 31) located on the front stabilizer touch the ground. With the End Caps (No. 31) on the ground, you can transport the recumbent bike to the desired location with ease. |
![]() | ADJUSTING THE BALANCE
To achieve a smooth and comfortable ride, you must ensure that the recumbent bike is stabled and secured. If you notice the recumbent bike is unbalanced during use, adjust the End Caps (No. 25) located on the Rear Stabilizer (No. 6) until the recumbent bike becomes levelled with the floor surface. |
![]() | ADJUSTING THE TENSION |
| Adjust the tension by rotating the Tension Control Knob (No. | |
|
| 23) clockwise to increase the level of resistance. Rotate the Tension Control Knob (No. 23) counter-clockwise to |
| decrease the level of resistance. | |
| LOW HIGH | |
| ¾,ION …_, | Tension levels are set at Level 1 being the lowest and Level 8 |
| being the highest. | |
| CLEANING
The recumbent bike can be cleaned with a soft, clean, damp cloth. Do not use abrasives or solvents on plastic parts. Please wipe your perspiration off the recumbent bike after each use. Be careful not get excessive moisture on the computer display panel as this might cause electrical hazards or electronics to fail. Please keep the recumbent bike, especially the computer, out of direct sunlight to prevent screen damage. Please inspect all assembly bolts and pedals on the recumbent bike for proper tightness every week. | |
| STORAGE Store the recumbent bike in a clean and dry environment, away from children. | |
BATTERY INSTALLATION AND REPLACEMENT
BATTERY INSTALLATION:
- Take out 2 AAA batteries from computer box.
- Press the buckle of battery cover on the back of the Computer (No. 24), then remove battery cover.
- Install 2 AAA batteries into the battery case on the back of the Computer (No. 24). Pay attention to the battery+ and – ends before installing.
- Press the buckle of battery cover, then put the battery cover back to the back of the Computer (No. 24).
The installation is complete!
BATTERY REPL ACEMENT:
- Press the buckle of battery cover on the back of the Computer (No. 24), then remove battery cover.
- Remove the 2 old AAA batteries in the battery case and install 2 new AAA batteries into the battery case on the back of the Computer (No. 24). Pay attention to the battery + and – ends before installing.
- Press the buckle of battery cover, then put the battery cover back to the back of the Computer (No. 24).
The replacement is complete!
BATTERY DISPOSAL
NOTE: Always change both batteries at the same time. Do not mix battery types and do not mix old and new batteries. Dispose batteries according to your state and regional guidelines.
EXERCISE COMPUTER

KEY FUNTION:
- This key lets you to select and lock on to a particular function you want. SCAN – TIME – SPEED(SPD) – DISTANCE(DIST) – CALORIES(CAL) – TOTAL DIST(ODO) -RPM -PULSE
- Pressing and hold with 3 seconds to reset the value to zero (without ODO).
SLEEP MODE
- The system turns off automatically when the sensor has no signal input or no key are pressed for approximately 4 minutes.
- The system turns on when the MODE key is depressed or a signal input from the sensor.
FUNCTION
- SCAN : Display changes according to the next diagram every 6 seconds.
- TIME : The total working time with starting exercise.
- SPEED: The current speed with starting exercise.
- DISTANCE : The current distance with starting exercise.
- CALORIE : The current calorie burned with starting exercise.
- TOTAL DIST: Counts the total distance with from start to finish. If the battery is replaced, the value returns to zero.
- RPM: The average number of turns per minute of the wheel to measure the speed of the pedal.
- PULSE: The current pulse rate.
SPECIFICATIONS
|
FUNCTION | SCAN | 6S |
| TIME | 0:00-99:59(M :S) | |
| SPEED | 0.0~999.9KPH(MPH) | |
| DIST | 0.00~999.9KM(MILE) | |
| ODO | 0.0~999.9KM(MILE) | |
| CAL | 0.0~999.9KCAL | |
| PULSE RATE | 40~240BPM | |
| BATTERY | SIZE-AAA, 2PCS | |
| Operating temperature | 0~40°C (32°F -104°F ) | |
| Storage temperature | -10~60°C (14 °F -1 40°F ) | |
TROUBLESHOOTING
| PROBLEM | SOLUTION |
|
There is no display on the computer console. | 1. Remove the computer and verify that the wire from the computer is properly connected to the wire that comes from the front post. 2. Check if the batteries are correctly positioned and battery springs are in proper contact with batteries. 3. The batteries in the computer may be unresponsive. Change to new batteries. |
| The recumbent bike wobbles when in use. | Turn the end caps on the rear stabilizer as needed to level the recumbent bike. |
| The recumbent bike makes squeaking noise when in use. | The bolts may have become loose on the recumbent bike. Please inspect all the bolts and tighten any loose bolts. |
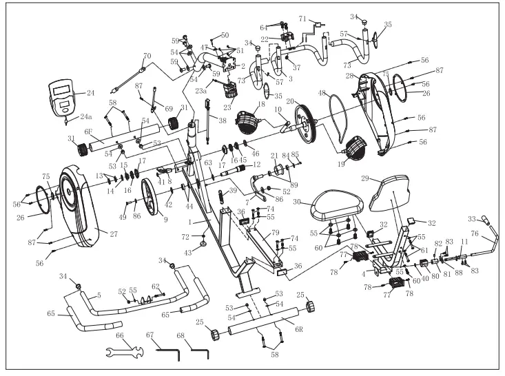
EXPLODED DRAWING

PARTS LIST
| No. | Description | Spec. | Qty. | No. | Description I spec. | Qty. | ||
| 1 | Main Frame | 1 | 45 | Locking Nut – Right I 15/16″ | 1 | |||
| 2 | Front Post | 1 | 46 | Locking Washer | <l>40*T2.8 | 1 | ||
| 3 | Front Handlebar | 1 | 47 | Step Gasket | <t>25*<t>1 2*<t>6*1.5 | 1 | ||
| 4 | Seat Post | 1 | 48 | Ribbed Belt | P290-J6 | 1 | ||
| 5 | Rear Handlebar | 1 | 49 | Hexagon Bolt | M8*25 | 1 | ||
| 6F/R | Stabilizer | <!>50*1.5*460 | 2 | 50 | Cross Head Screw | M5*45 | 1 | |
| 7 | Idler Wheel Shaft | 1 | 51 | Cross Head Screw I M5*10 | 4 | |||
| 8 | Magnetic Board | 1 | 52 | Lock Nut | MS | 2 | ||
| 9 | Magnetic Wheel | <!>230*28, 3.0Kg | 1 | 53 | Cap Nut | MS | 4 | |
| 10 | Crank | <!>16*140 | 1 | 54 | Arc Washer | <t>20*1.5 | 8 | |
| 11 | Axle | 1 | 55 | Flat Washer | <l>16*<t>8*1.5 | 12 | ||
| 12 | Magnetic Wheel | <!>21*87.5 | 1 | 56 | Cross Head Tapping | ST4.2*16 | 7 | |
| 13 | Hexagon Nut | 7/8″L(24) | 2 | 57 | Cross Head Tapping | ST4.2*19 | 2 | |
| 14 | Locking Washer | <l>35*T2 | 1 | 58 | Cross Head Bolt | M8*65 | 4 | |
| 15 | Locking Nut – Left | 7/8″L(24) | 1 | 59 | Hexagon Bolt | M8*15 | 4 | |
| 16 | Open Face Bearing | ¢44.5 C 12) | 2 | 60 | Hexagon Bolt | M8*20 | 5 | |
| 17 | Bearing Housing | <l>56.6*T16 | 2 | 61 | Hexagon Bolt | M8*55 | 2 | |
| 18 | Left Pedal | 1/2″(L) | 1 | 62 | Cross Head Bolt | M8*60 | 1 | |
| 19 | Right Pedal | 1/2″(R) | 1 | 63 | Wave Shaped Pad | <t>21.4*ct>15.3*0.3 | 1 | |
| 20 | Belt Wheel | ¢200 | 1 | 64 | Hexagon Bolt | M8*25 | 2 | |
| 21 | Idler Wheel | ct>34*<l>12, H24 | 1 | 65 | Foam Grip | <!>23*3*500 | 2 | |
| 22 | Handlebar Cover | 58*70*40 | 1 | 66 | Spanner I S13-15-17 | 1 | ||
| 23 | Tension Control Knob | ¢69*81 | 1 | 67 | Allen Wrench | S6 | 1 | |
| 23a | Tension Control Wire | L400 | 1 | 68 | Allen Wrench | S5 | 1 | |
| 24 | Computer | 3910 | 1 | 69 | Sensor Wire 1 | <!>6*450 | 1 | |
| 24a | Computer Wire | 1 | 70 | Sensor Wire 2 | L=750 | 1 | ||
| 25 | End Cap | <!>50 | 2 | 71 | Pulse Wire | L=650 | 1 | |
| 26 | Snap Joint | ¢178 | 2 | 72 | Outer Hexagon Nut | MS | 1 | |
| 27 | Left Belt Cover | 484*418*97 | 1 | 73 | Foam Grip | <!>23*3*450 | 2 | |
| 28 | Right Belt Cover | 484*418*97 | 1 | 74 | Hexagon Bolt | M8*45 | 4 | |
| 29 | Back Cushion | 430*325*50 | 1 | 75 | Crank Cover | ¢44*10 | 2 | |
| 30 | Seat | 430*300*50 | 1 | 76 | Adjustable Handle | <!>12*367 | 1 | |
| 31 | End Cap | <t>50 | 2 | 77 | Slide Rail Bushing | 40*80*40 | 2 | |
| 32 | End Cap | 38*38 | 2 | 78 | Cross Head Tapping | ST4.2*8 | 4 | |
| 33 | Handle Grip | ¢24*78 | 1 | 79 | Slide Rail Assembly | WELDMENT | 1 | |
| 34 | End Cap | ¢ 25*1.5 | 4 | 80 | Brake Block | 38*34*36.2 | 1 | |
| 35 | Handle Pulse | 110*25 | 2 | 81 | Eccentric Wheel | ¢25*38 | 1 | |
| 36 | End Cap | 60*30*2.0 | 2 | 82 | Hexagon Socket Fixing Bolt | M8*12 | 1 | |
| 37 | Grommet | ¢15*12 | 1 | 83 | Hexagon Socket Bolt | M6*12 | 4 | |
| 38 | Tension Wire | 619 | 1 | 84 | Flat Washer | <t>1 6*<t>6.2*1.5 | 1 | |
| 39 | Spring | ¢18*71 | 1 | 85 | Hexagon Bolt | M6*10 | 1 | |
| 40 | Circlip | <t>12 | 1 | 86 | Flat Washer | <t>20*<t>8.3*2.0 | 2 | |
| 41 | Circlip | <t>8 | 1 | 87 | Self-Tapping | ST4.2*16 | 5 | |
| 42 | Circlip | <l>35 | 1 | 88 | Handle Fixing Plate | 50*25*T4 | 1 | |
| 43 | Adjusting Pad | MS | 1 | 89 | Bearing | 6001 | 2 | |
| 44 Bearing 6202 2 | ||||||||
























