240898 Contact Element for Front Installation NC
Owner’s Manual
240898 Contact Element for Front Installation NC
- Large selection of different actuators
- Versions as an NC with positive opening, NO or disconnect terminal
Web Code 8082D
R. STAHL Series 8082 contact elements have an NO contact and a positive opening operation NC contact, made from silver- nickel or gold- plated. They can be easily combined with contact blocks and enable customized installations, also due to the large selection of the various actuators.
Technical Data
| Explosion Protection | |
| Scope of validity | European Union (ATEX) CEC IECEx NEC |
| Application range (zones) | 1 2 |
| IECEx gas certificate | IECEx PTB 17.0037U |
| IECEx gas explosion protection | Ex db eb IIC T6 … T5 Gb |
| IECEX firedamp certificate | IECEx PTB 17.0037U |
| IECEx firedamp protection | Ex db eb I Mb |
| ATEX gas certificate | PTB 17 ATEX 1012 U |
| ATEX gas explosion protection | E II 2 G Ex db eb IIC T6 … T5 Gb |
| ATEX firedamp certificate | PTB 17 ATEX 1012 U |
| ATEX firedamp protection | E I M2 Ex db eb I Mb |
| ATEX firedamp protection 2 | E I M2 I Mb |
| UL gas certificate | E182378V1S9 |
| Marking cULus | Class I, Div. 2, Groups A,B,C,D; Class I, Zone 1, AEx/Ex db eb IIC |
| Certificates | ATEX (PTB), Brazil (ULB), Canada / USA (UL), China (CQST), EAC (ENDCE), IECEx (PTB) |
| Notes | Product label may vary. Series devices are labelled with ATEX, IECEx, NEC and CEC. |
| Electrical Data | |
| Max. rated operational voltage | 550 V |
| Min. rated operational voltage | 24 V |
| Rated operational current for AC | 0 A |
| Rated operational current | 150 mA / 10 A |
| Electrical Data | |
| Rated operational current note | – Gold-plated contacts: 10 to 150 mA switching current – Silver-nickel contacts from 150 mA switching current. – For corrosive environments and offshore applications, we recommend the use of 8082 snap action switches. |
| Electrical service life | 106 operating cycles |
| Mechanical service life | 106 operating cycles |
| Switching capacity AC-12 | 250 V/10 A 400 V/7.5 A 550 V/5 A |
| Switching capacity AC-15 | 110 V/10 A 250 V/6 A 400 V/4 A |
| Switching capacity DC-13 | 110 V/1 A |
| Switching capacity DC-13 2 contact elements in series | 60 V/6 A 110 V/2.5 A 250 V/1.25 A |
| Ambient Conditions | |
| Ambient temperature | -60 °C … +70 °C (T6) -60 °C … +85 °C (T5) |
| Ambient temperature | -76 °F … +158 °F (T6) -76 °F … +185 °F (T5) |
| Ambient temperature NEC | -60 °C … +75 °C (T6) -60 °C … +90 °C (T5) |
| Ambient temperature NEC | -76°F … +167°F (T6) -76°F … +194°F (T5) |
| Operating temperature | -60 °C … +100 °C |
| Operating temperature | -76 °F … +212 °F |
| Operating temperature NEC | -60 °C … +95 °C |
| Operating temperature NEC | -76 °F … +203 °F |
| Mechanical Data | |
| IP degree of protection (IEC 60529) | IP20 |
| Enclosure material | Polyamide |
| Contact material | Silver-nickel |
| Silicone-free | Yes |
| Max. connection cross-section, finely stranded | 2.5 mm² |
| Solid connection cross section | 0.32 – 2.5 mm² |
| Connection cross-section AWG single stranded | AWG22 – AWG14 |
| Finely stranded connection cross section | 0.32 – 2.5 mm² |
| Connection cross-section AWG finely stranded | AWG22 – AWG14 |
| Connection cross-section, finely stranded with core end sleeve | 0.32 – 2.5 mm² |
| Connection cross-section, finely stranded with core end sleeve AWG | AWG22 – AWG14 |
| Number of NCs | 1 |
| Positive opening operation | Yes |
| Mechanical Data | |
| Contacts | 1 NC |
| Packaging unit | 1 |
| Weight | 0.025 kg |
| Weight | 0.055 lb |
| Mounting / Installation | |
| Tightening torque | 1.2 Nm |
| Tightening torque lbf in | 10.62 lbf in |
| Connection type | Screw terminal |
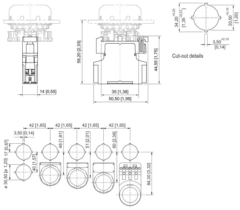
Dimensional Drawings (All Dimensions in mm [inches]) – Subject to Alterations
Cut-out with/without front label
Accessories
| Pushbutton | Art. No. | |
![]() | Ø 39 mm Black Designation plate: Black, blank disc without text Silicone-free: Yes | 223691 |
| Ø 39 mm Black Designation plate: Black, blank disc without text Silicone-free: No | 223692 | |
| Mushroom push button, black | Art. No. | |
![]() | Ø 39 mm Black Designation plate: Black, blank disc without text Silicone-free: Yes | 244563 |
| Ø 39 mm Black Designation plate: Black, blank disc without text Silicone-free: No | 244564 | |
| Mushroom push button, red | Art. No. | |
![]() | Ø 39 mm Red/black Designation plate: Red, blank disc without text Silicone-free: Yes | 244565 |
| Ø 39 mm Red/black Designation plate: Red, blank disc without text Silicone-free: No | 244566 | |
| Mushroom stay- put button with key | Art. No. | |
![]() | Ø 39 mm Red/black Closing: MS1 Silicone-free: Yes | 223695 |
| Ø 39 mm Red/black Closing: MS1 Silicone-free: No | 223696 | |
| Key- operated switch actuator | Art. No. | |
![]() | Ø 39 mm Black Closing: MS1 Number of switching positions: 2 Switching function: Latching / Latching Silicone-free: No | 244574 |
![]() | Ø 39 mm Black Closing: MS1 Number of switching positions: 3 Switching function: Latching / Latching / Latching Silicone-free: No | 244633 |
| Mushroom stay- put button with EM- STOP key | Art. No. | |
![]() | Ø 39 mm Yellow/red Designation plate: With yellow backing plate Closing: MS1 Silicone-free: Yes | 223693 |
| Ø 39 mm Yellow/red Designation plate: With yellow backing plate Closing: MS1 Silicone-free: No | 223694 | |
| Mushroom stay- put button EM- STOP | Art. No. | |
![]() | Ø 39 mm Yellow/red Designation plate: With yellow backing plate Silicone-free: Yes | 223697 |
| Ø 39 mm Yellow/red Designation plate: With yellow backing plate Silicone-free: No | 223698 | |
| Mushroom stay- put button, black | Art. No. | |
![]() | Ø 39 mm Black Silicone-free: Yes | 223699 |
| Ø 39 mm Black Silicone-free: No | 223700 | |
| Mushroom push button 55 mm red | Art. No. | |
![]() | Ø 55 mm Black/red Designation plate: Red, blank disc without text Silicone-free: Yes | 244634 |
| Ø 55 mm Black/red Designation plate: Red, blank disc without text Silicone-free: No | 244635 | |
| Mushroom stay- put button 55 mm EM- STOP | Art. No. | |
![]() | Ø 55 mm Yellow/red Designation plate: With yellow backing plate Silicone-free: Yes | 244636 |
| Ø 55 mm Yellow/red Designation plate: With yellow backing plate Silicone-free: No | 244637 | |
| Twin push button | Art. No. | |
![]() | Black Silicone-free: Yes | 244638 |
| Black Silicone-free: No | 244639 | |
| Mushroom push button 55 mm black | Art. No. | |
![]() | Ø 55 mm Black Designation plate: Black, blank disc without text Silicone-free: Yes | 244642 |
| Ø 55 mm Black Designation plate: Black, blank disc without text Silicone-free: No | 244643 | |
| Small rotary actuator, not lockable | Art. No. | |
![]() | Ø 39 mm Black Designation plate: 0/ OFF – I/ ON Number of switching positions: 2 Lockable in: Not pad lockable Switching function: Latching / Latching Silicone-free: Yes | 244646 |
| Ø 39 mm Black Designation plate: 0/ OFF – I/ ON Number of switching positions: 2 Lockable in: Not pad lockable Switching function: Latching / Latching Silicone-free: No | 244647 | |
![]() | Ø 39 mm Black Designation plate: I – 0 – II Number of switching positions: 3 Lockable in: Not pad lockable Switching function: Latching / Latching / Latching Silicone-free: Yes | 244648 |
| Ø 39 mm Black Designation plate: I – 0 – II Number of switching positions: 3 Lockable in: Not pad lockable Switching function: Latching / Latching / Latching Silicone-free: No | 244649 | |
| Small rotary actuator, lockable | Art. No. | |
![]() | Ø 39 mm Black Designation plate: 0/ OFF – I/ ON Number of switching positions: 2 Lockable in: One pos. with one lock Switching function: Latching / Latching Silicone-free: Yes | 244650 |
| Ø 39 mm Black Designation plate: 0/ OFF – I/ ON Number of switching positions: 2 Lockable in: One pos. with one lock Switching function: Latching / Latching Silicone-free: No | 244651 | |
| Ø 39 mm Black Designation plate: I – 0 – II Number of switching positions: 3 Lockable in: One pos. with one lock Switching function: Latching / Latching / Latching Silicone-free: Yes | 244652 | |
| Ø 39 mm Black Designation plate: I – 0 – II Number of switching positions: 3 Lockable in: One pos. with one lock Switching function: Latching / Latching / Latching Silicone-free: No | 244653 | |
| Illuminated pushbutton (spring return) BG735 | Art. No. | |
![]() | Diameter 39.0 mm All colours Silicone-free: Yes | 244654 |
| Diameter 39.0 mm All colours Silicone-free: No | 244655 | |
Spare Parts
| Mushroom stay- put button with key | Art. No. | |
![]() | Ø 39 mm Red/black Closing: MS2 Silicone-free: Yes | 270409 |
| Ø 39 mm Red/black Closing: MS2 Silicone-free: No | 270412 | |
| Ø 39 mm Red/black Closing: MS3 Silicone-free: Yes | 270410 | |
| Ø 39 mm Red/black Closing: MS3 Silicone-free: No | 270413 | |
| Ø 39 mm Red/black Closing: MS4 Silicone-free: Yes | 270411 | |
![]() | Ø 39 mm Red/black Closing: MS4 Silicone-free: No | 270414 |
| Key- operated switch actuator | Art. No. | |
![]() | Ø 39 mm Black Closing: MS1 Number of switching positions: 2 Switching function: Latching / Latching Silicone-free: Yes | 244573 |
| Ø 39 mm Black Closing: MS2 Number of switching positions: 2 Switching function: Latching / Latching Silicone-free: Yes | 272935 | |
| Ø 39 mm Black Closing: MS2 Number of switching positions: 2 Switching function: Latching / Latching Silicone-free: No | 270418 | |
| Ø 39 mm Black Closing: MS3 Number of switching positions: 2 Switching function: Latching / Latching Silicone-free: Yes | 274089 | |
| Ø 39 mm Black Closing: MS3 Number of switching positions: 2 Switching function: Latching / Latching Silicone-free: No | 270419 | |
| Ø 39 mm Black Closing: MS4 Number of switching positions: 2 Switching function: Latching / Latching Silicone-free: Yes | 272936 | |
| Ø 39 mm Black Closing: MS4 Number of switching positions: 2 Switching function: Latching / Latching Silicone-free: No | 270420 | |
| Ø 39 mm Black Closing: MS1 Number of switching positions: 3 Switching function: Latching / Latching / Latching Silicone-free: Yes | 244632 | |
| Ø 39 mm Black Closing: MS2 Number of switching positions: 3 Switching function: Latching / Latching / Latching Silicone-free: Yes | 274090 | |
| Ø 39 mm Black Closing: MS2 Number of switching positions: 3 Switching function: Latching / Latching / Latching Silicone-free: No | 270421 | |
| Ø 39 mm Black Closing: MS3 Number of switching positions: 3 Switching function: Latching / Latching / Latching Silicone-free: Yes | 274091 | |
| Ø 39 mm Black Closing: MS3 Number of switching positions: 3 Switching function: Latching / Latching / Latching Silicone-free No | 270422 | |
| Ø 39 mm Black Closing: MS4 Number of switching positions: 3 Switching function: Latching / Latching / Latching Silicone-free: Yes | 274092 | |
| Ø 39 mm Black Closing: MS4 Number of switching positions: 3 Switching function: Latching / Latching / Latching Silicone-free: No | 270423 | |
| Mushroom stay- put button with EM- STOP key | Art. No. | |
![]() | Ø 39 mm Yellow/red Designation plate: With yellow backing plate Closing: MS2 Silicone-free: Yes | 274099 |
| Ø 39 mm Yellow/red Designation plate: With yellow backing plate Closing: MS2 Silicone-free: No | 270415 | |
| Ø 39 mm Yellow/red Designation plate: With yellow backing plate Closing: MS3 Silicone-free: Yes | 274100 | |
![]() | Ø 39 mm Yellow/red Designation plate: With yellow backing plate Closing: MS3 Silicone-free: No | 270416 |
| Mushroom stay- put button with EM- STOP key | Art. No. | |
![]() | Ø 39 mm Yellow/red Designation plate: With yellow backing plate Closing: MS4 Silicone-free: Yes | 274101 |
| Ø 39 mm Yellow/red Designation plate: With yellow backing plate Closing: MS4 Silicone-free: No | 270417 | |
| Adaptor for front installation | Art. No. | |
![]() | 8602/ 3 Front installation for indicator lamp series 8010/ 6 and contact element series 8082/ 3 | 227038 |
| Holder for front installation | Art. No. | |
![]() | 8602/ 3 holder for cable duct | 248673 |
R. STAHL Schaltgeräte GmbH
Am Bahnhof 30
74638 WALDENBURG
Tel. +49 7942 943 1700 / +49 7942 943 1777
Email: [email protected]
r-stahl.com
Ex e 8082/3-21-1-0
Art. No. 240898
2022-11-22
V 0.63 EN




































