Magmeter Quick Start
Guide
NOTE: CHECK THE OPERATION MANUAL FOR SAFETY AND STORAGE
PRECAUTIONS BEFORE INSTALLATION!!
Magquickstart1_ver4
MAGMETER QUICK START GUIDE
(for remote installation and configuration)
(LF622; LF232 converters: LF654, GF632 and LF664 detectors)
Installation and wiring.
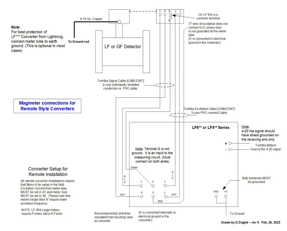
Install meter in accordance to the installation instructions and wire unit according to the wiring diagrams shown in the operational manual. For signal and excitation it is preferably to use Toshiba provided cables- Cable 3AT (for excitation) and Cable 2AT (for signal). See Fig 1
(Note 1. If it is difficult to provide a secure earth ground on the detector side, connect the red conductor of the excitation cable to both the E terminal on the converter and the detector. With proper grounding of detector, E terminal can be left un-connected. Additional information is given in the magmeter installation and Mag connect application notes (See Appendix A). A combine style magmeter only need to be installed and power applied.)
Configuration
All remote style converters have to be configured in the field. They are ship from the factory with a set of default parameters that must be change to match the particular detector to which it is connected.
For a remote installation, the following parameters have to be set (at minimum) in the converter for proper operation.
– Excitation Current – default set at – 0.2000 A
– Meter Size – default set at – 6 in
– Range – default set at – 2500 gal/min
(Note 2. After setting up and converter and detector are connected and powered up, a verification of excitation current can be done, as a sanity check. A combine style magmeter generally needs no configuration, but is ready to go out of the box.)
11.1 Procedure
– After converter has been connected and power up, hold finger over the center key for 3 seconds or longer (cover don’t have to be removed) and enter code (a series of arrows) displayed on the screen. (if code is not entered correctly “unlocking failure” error will be displayed, and after three (3) failed attempts, unit will resort to the measurement screen )
– After correct code is entered, chose the [SET] option
– Next select DETAIL ED from the menu selection
At the first menu A: DECTECTOR press enter 
– Select EXC CUR and press enter (default = 0.2000 A). – Set right excitation current for detector (note 3)
– Select SIZE and press enter (default = 6 in) – Set correct meter size and verify excitation frequency under the EXC FREQ option (note 4)
– Next go to menu C: RANGE and press enter
– Select R1 and press enter (default = 2500 gal/min)- Set desired range for meter (note 5) 
(Note 3. The excitation current of the detector is normally stamped on the small metal plate on the neck of the detector body that indicates the direction of flow. It can also be found on the calibration sheet that comes with every meter. For the LF series flow meter, size 20” and above, the excitation current remains at 0.2000 A, and the K-factor for the detector is used instead.**)
(Note 4. The excitation frequency is 24Hz for meters 8” and below; 12Hz for meters up to 16”; and 6Hz for 18” and up. The excitation frequency automatically changes with meter size, therefore there is no need to set, but one can always verify)
(Note 5. Range Type is default at SINGLE, but can be change, if other flow options are required. Also when there is a meter size change from the default (or otherwise), the range value will be change to m/s. When changing to gal/min, it is necessary to change units first, then set correct range value)
(** K-FACTOR – If the meter tube is assigned a K-Factor from Calibration, Enter the “OTHERS” Menu and go to DET TYPE, Change the default EXC CAL to K-FAC CAL. Once this is done, a location in the ZERO MENU will appear for the K-FAC to be entered.) 
Additional Setup if required
III.I Totalizer
– Count rate for totalizer is set in menu J: CNT/PLS; select CNT RATE, and set the desired value (note 6)
– Using digital outputs for pulse out of the total is done in menu H:DO; Either DO1 FUNC or DO2 FUNC can be set to PLS OUT, PLS FRD or PLS REV (note 6)
– Unit for total display, is set in menu B:DISPLAY; select DSPL2 (default unit = COUNT B), and set the desired unit (note 6)
– Operation of totalizer is done by choosing the CNT option at start up- In this menu, totalizer can be Stop, Start and Reset.
(Note 6. The count rate is limited to a setting range of 3.6 pulse/s to 36000 pulse/h; Automatic and manual options are available for pulse width (PLS WID) settings. The digital outputs require external voltage and should be wired according to the connection diagram shown in the manual under the Digital I/O connection section. Addition information is available from DI/DO connect application note (see appendix A). When COUNT is chosen as a unit for totalizer display, and totalizer reaches its maximum value (99999999), it will automatically roll over and reset itself; if any other unit is chosen (such as gal), totalizer have to be manually reset when it reaches its maximum value.)
Verification Check
After converter and detector connected and unit powered up and configured, a verification check of the excitation current can be done. (This check can also be done on a combine style magmeter)
IV.I Procedure
– Go to menu R: CAL
– Select the fourth option EXC DSPL – the feedback current should be the same as was inputted in EXC CUR option in menu A:DETECTOR, and should also correspond to value that is stamped on the detector.
i. Appendix A
A. Magmeter Operation Preparation
NOTE: CHECK THE OPERATION MANUAL FOR SAFETY AND STORAGE PRECAUTIONS BEFORE INSTALLATION!!
System check
– Check the wiring between the detector and the converter
– Check the wiring between converter and related instruments
– Make sure all the bolts of the connection flanges on which the flow meter is mounted is securely tightened
– Make sure the direction of flow arrow is in accordance with actual flow
– Make sure flow meter is grounded with 100 ohm or less ground resistance.
– Make sure converter housing covers are securely tightened
Place system on-stream
– Let the fluid go through the detector pipe. When the detector is filled with the fluid, stop the fluid and keep it still in the detector pipe and prepare to do a meter zero.
Power supply
– Make sure the power supply is as specified.
Checking converter parameters
– Check the configuration parameter settings (refer to instruction manual)
Zero Adjustment
– Warm up flow meter for 30 minutes. Make sure the fluid holds still in the detector pipe, then start the zero adjustment (refer to instruction manual). Be sure to hold the
enter button for more than 3 sec until you see “Adjust Ready”, then push enter one more time.
On-line Measurement
– After checking the items and conducting the zero adjustment as listed above, let the fluid go through the detector pipe. Output(4-20 mA dc) directly proportional to the
flow rate should be obtained.
B. Magmetger installation
Piping
- Install detector in pipeline according to the direction of arrow on the tube.
- Piping arrangement should be such that meter is filled with fluid at all times whether it isflowing or not.
- Flanges should mate with the meter with minimal stress when tightened.
- Read the installation section of the instruction manual carefully before commencing installation.
Cabling
– It is preferable to use the 2-conductor shielded signal cable and the 3-conductor excitation cable provided by Toshiba.
– Attached these securely to the detector/converter with the proper termination. (see wiring procedure in instruction manual)
Note: – Cable length may not exceed 300m;
– The allowable cable length between the detector and the converter depends on The electrical conductivity of the object fluid. (see chart in spec sheet)
– The signal cable is a double shielded cable i.e. both conductors are individually shielded, and the overall cable is also shielded.
– Locate it as far as possible from other large-current carrying cabling, and make sure it is not in parallel with such cabling.
– Read the connection section of the instruction manual carefully.
Grounding
– The FG terminal of the converter and the external grounding terminal of the detector should be grounded to a good ground.
– It is preferably to use a heavy copper wire (10 AWG) to ground the terminal and make it as short as possible.
– Avoid a common ground where earth current may flow.
– Use an independent ground.
– If connection pipe is conductive: – Connect between the grounding terminal and both ends of the mating flanges 10 AWG copper wire.
– If connection pipe is non-conductive:- Use 10 AWG copper wire to ground the terminal to a good earth ground.
– If using the 4-20 Ma. Signal, ground the shield on the receiving end of the cable onlyto prevent a ground loop.
– If it is difficult to ground detector at site (e.g. pit installation), ground the detector by connecting the E terminal of the detector to the E terminal of the converter using a 3-
core cable. (The E terminal of the converter is connected internally to the FG terminal and the converter case).
– If the pipeline is not of conductive material, GROUNDING RINGS MUST BE USED.
– If converter is being installed outdoors or in an area where it might be affected by lightening, ground the meter tube to the nearest ground rod and be sure to ground
GND and FG of the converter.
Note: Read the instruction manual carefully before installation and operation of meter. 
C. DO Connection for Magmeter 
(Note 7. Refer to operation manual for complete DI/DO connection diagram)



















