TOSHIBA TIC-LF654T Electromagnetic Flowmeter

Mount Anywhere Series – Flanged Electromagnetic Flowmeter
The Mount Anywhere Series – Flanged Electromagnetic Flowmeter is a highly reliable and accurate device used for measuring flow velocity in a wide range of fluids. It comes in two types, combined and separate, and has models available in sizes ranging from 1/2 to 18 (15 to 450 mm). The device uses TOSHIBA’s unique magnetic field distribution technology and requires a minimum of 1D (one diameter) length of upstream straight pipe and 0D (zero diameter) length of downstream straight pipe from the flange for accurate performance.
PRODUCT Specifications
- Measurement range in terms of flow velocity: 1.0 ft/s to 39.4 ft/s (0.3 m/s to 12 m/s)
- Fluid conductivity: PU lined flowmeters
- Approved hazardous location certifications: Model: LF654/LF620F and LF654/LF622F cFMus Nonincendive for use in hazardous (classified) locations: Class I, II, III, Division 2, Groups A-G
- Detector and converter combination: LF654/LF620F: Combined type with Ex approval of Class I, II, III, Division 2 (cFMus). LF654/LF622F: Separate type with Ex approval of Class I, II, III, Division 2 (cFMus).
- Mount-Anywhere Technology: With TOSHIBA’s unique magnetic field distribution technology, the meter is highly immune to upstream flow disturbances.
- Drinking water approvals: NSF/ANSI standard 61
- Connection flange standards: ASME B16.5 class 150, ASME B16.5 class 300 EN1092-1 PN10, EN1092-1 PN16
- Principal materials: Case — carbon steel Flange material — carbon steel Linings —
- 1/2 to 18 (15 to 450mm): PFA (NSF certified)
- 1/2 to 18 (15 to 450mm): PU (NSF certified : over 4(100mm))
- Electrodes — Type-Super smooth, polished with self-cleaning finish, and non-stick shape 316L stainless steel (std. for PU lining) Hastelloy C equivalent (std. for PFA lining)
- Grounding rings — 316 stainless steel (std.)
- Measuring tube material — 304 stainless steel Terminal box material — Aluminum alloy (for separate type)
- Coating: Corrosion resistant resin coating (std.) gray colored
Usage Instructions
The Mount Anywhere Series – Flanged Electromagnetic Flowmeter is easy to use and install. Follow the steps below for proper installation and usage:
- Choose the appropriate model and size of the flowmeter for your application
- Ensure that the device is properly grounded before installation
- Install the flowmeter in a location that meets the minimum straight pipe requirements for accurate performance (1D upstream and 0D downstream)
- Connect the device to power and follow the wiring instructions provided in the user manual
- Configure the device using the HART protocol or Modbus communication protocol if necessary
- Monitor the flow velocity readings and ensure that they are within the specified range for your application
- Perform regular maintenance and calibration checks to ensure continued accurate performance
By following these instructions, the Mount Anywhere Series – Flanged Electromagnetic Flowmeter will provide reliable and accurate flow velocity measurements for a wide range of fluids in various applications.
Introduction
The electromagnetic flowmeter uses Faraday’s Law of electromagnetic induction to measure the process flow. The device consists of two units: a detector, through which the fluid to measured flows and in which low-level signals proportional to flow rates are obtained; and a converter, which supplies excitation current to the detector, and amplifies the signals from the detector and then processes and converts the signals into the 4–20 mAdc current signal or communication*1&2 signal. The meter features a Mount-Anywhere magnetic field distribution technology, the meter is highly immune to upstream flow disturbances. Combined with a multi-functional converter LF620 (combined type) or LF622 (separate type) equipped with its Noise-Sentry original noise-suppression circuit and advanced algorithms. The LF654 has a very high tolerance to noise, giving the unit a very stable output even for slurry fluid measurement. IR (Infrared) switches enable parameter setting of the converter without removing the cover. Flow direction can be set in either way, and its unique 128 x 128 dot matrix LCD display allows the LCD to be rotated electronically to 90, 180 and 270 degrees without opening the cover.
- HART protocol (Highway Addressable Remote Transducer) is a communication protocol for industrial sensors recommended by the HCF (HART Communication Foundation).
- Modbus is the communication protocol. Physical layer is RS485.


Cable gland openings have only dust caps which are not water tight. Water tight status is not met until properly wired and connected.
Specifications
Overall Specifications
- Measurement range in terms of flow velocity:
- 1.0 ft/s to 39.4 ft/s (0.3 m/s to 12 m/s).
- 0.3 ft/s to 1.0 ft/s (0.1 m/s to 0.3 m/s) range is available optionally.
Accuracy
- 1/2″ to 18″ ( 15mm to 450mm) > ±0.2 % of Rate*
- This pulse output error result is established under standard operating conditions at Toshiba admitted flow calibration facility. (NIST Traceable)
- Individual meter measurement error may vary up to ±0.5% of Rate at 1.64 ft/s (0.5m/s) or more and ±0.3% of rate ±0.039 inch/s (1mm/s) at 1.64 ft/s or less.
- Current output: plus ± 8μA (0.05% of span.)
- Refer to individual calibration data for each individual meter’s measurement error.
Fluid conductivity
- 3μS/cm minimum
Fluid temperature
- 4 to 248 °F (-20 to +120 °C): PFA lining
- 4 to 104 °F (-20 to +40 °C): Polyurethane lining * Consult Toshiba before using the meter at the high temperature, because the product lifetime may be shortened.
Ambient temperature
- 40 to 140 °F (-40 to +60 °C): Separate type for PFA lined flowmeter
- 4 to 140 °F (-20 to +60 °C): Combined type for PFA lined flowmeter
- 4 to 140 °F (-20 to +60 °C): PU lined flowmeters
Structure
Standard — IP 67 and NEMA 4X Option — IP68 and NEMA 6P Submersible type allows for accidental submergence up to 15m for 48 hours. PFA and Polyurethane lined detector tubes are NEMA 6P/IP68 compliant when a TOSHIBA approved Potting kit is properly Field or Factory installed.
NOTE: PFA lining detector shall become valid the IP68/NEMA 6X function after being connected the pipe line. It needs to avoid being put under the rain or water by itself before connecting.
Power consumption
- Without communication function 15W (22VA) or less
- When standard is used;
- (10W(14VA) at 100Vac and Excitation current: 0.2A)
- With communication function 17W (24VA) or less
Approved hazardous location certifications
Model: LF654/LF620F and LF654/LF622F
cFMus Nonincendive for use in hazardous (classified) locations: Class I, II, III, Division 2, Groups A-G
Detector and converter combination
- LF654/LF620F: Combined type with Ex approval of Class I, II, III, Division 2 (cFMus).
- LF654/LF622F: Separate type with Ex approval of Class I, II, III, Division 2 (cFMus).
Mount-Anywhere Technology
With TOSHIBA’s unique magnetic field distribution technology, the meter is highly immune to upstream flow disturbances. A minimum of 1D (one diameter) length of upstream straight pipe from the flange and 0D (zero diameter) length of downstream straight pipe from the flange are required to maintain the specification performance.
Note: The test results were obtained and demonstrated at TOSHIBA’s flow calibration facility, Fuchu Japan.
Drinking water approvals
- NS F /ANSI standard 61 (see Table 4
Model LF654 Detector
- Mounting style: Flange connection type luid pressure:
- 15 psi or -1.0 bar (-0.1 MPa) to the nominal pressure of the connection flange (see Figure 2)

Connection flange standards
- ASME B16.5 class 150, ASME B16.5 class 300
- EN1092-1 PN10, EN1092-1 PN16
Principal materials
- Case — carbon steel
- Flange material — carbon steel
- Linings — 1/2” to 18” (15 to 450mm): PFA (NSF certified) 1/2” to 18” (15 to 450mm): PU (NSF certified : over 4”(100mm))
Note: PFA liners are mechanically retained for full vacuum service (2 1/2” to 18” (65mm to 450 mm)).
Electrodes
- Type-Super smooth, polished with self-cleaning finish, and non-stick shape
- 316L stainless steel (std. for PU lining)
- Hastelloy C equivalent (std. for PFA lining)
- Note: Electrodes are mechanically buffed and electro-chemically polished.
- Grounding rings — 316 stainless steel (std.)
- Note: See Table 4 for optional materials and other related information.
- Measuring tube material — 304 stainless steel
- Terminal box material — Aluminum alloy (for separate type)
- Coating: Corrosion resistant resin coating (std.) gray colored
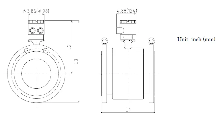
- Dimensions and weights: See Figure 3, 4, 5 and 6.
- Cable connection port: for separate type detectors.
- Cable gland —
- LF654(with cFMus):Not provided, 1/2–14NPT male screws are required.
Model LF620 and LF622 converters
- Input signals
- Analog signal — the voltage signal from detector, proportional to process flow rate (for LF622 separate type converter).
- Digital input DI Signal type: 20 to 30Vdc voltage signal Input resistance: 2.7k Number of inputs: one point
- Note: DI cannot be used with the Modbus communication.
- DI function — One of the following functions can be assigned to the DI signal.
- Range switching — Selects either the higher or lower range in the unidirectional or bidirectional 2-range setting.
- Totalizer control — ‘Starts/Stops’ or ‘Resets /Starts’operation in the built-in totalizer.
- Fixed-value outputs —Outputs fixed-values for current and pulse outputs for loop check.
- Zero adjustment — Executes zero adjustment (on-stream at zero flow rate).
- Output signals
- Current output:
- 4–20mAdc (load resistance 0 to 750)
- Digital outputs — Two points are available as follows.
- Digital output DO1:
- Output type: Transistor open collector Number of outputs: One point
- Output capacity: 30Vdc, 200mA maximum
- Note: DO1 cannot be used if Modbus communication connection is 3 lines. (Refer table 6 for details)
Digital output DO2
- Output type: Solid-state relay output (non polarity)
- Number of outputs: One point
- Output capacity: 150Vdc, 150mA maximum
- or 150Vac (peak to peak), 100mA maximum
- Note: DO2 cannot be used with the Modbus communication. (Refer table 6 for details)
- DO1 and DO2 functions — One of the following functions can be assigned to DO1 and/or DO2 .
- Pulse output (available only for DO1, DO2)
- Pulse rate: MAX 10kHz (10000pps)(DO1)
- MAX 100Hz (100pps)(DO2)
- (Over 1kpps, auto-setting)
- Pulse width: 0.3 to 500ms (but it is 40% or less of the full scale cycle. )
- Note: The same and simultaneous pulse is not available between DO1 and DO2.)
- Multi-range selection outputs (Note 1)
- High, High high, Low, and/or Low low alarm outputs (Note 2)
- Empty pipe alarm output (Note 2)
- Preset count output
- Converter failure alarm output
- Note 1: Two outputs (DO1 and DO2) are needed for 4-range switching and forward/reverse 2-range switching.
- Note 2: Normal Open (default set) or Normal Close is selected for alarm outputs when programming. When power failure occurs, unit will be fault to Normal Open.
Communications output
- HART (std.) — Digital signal is superimposed on 4–20mAdc current signal as follows:
- Conforms to HART protocol
- Load resistance: 240 to 750

- Load capacitance: 0.25μF maximum
- Load inductance: 4mH maximum
MODBUS (opt.)
- Physical layer : RS485
- Protocol : Modbus
- Mode : RTU
- Baudrate : 4800, 9600, 19200bps
- Data length : 8bit
- Parity bit : None, Odd, Even
- Stop bit : 1bit, 2bit
- Error check : CRC-16
- Max. station number : 32(with Master device)
- Max. cable length : 1.2km (Note)
- Note: This length is specification of 3 line connection.
LCD display
- Full dot-matrix 128×128 dot LCD display (back–light provided) A parameter change will rotate the display.
- Parameter settings — Parameters can be set as follows:
- IR Switches: Three key switches are provided to set configuration parameters.
- Digital communication: HART, or Modbus is needed to set parameters.
Counter control: - If the digital input is set for counter control, counter control is available for the integrated value and the pulse output.
- Zero adjustment: Zero point adjustment can be started by pressing the switch in the converter.
- Damping: 0.1 , 0.5 to 60 seconds (selectable in one second increments)
- “Converter Field re-verification” Mag-Prover – Toshiba’s Zero span verification tool allows unit to be re-verified using an internal software program. The meter’s excitation current is a NIST traceable parameter. This parameter can be verified in the field through the converter to verify the meter is still within factory calibration. (For more information contact Toshiba International Corp.)
Conditions when power fails
Parameter setting values are stored in non–volatile memory and the values will be restored when the power returns to normal condition. The outputs and display will remain as follows when power fails.
- Current output: 0mAdc
- Digital output: OFF
- LCD display: No display
- HART: No communication
- Modbus: No communication
Power supply
- One of the following can be selected:
- 100 to 240Vac (allowable voltage range: 80 to 264Vac 50/60Hz)
- 24Vdc (allowable voltage range: 18 to 36Vdc) or
- 110Vdc (allowable voltage rangel:90 to 130Vdc)
Surge protection
- Arresters are installed in the power supply, digital input / outputs circuit and current signal output circuit to help protect the meter from lightning and improve personnel safety.
- Confirmed by following tests
- IEC 61000-4-2 Electro static discharge immunity test
- IEC 61000-4- Electrical first transient/burst immunity test
- IEC 61000-4-5 Serge immunity test
- Case: Aluminum alloy (equal to IP 67)
- Coating: Acrylic resin-baked coating, pearl–gray colored
Cable connection port
- Cable glands —
- LF620F and LF622F with cFMus Approval:
- Not provided, 1/2–14NPT male threads are required.
Vibration resistance
- No resonance to the following levels of vibration:
- 10 to 150Hz with acceleration of 9.8m/s2
- Vibration of 30Hz with 29.4 m/s2 in 4h in each direction will not cause any defect to unit.
- Note: Avoid using the flowmeter in an environment with constant vibration.
Dimensions and Weights
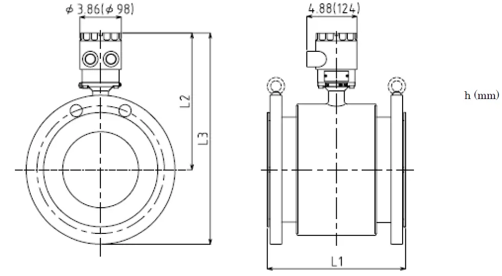
- See Figure 7 (for Separate type)
MTBF
- Converter: 220,000 hours (25 years) at 77 °F (25 °C) based on strict military specification MIL-HDBK-217F
- Detector: 350,000 hours (40 years) at 77 °F (25 °C) based on strict military specification MIL-HDBK-217
Installation
Dimensions

Note1: Eye bolts are provided at the top for flowmeters sized 8″ (200mm) or above, and further, a roll-prevention base is provided for flowmeters sized 10″ (250mm) or larger.
Note2: Cable glands are not provided for LF654 of cFMus approved type. Refer to the cable connection port at converter.
Note3: 1 inch = 25.4mm
ASME B 16.5 class 150 dimensions: EN 1092-1 PN 16 dimensions


Note1: Eye bolts are provided at the top for flowmeters sized 8″ (200mm) or above, and further, a roll-prevention base is provided for flowmeters sized 10″ (250mm) or larger.
Note2: Cable glands are not provided for LF654 of cFMus approved type. Refer to the cable connection port at converter. ←
Note3: 1 inch = 25.4mm
ASME B 16.5 class 150 dimensions: EN 1092-1 PN16 dimensions


Note1: Eye bolts are provided at the top for flowmeters sized 8″ (200mm) or above, and further, a roll-prevention base is provided for flowmeters sized 10″ (250mm) or larger.
Note2: Cable glands are not provided for LF654 of cFMus approved type. Refer to the cable connection port at converter.
Note3: 1 inch = 25.4mm
ASME B 16.5 class 150 dimensions: EN1092-1 PN 16 dimensions


Note1: Eye bolts are provided at the top for flowmeters sized 8″ (200mm) or above, and further, a roll-prevention base is provided for flowmeters sized 10″ (250mm) or larger.
Note2: Cable glands are not provided for LF654 of cFMus approved type.
Note3: 1 inch = 25.4mm
ASME B 16.5 class 150 dimensions: EN1092-1 PN 16 dimensions:


Note: Cable glands are not provided for LF622F cFMus approved type. Refer to the part Cable connection port at detector converter.
Note: 1 inch = 25.4mm
External Connections
Combined type LF654/LF620F flowmeters

Locate an external double-pole power switch on the power line near the flowmeter within easy reach of operation. Use the appropriate switch rating as shown below: Switch rating: 250Vac, 6A or more In rush current: 15A or more
Separate type LF654/LF622F flowmeters
Table 1. LF620F and LF622F Converters Signal Table

Note: Symbol of the terminal is changed as follows for Modbus. DO2 → T+, DI → T-, COM → TG
Wiring Precautions
- Explosion proof type flowmeters are not provided with cable glands. Refer to the part Cable connection port at detector and converter.
- Connect the grounding wire (IV wire 5.5mm² or more) to a good earth ground (100
or less ground resistance). Make the wire as short as possible. Do not use a common ground shared with other equipment where earth current may flow. An independent earth ground is recommended. - The allowable cable lengths between the detector and converter for the separate type flowmeter depend on the electrical conductivity of the object fluid. See Figure 10.
- DO1, DO2 and DI use the same common terminal (COM). This COM can not be connected to other equipment which have their own ground terminal. (Power supply for connecting to DI or DO, etc…) Need to wire separately.
Wiring Precautions (Modbus)
- For wiring path, avoid places near electrical equipment that may cause electromagnetic induction or electrostatic induction interference (such as a motor, transformer and wireless transmitter).
- General cables are designed for indoor use where cables are not exposed to humidity, rain, etc. When you install cables, make sure to check the operating conditions such as the operating temperature range of the cable by contacting its manufacturer.
- When you carry out cable end treatment, use a dedicated cable stripper to avoid the core wire of the cable being nicked or damaged. In addition, for cables, be careful of allowable maximum bend diameter. (Do not allow excessive twisting or bending of cables).
- The electromagnetic flowmeter is not equipped with terminating resistors. Use the terminating resistor unit for Modbus or junction box, if.
- Only one Modbus cable goes cable gland of the Electromagnetic Flowmeter. Please use the junction box at system configuration.
- Install a terminator to flowmeter that connected to end of Modbus network.

Meter Size
To select the meter size: See Table 2 and 3 to find meter sizes within the velocity of 0.3 to 39.4 ft/s (0.1 to12m/s) for a specified full-scale (measuring range high limit) flow. Select one that has its full-scale velocity between 3.0 and 10 ft/s (1 and 3m/s).
Note: Make sure the full-scale flow rate used for the final planning stage stays within 39.4ft/s (12m/s) in terms of flow velocity.
Table 2. Flow Rate and Flow velocity (English unit)

Table 3. Fl ow Rate and Flow velocity (SI Unit: m3/h

About establishment environment
- Do not store or install the flowmeter:
- Where there is direct sunlight.
- Where excessive vibration or mechanical shock occurs.
- Where high temperature or high humidity conditions exist.
- Where corrosive atmospheres exist.
- Places that can be submerged under water.
- When placing the flowmeter temporarily on the floor, support it, i.e., with a block so that the flowmeter does not topple over.
In areas like the following, there may be the case that infrared switches do not function correctly. (If these are unavoidable, use an appropriate cover.)
- Where unit (operation panel) is exposed to direct sunlight, reflection of light onto window pane and diffused light reflection.
- Where smoke and steam may occur.
- Where exposed to direct snow, ice or mud.
Ordering Information
- When ordering the LF654 series flowmeters, refer to Tables 4 and 5 (Type Specification Codes). An entry must be made for each of the columns in each of these tables.
- Fluid characteristics: (1) Type of fluid to be measured and its characteristics (2) Fluid temperature (3) Fluid pressure (4) Electrical conductivity of the fluid
- Measuring range
- I/O function setting
- Ordering scope Flow calibration data
- Other items Specifications other than standard items
Consult a Toshiba representative when choosing materials for lining, electrodes, and grounding rings.
Toshiba International Corp. (Houston) stocks Hazardous location certification type flowmeters as standard inventory.
Table 4 . Specification Code Flange type detector LF654 Series

Size code explanation: √ : Object : Standard : Option –: Not available
Note1: In case of LF654 with cFMus approval, Cable glands are not provided.
Note2: Consult with Toshiba and your customer when choosing wetted parts materials.
Note3: 316L stainless steel electrodes are provided with NSF approved PU liner, sizes 4” to 18”.
Hastelloy C electrodes are provided with NSF approved PFA liner.
Note4: Potting kit is available for IP68/NEMA6P submersible option with remote type NPU/PU(1/2~18inch) & PFA(2-1/2~18 inch) lined Detector.
Note5: ASME B 16.5 class 300 flange is NOT available in 3” & 5” ISO length.
Note 6 : Pt Ir are available for less than 2 ” 50 mm). Ta available up to 6”.
Table 5 . Specification Code for converters
Code explanation: : Standard : Option –: Not available
Note 1:When Modbus communication is provided, digital output points 1(DO1) and digital output points (DO2), digital input point 1(DI), HART communication cannot be used. Refer to Table 6 for more details.
Note2: Select 110Vdc for test report inspected under the condition of 110Vdc.
Table 6 . Communication functions and output selection table

Note: When digital output 1 function and Modbus communication function are used at one time, TG (signal ground) of the Modbus communication function cannot be connected (2 line connection).
- Misuse of this product can result in damages to property or human injury. Read related manuals carefully before using this product.
- Specifications are subject to change without notice.
- Printed in Japan Nov., 2021
- © Toshiba Infrastructure Systems & Solutions Corporation 2021 All Rights Reserved.




















