BT7871 Adapter Plate
Installation Guide
SPECIFICATIONS
- Designed to mount video bars to a variety of B-Tech products
- Suitable for use with the following UCNC equipment: Bose Videobar VB 1, Jabra PanaCast 50, Neat.Bar, Neat. Bar Pro & Poly Studio X50
- Ideal for use on a B-Tech display trolley or stand
- Attaches directly to a B-Tech column (BT8380 / BT8381 / BT8385), a accessory mounting arm (BT8390-SA / BT7031) or to a pole using a B-Tech accessory collar (BT7052 / BT7841)
- Slide to position up/down on the column/poles
![]()
INSTALLATION SAFETY INSTRUCTIONS
CAUTION:
This mount is intended for use only with the maximum weights indicated. Use with equipment heavier than the maximum indicated may result in instability causing possible injury.
Do not attempt to install this product until all instructions and warnings have been read and properly understood. Please keep these instructions for future reference.
Please check carefully to make sure there are no missing or defective parts – defective parts must never be used. B-Tech AV Mounts, its distributors and dealers are not liable or responsible for damage or injury caused by improper installation, improper use or failure to observe these safety instructions. In such cases, all guarantees will expire. General
B -Tech AV Mounts recommends that a professional AV installer or other suitably qualified person install this product. Great care must always be taken during installation as most AV equipment is of a fragile nature, possibly heavy and easily damaged if dropped. If you do not fully understand the instructions or are not sure how to install this product safely, then please consult a professional for advice and/or to install this product for you. Failure to mount this product correctly may cause serious injury or death both during installation and at any time thereafter. Do not mount any AV equipment that exceeds the specific weight limit of the product you are installing. This weight limit will be clearly stated on each product and its packaging and will vary from product to product.
Product location
Please pay careful attention to where this product is located. Check load capacity of the structure prior to installation as some surfaces are not suitable for installation. Designed for indoor use, this mount is suitable for public or home installation If located in a public or frequently populated area ensure that the product is out of the immediate reach of people.
If any AV equipment is to be suspended over the likely path or location of people then great care should be taken to secure all parts of the installation from falling.
When drilling holes it is essential to avoid contact with electrical cables and water or gas pipes contained within. Use of a good quality live wire detector and hidden object locator is therefore recommended. Only drill into structures when you are sure it is safe to do so.
Fixing hardware
It is highly recommended that all fixing screws be used where supplied and that the purpose of all other fixing hardware is fully understood. In some cases more AV equipment fixing hardware will be supplied to accommodate different models of equipment and set up configurations. The installer must be satisfied that any supplied fixing hardware is suitable for each specific installation. The fixing kit supplied with the product may not be suitable for all walls.
If any fixing screws or included hardware are deemed not sufficient for a safe installation then please consult a professional or your local hardware store.
Hazard limitation
When routing cables take advantage of any built in cable management features that the product might provide and ensure that all cables are tidy and secure. Check to see that any moving aspect of the product can do so unhindered by any cabling. Some products have moving parts and the potential to cause injury through the crushing or trapping of fingers or other body parts. Particular attention to the nature of moving parts is required especially when assembling installing and adjusting during set up. Immediately after installation double-check that the work done is safe and secure. Double-check all necessary fixings are present and are of ample tightness.
It is recommended that periodic inspections of the product and its fixing points are made as frequently as possible (no more than 6 months apart) to ensure that safety is maintained.
If in doubt consult a professional AV installer or other suitably qualified person.
BT/871 PARTS LIST
PLEASE KEEP THIS FOR FUTURE REFERENCE

| ITEM | DESCRIPTION | QTY |
| 1 | ADAPTOR PLATE | 1 |
| 2 | M8 x 12mm CSK HEX SCREW | 4 |
| 3 | M4 x 6mm HEX SOCKET BUTTON HEAD SCREW | 4 |
| 4 | M4 x 10mm HEX SOCKET BUTTON HEAD SCREW | 4 |
| 5 | 2.5AF x L55mm HEX KEY | 1 |
| 6 | 5AF x L6Omm HEX KEY | 1 |
Suitable for loads up to 3kg (6.6lbs)
INSTALLATION OPTIONS
- ATTACH THE MOUNTING PLATE TO A B-TECH MOUNT
i. RAIL MOUNTING
Fix item 7 to a Accessory Mounting Arm (B7T8390-SA / BT7031) using item 2.
ii. POLE MOUNTING
Use an Accessory Collar (BT7052 / BT7841) to mount item 7 onto a @50mm Pole (BT7850 / BT4116 /BT4118) using item 2.
iii. COLUMN MOUNTING
Insert 2x sliding nuts (supplied with column) into the front channels of the Column (878380 / BT8381*) and then fixitem 7 to the column using item 2.
*Note: A BT8385-RTC is required to mount the BT7871 onto a Mode-AL BT8385 column.
VIDEO BAR INSTALLATION OPTIONS - A. MOUNTING A JABRA PANACAST 50
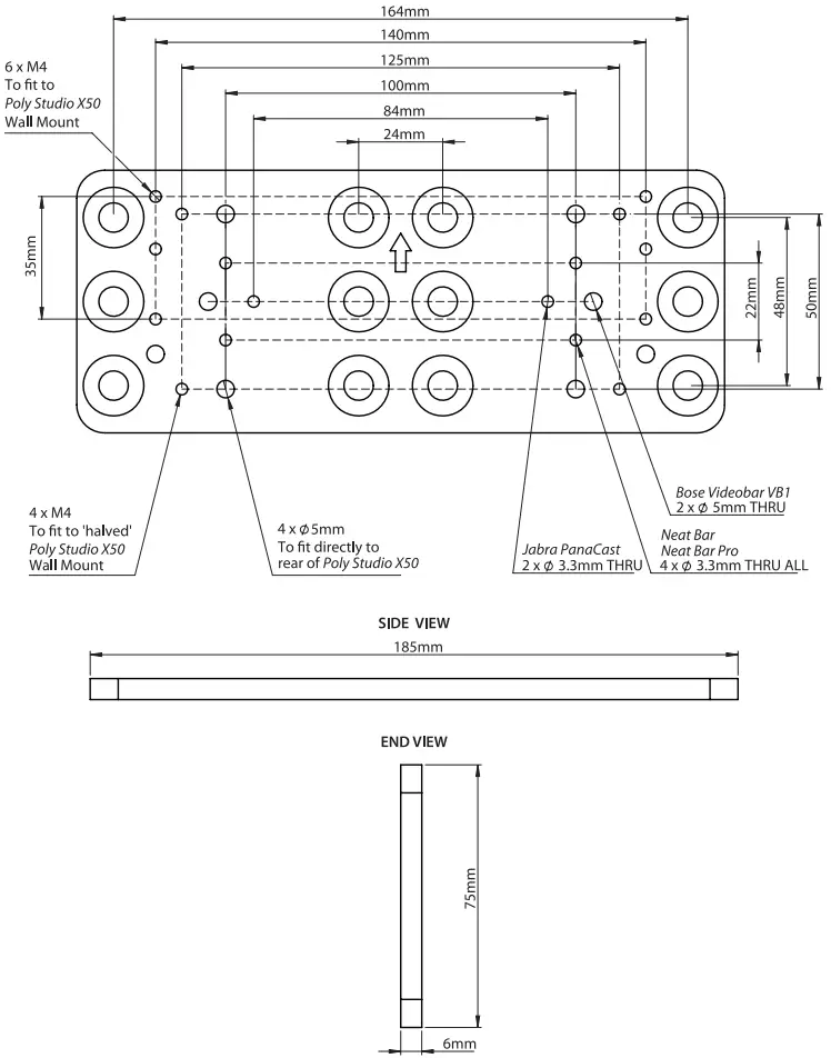
Using item 4 fix the Jabra PanaCast to item 1.
Example
Column installation Shown
Note: Refer to the BT8371 dimensions on page 17 for more information on which mounting holes to use on the adaptor plate.
B. MOUNTING A BOSE VIDEOBAR VB1
Using item 3 and the integrated mounting brackets supplied on the Bose VB1, fix the videobar to item 1.
Note: Refer to the BT8371 dimensions on page 11 for more information on which mounting holes to use on the adaptor plate.
C. MOUNTING A NEAT.BAR / NEAT.BAR PRO
i. Using item 3 attach the Neat. Bar mounting bracket to item 1.
Note: Refer to the BT8371 dimensions on page 17 for more information on which mounting holes to use on the adaptor plate.
ii. Slide the Neat. Bar onto the mounting bracket.
D. MOUNTING A POLY STUDIO X50
Attach the Poly Studio to item 1 using item 4.
Note: Refer to the BT8371 dimensions on page 11 for more information on which mounting holes to use on the adaptor plate.
i. For a +25° tilt attach the Poly Studio mounting plate* to item 1 using item 3.
ii. Hook the Poly Studio onto the mount.
EXAMPLE INSTALLATIONS

BT/871 DIMENSIONS
PLEASE KEEP THIS FOR FUTURE REFERENCE
FRONT VIEW
THESE INSTRUCTIONS ARE INTENDED AS A GUIDE ONLY AND B-TECH ACCEPTS NO LIABILITY FOR THE ACCURACY OF THE INFORMATION CONTAINED IN THIS DOCUMENT

CONTACT:
[email protected]
©2022 B-Tech International Design and Manufacturing Ltd. All rights reserved.
B-Tech AV Mounts is a division of B-Tech International Design and Manufacturing Ltd.
B-Tech AV Mounts and the B-Tech logo are registered trade marks.
All other brands and product names are trademarks of their respective owners.
Photographs are for illustrative purposes only. E&OE.
AMA-BT7871-V1-PROBX-0722-57
MADE IN THE UK
https://www.btechavmounts.com/bt7871
For Vore Information Visit www.btechavmounts.com
ii. POLE MOUNTING
iii. COLUMN MOUNTING
VIDEO BAR INSTALLATION OPTIONS
Note: Refer to the BT8371 dimensions on page 17 for more information on which mounting holes to use on the adaptor plate.
B. MOUNTING A BOSE VIDEOBAR VB1
C. MOUNTING A NEAT.BAR / NEAT.BAR PRO
ii. Slide the Neat. Bar onto the mounting bracket.
D. MOUNTING A POLY STUDIO X50
i. For a +25° tilt attach the Poly Studio mounting plate* to item 1 using item 3.

















