WATTECO Press’O 50-70-017 LoRa WAN Class A Analogue Adapter

Start
Provision the device on your LoRaWAN® network with the keys available on the secure platform.
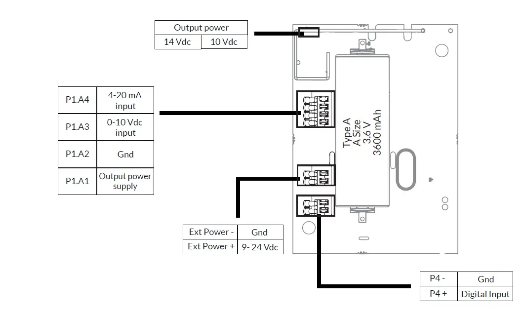
Connectors
The measurement from 0 – 70 Volts: Voltage up to 70V
Accuracy +-70mV 1.5 m wire AWG 20-26
Digital input features
- Tension: 0-30Vdc
Installation Setting-up
Opening / Closure
Wall mounting
rail
Please note that after the installation of the RailDIN kit, the protection rating of the housing will change to IP50.
Radio propagation
Check the radio coverage with the Netw’O
Characteristics
Watco represented by JC LE BLEIS declares that the radio equipment type 50-70-141/50-70-017/ 50-70-189 is in conformity with Directive 2014/53/EU (RED) and UKCA. The full text of the EU and UKCA Declaration of Conformity is available at the following web address: https://www.watteco.com/assistance/download-center/
Thanks for choosing WATTECO devices
WATTECO Press’O 50-70-017 LoRa WAN Class A Analogue Adapter





















