Force W High Power Condensing Modules
Instruction Manual

Operating instructions
1.1 Introduction
Dear Customer,
Thank you for choosing FORCE W, a FERROLI wall-mounted boiler featuring advanced design, cutting-edge technology, high reliability, and quality construction. Please read this manual carefully, as it provides important information on safe installation, use, and maintenance.
FORCE W is a high efficiency, low emissions premix condensing heat generator for heating, running on natural gas or LPG, and equipped with a microprocessor control system.
The boiler body consists of an aluminum tube exchanger and a premix burner in steel, equipped with electronic ignition and ionization flame control, a modulating speed fan, and a modulating gas valve.
1.2 Control panel

| 1 = Contextual button 1 | 8 = Automatic/Manual Heating/DHW button |
| 2 = Contextual button 2 | 9 = Summer/Winter mode selection button |
| 3 = Contextual button 3 | 10 = Economy/Comfort mode selection button |
| 4 = Dot matrix display (example – main screen) | 11 = Menu exit button |
| 5 = Menu navigation button | 12 = Main menu button |
| 6 = Confirm/menu access button | 13 = Home button (back to the main screen) |
| 7 = Menu navigation button | 14 = Main switch |
Contextual button
The contextual buttons (details 1, 2, 3 – fig. 1) are grey, with no screen print, and take on a different meaning depending on the menu selected. It is essential to observe the indication provided by the display (icons and text). In fig. 1 for example, using the contextual button 2 (detail 2 – fig. 1) it is possible to access unit information such as: the temperature f sensors, work power, etc.
Direct buttons
The direct buttons (details 8, 9, 10 – fig. 1) always have the same function.
Menu/navigation buttons
The menu/navigation buttons (details 5, 6, 7, 11, 12, 13 – fig. 1) are used to navigate among the various menus implemented in the control panel.
Menu structure
From the main screen (Home), press the Main menu button (detail 12 – fig. 1).

Access the “USER” menu by pressing the contextual button 1 (detail 1 – fig. 1). Then use the “menu/navigation” buttons to access the various levels described in the following table.


Indication during operation
Heating
A heating demand (generated by the Room Thermostat, Remote Timer Control, or 0-10 Vdc signal) is indicated by the activation of the circulating pump and by the hot air above the radiator (fig. 2).

DHW (with optional hot water tank installed)
A hot water tank heating demand is indicated by the activation of the drop under the tap (fig. 4 and fig. 5).

Exclude hot water tank (economy)
Hot water tank temperature maintenance/heating can be excluded by the user. In case of exclusion, there will be no delivery of domestic hot water.
The hot water tank can be deactivated by the user (ECO mode) by pressing the eco/ comfort button (detail 10 – fig. 1). In ECO mode, the display activates the symbol. To activate the COMFORT mode, press the eco/comfort button (detail 10 – fig. 1) again.

Information
From the main screen (Home), press the contextual button 2 (detail 2 – fig. 1). Then use the “Menu Navigation” buttons to display the following values:
| Heating demand | OT – OpenTherm control request |
| TA – Room thermostat request | |
| 0-10Vdc – 0-10Vdc signal request | |
| TA2 – Second room thermostat request | |
| Heating circulating pump | ON/OFF |
| Heating 3-way valve | ON/OFF |
| DHW 3-way valve | ON/OFF |
| Standby time | ON/OFF |
| T Delta protection | ON/OFF |
| Flame Supervisor | ON/OFF |
| Heating sensor | °C |
| Safety sensor | °C |
| Return sensor | °C |
| DHW sensor | °C |
| External probe | °C |
| Fume sensor | °C |
| Cascade heating sensor | °C |
| Fan frequency | Hz |
| Burner load | |
| System water pressure | 1.4bar = ON, 0.0 bar = OFF |
| Modulating circulating pump | |
| Cascade modulating circulating pump | |
| Ionization current | uA |
| input 0-10Vdc | Vdc |
| Heating adjustment temperature | Setpoint (°C) |
| Power level adjustment 0-10Vdc | Setpoint (%) |
1.3 Lighting and shutdown
Boiler lighting
Press the On/Off button (detail 14 – fig. 1).

Press the contextual button 1 to select the language, confirming it by pressing “OK”.
Press the contextual button 3 to stop FH mode.
If none of the two selections described above is made, proceed as follows.
- For the following 300 seconds, the display will show FH which identifies the heating system air venting cycle.
- The display also shows the firmware version of the cards.
- Open the gas cock ahead of the boiler.
- When the message FH disappears, the boiler is ready to operate automatically in case of a room thermostat demand.
Settings
Contrast adjustment
To adjust the display contrast, press the contextual button 2 and the OK button together. Then press the button ref.
5 of fig. 1 to increase the contrast or the button ref. 7 of fig. 1 to decrease it.
Setting the Date and Time
Reach the screen shown in fig. 8, navigating in the menu and following the path MENU ”USER”
“Settings”
“Set date”. Press the navigation buttons 5 and 7 to select the value and modify it with contextual buttons 1 and 2. Confirm with the OK button.

Reach the screen shown in fig. 9, navigating in the menu and following the path MENU ”USER”
“Settings”
“Set time”. Press the navigation buttons 5 and 7 to select the value and modify it with contextual buttons 1 and 2. Confirm with the OK button.

Boiler shutdown
From the main screen/Home, press the contextual button
and confirm with the button OK.

When the boiler is shut down, the PCB is still powered.
DHW mode (with optional hot water tank installed) and heating mode are disabled. The frost protection system remains activated.
To relight the boiler, press the contextual button again
.
The boiler will be immediately ready to operate whenever domestic hot water is drawn (with an optional hot water tank installed) or when there is a room thermostat demand.
The frost protection system does not work when the power and/or gas to the unit are turned off. To avoid damage caused by freezing during long shutdowns in winter, it is advisable to drain all water from the boiler, the DHW circuit, and the heating system water; or drain just the DHW circuit and add a suitable antifreeze to the heating system, as prescribed in sec. 2.3.
1.4 Adjustments
Summer/Winter Switchover
Press the button
(detail 9 – fig. 1) for 1 second.
The display activates the symbol Summer. The heating function is deactivated, whereas the possible production of domestic hot water (with an optional external hot water tank) remains activated. The frost protection system remains activated.
To deactivate Summer mode, press the button
(detail 9 – fig. 1) again for 1 second.

Heating temperature adjustment
Access the MENU “USER”
“Heatings”
“CH setpoint” to vary the temperature from a minimum of 20°C to a maximum of 80°C. Confirm with the OK button.

The boiler is sold with a time program not activated. Therefore, if requested, this is the setpoint value.
Heating temperature reduction
Access the MENU “USER”
“Heatings”
and “CH setpoint reduction” to vary the temperature from a minimum of 0°C to a maximum of 50°. Confirm with the OK button.

This parameter is used only if time programming is activated. See *** ‘Time programming’ on page 198 ***
DHW temperature reduction adjustment (with optional hot water tank installed)
Access the MENU “USER”
“DHW”
“CH setpoint” to vary the temperature from a minimum of 10°C to a maximum of 65°C. Confirm with the OK button.

The boiler is sold with a time program not activated. Therefore, if requested, this is the setpoint value.
DHW temperature reduction (with optional hot water tank installed)
Access the MENU “USER”
“DHW”
and “DHW setpoint reduction” to vary the temperature from a minimum of 0°C to a maximum of 50°C. Confirm with the OK button.

This parameter is used only if time programming is activated. See *** ‘Time programming’ on page 198 ***
Time programming
Programming the time is done in the same way both for heating and for DHW; the two programs are independent.
To program Heating access the “Scheduler Set” menu following the path MENU “USER”
“HEATING”
“Scheduler Set”.
To program Domestic hot water (DHW) access the “Scheduler Set” menu following the path MENU “USER” “DHW”
“Scheduler Set”.
Choose the desired type of programming and follow the instructions given below.
Select the day (fig. 16) or the interval of days to be programmed (fig. 17) and confirm with the OK button.

The program is weekly, which means that 6 independent time bands can be set for each day of the week (fig. 18); 4 options can be selected for each time band:
- ON. In case of a Heating/DHW demand, the boiler works at the set Heating/DHW (fig. 12/fig. 14) Adjustment Temperature.
- In case of a Heating/DHW demand, the boiler works at the Reduced Adjustment Temperature. The Reduced temperature is obtained by subtracting the Reduction Adjustment Temperature value (fig. 13/fig. 15) from the set Heating/DHW Adjustment Temperature (fig. 12/fig. 14).
- OFF. In case of a Heating/DHW demand, the boiler will not activate the Heating/DHW mode.
- — : — OFF. Time band disabled.
The boiler is sold with a time program not activated. In fact, every day it will be programmed from 00:00h to 24:00h in ON mode (fig. 18).
First, set the start time of the first-time band (fig. 18) using contextual buttons 1 and 2.

Press the navigation button 7 to move to the end time of the first time band (fig. 19) and set it to the desired value using contextual buttons 1 and 2.

Press the navigation button 7 and use the contextual buttons 1 and 2 to set the work mode during the first time band (fig. 20)

Then, press the navigation button 7 to set (if necessary) the next time bands (fig. 21, fig. 22 and fig. 23).


When the day has been programmed, press the OK button; the item “Save & Exit” will be automatically selected (fig. 24). Use the navigation buttons 5 and 7 to change the previous settings, or press OK to confirm: in this case, the display will again show the day (fig. 16) or the interval of days to be programmed (fig. 17). The same procedure can therefore be followed to complete the desired weekly program.

To program the next day in the same way, select “Copy to the Next Day” and press OK to confirm (fig. 24).
To reset the time program to the default values, press contextual button 3 in the Time Program menu (fig. 25) and confirm with OK.

The two Heating and DHW time programs are independent even in case of resetting to default values.
Legionella programming (with optional hot water tank installed)
This function must be activated by enabling an installer parameter.
Access the “Legionella” menu through the path MENU “USER”
“DHW”
“Legionella” to set:
- Antilegionella Day. Defines the day of the week during which the function will be activated.
- Time of Antilegionella Day. Defines the function start time.
- Antilegionella Duration. Defines the duration (in minutes) of the function.
- Antilegionella Adjustment Temp.. Defines the DHW Adjustment temperature during the function.
Holiday Function
Access the “HOLIDAY” menu through the path MENU “USER” “HOLIDAY” to set:
- Holiday start date.
- Holiday end date.
The display can activate two types of icons:
– The Holiday function is programmed but not yet active.
– The Holiday function is in progress. The boiler will behave as if Summer mode and Economy mode were active (with an optional hot water tank installed).
The frost protection and Legionella functions will remain active (if activated).
Service Intervention Date
This informs when the alert of programmed maintenance by the technician will be activated. It does not represent an alarm or a fault but just notice. After that date, whenever the Main menu is accessed, the boiler will activate a screen indicating that programmed maintenance is due.
Service Information
This information shows the telephone number to contact in case of assistance (if programmed by the technician).
Room temperature adjustment (with optional room thermostat)
Using the room thermostat, set the temperature required in the rooms.
Room temperature adjustment (with optional remote timer control)
Using the remote timer control, set the temperature desired in the rooms. The boiler unit will set the system water according to the required room temperature. For information on the remote timer control, please refer to its user manual.
Sliding temperature
When an external probe (optional) is installed, the corresponding symbol of the outside temperature is activated on the control panel display. The boiler adjustment system works with “Sliding Temperature”. In this mode, the temperature of the heating system is adjusted according to the outside weather conditions, to ensure a high level of comfort and energy saving throughout the year. In particular, as the outside temperature increases, the system delivery temperature decreases according to a specific “compensation curve”.
With Sliding Temperature adjustment, the “Heating adjustment” temperature becomes the maximum system delivery temperature. It is advisable to set a maximum value to allow system adjustment throughout its useful operating range.
The boiler must be adjusted at the time of installation by qualified personnel. Adjustments can in any case be made by the user to improve comfort.
Compensation curve and curve offset
Access the Sliding Temperature menu through the path MENU “USER” “CH Setpoint Reduction”. Adjust the required curve from 1 to 10 according to the characteristic (fig.
28) through the parameter “OTC Curve 1” and confirm with the OK button.
By setting the curve to 0, the sliding temperature adjustment is disabled.

Adjust the parallel offset of the curves from 20 to 60 °C (fig. 29), through the parameter “OTC Offset 1” and confirm with the OK button.

If the room temperature is lower than the required value, it is advisable to set a higher-order curve and vice versa. Proceed by increasing or decreasing in steps of one and check the result in the room.

This parameter is used only if time programming has been activated. See *** ‘Time programming’ on page 198 ***
Outside Temperature Heating OFF
Access the “Out Temp Heat Off” to activate the function: between 7°C and 30°C.
If activated, this function will deactivate the heating demand whenever the temperature measured by the external probe is higher than the programmed value.
The heating demand will be reactivated as soon as the temperature measured by the external probe is lower than the programmed value.
Adjustments from the remote timer control
If the Remote Timer Control (optional) is connected to the boiler, the above adjustments are managed according to that given in table 1.
Table 1
| Heating temperature adjustment | The adjustment can be made from the Remote Timer Control menu and the boiler control panel. |
| DHW temperature adjustment (with optional hot water tank installed) | The adjustment can be made from the Remote Timer Control menu and the boiler control panel. |
| Summer/Winter Switchover | Summer mode has priority over a possible Remote Timer Control heating demand. |
| Eco/Comfort selection (with optional hot water tank installed) | On disabling DHW from the Remote Timer Control menu, the boiler will select Economy mode. In this condition, the button detail 10 – fig. 1 on the boiler panel is disabled. |
| On enabling DHW from the Remote Timer Control menu, the boiler will select Comfort mode. In this condition, with the button detail 10 – fig. 1 on the boiler panel it is possible to select one of two modes. | |
| Sliding Temperature | Both the Remote Timer Control and the boiler card manage Sliding Temperature adjustment: Sliding Temperature overrides the boiler card. |
System water pressure adjustment
The filling pressure with the system cold must be approx. 1.0 bar. If the system pressure falls to values below the minimum, the boiler card will activate fault 37 and the number of the module (fig. 30).

Once the system pressure is restored, the boiler will activate the 300-second air venting cycle indicated on the display by FH.
Installation
2.1 General Instructions
BOILER INSTALLATION MUST ONLY BE PERFORMED BY QUALIFIED PERSONNEL, IN ACCORDANCE WITH ALL THE INSTRUCTIONS GIVEN IN THIS TECHNICAL MANUAL, THE PROVISIONS OF CURRENT LAW, THE PRESCRIPTIONS OF NATIONAL AND LOCAL STANDARDS AND THE RULES OF PROPER WORKMANSHIP.
2.2 Place of installation
The generator must be installed in a suitable room with ventilation openings towards the outside in conformity with current regulations. If there are several burners or exhausters that can work together in the same room, the ventilation openings must be sized for the simultaneous operation of all the units. The place of installation must be free of flammable materials or objects, corrosive gases, powders, or volatile substances. The room must be dry and not exposed to rain, snow or frost.
If the unit is enclosed in a cabinet or mounted alongside, there must be sufficient space for removing the casing and for normal maintenance activities A
2.3 Plumbing connections
Important
The heating capacity of the unit must be previously established by calculating the building’s heat requirement according to current regulations. The system must be provided with all the components for correct and regular operation. In particular, provide for all the protection and safety devices required by current regulations for the complete modular generator. They must be installed on the hot water circuit delivery piping, immediately after the last module, within a distance of not more than 0.5 m. and with no shutoff devices in between. The unit is not supplied with an expansion tank; its connection must therefore be carried out by the Installer. Do not use the water system pipes to earth electrical appliances. Before installation, flush all the pipes of the system thoroughly to remove any residuals or impurities that could affect the proper operation of the unit.
The filter must be installed when replacing generators in existing systems. The manufacturer declines any liability for damage caused to the generator by the failure to
install or inadequate installation of this filter.
Carry out the relevant connections according to the diagram in sec. 4.1 and the symbols on the unit.
High-efficiency circulating pump (optional)
The factory setting is suitable for all installations; however, a different operation strategy can be set with the speed selector (see fig. 31), depending on the characteristics of the system.

– Proportional Head Dp-v setting (fig. 32)
The circulating pump head will be automatically reduced with the decrease in the flow rate required by the system. This setting is optimum for systems with radiators (2 pipes or single pipe) and/or thermostatic valves.
The strong points are the reduction in power consumption with the decrease in system demand and the reduction of noise in radiators and/or thermostatic valves. The operating range is from a minimum of 2 to a maximum of 7 or 10 depending on the circulating pump model installed.
– Constant Head Dp-c setting (fig. 33)
The circulating pump head will remain constant with the decrease in the flow rate required by the system. This setting is optimum for all floor systems or old systems with large pipes.
In addition to reduced power consumption, in-floor systems all the circuits will be balanced for the same head loss. The operating range is from a minimum 0.5 to a maximum of 7 or 10 depending on the circulating pump model installed.
– Fixed max. speed setting (fig. 34)
The circulating pump does not modulate its power. It will always work at the speed set with the selector. The circulating pump can be set to 3 speeds: 1 (Minimum speed), 2 (Average speed), and 3 (Maximum speed).
The operating principle is that of conventional circulating pumps (with a reduction in power consumption compared to them).
System water characteristics
Before installing the FORCE W generator, the new or existing system must be properly cleaned in order to eliminate installation residues, solvents, sludge and contaminants in general that may compromise the effectiveness of the protective conditioning treatments. Use neutral cleaning products that do not attack metals, rubber and plastic parts of the generator/system. Empty, wash and recharge the system in compliance with the following instructions. A dirty system will not guarantee the life of the generator over time, even with the use of protective conditioners.
FORCE W boilers are suitable for installation in heating systems with the non-significant entry of oxygen (ref. systems “case I” EN14868). A physical separator(e.g. plate heat exchanger) must be provided in systems with the continuous entry of oxygen (e.g. underfloor systems without anti-diffusion pipes or open vessel), or frequent (frequent water replenishment).
The water in a heating system must be treated in compliance with the laws and regulations in force, have the characteristics required by UNI 8065, and comply with the provisions of EN14868 (protection of metallic materials against corrosion).
The filling water (first filling and subsequent replenishments) must be potable, clear, with the hardness under the values indicated in the table below, and treated and conditioned with chemical conditioners declared suitable by the maker (see the following list), in order to prevent encrustations, corrosive or aggressive phenomena on the metals and plastics of he generator and system, the formation of gas, and the proliferation of bacterial or microbial masses in low-temperature systems.
The water contained in the system, as well as the replenishment water, must be checked periodically (at every start-up of the system, after any non-scheduled intervention such as for example, replacement of the generator or other system components, as well as at least once a year during mandatory routine maintenance operations as required by UNI 8065). The water must have a clear appearance and respect the limits given in the following table.
| EXISTING SYSTEM | NEW SYSTEM | |
| WATER PARAMETER | ||
| Total filling water hardness Cl) | <10 | <10 |
| Total system water hardness (°f) | <15 | <10 |
| PH | 7 <Ph<8.5 | |
| Copper Cu (mg/I) | Cu < 0.5 mg/I | |
| Iron Fe (mg/I) | Fe < 0.5 mg/I | |
| Chlorides (mg/I) | CI < 50 mg/I | |
| Conductivity (pS/cm) | < 600 pS/cm* | |
| Sulfates | < 100 mg/I | |
| Nitrates | < 100 mg/I | |
* In the presence of conditioners, the limit increases to 1200 μS/cm.
In case of differing values or difficult checking of values with conventional analysis/testing procedures, contact the company for additional evaluations. The conditions of the feed water to be treated can vary even significantly depending on the geographical areas where the systems are located.
Chemical conditioners deoxygenating, anti-scaling, corrosion inhibiting, anti-bacterial, anti-algae, frost protection, PH correction products, etc., must also be suitable for the materials of the generator and system. They must be put in the system respecting the quantity indicated by the supplier of the chemical product and checked in their concentration.
A chemical conditioner in insufficient concentration will not be able to ensure the required protection.
Always check the product concentration each time it is added and cyclically, at least once a year, using qualified technical personnel such as our authorized technical assistance network.
Table 2- Chemical conditioners declared suitable and available at our network of Authorized Technical Assistance Centers
| Description | Sentinel-type alternative products | |
| LIFE PLUS/B – MOLY – MOLY K | Molybdenum-based corrosion inhibitor | X100 |
| LIFE DUE | Noise reduction/anti-scaling maintenance | X200 |
| BIO KILL | Biocidal anti-algae | X700 |
| PROG | Propylene frost protection | X500 |
| Products with equivalent characteristics may be used | ||
The unit is equipped with a frost protection system that activates the boiler in heating mode when the system delivery water temperature falls below 6°C. The device is not active if the power and/or gas supply to the unit is turned off. If necessary, for system protection use a suitable anti-freeze liquid that meets the same requirements as set out above and provided for by UNI 8065.
To ensure the reliability and correct operation of the boilers, always install a mechanical filter in the loading circuit and, in the system, a dirt separator (possibly magnetic) and a deaerator as required by UNI 8065, as well as a volumetric meter on the system replenishment line.
Failure to comply with the provisions of this paragraph, “System water features”, will involve non-recognition of the warranty and damage due to such shortcomings.
Combustion chamber maintenance
To ensure the efficiency and reliability of the generator over time, it is very important to contact our authorized technical assistance service, at least once a year, for routine maintenance operations and also for checking the combustion chamber and, if necessary, it’s cleaning. In this regard, we recommend the use of the following products, checked and tested on our exchangers and available at our Authorized Technical Assistance Centers.
Table 3- Products declared suitable and available at our network of Authorized Technical Assistance Centers
| Description | |
| BIO ALL BF/TF | liquid product for cleaning aluminum combustion chambers |
| ALL CLEAN | gel product for cleaning aluminum combustion chambers |
| Products with equivalent characteristics may be used | |
Given the aggressiveness of the chemical products for combustion chambers, always rely only and exclusively on qualified personnel and make safe the sensitive elements, such as the electrodes, insulating materials, etc., that could become damaged by direct contact with the product. Rinse well after each heat exchanger cleaning process (product application time 15-20 minutes) and repeat the operation as required.
Irrespective of the chemical products used, always make use of qualified technical personnel such as our authorized technical assistance network and manage the technological fluids according to the applicable local laws, rules, and regulations.
Antifreeze system, antifreeze fluids, additives, and inhibitors
The boiler is equipped with an antifreeze system that turns on the boiler in heating mode when the system delivery water temperature falls under 6°C. The device will not come on if the electricity and/or gas supply to the unit are cut off. If it becomes necessary, it is permissible to use antifreeze fluid, additives, and inhibitors only if the manufacturer of these fluids or additives guarantees they are suitable for this use and cause no damage to the heat exchanger or other components and/or materials of the boiler unit and system. It is prohibited to use generic antifreeze fluid, additives or inhibitors that are not expressly suited for use in heating systems and compatible with the materials of the boiler unit and system.
Optional kits
The following kits are available on request:
code 042070X0 – HIGH EFFICIENCY CIRCULATING PUMP KIT- 7m. (A – fig. 35)
code 042071X0 – HIGH EFFICIENCY CIRCULATING PUMP KIT- 10m. (A – fig. 35)
code 042072X0 – PLUMBING KIT
The Kit 042072X0 contains:
- NON-RETURN VALVE – Female 1”1/2 (B – fig. 35)
- 3-Way FAUCET – Female 1″1/2 (C – fig. 35)
It enables shutting off (for maintenance operations) in conformity with ISPESL requirements and can be used as a local shutoff for the connection of several units in the bank. The third way must be connected to an atmospheric discharge manifold. In this way, with the valve in the “open” position, the boiler exchanger is connected to the delivery manifold; and in the “closed” position, through the third way, the exchanger communicates with the atmospheric discharge manifold. This valve therefore also acts as a boiler discharge. - FAUCET Male/Female 1″1/2 (D – fig. 35)
In combination with the 3-way valve described above, it enables shutting off (for maintenance operations) in conformity with ISPESL requirements and can be used as a local shutoff for the connection of several units in the bank. - CONNECTION NIPPLE 1″1/2 (E – fig. 35)
In combination with the 3-way valve described above, it enables shutting off (for maintenance operations) in conformity with ISPESL requirements and can be used as a local shutoff for the connection of several units in the bank.

Hydraulic circuit examples
In the examples described below, the checking/change of some parameters may be required.
To do this it is necessary to access the “TECHNICIAN” MENU.
From the Home page, press the main Menu button (detail 12 – fig. 1).
Access the “TECHNICIAN” MENU by pressing the contextual button 2 (detail 2 – fig. 1).

Enter the code “4 1 8” with contextual buttons 1 and 2. Confirm each number with the OK button.

Press the OK button to access the “PARAMETERS MENU”.

Access the “Configuration Menu” or “Type Menu” according to the parameter to be modified as given in each hydraulic circuit example.

Two direct heating circuits
– Schematic diagram

– Electrical connections
After installation, carry out the necessary electrical connections as shown in the wiring diagram.
Then configure the controller as described in the specific section.

Legend
72 1st zone (direct) room thermostat
72b 2nd zone (direct) room thermostat
138 External probe
307 1st zone (direct) circulating pump
306 2nd zone (direct) circulating pump
I* ISPESL safety devices (when required – not supplied)
a 1st zone (direct)
b 2nd zone (direct)
M Delivery
R Return
To manage the sliding temperature it is necessary to purchase the external probe accessory code 013018X0
– Parameters
Each system requires a different parameterization. Follow the access procedure given below.
“System Type Menu”
Change parameter P.01 of the “System Type Menu” to 4.
– Optional functions
As well as the electrical connections of the previous figure (required for this system configuration) there are options that do not require settings.

Legend
139 Remote Control: it can be installed in place of 72 to manage the request of the 1st zone (direct)
300 Burner On indication (voltage-free output): the example shows the connection of an hour counter at 230Vac
301 Fault indication (voltage-free contact output): the example shows the connection of a lamp at 230Vac
302 Remote reset input (230Vac): the example shows the connection of a double-pole switch at 230Vac, allowing the resetting of a block-type fault
357 Fault indication (230Vac): the example shows the connection of a lamp at 230Vac
One direct heating circuit and one DHW circuit with a circulating pump
– Schematic diagram

– Electrical connections
After installation, carry out the necessary electrical connections as shown in the wiring diagram.
Then configure the controller as described in the specific section.

Legend
72 1st zone (direct) room thermostat
130 Hot water tank circulating pump
138 External probe
155 Hot water tank probe
300 Legionella protection circulating pump
306 1st zone (direct) circulating pump
I* ISPESL safety devices (when required – not supplied)
a 1st zone (direct)
b Hot water tank circuit
M Delivery
R Return
To manage the sliding temperature it is necessary to purchase the external probe accessory code 013018X0
If a hot water tank probe (not supplied) is used, it is necessary to purchase the NTC probe accessory code 1KWMA11W (2 mt.) or code 043005X0 (5 mt.)
If a hot water tank thermostat (not supplied) is used, it is necessary to purchase the accessory kit code 013017X0 (to be connected in place of the Hot Water Tank
Probe)
– Parameters
Each system requires a different parameterization. Follow the access procedure given below.
“Configuration – Parameters Menu”
Check/Change parameter b02 of the “Transparent Parameters Menu” to 8.
Check/Change parameter b08 of the “Transparent Parameters Menu” to 1.
Check/Change parameters b04, b05, and b06 of the “Transparent Parameter Menu” according to the values given in the table *** ‘Configuration – Parameters Menu’ on page 227 ***.
– Optional Functions
As well as the electrical connections of the previous figure (required for this system configuration) there are options that do not require settings.

Legend
139 Remote Control: it can be installed in place of 72 to manage the request of the 1st zone (direct)
301 Fault indication (voltage-free contact output): the example shows the connection of a lamp at 230Vac
302 Remote reset input (230Vac): the example shows the connection of a double-pole switch at 230Vac, allowing the resetting of a block-type fault
357 Fault indication (230Vac): the example shows the connection of a lamp at 230Vac
A direct heating circuit and a DHW circuit with a diverter valve (3-wire)
– Schematic diagram
Use diverter valves with 3 wires: 230V OPENING PHASE – 230V CLOSING PHASE – NEUTRAL
with switching times (from all close to all open) of not more than 90 seconds.

– Electrical connections
After installation, carry out the necessary electrical connections as shown in the wiring diagram.
Then configure the controller as described in the specific section.

Legend
32 Heating circulating pump
72 1st zone (direct) room thermostat
138 External probe
155 Hot water tank probe
348 3-way valve (3-wire)
A = OPENING PHASE
B = NEUTRAL
C = CLOSING PHASE
I* ISPESL safety devices (when required – not supplied)
a 1st zone (direct)
b Hot water tank circuit
M Delivery
R Return
To manage the sliding temperature it is necessary to purchase the external probe accessory code 013018X0
If a hot water tank probe (not supplied) is used, it is necessary to purchase the NTC probe accessory code 1KWMA11W (2 mt.) or code 043005X0 (5 mt.)
If a hot water tank thermostat (not supplied) is used, it is necessary to purchase the accessory kit code 013017X0 (to be connected in place of the Hot Water Tank Probe)
– Parameters
Each system requires a different parameterization. Follow the access procedure given below.
“Configuration – Parameters Menu”
Check/Change parameter b02 of the “Configuration – Parameters Menu” to 9.
Check/Change parameters b04, b05, and b06 of the “Configuration – Parameters Menu” according to the values given in the table *** ‘Configuration – Parameters Menu’ on page 227 ***.
– Optional functions
As well as the electrical connections of the previous figure (required for this system configuration) there are options that do not require settings.

Legend
139 Remote Control: it can be installed in place of 72 to manage the request of the 1st zone (direct)
300 Burner On indication (voltage-free output): the example shows the connection of an hour counter at 230Vac
301 Fault indication (voltage-free contact output): the example shows the connection of a lamp at 230Vac
302 Remote reset input (230Vac): the example shows the connection of a double-pole switch at 230Vac, allowing the resetting of a block-type fault
357 Fault indication (230Vac): the example shows the connection of a lamp at 230Vac
Two mixed heating circuits, one direct heating circuit, and one DHW circuit with a circulating pump
– Schematic diagram
The zone control card FZ4B can manage different types of systems. An example is given.
Use diverter valves with 3 wires: 230V OPENING PHASE – 230V CLOSING PHASE – NEUTRAL with switching times (from all closed to all open) of not more than 180 seconds.

– Electrical connections
After installation, carry out the necessary electrical connections as shown in the wiring diagram.
Then configure the controller as described in the specific section.

Legend
72a 1st zone (mixed) room thermostat
72b 2nd zone (mixed) room thermostat
72c 3rd zone (direct) room thermostat
130 Hot water tank circulating pump
138 External probe
139a 1st zone (mixed) Remote Timer Control
139b 2nd zone (mixed) Remote Timer Control
139c 3rd zone (direct) Remote Timer Control
155 Hot water tank probe
300 Legionella protection circulating pump
315a 1st zone (mixed) mixing valve
A = OPENING PHASE
B = NEUTRAL
C = CLOSING PHASE
315b 2nd zone (mixed) mixing valve
A = OPENING PHASE
B = NEUTRAL
C = CLOSING PHASE
I* ISPESL safety devices (when required – not supplied)
317a 1st zone (mixed) safety thermostat
317b 2nd zone (mixed) safety thermostat
318a 1st zone (mixed) circulating pump
318b 2nd zone (mixed) circulating pump
318c 3rd zone (direct) circulating pump
319a 1st zone (mixed) delivery sensor
319b 2nd zone (mixed) delivery sensor
M Delivery
R Return
a 1st zone (mixed)
b 2nd zone (mixed)
c 3rd zone (direct)
d Hot water tank circuit
To manage the sliding temperature it is necessary to purchase the external probe accessory code 013018X0
If a hot water tank probe (not supplied) is used, it is necessary to purchase the NTC probe accessory code 1KWMA11W (2 mt.) or code 043005X0 (5 mt.)
If a hot water tank thermostat (not supplied) is used, it is necessary to purchase the accessory kit code 013017X0 (to be connected in place of the Hot Water Tank Probe)
– Parameters
Each system requires a different parameterization. Follow the access procedure given below.
“Configuration – Parameters Menu”
Check/Change parameter b02 of the “Configuration – Parameters Menu” to 9.
Check/Change parameter b08 of the “Configuration – Parameters Menu” to 1.
Check/Change parameters b04, b05, and b06 of the “Configuration – Parameters Menu” according to the values given in the table *** ‘Configuration – Parameters Menu’ on page 227 ***.
– Parameters FZ4B
See the relevant manual in Kit.
– Optional functions
As well as the electrical connections of the previous figure (required for this system configuration) there are options that do not require settings.

Legend
301 Fault indication (voltage-free contact output): the example shows the connection of a lamp at 230Vac
302 Remote reset input (230Vac): the example shows the connection of a double-pole switch at 230Vac, allowing the resetting of a block-type fault
357 Fault indication (230Vac): the example shows the connection of a lamp at 230Vac
2.4 Gas connection
Before carrying out the connection, make sure the unit is arranged for operation with the type of fuel available, and carefully clean all the pipes of the gas system to remove any residues that could affect proper boiler operation.
The gas must be connected to the relevant connection (see fig. 64, fig. 65, and fig. 66) in conformity with the current standards, with a rigid metal pipe or with a continuous surface flexible s/steel tube, installing a gas cock between the system and boiler. Make sure all the gas connections are tight. The gas meter capacity must be suitable for the simultaneous use of all the units connected to it. The diameter of the gas pipe leaving the boiler does not determine the diameter of the pipe between the unit and the meter; it must be chosen according to its length and pressure losses, in conformity with the current standards.
Do not use the gas pipes to earth electrical appliances.
In case of a connection in the cascade, make sure to install a fuel shutoff valve externally with respect to the modules.
2.5 Electrical connections
IMPORTANT
BEFORE CARRYING OUT ANY OPERATION THAT REQUIRES REMOVING THE CASING, DISCONNECT THE BOILER FROM THE ELECTRIC MAINS WITH THE MAIN SWITCH.
NEVER TOUCH THE ELECTRICAL COMPONENTS OR CONTACTS WITH THE MAIN SWITCH TURNED ON! DANGER OF ELECTRIC SHOCK WITH RISK OF INJURY OR DEATH!
The unit must be connected to an efficient grounding system in accordance with applicable safety regulations. Have the efficiency and suitability of the grounding system checked by professionally qualified personnel; the Manufacturer declines any liability for damage caused by failure to earth the system.
The boiler is prewired and provided with a three-pole cable, without a plug, for connection to the electric line. The connections to the grid must be made with a permanent connection and equipped with a bipolar switch whose contacts have a minimum opening of at least 3 mm, and interposing fuses of max. 3A between the boiler and the line. Make sure to respect the polarities (LINE: brown wire / NEUTRAL: blue wire / GROUND: yellow-green wire) in the connections to the electric line.
The unit’s supply cable MUST NOT BE REPLACED BY THE USER. If the cable gets damaged, turn the unit off and have the cable replaced only by professionally qualified personnel. In case of replacement, only use cable “HAR H05 VV-F” 3×0.75 mm2 with max. external diameter of 8 mm.
Room thermostat (optional)
CAUTION: The room thermostat must have clean contacts. CONNECTING 230 V.
THE TERMINALS OF THE ROOM THERMOSTAT WILL IRREPARABLY DAMAGE THE ELECTRONIC CARD.
When connecting a remote timer control or a timer switch, do not take the power supply for these devices from their cut-out contacts. Their power supply must be taken with a direct connection from the mains or with batteries, depending on the kind of device.
External probe (optional)
Connect the probe to the respective terminals. The maximum permissible length of the electric cable connecting the boiler – the external probe is 50 m. A common 2-wire cable can be used. The external probe should preferably be installed on the North, North-West wall or on the wall facing most of the main living room. The probe must never be exposed to the early morning sun, and in general (as far as possible) it should not be exposed to direct sunlight; protect it if necessary. In any case, the probe must not be installed near windows, doors, vents, flues or heat sources that could affect the reading.

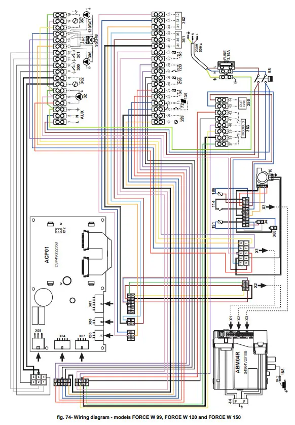
Accessing the electrical terminal block
The electrical terminal block can be accessed after removing the front panel. Make the electrical connections as shown in the wiring diagram at fig. 73 and fig. 74.

The output relay of the heating circulating pump (32 of fig. 73 and fig. 74) has a capacity of 8A@230Vac.
The output relays of the diverter valve (95 of fig. 73 and fig. 74) have a capacity of 5A@230Vac.
In case of loads with higher absorption, supporting relays with respective additional protection must be installed.
2.6 Fume ducts
THE BOILER MUST BE INSTALLED IN PLACES THAT MEET THE FUNDAMENTAL REQUIREMENTS FOR VENTILATION. OTHERWISE, THERE IS A DANGER OF SUFFOCATION OR INTOXICATION.
READ THE INSTALLATION AND MAINTENANCE INSTRUCTIONS BEFORE INSTALLING THE UNIT.
ALSO, FOLLOW THE DESIGN INSTRUCTIONS.
IN CASE OF PRESSURES ABOVE 200 Pa INSIDE THE FUME EXHAUST PIPES, CLASS “H1” FLUES MUST BE USED.
Important
The unit is a B23-type with combustion air drawn from the place of installation, and fume exhaust by means of a fan (operation with flue pressurized), and must be connected to one of the discharge systems indicated below. Before proceeding with installation, check and carefully comply with the local regulations and provisions. Also, comply with the provisions on the positioning of wall and/or roof terminals and the minimum distances from windows, walls, ventilation openings, etc.
Manifolds, ducts and flue must be suitably sized, designed, and made in compliance with the current regulations. They must be made of suitable materials, i.e. resistant to heat and corrosion, smooth on the inside, and tight. In particular, joints must be condensate-proof. Also, provide for adequate condensate drainage points, connected to a trap to prevent the condensate formed in the flues from running into the generators.
Connection with separate pipes
Before installation, make sure the maximum permissible head has not been exceeded, by means of a simple calculation:
- Completely define the layout of the flue system.
- Consult table 4 and identify the losses of each component.
- Check that the sum total of losses is less than or equal to the maximum permissible head in table 4.

Table 4Accessories table
| MODELS | |||||||
| FORCE W 60 | FORCE W 80 | FORCE W 99 | FORCE W 120 | FORCE W 150 | |||
| Max permissible head (Pa) | 77 | 166 | 147 | 199 | 235 | ||
| 80 | PIPE 1 M nil | 5. | 8. | 12. | 16.0 | 25. | |
| PIPE 0.5 M m/f | 2. | 4. | 6 | 8 | 12. | ||
| 90° BEND | 10 | 17 | 28 | 39 | 63 | ||
| 45° BEND | 5 | 9. | 14 | 20. | 32. | ||
| TERMINAL | |||||||
| 100 | PIPE 1 M m/f | 2. | 3. | 4 | 5. | 8. | |
| PIPE 0.5 M m/f | 0.8 | 1. | 2 | 3. | 4. | ||
| 90° BEND | 5 | 7 | 12 | 16 | 26 | ||
| 45° BEND | 3. | 4. | 6 | 8 | 13 | ||
| TERMINAL | |||||||
Calculation examples
FORCE W 60: available head 77 Pa
5 meters PIPE Ø80 + 3 BENDS Ø80 = (5 x 4.8) + (3 x 10)= 55<77 = OK
8 meters PIPE Ø80 + 6 CURVE Ø80 = (8 x 4.8) + (6 x 10)= 100>77 = NO
2.7 Condensate drain connection
IMPORTANT
The boiler has a trap to drain condensate. Proceed as follows for assembly.
- Secure the trap.
- Before connecting the hose to the discharge system, fill the trap with water.
- Connect the hose from the trap to the condensate drain system.
Drains connected to the drainage system must be resistant to acidic condensate.
If the condensate drain is not connected to the wastewater drainage system, a neutralizer must be installed.
ATTENTION: THE UNIT MUST NEVER BE OPERATED WITH THE TRAP EMPTY!
OTHERWISE, THERE IS A DANGER OF SUFFOCATION DUE TO THE EMISSION OF COMBUSTION FUMES.
THE CONDENSATE DRAIN MUST BE CONNECTED TO THE DRAINAGE SYSTEM IN SUCH A WAY THAT THE LIQUID CONTAINED CAN NOT FREEZE.

Service and maintenance
All adjustment, conversion, commissioning and maintenance operations described below must only be carried out by Qualified Personnel (meeting the professional technical requirements of current regulations) such as the personnel of the Local After-Sales Technical Service.
FERROLI declines any liability for damage and/or injury caused by unqualified and unauthorized persons tampering with the unit.
3.1 Adjustments
Gas conversion
The unit can run on natural gas or LPG and is factory-set for use with one of these two gases, as clearly shown on the packing and on the data plate. Whenever a different gas to that for which the unit is set has to be used, the special conversion kit will be required, proceeding as follows:
- Disconnect the power supply to the boiler.
- Remove the panels.
- Detach the electrical connections from the gas valve controller.
- Undo the fastening screws “E” and remove the gas valve.
- Replace the gas nozzle “F”, positioning it inside the gasket “G”. with that contained in the conversion kit. Refit the
parts and check tightness. - Modify the parameter for the type of gas as described below.
Reach the screen shown in fig. 55, navigating in the menu and following the path MENU “USER”
MAINTENANCE
Test Mode “Gas Type”
. Press the contextual buttons 1 and 2 to select the type of gas. Confirm with the OK button.
- Apply the label, contained in the conversion kit, near the data plate.
- Using a combustion analyzer connected to the boiler fume outlet, make sure the CO content in the fumes, with the boiler operating at max. and min. output complies with that given in the technical data table for the corresponding type of gas.

TEST mode activation
Reach the screen shown in fig. 58, navigating the following menu path: MENU “USER” Maintenance Test Mode
“Installer Test mode”.
The boiler will light, gradually reaching the maximum heating power (Range Rated) set as described in the next section.
The display will show the actual heating power and that set.

Press the contextual buttons 1 and 2 to increase the maximum power.
To deactivate the TEST mode, press the contextual button 3.
The TEST mode is automatically disabled in any case after 15 minutes.
After activating test mode, to exit the TEST make sure to deactivate the function, only by pressing the contextual button “Stop Test”.
DO NOT TURN OFF THE BOILER ELECTRICALLY DURING THE TEST.
If that happens, when the power is switched on again the system does not recognize the deactivation of the TEST and starts working as though still in TEST mode and not as in normal heating demand.
Heating Capacity Adjustment (RANGE RATED)
This is a “RANGE RATED” boiler (according to EN 483) and can be adjusted to the system’s thermal requirement by setting the maximum heating capacity for operation in heating mode, as follows:
- Put the boiler in TEST mode (see sec. 3.1).
- Press the contextual buttons 1 and 2 to increase or decrease the heating capacity (minimum = 00 – maximum = 100). See the diagram “Heating Capacity Adjustment” (fig. 59).
- By pressing the OK button (detail 6 – fig. 1) the maximum heating capacity will remain that just set. Exit TEST mode (see sec. 3.1).
After setting the desired heating capacity, write the value on the sticker provided and place it on the boiler under the data plate. For subsequent checks and adjustments, refer to the set value.
THE HEATING CAPACITY ADJUSTMENT THUS MADE ENSURES THE EFFICIENCY VALUES DECLARED AT cap. 4.4 “Technical data table”
Heating capacity adjustment diagram
A = kW – B = Electronic Board Parameter

TECHNICAL MENU
ONLY QUALIFIED PERSONNEL CAN ACCESS THE SERVICE MENU AND MODIFY THE PARAMETERS.
The Technical Menu can only be accessed after entering code 4 1 8. It is valid for 15 minutes.
Configuration – Parameters Menu 16 parameters are available, indicated by the letter “b”, which are not modifiable from Remote Timer Control.
Table 5- Parameters – Configuration
| Parameter | Description | Range | FORCE W 60 | FORCE W 80 | FORCE W 99 | FORCE W 120 | FORCE W 150 |
| b01 | Gas type selection | Natural Gas/LPG | Natural Gas | Natural Gas | Natural Gas | Natural Gas | Natural Gas |
| b02 | Boiler type selection | 1-9 | 7 | 7 | 7 | 7 | 7 |
| b03 | System water pressure protection selection | 0=Pressure switch 1=Flow switch 1 sec. 2=Flow switch 3 sec. 3=Flow switch 5 sec. 4=Flow switch 10 sec | 0 | 0 | 0 | 0 | 0 |
| 5=Pressure transducer | |||||||
| b04 | Fan max. frequency in DHW | 0-255 Hz | 150 Hz | 19011z | 195 Hz | 225 Hz | 240 Hz |
| b05 | Fan max. frequency in heating | 0-255 Hz | 150 Hz | 190 Hz | 195 Hz | 225 Hz | 240 Hz |
| b06 | Fan min. frequency in DHW/heating | 0-255 Hz | 50 Hz | 50 Hz | 45 Hz | 45 Hz | 50 Hz |
| b07 | Fan min. Frequency Offset | 0-255 Hz | 40 Hz | 40 Hz | 40 Hz | 40 Hz | 40 Hz |
| b08 | Variable output Relay operation selection | 0=Bumer lit 1=Legionella pump 2=Boiler room ventilation 3=Motor-operated shutoff valve | 0 | 0 | 0 | 0 | 0 |
| b09 | Post-Ventilation | 0-120 seconds | 30 | 30 | 30 | 30 | 30 |
| b10 | Boiler room pre-ventilation | 1-15 minutes | 1 | 1 | 1 | 1 | 1 |
| b11 | Boiler room post-ventilation | 1-15 minutes | 1 | 1 | 1 | 1 | 1 |
| b12 | Fume sensor | OFF = Deactivated, ON = Enabled | ON | ON | ON | ON | ON |
| b13 | Not Implemented | — | — | — | |||
| b14 | Fumes Max Temperature | 0-125°C | 110 | 110 | 110 | 110 | 110 |
| b15 | Fan type selection | — | — | — | — | ||
| b16 | Pump anti-lock operation time | 0-20 seconds | 5 | 5 | 5 | 5 | 5 |
Notes
- Parameters with more than one description vary their function and/or range in relation to the setting of the parameter given in brackets.
- Parameters with more than one description are reset to the default value if the parameter given in brackets is modified.
Parameters Menu – Transparent Parameters
31 parameters are available, indicated by the letter “P”, which are not modifiable from Remote Timer Control.
Table 6- Parameters – Transparent
| Parameter | Desalplion | R10110 | FORCE V/60 | FORCE WOO | FORCE W00 | FORCE W120 | FORCE W150 |
| P01 | Ignition power | 0-100% | 30 | 30 | 30 | 30 | 30 |
| P02 | Heating ramp | 1-10timmute | 1 | 1 | 1 | 1 | 1 |
| P03 | Virtual set point min. temperature | 20-80’C | 20 | 20 | 20 | 20 | 20 |
| PO4 | Heating standby time | 0-10 minutes | 4 | 4 | 4 | 4 | 4 |
| P05 | Heating Post-Circulation | 0-255 minutes | 3 | 3 | 3 | 3 | 3 |
| P06 | Pump operation | 0-3 Operation strategy | 0 | 0 | 0 | 0 | |
| P07 | Modulating pump min. speed | 0-100% | 30 | 30 | 30 | 30 | 30 |
| P08 | Modulating pump start speed | 0-100% | 75 | 75 | 75 | 75 | 75 |
| P09 | Modulating pump max. speed | 30-100% | 100 | 100 | 100 | 100 | 100 |
| P10 | Pump deactivation temperature during Post-Circulation | 0-100°C | 35 | 35 | 35 | 35 | 35 |
| P11 | Pump activation hysteresis temperature during Post-Circulation | 0-20°C | 5 | 5 | 5 | 5 | 5 |
| P12 | Heating user rnin. setpoint | 10-90°C | 20 | 20 | 20 | 20 | 20 |
| P13 | Heating user max. setpoint | 20-90°C | 80 | 80 | 80 | 80 | 80 |
| P14 | Max. output in heating | 0-100% | 80 | 80 | 80 | 80 | 80 |
| P15 | DHW raffle | 1-10°C/min | 5 | 5 | 5 | 5 | 5 |
| P16 | DHW standby time | 0-255 seconds | 120 | 120 | 120 | 120 | 120 |
| P17 | DHW pump Post-CircuLabon | 0-255 seconds | 30 | 30 | 30 | 30 | 30 |
| P18 | Not Implemented | – | – | – | — | – | |
| P19 | Not Implemented | – | – | – | – | ||
| P20 | Max. output in DIM | 0-100% | 80% | 80% | 80% | 80% | |
| P21 | Not Implemented | – | – | – | – | – | |
| P22 | Not Implemented | – | – | – | – | – | |
| P23 | Not Implemented | – | – | – | – | ||
| P24 | Fan frequency in standby mode | 0-255 Hz | 0 | 0 | 0 | 0 | 0 |
| P25 | Modulating pump adjustment temperature | 0-60°C | 20 | 20 | 20 | 20 | 20 |
| P26 | Primary exchanger protection temperature | 0-80°C | 35 | 35 | 35 | 35 | 35 |
| P27 | System Si. presstre value | – | – | – | – | — | |
| P28 | System nominal pressure vale | – | – | – | – | – | |
| P29 | Exchanger protection activation | 0 = No F43, 1-15 = 1-15°Ctsecond | O=NO F43 | O=NO F43 | 0=No F43 | ||
| P30 | Heating hysteresis after ignition | 6-30°C | 10 | 10 | 10 | 10 | 10 |
| P31 | Timer for heating hysteresis after ignition | 0-180 seconds | 60 | 60 | 60 | 60 | 60 |
Notes
- Parameters with more than one description vary their function and/or range in relation to the setting of the parameter given in brackets.
- Parameters with more than one description are reset to the default value if the parameter given in brackets is modified.
- The Maximum Heating Power parameter can also be modified in Test Mode.
System Type – Parameters Menu
23 parameters are available, indicated by the letter “P.” which are not modifiable from Remote Timer Control.
| Parameter | Description | Range | FORCE W 60 | FORCE W 80 | FORCE W 99 | FORCE W 120 | FORCE W 150 |
| P.01 | Heating request selection | 0-5 | 0 | 0 | 0 | 0 | 0 |
| P.02 | Cascade sensor selection | 0=Disabled, 1 or 2=Enabled | 0 | 0 | 0 | 0 | 0 |
| P.03 | No function | 0-1 | 0 | 0 | 0 | 0 | 0 |
| P.04 | 3-way valve time | 0-255 seconds | 0 | 0 | 0 | 0 | 0 |
| P.05 | Activation timer | 0-255 minutes | 1 | 1 | 1 | 1 | 1 |
| P.06 | Deactivation timer | 0-255 minutes | 5 | 5 | 5 | 5 | 5 |
| P.07 | Activation power | 0-100% | 70 | 70 | 70 | 70 | 70 |
| P.08 | Deactivation power | 0-100% | 25 | 25 | 25 | 25 | 25 |
| P.09 | Hydraulic separator function | OFF = Disabled, ON = Enabled | OFF | OFF | OFF | OFF | OFF |
| P.10 | System filling function | OFF = Disabled, ON = Enabled | OFF | OFF | OFF | OFF | OFF |
| P.11 | 3-way valve selection | 2/3 = 2 or 3 wires 2 = 2 wires | 2/3 | 2/3 | 2/3 | 2/3 | 2/3 |
| P.12 | 0-10Vdc Heating OFF voltage (Temperature Control)” | 0.1-10 Vdc | 3. | 3. | 3. | 3. | 3. |
| P.13 | 0-10Vdc Heating ON voltage (Temperature Control)” | 0.1-10 Vdc | 3.0 | 3.0 | 3.0 | 3.0 | 3.0 |
| P.14 | 0-10Vdc Max. voltage (Temperature Control)*• | 0.1-10 Vdc | 10 | 10 | 10 | 10 | 10 |
| P.15 | 0-10Vdc Min. temperature (Temperature Control)** | 0-100°C | 20 | 20 | 20 | 20 | 20 |
| P.16 | 0-10Vdc Max. temperature (Temperature Control)” | 0-100°C | 90 | 90 | 90 | 90 | 90 |
| P.17 | 0-10Vdc Heating OFF voltage (Power Control)• | 0.1-10 Vdc | 3. | 3. | 3. | 3. | 3. |
| P.18 | 0-10Vdc Heating ON voltage (Power Contol)* | 0.1-10 Vdc | 3.0 | 3.0 | 3.0 | 3.0 | 3.0 |
| P.19 | 0-10Vdc Max. power (Power Control)” | 0.1-10 Vdc | 10 | 10 | 10 | 10 | 10 |
| P.20 | 0-10Vdc Min. power (Power Control)” | 0-100% | 0 | 0 | 0 | 0 | 0 |
| P.21 | 0-10Vdc Max. power (Power Control)” | 0-100% | 100 | 100 | 100 | 100 | 100 |
| P.22 | Enable DHW Slave boiler (Autocascade) | OFF = Disabled, ON = Enabled | OFF | OFF | OFF | OFF | OFF |
| P.23 | Continuous comfort Slave boiler (AX520050) | OFF = Disabled, ON = Enabled | OFF | OFF | OFF | OFF | OFF |
Notes
- * These parameters are active only when two controllers are connected to a single display ACP01.
- ** These parameters are active only when the system operates with input 0-10Vdc.
3.2 Commissioning
Checks to be done at first lighting, and after all maintenance operations that involved disconnection from the systems or work on safety devices or parts of the boiler:
Before lighting the boiler
- Open any on-off valves between the boiler and the systems.
- Check the tightness of the gas system, proceeding with caution and using a soap and water solution to detect any leaks in connections.
- Check the correct prefilling of the expansion tank (ref. sec. 4.4).
- Fill the water system and make sure all air is contained in the boiler and the system has been vented, by opening the air vent valve on the boiler and any vent valves on the system.
- Fill the condensate trap and check the correct connection of the condensate elimination system.
- Make sure there are no water leaks in the system, DHW circuits, connections, or boiler.
- Check the correct connection of the electrical system and the efficiency of the earthing system
- Make sure the gas pressure value for heating is required.
- Make sure there are no flammable liquids or materials in the immediate vicinity of the boiler
IF THE ABOVE INSTRUCTIONS ARE NOT OBSERVED THERE MAY BE A RISK OF SUFFOCATION OR POISONING DUE TO GAS OR FUMES ESCAPING;
DANGER OF FIRE OR EXPLOSION. ALSO, THERE MAY BE A RISK OF ELECTRIC SHOCK OR FLOODING THE ROOM.
Checks during operation
- Turn the unit on as described in sec. 1.3.
- Make sure the fuel circuit and water systems are tight.
- Check the efficiency of the flue and air-fume ducts while the boiler is working.
- Check the correct tightness and functionality of the condensate elimination system and trap.
- Make sure the water is circulating properly between the boiler and the systems.
- Make sure the gas valve modulates correctly in the heating and domestic hot water production phases.
- Check proper boiler lighting by doing several tests, turning it on and off with the room thermostat or remote control.
- Using a combustion analyzer connected to the boiler fume outlet, check the CO2 content in the fumes, with the boiler operating at max. and min. the output corresponds to that given in the technical data table for the corresponding type of gas.
- Make sure the fuel consumption indicated on the meter matches that given in the technical data table in a sec. 4.4.
- Check the correct programming of the parameters and carry out any necessary customization (compensation curve, power, temperatures, etc.).
3.3 Maintenance
IMPORTANT
ALL MAINTENANCE WORK AND REPLACEMENTS MUST BE CARRIED OUT BY SKILLED QUALIFIED PERSONNEL.
Before carrying out any operation inside the boiler, disconnect the power and close the gas cock upstream. Otherwise, there may be a danger of explosion, electric shock, suffocation, or poisoning.
Periodical check
To ensure lasting proper operation of the unit, it is necessary to have an annual inspection carried out by qualified personnel, providing for the following:
- Heat exchanger checks and cleaning with suitable products if dirty or clogged.
The exchanger can be cleaned only when its temperature is under 40°C.
Clean only with suitable products approved by the manufacturer, e.g.:
ALU CLEANGEL
BIO HALL LIQUID - Check and clean (if necessary) the burner (do not use chemical products or wire brushes).
- Check and cleaning of electrodes, which must be free of deposits and properly positioned.
- Check gaskets and seals (burner, sealed chamber, etc.).
- Check and cleaning of sludge remover filters and system filters.
- Check, clean, and filling of condensate drain traps.
- Check wiring, contacts, and electrical actuators.
- Check and cleaning of generator air inlets and boiler room air intakes.
- Check and clean the fume evacuation duct-manifold-flue system.
- Check of expansion tank and precharge.
- Check correct and stable system water pressure, ensuring conformity with the required working pressure.
The use of automatic filling systems for reinstatement of operating conditions must provide for adequate treatment of the water (ref. *** ‘System water characteristics’ on page 207 ***) - check of heating system water chemical and physical parameters (ref. *** ‘System water characteristics’ on page 207 ***)
- water and gas system tightness check
- check of correct and stable gas supply pressure to the plant (20 bar for operation with natural gas); any fluctuations or pressure drops below the declared value can create malfunctioning and stops with the need for manual resetting.
- check of correct burner ignition and operation of control and safety devices (gas valve, flow meter, thermostats, etc.)
- check of circulating pump operation, freeing them when necessary
- fume analysis, and check of combustion parameters
The boiler casing, control panel and aesthetic parts can be cleaned with a damp, soft cloth if necessary soaked in soapy water. Do not use abrasive detergents and solvents.
Opening the front panel
Some internal components of the boiler can reach high temperatures able to cause severe burns. Before carrying out any operation, allow these components to cool or, alternatively, wear appropriate gloves.
To open the boiler casing:
- Undo screws A (see fig. 60).
- Pull the panel B.

Proceed in reverse order to refit the front panel. Make sure it is correctly hooked to the upper fastenings and is correctly positioned at the sides.
3.4 Troubleshooting
Diagnostics
The boiler is equipped with an advanced self-diagnosis system. In the case of a boiler fault, the display will light up, indicating the fault code and, in case of a connection in cascade, the number of the module.
There are faults that cause permanent shutdown (marked by the symbol OK to reset): to restore operation, just press the OK button for 1 second or RESET on the remote timer control (optional) if installed; if the boiler fails to start, the fault must be eliminated first.
Other faults cause temporary shutdowns which are automatically reset as soon as the value returns within the boiler’s normal working range.
Table of faults
Table 7 – List of faults
| Fault code | Fault | Possible cause | Cure |
| A01 | No burner ignition | No gas | Check the regular gas flow to the boiler and that the air has been eliminated from the pipes |
| Ignition/detection electrode fault | Check the wiring of the electrode and that it is correctly positioned and free of any deposits | ||
| Faulty gas valve | Check the gas valve and replace it if necessary | ||
| Insufficient gas supply pressure | Check the gas supply pressure | ||
| Trap blocked | Check the trap and dean it if necessary | ||
| Faulty ignition transformer (only models Prodotto 220 C and Prodotto 320 C) | Check and replace it if necessary | ||
| A02 | Flame present signal with burner oft | Electrode fault | Check the ionization electrode wiring |
| Card fault | Check the card | ||
| A03 | Overtemperature protection intervention | Check the correct positioning and operation of the heating sensor | |
| No water circulation in the system | Check the circulating pump | ||
| Air in the system | Vent the system | ||
| A04 | Fume extraction duct safety device inter- vention | Fault F07 generated 3 times in the last 24 hours | See fault F07 |
| A05 | Fan protection tion activated | F t F15 generated for 1 hour (consecu- ti ve)aul | See fault F15 |
| A06 | No flame after ignition stage (6 times in 4 minutes) | Ionization electrode fault | Check the position of the ionization electrode and replace it if necessary |
| Flame unstable | Check the burner | ||
| Gas valve Offset fault | Check the Offset adjustment at minimum power | ||
| air/fume ducts obstructed | Remove the obstruction from the flue. fume extraction ducts and air inlets and terminals | ||
| Trap blocked | Check the trap and dean it if necessary | ||
| F7 | High fume temperature | Flue partially obstructed or insufficient | Check the efficiency of the flue. fume extraction ducts and outlet terminal |
| Fume sensor position | Check the correct positioning and operation of the fume sensor | ||
| F10 | Delivery sensor 1 fault | Sensor damaged | Check the wiring or replace the sensor |
| Wiring shorted | |||
| Wiring disconnected |
| Fault | Fault | Possible cause | Cure |
| code | |||
| F11 | Return sensor fault | Sensor damaged | Check the wiring or replace the sensor |
| Wiring shorted | |||
| Wiring disconnected | |||
| F12 | DHW sensor fault | Sensor damaged | Check the wiring or replace the sensor |
| Wiring shorted | |||
| Wiring disconnected | |||
| F13 | Fume sensor fault | Sensor damaged | Check the wiring or replace the sensor |
| Wiring shorted | |||
| Wiring disconnected | |||
| F14 | Delivery sensor 2 fault | Sensor damaged | Check the wiring or replace the sensor |
| Wiring shorted | |||
| Wiring disconnected | |||
| F15 | Fan fault | No 230V power supply | Check the 3•pin connector wiring |
| Tachometric signal interrupted | Check the 5-pin connector wiring | ||
| Fan damaged | Check the fan | ||
| F26 | RESET button on the controller on the gas valve. fault. | RESET button on controller fitted on gas valve blocked or faulty. | Check the RESET button and replace the controller on the gas valve if necessary. |
| F34 | Supply voltage under 170V | Electric mains trouble | Check the electrical system |
| F35 | Faulty mains frequency | Electric mains trouble | Check the electrical system |
| F37 | Pressure switch contacts open | Low system pressure | Check the system water pressure |
| F39 | External probe fault | Probe damaged or wiring shorted | Check the wiring or replace the sensor |
| The probe disconnected after activating the sliding temperature | Reconnect the external probe or disable the sliding temperature | ||
| A41 | Sensor positioning | The delivery sensor disconnected from the pipe | Check the correct positioning and operation of the heating sensor |
| A42 | Healing sensor fault | Sensor damaged | Replace the sensor |
| F50 | Cascade temperature sensor fault | Sensor damaged | Check the wiring or replace the sensor |
| Wiring shorted | |||
| Wiring disconnected | |||
| F52 | Heating sensor fault | Sensor damaged | Replace the sensor |
| A61 | Controller fault | Controller internal error | Check the ground connection and replace the controller if necessary. |
| A62 | No communication between the controller and the gas valve | Controller not connected | Connect the controller to the gas valve |
| Valve damaged | Replace the valve | ||
| A63 A64 A65 F66 | Controller fault | Controller internal error | Check the ground connection and replace the controller if necessary |
| F99 | No communication between the controller and display | Wring disconnected | Check the wiring of the 6 wires between the controller and the display |
Technical data and characteristics
Legend of figures cap. 4 “Technical data and characteristics”
7 Gas inlet
10 System flow
11 System return
16 Fan
32 Heating circulating pump (not supplied)
34 Heating temperature sensor
36 Automatic air vent
44 Gas valve
72 Room thermostat (not supplied)
72b Second room thermostat (not supplied)
95 3-way valve – 2 wires (not supplied)
A = Heating phase
B = Neutral
98 Switch
114 Water pressure switch
130 DHW circulating pump (not supplied)
138 External probe (not supplied)
139 Remote timer control (not supplied)
154 Condensate drain pipe
155 Hot water tank temperature probe (not supplied)
186 Return sensor
188 Ignition/Ionization electrode
191 Fume temperature sensor
193 Trap
196 Condensate tray
256 Modulating heating circulating pump signal
298 Cascade temperature sensor (not supplied)
299 Input 0-10 Vdc
300 Burner lit contact (voltage-free contact)
301 Fault contact (voltage-free contact)
302 The remote reset input (230 Volt)
306 Heating system circulating pump (not supplied)
307 Heating system second circulating pump (not supplied)
348 3-way valve – 3 wires (not supplied)
A = Heating phase
B = Neutral
C = DHW phase
357 Faulty contact (230 Vac)
361 Cascade connection of the next module
362 Cascade connection of the previous module
363 MODBUS communication
374 Aluminum heat exchanger
388 Safety sensor
A6 Condensate discharge connection
4.1 Dimensions and connections

4.2 General view

4.3 Hydraulic circuit

4.4 Technical data table
The column on the right gives the abbreviation used on the data plate.
| Model | FORCE W 60 | FORCE W 80 | FORCE W 99 | FORCE W 120 | FORCE W 150 | ||
| PRODUCT IDENTIFICATION CODES | OMDLAAWA | OMDLCAWA | OMDLDAWA | OMDLEAWA | OMDLFAWA | ||
| COUNTRIES OF DESTINATION | IT – ES – RO – RU – TR – PL | ||||||
| GAS CATEGORY | II2HM3B/P (IT) II2H3P (ES) I 2ELS3P (Pt) II2E3BP (RO) II2H3B/P (TR – RU) | ||||||
| Max. heating capacity | kW | 58.0 | 74. | 97. | 113.0 | 143.0 | 0 |
| Min. heating capacity | kW | 15.0 | 15.0 | 19.0 | 19.0 | 24.0 | 0 |
| Max. Heat Output in heating (80/60 °C) | kW | 57.0 | 73. | 95. | 111. | 140.0 | (P) |
| Min. Heat Output in heating (80/60 °C) | kW | 15. | 15. | 19. | 19. | 24. | (P) |
| Max. Heat Output in heating (50/30 °C) | kW | 61. | 77.0 | 100.0 | 117.0 | 148.0 | (P) |
| Min. Heat Output in heating (50/30 °C) | kW | 16. | 16. | 21. | 21. | 26. | (P) |
| Efficiency Pmax (80/60 °C) | % | 98. | 98.0 | 98.0 | 98. | 98. | |
| Efficiency Pmin (80/60 °C) | % | 98. | 98. | 98. | 98. | 98. | |
| Efficiency Pmax (50/30 °C) | % | 105. | 104. | 104. | 104. | 104. | |
| Efficiency Pmin (50/30 °C) | % | 109. | 109. | 108.0 | 108.0 | 108.0 | |
| Efficiency 30% | % | 109. | 109. | 108. | 108. | 108. | |
| NOx emissions class | – | 6 | (140x) | ||||
| Fume temperature Pmax (80160 *C) | °C | 64 | 70 | 71 | 72 | 73 | |
| Fume temperature Pain (80160 °C) | °C | 60 | 60 | 60 | 60 | 60 | |
| Fume temperature Pnex (50130 `C) | ‘C | 44 | 48 | 53 | 54 | 54 | |
| Fume temperature Pmin (50/30 °C) | t | 30 | 30 | 30 | 30 | 30 | |
| Fume flow rate Pmax | gis | 26 | 34 | 44 | 51 | 65 | |
| Fume flow rate Prnin | grs | 7 | 7 | 9 | 9 | 11 | |
| Gas nozzle G20 | 0 | 9. | 9. | 9. | 9. | 9. | |
| Gas supply pressure G20 | mbar | 20 | 20 | 20 | 20 | 20 | |
| Max. gas flow G20 | m341 | 6. | 8. | 10. | 12. | 15. | |
| Min. gas flow G20 | math | 2. | 2. | 2. | 2. | 3. | |
| CO2 max G20 | % | 9. | 9. | 9. | 9. | 9. | |
| CO2 min G20 | % | 9. | 9. | 9. | 9. | 9. | |
| Gas nozzle G31 | 0 | 6. | 6. | 7. | 7. | 7. | |
| Gas supply pressure G31 | mbar | 37 | 37 | 37 | 37 | 37 | |
| Max. gas flow G31 | kg/b | 5. | 6. | 8. | 9. | 11. | |
| Min. gas flow G31 | kg/b | 1. | 1. | 1. | 1. | 2. | |
| CO2 max G31 | % | 11. | 11. | 11. | 11. | 11. | |
| CO2 min G31 | % | 10.0 | 10.0 | 10.0 | 10.0 | 10.0 | |
| Max. working pressure in the heating | bar | 6 | 6 | 6 | 6 | 6 | (PMS) |
| Min. working pressure in the heating | bar | 0.8 | 0.8 | 0.8 | 0.8 | 0.8 | |
| Max. heating temperature | °C | 95 | 95 | 95 | 95 | 95 | (tmax) |
| Heating water content | liters | 4. | 4. | 6. | 6. | 7. | (H20) |
| Protection rating | IP | IPX4D | |||||
| Power supply voltage | V/Hz | 230/50 | |||||
| Electrical power input | W | 60 | 93 | 120 | 175 | 250 | |
| Empty weight | kg | 54 | 54 | 63 | 63 | 73 | |
| Type of unit | Bn | ||||||
| PIN CE | 85 | ||||||
4.5 ErP tables
WrP product fiche
MODEL: FORCE W 60 – (OMDLAAWA)
| Trademark: FERROLI | ||||
| Condensing boiler: YES | ||||
| Low-temperature boiler ( ): YES | ||||
| B1 Boiler: NO | ||||
| Combination heater: NO | ||||
| Cogeneration space heater: NO | ||||
| Item | Symbol | Unit | Value | |
| Seasonal space heating energy efficiency class (from A++ to G) | A | |||
| Rated heat output | Pn | kW | 57 | |
| Seasonal space heating energy efficiency | is | % | 93 | |
| Useful heat out put | ||||
| Useful heat output at rated heat output and high-temperature regime (*) | P4 | kW | 57,0 | |
| Useful heat output at 30% of rated heat output and low-temperature regime ( | P1 | kW | 11,9 | |
| Useful efficiency | ||||
| Useful efficiency at rated heat output and high-temperature regime (*) | 14 | % | 88,5 | |
| Useful efficiency at 30% of rated heat output and low-temperature regime ( | 1 I | % | 97,8 | |
| Auxiliary electricity consumption | ||||
| At full load | elmax | kW | 60 | |
| At part load | elmin | kW | 25 | |
| In standby mode | PSB | kW | 3 | |
| Other items | ||||
| Standby heat loss | Pstby | kW | 140 | |
| Ignition burner power consumption | Pign | kW | 0 | |
| Annual energy consumption | QHE | GJ | 111 | |
| Sound power level | LWA | dB | 61 | |
| Emissions of nitrogen oxides | NOx | mg/kWh | 50 | |
(*) High-temperature regime means 60°C return temperature at the heater inlet and 80°C feed temperature at the heater outlet. (**) Low temperature means for condensing boilers 30°C, for low-temperature boilers 37°C, and for other heaters 50°C return temperature (at heater inlet).
WrP product fiche
MODEL: FORCE W 99 – (OMDLAAWA)
| Trademark: FERROLI | ||||
| Condensing boiler: YES | ||||
| Low-temperature boiler ( ): YES | ||||
| B1 Boiler: NO | ||||
| Combination heater: NO | ||||
| Cogeneration space heater: NO | ||||
| Item | Symbol | Unit | Value | |
| Seasonal space heating energy efficiency class (from A++ to G) | A | |||
| Rated heat output | Pn | kW | 57 | |
| Seasonal space heating energy efficiency | is | % | 93 | |
| Useful heat out put | ||||
| Useful heat output at rated heat output and high-temperature regime (*) | P4 | kW | 57,0 | |
| Useful heat output at 30% of rated heat output and low-temperature regime ( | P1 | kW | 11,9 | |
| Useful efficiency | ||||
| Useful efficiency at rated heat output and high-temperature regime (*) | 14 | % | 88,5 | |
| Useful efficiency at 30% of rated heat output and low-temperature regime ( | 1 I | % | 97,8 | |
| Auxiliary electricity consumption | ||||
| At full load | elmax | kW | 60 | |
| At part load | elmin | kW | 25 | |
| In standby mode | PSB | kW | 3 | |
| Other items | ||||
| Standby heat loss | Pstby | kW | 140 | |
| Ignition burner power consumption | Pign | kW | 0 | |
| Annual energy consumption | QHE | GJ | 111 | |
| Sound power level | LWA | dB | 61 | |
| Emissions of nitrogen oxides | NOx | mg/kWh | 50 | |
(*) High-temperature regime means 60°C return temperature at the heater inlet and 80°C feed temperature at the heater outlet. (**) Low temperature means for condensing boilers 30°C, for low-temperature boilers 37°C, and for other heaters 50°C return temperature (at heater inlet).
MODEL: FORCE W 120 – (OMDLAAWA)
| Trademark: FERROLI | ||||
| Condensing boiler: YES | ||||
| Low-temperature boiler ( ): YES | ||||
| B1 Boiler: NO | ||||
| Combination heater: NO | ||||
| Cogeneration space heater: NO | ||||
| Item | Symbol | Unit | Value | |
| Seasonal space heating energy efficiency class (from A++ to G) | A | |||
| Rated heat output | Pn | kW | 57 | |
| Seasonal space heating energy efficiency | is | % | 93 | |
| Useful heat out put | ||||
| Useful heat output at rated heat output and high-temperature regime (*) | P4 | kW | 57,0 | |
| Useful heat output at 30% of rated heat output and low-temperature regime ( | P1 | kW | 11,9 | |
| Useful efficiency | ||||
| Useful efficiency at rated heat output and high-temperature regime (*) | 14 | % | 88,5 | |
| Useful efficiency at 30% of rated heat output and low-temperature regime ( | 1 I | % | 97,8 | |
| Auxiliary electricity consumption | ||||
| At full load | elmax | kW | 60 | |
| At part load | elmin | kW | 25 | |
| In standby mode | PSB | kW | 3 | |
| Other items | ||||
| Standby heat loss | Pstby | kW | 140 | |
| Ignition burner power consumption | Pign | kW | 0 | |
| Annual energy consumption | QHE | GJ | 111 | |
| Sound power level | LWA | dB | 61 | |
| Emissions of nitrogen oxides | NOx | mg/kWh | 50 | |
(*) High-temperature regime means 60°C return temperature at the heater inlet and 80°C feed temperature at the heater outlet. (**) Low temperature means for condensing boilers 30°C, for low-temperature boilers 37°C, and for other heaters 50°C return temperature (at heater inlet).
MODEL: FORCE W 150- (OMDLAAWA)
| Trademark: FERROLI | ||||
| Condensing boiler: YES | ||||
| Low-temperature boiler (**): YES | ||||
| B1 Boiler: NO | ||||
| Combination heater: NO | ||||
| Cogeneration space heater: NO | ||||
| Item | Symbol | Unit | Value | |
| Rated heat output | Pn | kW | 140 | |
| Seasonal space heating energy efficiency | is | % | 93 | |
| Useful heat out put | ||||
| Useful heat output at rated heat output and high-temperature regime (*) | P4 | kW | 140,0 | |
| Useful heat output at 30% of rated heat output and low-temperature regime ( | ) | P1 | kW | 27,1 |
| Useful efficiency | ||||
| Useful efficiency at rated heat output and high-temperature regime (*) | % | 88,1 | ||
| Useful efficiency at 30% of rated heat output and low-temperature regime (**) | % | 97,3 | ||
| Auxiliary electricity consumption | ||||
| At full load | elmax | kW | 250 | |
| At part load | elmin | kW | 22 | |
| In standby mode | PSB | kW | 3 | |
| Other items | ||||
| Standby heat loss | Pstby | kW | 190 | |
| Ignition burner power consumption | Pign | kW | 0 | |
| Annual energy consumption | QHE | GJ | 255 | |
| Sound power level | LWA | dB | 68 | |
| Emissions of nitrogen oxides | NOx | mg/kWh | 40 |
4.6 Diagrams
Pressure loss

A Delivery – m3/h
B m H2O
4.7 Wiring diagrams.
ATTENTION: Remove the jumper on the terminal block before connecting the room thermostat or remote timer control.



FERROLI S.p.A.
Via Ritonda 78/a
37047 San Bonifacio – Verona – ITALY
www.ferroli.com
Fabbricato in Italia – Fabricado en Italia – Fabricat in Italia – Made in Italy



















