Ferroli PEGASUS F3 N 2S

INSTALLATION
General Instructions

This unit must only be used for its intended purpose.
This unit is designed to heat water to a temperature below boiling point at atmospheric pressure and must be connected to a heating system and/or a water supply system for domestic use, compatible with its performance, characteristics and its heating capacity. Any other use is considered improper.
THE BOILER MUST ONLY BE INSTALLED BY QUALIFIED PERSONNEL, IN AC-CORDANCE WITH ALL THE INSTRUCTIONS GIVEN IN THIS TECHNICAL MANUAL, THE PROVISIONS OF CURRENT LAW, ANY LOCAL REGULATIONS AND THE RULES OF PROPER WORKMANSHIP.
The Manufacturer declines any liability for damage or injury caused by incorrect installation.
Place of installation
This unit is an “open chamber” type and can only be installed and operated in permanently ventilated rooms. An insufficient flow of combustion air to the boiler will affect its normal operation and fume evacuation. Also, the fumes forming in these conditions (ox-ides) are extremely harmful to the health if dispersed in the domestic environment.
Therefore the place of installation must be free of dust, flammable materials or objects or corrosive gases. The room must be dry and not subject to freezing.
When positioning the boiler, leave sufficient space around it for normal maintenance activities.
Plumbing connections
Instructions
The heating capacity of the unit must be previously established by calculating the building’s heat requirement according to the current regulations. For proper operation and long life of the boiler, the plumbing system must be adequate and complete with all accessories that guarantee regular operation and running.
If the delivery and return pipes follow a path where air pockets could form in certain places, it is advisable to install vent valves at these points. Also, install a discharge device at the lowest point in the system to allow its complete emptying.
If the boiler is installed at a lower level than the system, it is advisable to provide a flow-stop valve to prevent the natural circulation of system water.
The temperature drop between the delivery manifold and the return to the boiler should not exceed 20°C.
Do not use the water system pipes to earth electrical appliances.

Before installation, carefully wash all the pipes of the system to remove any residuals or impurities that could affect proper operation of the unit.
Carry out the relevant connections as indicated in fig. 10.
It is advisable to install on-off valves between the boiler and heating system allowing the boiler to be isolated from the system if necessary.

Make the boiler connection in such a way that its internal pipes are free of stress.
Water system characteristics
In the presence of water harder than 25° Fr, it is advisable to use suitably treated water, in order to avoid possible scaling in the boiler caused by hard water, or corrosion produced by aggressive water. Due to its low thermal conductivity, scaling even just a few mm thick causes significant overheating of the boiler walls with consequent serious problems.
Water treatment is indispensable in case of very large systems (containing large amounts of water) or with frequent introduction of replenishing water in the system. If partial or total emptying of the system becomes necessary in these cases, it is advisable to refill with treated water.
Filling boiler and system
The filling pressure with system cold system must be approx. 1 bar. If, during operation, the system pressure falls (due to the evaporation of gases dissolved in the water) to values below the minimum described above, the user must bring it to the initial value. For correct operation of the boiler, when hot, its pressure must be approx. 1.5-2 bar.

Gas connection
Before carrying out the connection, make sure the unit is arranged for the type of fuel available and carefully clean all the system gas pipes to remove any residues that could affect proper boiler operation.
The gas must be connected to the relevant connection (see fig. 10) in conformity with the current standards, with a rigid metal pipe or with a continuous flexible s/steel tube, install-ing a gas cock between the system and boiler. Make sure all the gas connections are tight.
The capacity of the gas meter must be sufficient for the simultaneous use of all equip-ment connected to it. The diameter of the gas pipe leaving the boiler does not determine the diameter of the pipe between the unit and the meter; it must be chosen according to its length and pressure losses, in conformity with the current regulations.

Do not use the gas pipes to earth electrical appliances.
Electrical connections
Connection to the power supply
The boiler must be connected to a single-phase, 230 Volt-50 Hz electric line.

The unit’s electrical safety is guaranteed only when it is correctly connected to an efficient earthing system in conformity with the current safety regulations. Have the efficiency and suitability of the earthing system checked by professionally qualified personnel; the Manufacturer declines any liability for damage caused by failure to earth the system. Also make sure the electrical system is adequate for the maximum power absorbed by the unit, as specified on the boiler dataplate, in particular ensuring that the section of the system’s cables is suitable for the input.
The boiler is prewired and supplied with a connector located inside the control panel, arranged for connection to an electronic thermostatic controller (see wiring diagrams in sec. 5.5). It is also equipped with a three-core cable for connection to the electric line. The connections to the power supply must be made with a permanent connection and equipped with a double-pole switch with contact gap of at least 3 mm, interposing fuses of max. 3A between the boiler and line. It is important to respect the polarities (LINE: brown wire / NEUTRAL: blue wire / EARTH : yellow/green wire) when making the connections to the electric line.
Accessing the electrical terminal block and components inside the control panel
To access the electrical components inside the control panel, follow the sequence in fig. 2. The layout of the terminals for the various connections is given in the wiring diagrams in the technical data section.

fig. 2 – Accessing the terminal block
Undo the 2 self-tapping screws securing the boiler cover.
Lift by pressing upwards and remove the cover held to the sides of the boiler by pins.
Undo and remove the two screws and the two plates holding the control panel. Turn the control panel forwards.
Any additional sensitive elements of the system’s control and safety devices, temperature probe, pressure switch, thermostat bulb, etc., must be located on the delivery pipe within 40 cm of the boiler casing rear wall (see fig. 3).
Key
- System delivery
- System return
- 40 cm max.

Connection to the flue
The flue connection pipe diameter must not be less than that of the connection on the anti-backflow device. Starting from the anti-backflow device it must have a vertical section at least 50 cm long. Comply with the current regulations regarding installation and sizes of the flues and connection pipe. The diameters of the anti-backflow device collars are given in the table of fig. 10.
SERVICE AND MAINTENANCE
Adjustments
All adjustment and conversion operations must be carried out by Qualified Personnel.
The manufacturer declines any liability for damage or injury caused by unqualified and unauthorised people tampering with the unit.
Burner gas pressure adjustment
The boilers PEGASUS F3 N 2S are arranged to run on natural or liquefied gas. The pres-sure setting and test are performed in the factory.
However, at first lighting, as there may be supply pressure variations, check and if nec-essary adjust the pressure at the nozzles, respecting the values given in the technical data table in sec. 5.3.
Pressure adjustment operations must be carried out with the boiler working, using the pressure regulator on the 2-stage gas valves (see fig. 4)
Preliminary operations:
- Light the boiler and turn the control thermostat knob to minimum.
- Connect a pressure gauge to the pressure point on the gas manifold pipe of the burner assembly (see part 14 of fig. 11).
- Remove the protection cap of the pressure regulator 4
Minimum power (1st stage) adjustment
- Turn the control thermostat knob slowly clockwise to the 1st click; the gas valve will thus be supplied only on connections A and B (see fig. 4).
- Turn the screw 6 of checking that the pressure matches the values given in the technical data table in sec. 5.3.
Maximum power (2nd stage) adjustment
- Turn the control thermostat knob to maximum; the gas valve will now be supplied only on connections A, B and C (see fig. 4).
- Turn the screw 5 of checking that the pressure matches the values given in the technical data table in sec. 5.3.
The gas pressures measured at the burner gas manifold must be read at least 30 seconds after making the adjustments, i.e. when the flame has stabilized.
On completing the adjustment operations, turn the burner on and off 2 – 3 times with the control thermostat and check that the pressure values are those just set; otherwise, it is necessary to make another adjustment to bring the pressures to the correct values.
Gas conversion
The unit can work with Natural gas (G20-G25) or liquefied gas (G30-G31) and is factory-set for use with one of the two gases, as clearly shown on the packing and dataplate. Whenever the unit has to be used with a different gas, a conversion kit will be required, proceeding as follows.
From natural to liquefied gas
- Replace the nozzles at the main burner and pilot burner, fitting the nozzles specified in the technical data table in sec. 5.3.
- Remove the small cap 3 (fig. 4) from the gas valve, screw the ignition “STEP” regulator 2 (contained in the conversion kit) onto the valve and refit the cap 3 on the regulator.
- Adjust the burner gas pressures for minimum and maximum power as described in the previous section, setting the values given in the technical data table of section sec. 5.3.
- Operations 2 and 3 must be performed on all the valves.
- Apply the sticker contained in the conversion kit, near the data plate as proof of the conversion.
From liquefied to natural gas
Carry out the same operations described above, making sure to remove the ignition “STEP” regulator 2 of fig. 4 of the gas valve; the cap 3 of fig. 4 must be fitted directly on the valve.
Key of main components
- Pressure point upstream
- Ignition “STEP” regulator for liquefied gas
- Plug
- Protection cap
- Pressure adjustment screw for max. power Pressure adjustment screw for min. power (1st stage) O-ring
- Decrease
- Increase
- Honeywell valve VR 4601 CB
Key of electrical connections
A + B = Connections fed for min. power (1st stage) A + B + C = Connections fed for max. power (2nd stage)
Commissioning
Commissioning must be carried out by Qualified Personnel.
The following operations and checks must be carried out at first lighting, and after all maintenance that involved disconnecting from the systems or work on safety devices or parts of the boiler.
Before lighting the boiler
- Open any shutoff valves between the boiler and the system.
- Check the tightness of the gas system, proceeding with caution and using soapy water to check for any leaks in connections.
- Fill the water system and make sure all air contained in the boiler and the system has been vented by opening the air valve on the boiler and any vent valves in the system.
- Make sure there are no water leaks in the system or boiler.
- Make sure the electrical system is properly connected.
- Make sure the unit is connected to an efficient earthing system.
- Make sure the pressure and gas flow values are those required for heating.
- Make sure there are no flammable liquids or materials in the immediate vicinity of the boiler.
Boiler lighting
- Open the gas cock ahead of the boiler.
- Vent the air from the pipe ahead of the gas valve.
- Turn on or insert any switch or plug ahead of the boiler.
- Turn the boiler switch (pos. 7 – fig. 1) to position 1.
- Turn the knob 6 (fig. 1) to a value above 50°C and that of the room thermostat (if present) to the required temperature value. The burner will light and the boiler be-gins to function automatically, controlled by its adjustment and safety devices.
If, after correctly carrying out the lighting procedure, the burners do not light and the button-indicator comes on, wait about 15 seconds then press the above-mentioned button. The reset controller will repeat the lighting cycle. If the burners do not light after the second attempt, refer to the section sec. 4.4.
The boiler switch 7 has 3 positions “0-1-TEST”; the first two have the on-off function, the third (unstable) must only be used for service and maintenance purposes.

A In case of a power failure while the boiler is working, the burners will go out and relight automatically when the power is restored.
Checks during operation
- Make sure the fuel circuit and water systems are tight.
- Check the efficiency of the flue and fume ducts while the boiler is working.
- Make sure the water is circulating properly between the boiler and the system.
- Check correct lighting of the boiler, by turning it on and off several times using the room thermostat or boiler thermostat.
- Make sure the fuel consumption indicated on the meter matches that given in the technical data table in cap. 5.
Turning off
To temporarily turn the boiler off, just turn the boiler switch 7 (fig. 1) to 0. To turn the boiler off for a prolonged period:
- Turn the knob of the boiler switch 7 (fig. 1) to 0;
- Close the gas cock ahead of the boiler;
- Disconnect the power to the unit;
To avoid damage caused by freezing during long shutdowns in winter, it is advisable to drain all water from the boiler and the system; or add a suitable anti-freeze to the heating system
Maintenance
B THE QUALIFIED PERSFOLLOWING OPERATIONS ONNEL. MUST ONLY BE CARRIED OUT BY Seasonal inspection of the boiler and flue
It is advisable to carry out the following checks at least once a year:
- The control and safety devices (gas valve, thermostats, etc.) must function correctly.
- The fume ducts must be free of obstructions and leaks.
- The gas and water systems must be tight.
- The burner and boiler shell must be clean. Follow the instructions in the next section.
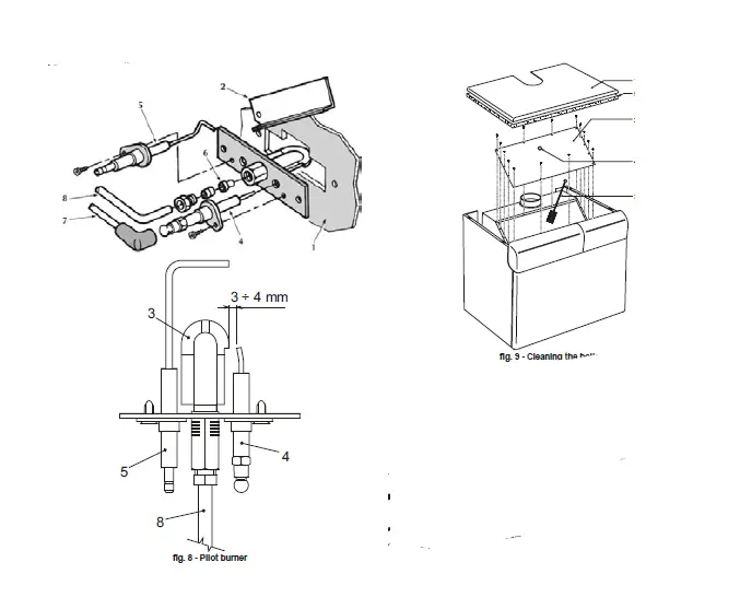
- The electrodes must be free of deposits and properly positioned (see fig. 8).
- The water pressure in the system when cold must be approx. 1 bar; otherwise bring it to that value.
- The expansion tank, if present, must be filled.
- The gas delivery and pressure must correspond to that given in the technical data table (see sec. 5.3).
- The circulating pumps must not be blocked.
Safety devices
The boiler PEGASUS F3 N 2S is equipped with devices that guarantee safety in case of operation faults.
Temperature limiter (safety thermostat) with manual reset
This device prevents the water temperature in the system from exceeding boiling point. The maximum cut-in temperature is 110°C.
Automatic reset of the temperature limiter can only occur on cooling of the boiler (the temperature must drop by at least 10°C) and identification and elimination of the problem that caused the shutdown. To reset the temperature limiter, unscrew the cover 3 of fig. 1 and press the button below.
Opening the front casing
To open the boiler front panel, see the sequence
The boiler PEGASUS F3 N 2S is equipped with devices that guarantee safety in case of operation faults.
Temperature limiter (safety thermostat) with manual reset
This device prevents the water temperature in the system from exceeding boiling point. The maximum cut-in temperature is 110°C.
Automatic reset of the temperature limiter can only occur on cooling of the boiler (the temperature must drop by at least 10°C) and identification and elimination of the problem that caused the shutdown. To reset the temperature limiter, unscrew the cover 3 of fig. 1 and press the button below.
Combustion analysis
A fume sampling point has been included in the upper part of the anti-backflow device inside the boiler (see fig. 6).
To take the sample:
- Remove the top panel of the boiler
- Remove the insulation covering the anti-backflow device
- Open the fume sampling point;
- Insert the probe;
- Adjust the boiler temperature to maximum.
- Wait 10-15 minutes for the boiler to stabilize
- Take the measurement.

A Analyses made with a non-stabilized boiler can cause measurement errors.
Burner assembly removal and cleaning
To remove the burner assembly:
- Disconnect the power and turn off the gas ahead of the boiler.
- Undo the two screws securing the electronic flame controller (detail B – fig. 7) to the gas valve (de-tail A – fig. 7) and remove the controller.
- Undo the screws fixing the connectors (F) to the gas valves and remove the connectors.
- Disconnect the ignition and ionization cables (E) from the electrode assembly.
- Undo the nuts fixing the gas supply pipe ahead of the gas valves (detail C – fig. 7).
- Undo the two nuts fixing the combustion chamber door to the cast iron elements of the boiler (detail D – fig. 7).
Remove the burner assembly and combustion chamber door.
Then check and clean the burners. Only use a non-metallic brush or compressed air to clean the burners and electrodes; never use chemical products.
Afterwards, refit everything in reverse order.
Pilot burner assembly

- Combustion chamber door
- Inspection door
- Pilot burner
- Ignition electrode
- Detection electrode
- Pilot nozzle
- High voltage cable
- Gas supply pipe
Cleaning the boiler and flue
For proper cleaning of the boiler
- Turn off the gas ahead of the unit and disconnect the power
- Remove the front panel of the boiler (fig. 5).
- Lift the casing cover by pressing upwards.
- Remove the insulation 5 covering the anti-backflow device.
- Remove the smoke chamber closing plate.
- Remove the burner assembly (see next section).
- Clean from the top downwards, using a flue brush. The same operation can be car-Carefully refit all the previously removed parts and check the tightness of the gas circuit and the combustion ducts.
- During cleaning operations be careful not to damage the fume thermostat bulb fitted in the back of the smoke chamber.
- Casing cover
- Smoke chamber closing plate
- Flue brush
- Combustion analysis plug
- Insulation
Troubleshooting
| Fault | Cure |
| After several lighting attempts , the electronic controller shuts down the boiler. | Clean the pilot burner nozzles with compressed air. |
| Check the regular gas flow to the boiler and that the air has been eliminated from the pipes. | |
| Make sure the electrodes are correctly positioned and free of deposits (see fig. 8). | |
| Make sure the boiler is connected to an efficient earth connection. | |
| Check the connections to the ignition and ionization electrodes. | |
| The electrodes are not discharging in the ignition phase. | Make sure the electrodes are correctly positioned and free of deposits (see fig. 8). |
| Control thermostat adjusted too low. | |
| Check the power supply. | |
| Check the connections to the ignition and ionization electrodes. | |
| Check the connections to the electronic flame controller. | |
| Make sure the LINE -NEUTRAL are not inverted and that the earth contacts are efficient. | |
| Check the inlet gas pressure and any open gas pressure switches. | |
| Reset the safety thermostat. | |
| Make sure the room thermostat is closed. | |
| The burner burns poorly: flames too high, too low or too yellow | Gas valve filter dirty. |
| Check the gas supply pressure. | |
| Gas nozzles dirty. | |
| Make sure the boiler is not dirty. | |
| Make sure the ventilation in the room where the unit is located is sufficient for proper combustion. | |
| Smell of unburnt gas | Make sure the boiler is clean. |
| Check the flue draught. | |
| Make sure gas consumption is not excessive. | |
| The boiler works but the temperature fails to increase | Check correct operation of the 2-stage control thermostat. |
| Make sure the gas valve 2nd stage operator (max. power) is fed. | |
| Make sure gas consumption is not less than that provided for. | |
| Make sure the boiler is perfectly clean. | |
| Make sure the boiler is adequate for the system. | |
| Make sure the heating pump is not blocked. | |
| Temperature of the water to system too high or too low | Check correct operation of the 2-stage control thermostat. |
| Make sure the heating pump is not blocked. | |
| Make sure the characteristics of the circulating pump are adequate for the system. | |
| Explosion at burner. Ignition delays | Make sure the gas pressure is sufficient and that the boiler casing is not dirty. |
| The control thermostat switches back on with too great a tempera ture difference | Make sure the bulb is properly inserted in the sheath. |
| Check correct operation of the 2-stage thermostat. | |
| The boiler produces condensation water | Make sure the boiler is not operating at too low temperatures (below 50°C). |
| Make sure gas consumption is regular. | |
| Check the efficiency of the flue. | |
| The boiler goes out for no apparent reason | Safety thermostat activation due to an overtemperature. |
TECHNICAL DATA AND CHARACTERISTICS
Dimensions and connections

- Version PEGASUS F3 N 119 – 136 2S
- Version PEGASUS F3 N 153 ÷ 289 2S
| Type and model | A | B | C | D | E | F | a1 heating return | a2 heating delivery | a3 Gas inlet |
| PEGASUS F3 N 119 2S | 930 | 133 | 220 | 50 | 42 | 1050 | 2” | 2” | 1” |
| PEGASUS F3 N 136 2S | 1020 | 148 | 250 | 53 | 45 | 1050 | 2” | 2” | 1” |
| PEGASUS F3 N 153 2S | 1100 | 148 | 250 | 58 | 43 | 1050 | 2” | 2” | 1” 1/2 |
| PEGASUS F3 N 170 2S | 1190 | 173 | 300 | 60 | 46 | 1050 | 2” | 2” | 1” 1/2 |
| PEGASUS F3 N 187 2S | 1270 | 173 | 300 | 58 | 44 | 1050 | 2” | 2” | 1” 1/2 |
| PEGASUS F3 N 221 2S | 1440 | 173 | 300 | 57 | 45 | 1050 | 2” | 2” | 1” 1/2 |
| PEGASUS F3 N 255 2S | 1610 | 198 | 350 | 62 | 46 | 1100 | 2” | 2” | 1” 1/2 |
| PEGASUS F3 N 289 2S | 1780 | 198 | 350 | 66 | 49 | 1100 | 2” | 2” | 1” 1/2 |
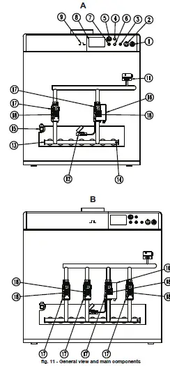
General view and main components

- Version PEGASUS F3 N 119 – 136 2S
- Version PEGASUS F3 N 153 ÷ 289 2S
Key
- “0 – 1 – TEST” switch
- -stage control thermostat
- Electronic controller reset button
- Cap
- thermohydrometer
- Cap
- Safety thermostat
- Arrangement for fitting an electronic controller
- Fume point on fume chamber
- Gas pressure switch
- Pilot burner complete with electrodes
- Gas manifold
- Pressure point
- Drain cock
- Electronic flame controller
- Gas valve
- 2nd stage operator
Technical data table
| MODEL | 119 | 136 | 153 | 170 | |||||
| Powers | Pmax | Pmin | Pmax | Pmin | Pmax | Pmin | Pmax | Pmin | |
| Heating Capacity (Net Heat Value – Hi) | kW | 131 | 77 | 149 | 89 | 168 | 100 | 187 | 110 |
| Useful Heating Power | kW | 119 | 71 | 136 | 82 | 153 | 92 | 170 | 102 |
| Gas supply | Pmax | Pmin | Pmax | Pmin | Pmax | Pmin | Pmax | Pmin | |
| Pilot nozzle G20 | mm | 1 x 0.40 | 1 x 0.40 | 1 x 0.40 | 1 x 0.40 | ||||
| Pilot nozzle G31 | mm | 1 x 0.24 | 1 x 0.24 | 1 x 0.24 | 1 x 0.24 | ||||
| Main nozzles G20 | mm | 7 x 3.40 | 8 x 3.40 | 9 x 3.40 | 10 x 3.40 | ||||
| Supply pressure G20 | mbar | 20 | 20 | 20 | 20 | ||||
| Pressure at burner G20 | mbar | 13.3 | 4.8 | 13.3 | 4.8 | 13.3 | 4.8 | 13.3 | 4.8 |
| Delivery G20 | m3/h | 13.8 | 8.1 | 15.8 | 9.4 | 17.9 | 10.6 | 19.8 | 11.6 |
| Main nozzles G31 | mm | 7 x 2.15 | 8 x 2.15 | 9 x 2.15 | 10 x 2.15 | ||||
| Supply pressure G31 | mbar | 37 | 37 | 37 | 37 | ||||
| Pressure at burner G31 | mbar | 36 | 11.4 | 36 | 11.4 | 36 | 11.4 | 36 | 11.4 |
| Delivery G31 | kg/h | 10.26 | 6.0 | 11.6 | 6.9 | 13.2 | 7.8 | 14.64 | 8.6 |
| Heating | |||||||||
| Max. working temperature | °C | 100 | 100 | 100 | 100 | ||||
| Max. working pressure in heating | bar | 6 | 6 | 6 | 6 | ||||
| No. elements | 8 | 9 | 10 | 11 | |||||
| Min. working pressure in heating | bar | 0.4 | 0.4 | 0.4 | 0.4 | ||||
| No. burner trains | 7 | 8 | 9 | 10 | |||||
| Boiler water content | litres | 38 | 42 | 46 | 50 | ||||
| Weight | |||||||||
| Weight with packing | kg | 470 | 530 | 575 | 625 | ||||
| Electrical power supply | |||||||||
| Max. electrical input | W | 32 | 32 | 60 | 60 | ||||
| Power voltage/frequency | V/Hz | 230/50 | 230/50 | 230/50 | 230/50 | ||||
| Electrical protection rat- ing | IP | X0D | X0D | X0D | X0D | ||||
| MODEL | 187 | 221 | 255 | 289 | |||||
| Powers | Pmax | Pmin | Pmax | Pmin | Pmax | Pmin | Pmax | Pmin | |
| Heating Capacity (Net Heat Value – Hi) | kW | 206 | 122 | 243 | 144 | 280 | 166 | 317 | 188 |
| Useful Heating Capacity | kW | 187 | 112 | 221 | 133 | 255 | 153 | 289 | 173 |
| Gas supply | Pmax | Pmin | Pmax | Pmin | Pmax | Pmin | Pmax | Pmin | |
| Pilot nozzle G20 | mm | 1 x 0.40 | 1 x 0.40 | 1 x 0.40 | 1 x 0.40 | ||||
| Pilot nozzle G31 | mm | 1 x 0.24 | 1 x 0.24 | 1 x 0.24 | 1 x 0.24 | ||||
| Main nozzles G20 | mm | 11 x 3.40 | 13 x 3.40 | 15 x 3.40 | 17 x 3.40 | ||||
| Supply pressure G20 | mbar | 20 | 20 | 20 | 20 | ||||
| Pressure at burner G20 | mbar | 13.3 | 4.8 | 13.3 | 4.8 | 13.3 | 4.8 | 13.3 | 4.8 |
| Delivery G20 | m3/h | 21.8 | 12.9 | 25.7 | 15.2 | 29.6 | 17.6 | 33.5 | 19.9 |
| Main nozzles G31 | mm | 11 x 2.15 | 13 x 2.15 | 15 x 2.15 | 17 x 2.15 | ||||
| Supply pressure G31 | mbar | 37 | 37 | 37 | 37 | ||||
| Pressure at burner G31 | mbar | 36 | 11.4 | 36 | 11.4 | 36 | 11.4 | 36 | 11.4 |
| Delivery G31 | kg/h | 16.31 | 9.5 | 19.0 | 11.2 | 21.92 | 12.9 | 24.82 | 14.6 |
| Heating | |||||||||
| Max. working temperature | °C | 100 | 100 | 100 | 100 | ||||
| Max. working pressure in heating | bar | 6 | 6 | 6 | 6 | ||||
| No. elements | 12 | 14 | 16 | 18 | |||||
| Min. working pressure in heating | bar | 0.4 | 0.4 | 0.4 | 0.4 | ||||
| No. burner trains | 11 | 13 | 15 | 17 | |||||
| Boiler water content | litres | 54 | 62 | 70 | 78 | ||||
| Weight | |||||||||
| Weight with packing | kg | 665 | 760 | 875 | 945 | ||||
| Electrical power supply | |||||||||
| Max. electrical input | W | 32 | 32 | 60 | 60 | ||||
| Power voltage/frequency | V/Hz | 230/50 | 230/50 | 230/50 | 230/50 | ||||
| Electrical protection rat- ing | IP | X0D | X0D | X0D | X0D | ||||
5.4 Diagrams
Pressure loss

Key
- A Pressure losses m H2O column
- B Delivery m3/h
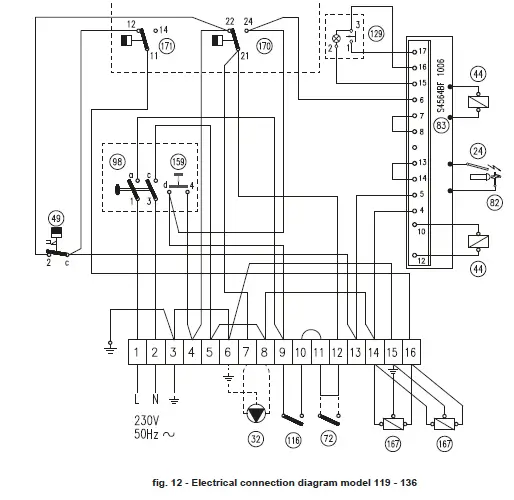
Wiring diagrams
Key – wiring diagrams
- Ignition electrode
- Heating circulating pump (not supplied)
- Gas valve
- Safety thermostat
- Room thermostat (not supplied)
- Detection electrode
- Electronic controller
- Switch
- Gas pressure switch
- Reset button with indicator light
- Test button
- 2nd stage gas valve
- 1st stage control thermostat
- 2nd stage control thermostat
Electrical connection diagram model 119 – 136

Main wiring diagram model 119 – 136

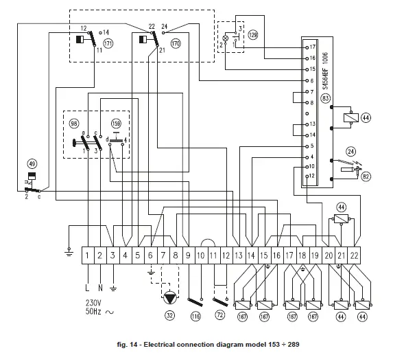
Electrical connection diagram model
Key – wiring diagrams
- Ignition electrode
- Heating circulating pump (not supplied)
- Gas valve
- Safety thermostat
- Room thermostat (not supplied)
- Detection electrode
- Electronic controller
- Switch
- Gas pressure switch
- Reset button with indicator light
- Test button
- 2nd stage gas valve
- 1st stage control thermostat
- 2nd stage control thermostat

Main wiring diagram model 153 ÷ 289





















