Ferroli PEGASUS D Gas Boiler

GENERAL WARNINGS
- Carefully read and follow the instructions contained in this instruction booklet.
- After boiler installation, inform the user regarding its operation and give him this manual, which is an integral and essential part of the product and must be kept with care for future reference.
- Installation and maintenance must be carried out by professionally qualified personnel, in compliance with the current regulations and according to the manufacturer’s instructions. Do not carry out any operation on the sealed control parts.
- Incorrect installation or inadequate maintenance can result in damage or injury. The Manufacturer declines any liability for damage due to errors in installation and use, or failure to follow the instructions.
- Before carrying out any cleaning or maintenance operation, disconnect the unit from the electrical power supply using the switch and/or the special cut-off devices.
- In case of a fault and/or poor operation, deactivate the unit and do not try to repair it or directly intervene. Contact professionally qualified personnel. Any repair/replacement of the products must only be carried out by qualified personnel using original replacement parts. Failure to comply with the above could affect the safety of the unit.
- This unit must only be used for its intended purpose. Any other use is deemed improper and therefore hazardous.
- The packing materials are potentially hazardous and must not be left within the reach of children.
- The unit must not be used by people (including children) with limited physical, sensory or mental abilities or without experience and knowledge of it, unless instructed or supervised in its use by someone responsible for their safety.
- The unit and its accessories must be appropriately disposed of, in compliance with the current regulations.
- The images given in this manual are a simplified representation of the product. In this representation there may be slight and insignificant differences with respect to the product supplied.
OPERATING INSTRUCTIONS
Introduction
Dear Customer,
Thank you for choosing a FERROLI boiler featuring advanced design, cutting edge technology, high reliability and quality construction. Please read this manual carefully since it provides important information on safe installation, use and maintenance.
PEGASUS D is a high-efficiency heat generator for domestic hot water production (optional) and heating, suitable for operation with blown oil or gas burners. The boiler shell consists of cast-iron elements, assembled with double cones and steel stays. The control system is with microprocessor and digital interface with advanced temperature control functions
![]() | The boiler is arranged for connection to an external storage tank for hot water production (optional). In this manual all the functions relevant to domestic hot water production are only active with the optional hot water tank connected as indicated in sec. 3.3 |
Control panel
Key
1 = Button –
2 = Button +
3 = Heating system temperature setting decrease button
4 = Heating system temperature setting increase button
5 = Display
6 = Summer / Winter mode selection button
7 = Not used
8 = Reset button
9 = Unit On / Off button
10 = Sliding Temperature” menu button
16 = Outside sensor temperature (with optional outside sensor)
17 = Appears on connecting the outside Sensor or the Remote Timer Control (optionals)
18 = Room temperature (with optional Remote Timer Control)
19 = Burner On
20 = Antifreeze operation
21 = Heating system pressure
22 = Fault
23 = Heating delivery temperature / setting
24 = Heating symbol
25 = Heating mode
26 = Set heating delivery temperature reached
27 = Summer mode
Lighting and turning off
Boiler not electrically powered
![]() | The antifreeze system does not work when the power and/or gas to the unit are turned off. To avoid damage caused by freezing during long idle periods in winter, it is advisable to drain all water from the boiler, or add a suitable antifreeze to the heating system, in compliance with that prescribed in sec. 3.3. |

Boiler lighting
- Open the fuel on-off valves.
- Switch on the power to the unit.
- For the following 120 seconds the display will show FH which identifies the heating system air venting cycle.
- During the first 5 seconds the display will also show the card software version.
- When the message FH disappears, the boiler is ready to operate automatically whenever domestic hot water is drawn or in case of a room thermostat demand.

Turning the boiler off
Press the on/off button (detail 9 – fig. 1) for 1 second.
When the boiler is turned off, the electronic board is still powered. Heating operation is disabled. The antifreeze system remains activated. To relight the boiler, press the on/off button (detail 9 – fig. 1) again for 1 second.
The boiler will be immediately ready to operate whenever domestic hot water is drawn or in case of a room thermostat demand.
Shutting down the boiler for prolonged periods
To turn off the boiler:
- Press the ON/OFF button (9 – fig. 1)
- Close the gas cock ahead of the boiler.
- Disconnect the power to the unit.
![]() | To avoid damage caused by freezing during long idle periods in winter, it is advisable to drain all the water from the boiler; DHW and system. Otherwise, drain just the DHW circuit and add a suitable antifreeze to the heating system, complying with that prescribed in sec. 3.3. |
Adjustments
Summer/Winter Switchover
Press the summer/winter button (detail 6 – fig. 1) for 1 second.
The display activates the Summer symbol (detail 27 – fig. 1): the boiler will only deliver domestic hot water. The antifreeze system remains activated. To deactivate the Summer mode, press the summer/winter button (part. 6 – fig. 1) again for 1 second.
Heating temperature setting
Use the heating buttons (details 3 and 4 – fig. 1) to adjust the temperature from a min. of 30°C to a max. of 80°C.
In any case it is advisable not to operate the boiler below 45°C.
DHW temperature adjustment
Use the DHW buttons -/+ (details 1 and 2 – fig. 1) to adjust the temperature from a min. of 10°C to a max. of 65°C.
Room temperature adjustment (with optional room thermostat)
Using the room thermostat, set the temperature desired in the rooms. If the room thermostat is not installed the boiler will keep the heating system at its setpoint temperature.
Room temperature adjustment (with optional remote timer control)
Using the remote timer control, set the temperature desired in the rooms. The boiler unit will set the system water according to the required room temperature. For information on the remote timer control, please refer to its user’s manual.
Sliding temperature
When the optional external probe is installed the control panel display (detail 5 – fig. 1) shows the actual outside temperature read by the probe. The boiler control system operates with “Sliding Temperature”. In this mode, the temperature of the heating system is adjusted according the outside weather conditions, in order to ensure high comfort and energy saving throughout the year. In particular, as the outside temperature increases, the system delivery temperature is decreased according to a specific “compensation curve”.
With Sliding Temperature adjustment, the temperature set with the heating buttons -/+ (details 3 and 4 – fig. 1) becomes the maximum system delivery temperature. It is advisable to set a maximum value to allow system adjustment throughout its useful operating range.
The boiler must be adjusted at the time of installation by qualified personnel. Possible adjustments can in any case be made by the user to improve comfort.
Compensation curve and curve offset
Press the mode button (detail 10 – fig. 1) once to display the actual compensation curve (fig. 9), which can be modified with the DHW buttons (details 1 and 2 – fig. 1). Adjust the required curve from 1 to 10 according to the characteristic (fig. 11). By setting the curve to 0, sliding temperature adjustment is disabled.
Press the heating buttons (details 3 and 4 – fig. 1) to access parallel curve offset (fig. 12), modifiable with the DHW buttons (details 1 and 2 – fig. 1).
Press the mode button (detail 10 – fig. 1) again to exit parallel curve adjustment mode.
If the room temperature is lower than the required value, it is advisable to set a higher order curve and vice versa. Proceed by increasing or decreasing in steps of one and check the result in the room.


Adjustments from Remote Timer Control
![]() | If the Remote Timer Control (optional) is connected to the boiler, the above adjustments are managed according to that given in table 1. Also, the control panel display (detail 5 – fig. 1) shows the actual room temperature detected by the Remote Timer Control. |
Table. 1
| Heating temperature setting | Adjustment can be made from the Remote Timer Control menu and the boiler control panel. |
| DHW temperature adjustment | Adjustment can be made from the Remote Timer Control menu and the boiler control panel. |
| Summer/Winter Switchover | Summer mode has priority over a possible Remote Timer Control heating demand. |
| Eco/Comfort selection | On disabling DHW from the Remote Timer Control menu, the boiler selects the Economy mode. In this condition, the button 7 – fig. 1 on the boiler panel is dis- abled. |
| On enabling DHW from the Remote Timer Control menu, the boiler selects the Comfort mode. In this condition it is possible select one of the two modes with the button 7 – fig. 1 on the boiler panel. | |
| Sliding Temperature | Both the Remote Timer Control and the boiler card manage Sliding Temperature adjustment: of the two, the Sliding Temperature of the boiler card has priority. |
Water system pressure adjustment
The filling pressure with system cold, read on the display, must be approx. 1.0 bar. If the system pressure falls to values below minimum, the boiler card will activate fault F37 (fig. 13).
![]() | Once the system pressure is restored, the boiler will activate the 120-second air venting cycle indicated on the display by FH. |
INSTALLATION8
General Instructions
BOILER INSTALLATION MUST ONLY BE PERFORMED BY QUALIFIED PERSONNEL, IN ACCORDANCE WITH ALL THE INSTRUCTIONS GIVEN IN THIS TECHNICAL MANUAL, THE PROVISIONS OF CURRENT LAW, THE PRESCRIPTIONS OF NATIONAL AND LOCAL STANDARDS AND THE RULES OF PROPER WORKMANSHIP.
Place of installation
The boiler unit must be installed in a specific room with ventilation openings to the outside as prescribed by current regulations. If there are several burners or suction units that can work together in the same room, the ventilation openings must be sized for simultaneous operation of all the units. The place of installation must be free of flammable materials or objects, corrosive gases, powders or volatile substances that, conveyed by the burner fan, can obstruct the internal lines of the burner or the combustion head. The room must be dry and not exposed to rain, snow or frost.
![]() | If the unit is enclosed in a cabinet or mounted alongside, a space must be provided for removing the casing and for normal maintenance operations. |
Plumbing connections
The heating capacity of the unit must be previously established by calculating the building’s heat requirement according to the current regulations. The system must be provided with all the components for correct and regular operation. It is advisable to install shutoff valves between the boiler and heating system allowing the boiler to be isolated from the system if necessary.
![]() | The safety valve outlet must be connected to a funnel or collection pipe to prevent water spurting onto the floor in case of overpressure in the heating circuit. Otherwise, if the discharge valve cuts in and floods the room, the boiler manufacturer cannot be held liable. |
Do not use the water system pipes to earth electrical appliances.
Before installation, carefully wash all the pipes of the system to remove any residuals or impurities that could affect proper operation of the unit.
Carry out the relevant connections according to the diagram in cap. 5.1 and the symbols given on the unit.
Water system characteristics
In the presence of water harder than 25° Fr (1°F = 10ppm CaCO3), use suitably treated water in order to avoid possible scaling in the boiler. Treatment must not reduce the hardness to values below 15°F (Decree 236/88 for uses of water intended for human consumption). Treatment of the water used is indispensable in case of very large systems or with frequent introduction of replenishing water in the system.
![]() | If water softeners are installed at the boiler cold water inlet, make sure not to reduce the water hardness too much, as this could cause early deterioration of the magnesium anode in the hot water tank. |
Antifreeze system, antifreeze fluids, additives and inhibitors
The boiler is equipped with an antifreeze system that turns on the boiler in heating mode when the system delivery water temperature falls under 6°C. The device will not come on if the electricity and/or gas supply to the unit are cut off. If it becomes necessary, it is permissible to use antifreeze fluid, additives and inhibitors only if the manufacturer of these fluids or additives guarantees they are suitable for this use and cause no damage to the heat exchanger or other components and/or materials of the boiler unit and system. It is prohibited to use generic antifreeze fluid, additives or inhibitors that are not expressly suited for use in heating systems and compatible with the materials of the boiler unit and system.
Connection to a storage tank for domestic hot water production
The unit’s electronic board is arranged for managing an external storage tank for domestic hot water production. Carry out the plumbing connections according to the diagram fig. 14 (pumps and non-return valves must be supplied separately). Carry out: electrical connections as shown in the wiring diagram in cap. 5.4. A probe FERROLI must be used. At the next lighting, the boiler’s control system recognizes the presence of the hot water tank probe and automatically configures the DHW function, activating the display and relevant controls.
Key
8 Domestic hot water outlet
9 Cold water inlet
10 System delivery
11 System return
Gas connection
![]() | Before making the connection, make sure the unit is arranged for operation with the type of fuel available and carefully clean all the system gas pipes to remove any residuals or impurities that could affect proper operation of the boiler. |
The gas must be connected to the respective union (see fig. 25) in conformity with current regulations, with a rigid metal pipe or with a continuous surface flexible s/steel tube, installing a gas cock between the system and boiler. Make sure all the gas connections are tight.
The capacity of the gas meter must be sufficient for the simultaneous use of all the appliances connected to it. The diameter of the gas pipe leaving the boiler does not determine the diameter of the pipe between the unit and the meter; it must be chosen according to its length and pressure losses, in conformity with the current regulations.
![]() | Do not use the gas pipes to earth electrical appliances |
Electrical connections
Connection to the electrical grid
![]() | The unit’s electrical safety is only guaranteed when correctly connected to an efficient earthing system executed according to current safety standards. Have the efficiency and suitability of the earthing system checked by professionally qualified personnel. The manufacturer is not responsible for any damage caused by failure to earth the system. Also make sure that the electrical system is adequate for the maximum power absorbed by the unit, as specified on the boiler data plate. |
The boiler is prewired and provided with a Y-cable and plug for connection to the electricity line. The connections to the grid must be made with a permanent connection and equipped with a bipolar switch whose contacts have a minimum opening of at least 3 mm, interposing fuses of max. 3A between the boiler and the line. It is important to respect the polarities (LINE: brown wire / NEUTRAL: blue wire / EARTH: yellow-green wire) in making connections to the electrical line. During installation or when changing the power cable, the earth wire must be left 2 cm longer than the others.
![]() | The user must never change the unit’s power cable. If the cable gets damaged, switch off the unit and have it changed solely by professionally qualified personnel. If changing the electric power cable, use solely “HAR H05 VV-F” 3×0.75 mm2 cable with a maximum outside diameter of 8 mm. |
Room thermostat (optional)
![]() | IMPORTANT: THE ROOM THERMOSTAT MUST HAVE VOLTAGE-FREE CONTACTS. CONNECTING 230 V TO THE ROOM THERMOSTAT TERMINALS WILL PERMANENTLYDAMAGE THE ELECTRONIC BOARD. |
When connecting time controls or a timer, do not take the power supply for these devices from their breaking contacts Their power supply must be by means of direct connection from the mains or with batteries, depending on the kind of device.
Accessing the electrical terminal block
Undo the two screws “A” located on the top part of the control panel and remove the cover.
Air/fume ducts
The diameter of the connecting pipe to the flue must not be less than that of the connection on the anti-backflow device. Starting from the anti-backflow device it must have a vertical section at least 50 cm long. The current regulations must be respected regarding the dimensioning and installation of the flues and connection pipe.
The boiler is a B11BS type equipped with a safety device (fume thermostat) that stops the supply of gas and shuts down the unit in case of poor draught or disturbance in the fume exhaust. Unit shutdown is indicated on the display with the code F04 (ref. cap. 3.4). Restarting of the unit occurs automatically 20 minutes after the end of the fault that caused the problem. In case of repeated intervention of the device, contact qualified personnel to check the flue and chimney and eliminate the fume evacuation fault.
![]() | This safety device must never be tampered with or deactivated. Any operation on the device, or its replacement, must only be carried out by qualified personnel using the manufacturer’s original replacement parts. A functional test must be carried out after any operation on the device. |
SERVICE AND MAINTENANCE
Adjustments
All adjustment and conversion operations must be carried out by Qualified Personnel. The manufacturer declines any liability for damage and/or injury caused by unqualified and un authorized persons tampering with the unit.
Turning on TEST mode
Press the heating buttons (details 3 and 4 – fig. 1) together for 5 seconds to activate the TEST mode. The boiler lights at the maximum heating power set as described in the following section.
The heating symbol (detail 24 – fig. 1) and DHW symbol (detail 12 – fig. 1) flash on the display.
To deactivate the TEST mode, repeat the activation sequence.
The TEST mode is automatically disabled in any case after 15 minutes.
Heating system output adjustment
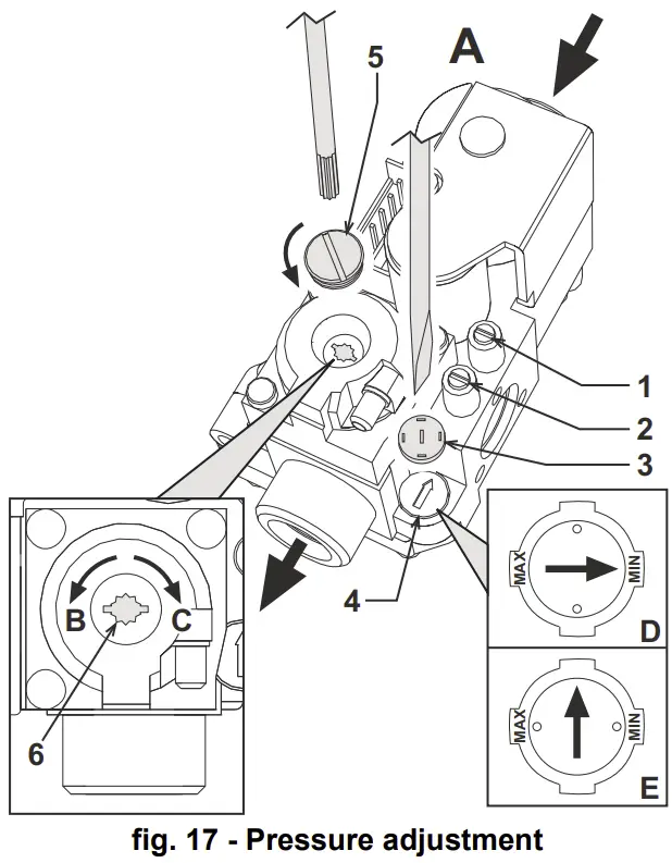
On PEGASUS D boilers, the firebox heating power and therefore the heat output delivered to the heating water can only be adjusted by means of the main burner through the gas valve, (see fig. 17). The diagrams given in the section cap. 5.2 indicate the variation in heat output delivered to the water according to the change in burner operating pressure. Being able to adjust boiler output to the actual heating requirements means above all reducing heat losses, and therefore obtaining fuel saving. Also, with the variation in output, also regulated by the provisions, the boilers keep their efficiency levels and combustion characteristics practically unchanged.
This operation is carried out with the boiler working and the water storage tank heated.
- Using a small screwdriver, remove the secondary operator protection cap 5 of the gas valve of fig. 17.
- Connect a manometer to the pressure point 2 (fig. 17) located below the gas valve, and turn the boiler thermostat knob to the maximum value.
- Adjust the pressure to the required value by means of the screw 6 (fig. 17), referring to the diagrams given in section cap. 5.2.
- Then turn the burner on and off 2 or 3 times by means of the control thermostat and check that the pressure value is that just set; otherwise, another adjustment must be made to bring the pressure to the correct value.
Gas conversion
The unit can work with either Natural gas (G20-G25) or liquefied gas (G30-G31) and is factory-set for use with one of the two gases, as clearly shown on the packing and data plate. Whenever a different gas to that for which the unit is arranged has to be used, the special conversion kit will be required, proceeding as follows:
- Replace the nozzles at the main burner and pilot burner, fitting the nozzles specified in the technical data table in cap. 5, according to the type of gas used
- Remove the small protection cap 3 (fig. 17) from the gas valve. Using a small screwdriver, adjust the ignition “STEP” for the required gas (G20-G25 position D fig. 17 or G30-G31 position E fig. 17); then refit the cap.
- Adjust the gas pressure at the burner, setting the values given in the technical data table for the type of gas used.
- Apply the sticker contained in the conversion kit, near the dataplate as proof of the conversion.

A Gas valve
B Decrease pressure
C Increase pressure
D Ignition “STEP” adjustment for G20-G25 NATURAL gas
E Ignition step adjustment for G30-G31 LIQUEFIED gas
1 Pressure point upstream
2 Pressure point downstream
3 Protection cap
4 Ignition STEP regulator
5 Protection cap
6 Pressure adjustment screw
Start-up
![]() | System start-up must be carried out by Qualified Personnel. Checks to be made at first lighting and after all maintenance operations that involved disconnecting from the systems or an operation on safety devices or parts of the boiler: |
Before lighting the boiler
- Open any on-off valves between the boiler and the systems.
- Check the tightness of the gas system, proceeding with caution and using a soap and water solution to detect any leaks in connections.
- Fill the water system and make sure all air contained in the boiler and system has been vented by opening the air vent valve on the boiler and any vent valves on the system.
- Make sure there are no water leaks in the system, domestic hot water circuits, connections or boiler.
- Check the correct connection of the electrical system.
- Make sure the unit is connected to an efficient earthing system.
- Make sure there are no flammable liquids or materials in the immediate vicinity of the boiler.
- Vent the air from the gas pipes by means of the gas valve pressure point 1 (fig. 17).
Lighting
Open the fuel on-off valves.
Connect the power to the unit.
For the next 120 seconds the display will show FH which identifies the heating system air venting cycle.
During the first 5 seconds the display will also show the card software release.
When the message FH disappears, the boiler is ready to operate automatically whenever domestic hot water is drawn or in case of a room thermostat demand.
![]() | If, after correctly carrying out the lighting procedures, the burners do not light and the message A01 appears on the display, wait about 15 seconds and then press the RESET pushbutton. The reset controller will repeat the lighting cycle. If the burners do not light after several of attempts, consult the “Troubleshooting” section. |
![]() | In case of a power failure while the boiler is working, the burners will go out and relight automatically when the power is restored. |
Checks during operation
- Make sure the fuel circuit and water systems are tight.
- Check the efficiency of the flue and fume ducts while the boiler is working.
- Make sure the water is circulating properly between the boiler and the systems.
- Check correct lighting of the boiler, by turning it on and off several times.
- Make sure the fuel consumption indicated on the meter matches that given in the technical data table on cap. 5.3.
- Check the correct delivery of domestic hot water with the ‘t given in the technical data table: do not trust measurements made with empirical systems. The measurement should be made with specific instruments and as close as possible to the boiler, also considering the heat loss from the pipes.
Maintenance
![]() | The following operations must only be carried out by Qualified Personnel. |
Seasonal inspection of the boiler and flue
It is advisable to have the following checks carried out at least once a year:
- The control and safety devices (gas valve, thermostats, etc.) must function correctly.
- The fume ducts must be clean and free of obstructions.
- The gas and water systems must be tight.
- The burner and exchanger must be clean. Follow the instructions in the next section.
- The electrodes must be free of scale and properly positioned (see fig. 21).
- The water pressure in the system when cold must be approx. 1 bar; otherwise bring it to that value.
- The expansion tank must be filled.
- The gas flow and pressure must correspond to that given in the respective technical data tables.
- The circulating pumps must not be blocked.
Opening the front panel
To open the front panel, see the sequence in fig. 18.
![]() | Before carrying out any operation inside the boiler, disconnect the electrical power supply and close the gas cock upstream. |

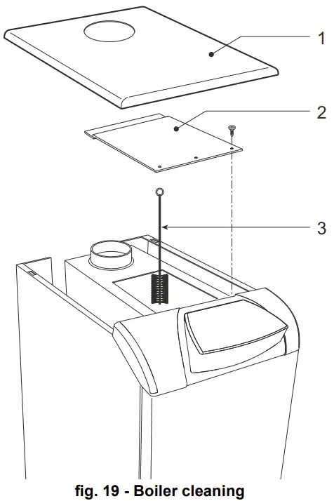
Cleaning the boiler and flue
To clean the boiler properly (fig. 19):
- Close the gas cock ahead of the boiler and disconnect the electrical power.
- Remove the front panel of the boiler.
- Lift the casing cover by pressing upwards.
- Remove the insulation placed over the anti-backflow device.
- Remove the fume chamber closing plate.
- Remove the burner assembly (see next section).
- Clean from the top downwards, using a flue brush.
- Clean the fume evacuation ducts between the cast iron elements of the boiler shell with a vacuum cleaner.
- Carefully refit all the previously removed parts and check the tightness of the gas circuit and the combustion ducts.
- During cleaning operations be careful not to damage the fume thermostat bulb at the back of the fume chamber.

- Casing cover
- Fume chamber closing plate
- Flue brush
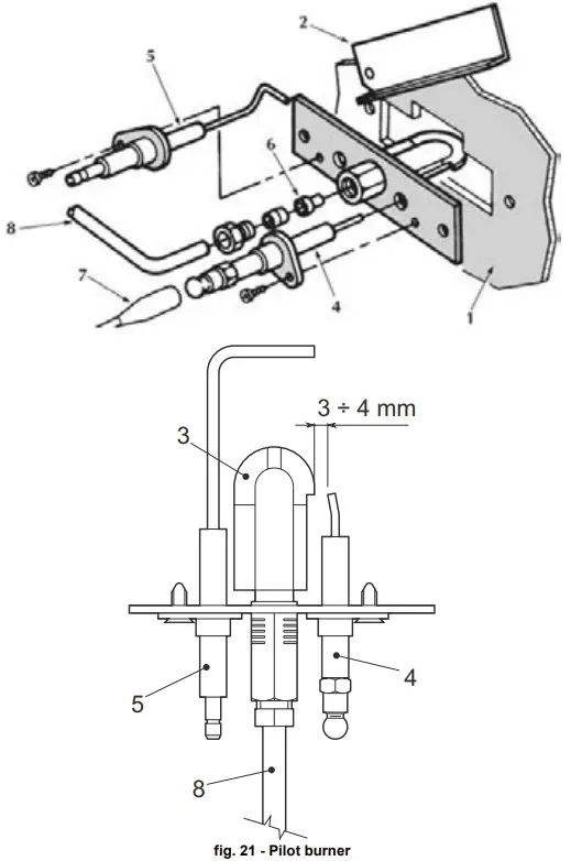
Removing and cleaning the burner assembly
To remove the burner assembly:
- Disconnect the electrical power supply and turn off the gas ahead of the boiler;
- Undo the nut fixing the gas supply pipe ahead of the gas valve;
- Undo the two nuts fixing the combustion chamber door to the cast iron elements of the boiler (fig. 20)
- Remove the burner assembly and combustion chamber door.
Then check and clean the main burners and pilot burner. Use a non-metal brush or compressed air to clean the burners; never use chemical products.
Pilot burner assembly
1 Combustion chamber door
2 Inspection door
3 Pilot burner
4 Ignition electrode
5 Detection electrode
6 Pilot nozzle
7 High voltage cable
8 Gas supply pipe
Troubleshooting
Diagnostics
The boiler is equipped with an advanced self-diagnosis system. In case of a boiler fault, the display will flash together with the fault symbol (detail 22 – fig. 1) indicating the fault code.
There are faults that cause permanent shutdowns (marked with the letter “A”): to restore operation, press the RESET button (detail 8 – fig. 1) for 1 second or use the RESET on the remote timer control (optional) if installed; if the boiler does not restart, it is necessary to firstly eliminate the fault.
Other faults cause temporary shutdowns (marked with the letter “F”) which are automatically reset as soon as the value returns within the boiler’s normal working range.
Table. 2 – List of faults
| Fault code | Fault | Possible cause | Cure |
| A01 | No burner ignition | No gas | Check the regular gas flow to the boiler and that the air has been eliminated from the pipes |
| Ignition/detection electrode fault | Check the wiring of the electrode and that it is correctly positioned and free of any deposits | ||
| Faulty gas valve | Check the gas valve and replace it if necessary | ||
| Ignition power too low | Adjust the ignition power | ||
| A02 | Flame present signal with burner off | Electrode fault | Check the ionization electrode wiring |
| Card fault | Check the card | ||
| A03 | Overtemperature protection activation | Heating sensor damaged | Check the correct positioning and operation of the heating sensor |
| No water circulation in the system | Check the circulating pump | ||
| Air in the system | Vent the system | ||
| F04 | Fume thermostat inter- venation (after intervention of the fume thermostat, boiler operation is pre- vented for 20 minutes) | Fume thermostat contact open | Check the thermostat |
| Wiring disconnected | Check the wiring | ||
| Flue obstructed or not correctly sized | Change the flue | ||
| Wiring fault | Jumper of terminals 12-13 not connected | Check the wiring | |
| A06 | No flame after the ignition phase | Low pressure in the gas system | Check the gas pressure |
| Burner minimum pressure setting | Check the pressures | ||
| F10 | Delivery sensor 1 fault | Sensor damaged | Check the wiring or replace the sensor |
| Wiring shorted | |||
| Wiring disconnected | |||
| F14 | Delivery sensor 2 fault | Sensor damaged | Check the wiring or replace the sensor |
| Wiring shorted | |||
| Wiring disconnected | |||
| F34 | Supply voltage under 170V | Electric mains trouble | Check the electrical system |
| F35 | Faulty mains frequency | Electric mains trouble | Check the electrical system |
| F37 | Incorrect system water pressure | System empty | Fill the system |
| Water pressure switch dam- aged or not connected | Check the sensor | ||
| F39 | External probe fault | Probe damaged or wiring shorted | Check the wiring or replace the sensor |
| Probe disconnected after activating the sliding temperature | Reconnect the external sensor or disable the sliding temperature | ||
| F40 | Incorrect system water pressure | Pressure too high | Check the system |
| Check the safety valve | |||
| Check the expansion tank | |||
| A41 | Sensor positioning | Delivery sensor disconnected from the pipe | Check the correct positioning and operation of the heating sensor |
| F42 | Heating sensor fault | Sensor damaged | Replace the sensor |
| F47 | System water pressure sensor fault | Wiring disconnected | Check the wiring |
| A48 | Gas valve fault | Gas valve wiring fault | Check the wiring |
| Faulty gas valve | Replace the gas valve | ||
| Card fault | Replace the card | ||
| A49 | Gas valve fault | Gas valve wiring fault | Check the wiring |
| Faulty gas valve | Replace the gas valve | ||
| Card fault | Replace the card |
TECHNICAL DATA AND CHARACTERISTICS
Dimensions, couplings and main components


7 Gas inlet – Ø 1/2”
10 System delivery – Ø 1” 1/2
11 System return – Ø 1” 1/2
44 Gas valve
126 Fume thermostat
246 Pressure transducer
273 Pilot light unit
275 Heating system drain cock
Loss of head
Pressure loss water side

to mbar
B Flowrate l/h
Technical data table
| Data | Unit | Value | Value | Value | |
| Models | 23 | 32 | 45 | ||
| Number of elements | kW | 3 | 4 | 5 | |
| Max. heating capacity | kW | 25.3 | 34.9 | 49.5 | (Q) |
| Min. heating capacity | kW | 10.1 | 14.9 | 19.7 | (Q) |
| Max. heat output in heating | kW | 23.0 | 32.0 | 45.0 | (P) |
| Min. heat output in heating | kW | 8.8 | 13.0 | 17.2 | (P) |
| Efficiency Pmax (80-60°C) | % | 90.9 | 91.7 | 90.9 | |
| Efficiency 30% | % | 91.3 | 91.5 | 91.6 | |
| Efficiency class Directive 92/42 EC | ![]() | ||||
| NOx emission class | 2 | 2 | 2 | ||
| Burner nozzles G20 | no. x Ø | 2×2.80 | 3×2.80 | 4×2.80 | |
| Gas supply pressure G20 | mbar | 20 | 20 | 20 | |
| Max. pressure downstream of gas valve G20 | mbar | 15 | 13 | 15 | |
| Min. pressure downstream of gas valve G20 | mbar | 2.5 | 2.5 | 2.5 | |
| Max. gas delivery G20 | m3/h | 2.68 | 3.69 | 5.24 | |
| Min. gas delivery G20 | m3/h | 1.07 | 1.58 | 2.08 | |
| Burner nozzles G31 | no. x Ø | 2×1.75 | 3×1.75 | 4×1.75 | |
| Gas supply pressure G31 | mbar | 37 | 37 | 37 | |
| Max. gas pressure at burner G31 | mbar | 35 | 31 | 35 | |
| Min. gas pressure at burner G31 | mbar | 6 | 6 | 6 | |
| Max. gas delivery G31 | kg/h | 1.98 | 2.73 | 3.88 | |
| Min. gas delivery G31 | kg/h | 0.79 | 1.17 | 1.54 | |
| Fume temperature Pmax | °C | 129 | 130 | 130 | |
| Fume temperature Pmin | °C | 95 | 94 | 95 | |
| Fume flow rate Pmax | g/s | 17.3 | 24.3 | 31.5 | |
| Fume flow rate Pmin | g/s | 15.0 | 23.0 | 28.3 | |
| Max. working pressure in heating | bar | 6 | 6 | 6 | (PMS) |
| Min. working pressure in heating | bar | 0.8 | 0.8 | 0.8 | |
| Max. heating temperature | °C | 95 | 95 | 95 | (tmax) |
| Heating water content | L | 9.1 | 11.6 | 14.1 | |
| Protection rating | IP | X0D | X0D | X0D | |
| Power supply voltage | V/Hz | 230/50 | 230/50 | 230/50 | |
| Electrical power input | W | 15 | 15 | 15 | |
| Empty weight | kg | 106 | 136 | 164 | |
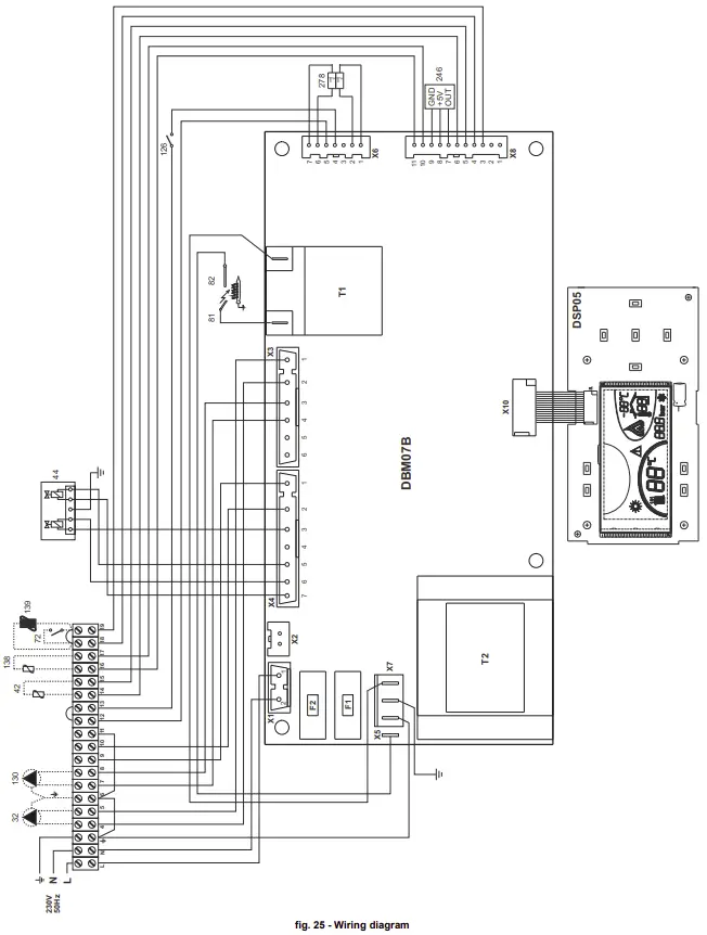
Wiring diagram

32 Heating circulating pump (optional)
42 DHW temperature probe (optional)
44 Gas valve
72 Room thermostat (not supplied)
81 Ignition electrode
82 Detection electrode
126 Fume thermostat
130 DHW circulating pump (optional)
138 External probe (not supplied)
139 Room unit (not supplied)
246 Pressure transducer
278 Double sensor (Safety + Heating)

























