Hawkeye 4K Split/Naked Cam
3D/Gyroflow V4
Owner’s Manual
Ver 1.0
4K Split V4.0 Naked Camera
- Low-latency TV output
- WDR
- Video repair
- RC trigger to capture
Safety Guidelines
Please read the instruction manual carefully before using the camera for the first time. Please check the latest version manual on our website.
- It’s a high-precision product, do not drop or crash it.
- Do not expose the camera to strong magnetic objects, such as magnets or electrical motors. Avoid exposing the product to strong radio waves. Strong magnetic fields may cause product breakdown or image/audio damage.
- Never leave the products exposed to high temperatures and direct sunlight.
- In case of overheating, smoke, or unpleasant smell, unplug your device immediately to prevent fire hazards.
- .Keep the product out of children’s reach. Power cables may cause children accidental suffocation or electric shock.
- .Keep the device in cool, dry, and dust-free places.
- Please do not throw the product or its battery into the garbage, find a specific recycling place for it.
Features


LED indicator
| LED | |
| 2.5K 4:3 | Red + Blue |
| 2.5K 50FPS | Red |
| 1080P 50FPS | Blue |
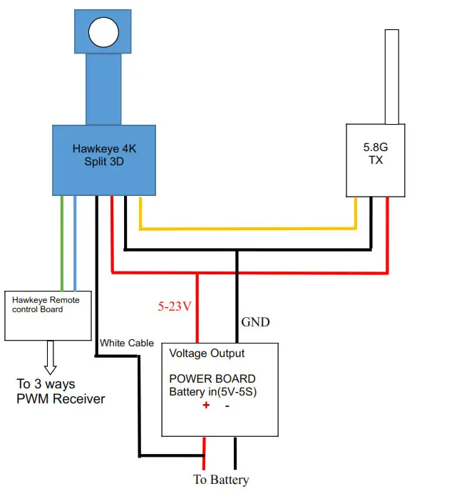
Wires:
Red: 5-23V DC input +
Black: GND
Yellow: Video Out
White: Battery detect (6-25v)
Blue: Video Trigger
Green: Photo trigger

Note: Never connect video/trigger port to power+!!!

Red Cable: Power+
Black Cable: GND
Yellow Cable: Video
White Cable: Battery Detect
Blue/Green Cable: Trigger
Video pin:

Performance and Specifications
| Resolutions | 4K 50FPS(4:3) 4K 30FPS/ 1080P 50FPS/ 2.5K 50/30FPS/ 2.5K 48/30FPS 4:3 | |
| AV output | PAL/NTSC PAL has lower latency! | |
| Micro SD card | U1 Sandisk recommend | |
| SD card supported | 8-128G | |
| Size | 38 ×38 MM 30.5×30.5 M4 holes | |
| Weight | 19g | |
| File format | *.MP4/H.265 | |
| Lens | F/2.0,7 glasses | |
| Angle | Diagonal 170 degrees | |
| Voltage | 7-25V | |
| Current | 500mA |
| Name | Functions | Description |
| Power/ OK Button | Power ON/OFF; Start/Stop Recording | Press Once to power on; Press once to start/stop recording after powering on. |
| Mode Button | Toggle between | Press and hold for 2 seconds to toggle different resolutions. |
Video Settings:
Resolution:4K 50/30fps、2.5K 50fps, 2.5K 48/30(4:3)fps, 1080p 50fps, 1080p 30fps. Note: High frame rates make the TV output more smooth! We advise to
use >=50fps for FPV!
Note: 4K 50FPS can’t log the gyro data!
Loop recording: Off、1、3 minutes. When the SD card is full, the video will be auto-loop recording. When the SD card is full, the video will be auto-loop recording. The oldest file will be deleted first.
WDR: Off、On. WDR effect will be On/Off. Note: When this function is turned on, the image will not become dark even toward the sun. The image would not look so clear if this function is ON sometimes. As an FPV cam, this function should be turned ON.
Exposure: +2.0、+5/3、+4/3、+1.0、+2/3、+1/3、0、-1/3、-2/3、-1.0、-4/3、-5/3、2.0.Note: Higher value for a brighter image. If you want a brighter image, set this value higher. If the image is overexposed, set the value to smaller.
Record Audio: Off、On.
Date Stamp: off、On. Set the date and time stamps on the video.
Time-lapse record: Off、0.05、0.1、0.5、1、3、5、10,30、60sec.Note: Time-lapse is a video recording mode that captures video at a very low frame rate: around one to two frames per second, although this depends on the length of the recording. When played back, time-lapse video is almost the opposite of slow motion. A higher value for shorter videos. There’s no voice in this mode.
Slow Motion: Off,720P 120. Slow motion (commonly abbreviated as slo-mo or slow-mo) is an effect in film-making whereby time appears to be slowed down.
Metering: Average、Center-weighted、Spot.
Sharpness: Strong、Normal、Soft.
Contrast: High、Medium、Low.
Auto Recording: Off、On.Note: The camera will turn on and record automatically without pressing a button. When you stop recording, you need to press the record button. When the power is suddenly cut off or the stop recording button is not pressed, the file will be damaged. You need to use the keyboard to enter the playback mode. When you play back the damaged file, the file will be repaired automatically.
Gyro log: off, on. Save the gyrolog and stable the image on PC.
Gyro calibration: Please place the camera horizontally and keep it safe still, press the OK button to start.
Snapshot in recording: Off、5、10、30sec. Video + photo mode.
Photo Settings
Resolution:60M、40M、24M、20M、16M、12M、10M、8M、5M.
Burst photo: Burst 3, Burst10.
Self Timer:2、5、10 sec.
Quality: Fine, Normal, Economy.
Sharpness: Strong、Normal、Soft.
Contrast: High、Medium、Low.
Date Stamp: Off、Date、Date&time. Set the daytime on the image
Exposure: +2.0、+5/3、+4/3、+1.0、+2/3、+1/3、0、-1/3、-2/3、-1.0、-4/3、-5/3、-2.0.
Metering: Average、Center-weighted、Spot.
System Settings
Date time setting. Set daytime.
Auto power off Off、1、2、3、5、 10 minutes.The camera will turn off when there’s no
operation.
Beep sound: Off、On。Set the beep sound on/off.
Language: Multi languages.
Frequency:50、60HZ. Light frequency indoor. When the video flickers indoors,
change this setting.
TV mode: PAL、NTSC. NTSC is 60fps, PAL is 50fps. NTSC is smoother than PAL.
TV Sacle:16:9、4:3、 4:3 Full. Adjust the TV output scale.
OSD Mode: Off、On. OSD on TV output.OSD on TV output. To disable the OSD, turn this Off.
Logo watermark: Off、On.
ISO: Auto、100、200、400、800、1600、3200. The term was carried over from film when the ISO rating was known as the “film speed” and “ASA.” Having a standard of
sensitivity is important, as it allows you to shoot the same ISO on different cameras and trust that the exposure value will be equal. Lower ISO, darker image, less noise.
Image effect: Color, Black&white, Sepia。
White balance: Auto、Daylight、Cloudy、Tungsten、Fluorescent、Diving mode。 White balance affects the image, warmer or cooler. Different Lens should use different white balances too. We recommend Hawkeye 4 for the stander lens.
White balance auto lock: When starting recording, the current white balance will be locked.
FOV: Large, Medium, Small. Field of view of the video. Crop the edges of the video to avoid capturing the propellers.
Image rotation: Off, On。 Turn the image upside down.
Format: Format the SD card.Note: format the SD card the first time, or the camera can’t recognize the SD card.
Default settings.if you have any questions, you can set it to default settings. Version. Version number. Check its newest firmware on www.CNfpv.com.
Triggers:
The trigger pins need to be connected to the trigger control cable. Scan to watch.
Note: Don’t connect the trigger pins to any power. If you want to control it by an MCU, connect it to a 3.3V GPIO through a 1K resistance.
Installation
A soft mount is needed between the camera and the drone frame. Use TPU Mount or 3M double-sided tape.
Record videos:
Please insert an SD card, then press the Power/OK button once to record. Please use a U1 speed SD card of at least(8-128G). Format the SD card in the camera for the first time.
Transferring Files
- Connect the camera to a computer via a micro USB cable or card reader, and then turn on the camera.
- Double-click “My Computer” and locate “Removable Disk”. Enter “Removable Disk” and you will find all photo and video files in the folder.
Update Firmware:
- Delete all the files and folders in the SD card(suggest:8G/16G).
- Download the bin firmware to the SD card.
- Insert the SD card into the camera.
- Power on the camera and it will update firmware automatically.
- When updating, the LED will flash.
- When the update process is finished, the LED will stop flashing.
- The camera will reboot again.
- Please check www.CNfpv.com for new firmware updates.
Firmware:
http://www.cnfpv.com/portal.php?mod=list&catid=52
Scan to watch how to update:
FCC STATEMENT
This equipment has been tested and found to comply with the limits for a Class B digital device, pursuant to Part 15 of the FCC Rules. These limits are designed to
provide reasonable protection against harmful interference in a residential installation. This equipment generates uses and can radiate radio frequency energy and, if not installed and used in accordance with the instructions, may cause harmful interference to radio communications. However, there is no guarantee that interference will not occur in a particular installation. If this equipment does cause harmful interference to radio or television reception, which can be determined by turning the equipment off and on, the user is encouraged to try to correct the interference by one or more of the following measures:
- Reorient or relocate the receiving antenna.
- Increase the separation between the equipment and the receiver.
- Connect the equipment to an outlet on a circuit different from that to which the receiver is connected.
- Consult the dealer or an experienced radio/TV technician for help.
Changes or modifications not expressly approved by the party responsible for compliance could void the user’s authority to operate the equipment.
This device complies with part 15 of the FCC Rules. Operation is subject to the following two conditions:
- This device may not cause harmful interference, and
- this device must accept any interference received, including interference that may cause undesired operation.
NOTE:
Check on www.CNfpv.com for new firmware/Manual updates.
For more information please check our
Youtube/Facebook/Instagram channel:
Hawkeye Firefly Official
| Youtube | |
![]() | ![]() |
| https://www.youtube.com/channel/UCiK3k7tLu_KV690G7mUhUWA/playlists?view_as=subscriber | https://www.facebook.com/HawkeyeFireflyOfficial/ |
Instagram
https://www.instagram.com/hawkeyefirefly_official/
Software down:
http://www.cnfpv.com/portal.php?mod=view&aid=234























