EGLO 35079 SESIMBRA Ceiling Fan
Safety instructions
Please read this manual carefully before attempting the assembly or installation of your new ceiling fan. To ensure a safe and successful installation, please make sure to read this manual, ensure it is on hand for your installer to refer to, and keep in a safe place for future reference.
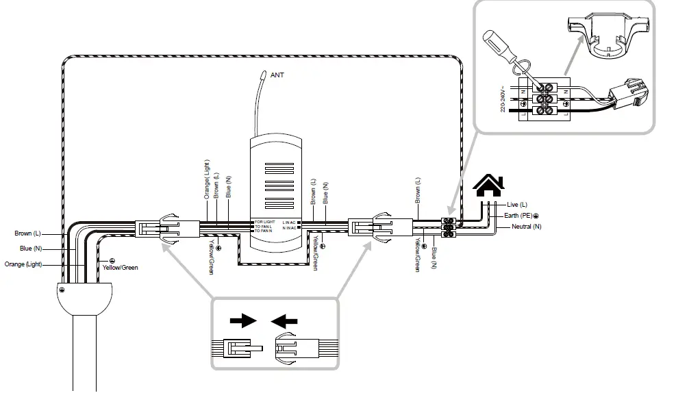
- ALL electrical work should only be carried out by a suitably qualified and licenced electrical contractor. This ceiling fan MUST be installed ONLY by a suitably qualified and licenced electrical contractor.
- This appliance can be used by children aged from 8 years and above and persons with reduced physical, sensory or mental capabilities or lack of experience and knowledge if they have been given supervision or instruction concerning use of the appliance in a safe way and understand the hazards involved. Children shall not play with the appliance. Cleaning and user maintenance shall not be made by children without supervision.
- Do NOT allow children to play with this appliance, and supervise children around electrical devises at all times.
- Before commencing any electrical work, ensure the power is disconnected and/or the mains switched off at the circuit box and ensure all pole isolation of the power supply.
- The fixing point for your ceiling fan must be capable of supporting a 45 kg load.
- Care needs to be taken to ensure the installation location does not allow the fan blades to come into contact with any object or surface. There must be a minimum of 30 cm clearance between the blade tip (end) and the nearest wall or object. Reduced clearances to walls or ceilings can also reduce the amount of air your fan can move.
- The installation must also allow for a minimum clearance of 2.3 m between the floor and the bottom of the blades.
- The fan must be earthed.
- The fan must be connected to a mains supply only. Fans connected to alternate power systems such as Solar, Wind, Battery, etc will not be covered under the terms of this warranty.
- Use ONLY the EGLO controller supplied with your fan. Use of non-standard or solid-state dimmer type controllers can cause inferior performance, and permanently induce a humming noise in your fan motor which cannot be repaired, and which will not be covered under warranty.
- Do NOT change the direction of your fan whilst it is spinning. ONLY change the direction after the fan blades have come to a complete stop.
- Do NOT insert any object into the fan blades whilst in operation, as this can cause damage to the fan, and personal injury.
- Do NOT use ceiling fans and gas appliances in the same room at the same time.
- Only globes specified on the products rating label are to be used in EGLO ventilation products.
- All EGLO products are warranted to be free from defects in Workmanship and materials provided the products are used with a voltage supply within the range the product is designed to operate.
- This ceiling fan is solely suitable for use in dry, closed indoor spaces. It is not suitable for use in bathrooms or other consistently damp areas. This product is only intended for private household use. Do not operate at temperatures over 40 °C (104 °F).
- EGLO lighting will not be liable for any advice given to the consumer from any of our suppliers or third parties, related or otherwise.
- Proper performance relies on the right fan being correctly installed in the optimum location. Fans that do not perform as expected and which are not faulty cannot be replaced or exchanged under warranty.
- The important safeguards and instructions in this manual are not designed to cover every possible condition or circumstance. It is understood that common sense, caution and care are factors that cannot be built into the product, those using and maintaining this product must supply these factors.
- WARNING: If unusual oscillating movement is observed, immediately stop using the ceiling fan and contact the manufacturer, its service agent, or suitably qualified persons.
- The replacement of parts of the safety suspension system device shall be performed by the manufacturer, its service agent, or suitably qualified persons.
- The mounting of the suspension system shall be performed by the manufacturer, its service agent or suitably qualified persons.
- The fan is to be supplied through a residual current device (RCD) having a rated residual operating current not exceeding 30 mm.
- The fan is considered to be suitable for use in countries having a warm damp equable climate. It may also be used in other countries.
HOW TO USE











SETTING























