EGLO 35082 Varadero Ceiling Fan and Light

![]() | Read the instructions! |
![]() | Observe warnings and safety information! |
![]() | Electricity |
![]() | Volts (alternating voltage) |
![]() | Watts (effective power) |
![]() | Dispose of the packaging and the product in an environmentally friendly manner! |
![]() | Protection class I |
![]() | For your safety |
![]() | This ceiling fan is solely suitable for use in dry, closed indoor spaces |
![]() | Hertz (frequency) |
![]() | Caution – hot surfaces! |
![]() | LED operating life |
![]() | Suitable for use in locations with a tropical climate |
![]() | This appliance is not suitable for dimmer or electronic switches |
Safety instructions
Notice
Please read this manual carefully before attempting the assembly or installation of your new ceiling fan. To ensure a safe and successful installation, please make sure to read this manual, ensure it is on hand for your installer to refer to, and keep in a safe place for future reference.
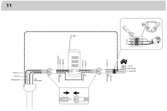
- ALL electrical work should only be carried out by a suitably qualified and licenced electrical contractor. This ceiling fan MUST be installed ONLY by a suitably qualified and licenced electrical contractor.
- This appliance can be used by children aged from 8 years and above and persons with reduced physical, sensory or mental capabilities or lack of experience and knowledge if they have been given supervision or instruction concerning use of the appliance in a safe way and understand the hazards involved. Children shall not play with the appliance. Cleaning and user maintenance shall not be made by children without supervision.
- Do NOT allow children to play with this appliance, and supervise children around electrical devises at all times.
- Before commencing any electrical work, ensure the power is disconnected and/or the mains switched off at the circuit box and ensure all pole isolation of the power supply.
- The fixing point for your ceiling fan must be capable of supporting a 45 kg load.
- Care needs to be taken to ensure the installation location does not allow the fan blades to come into contact with any object or surface. There must be a minimum of 30 cm clearance between the blade tip (end) and the nearest wall or object. Reduced clearances to walls or ceilings can also reduce the amount of air your fan can move.
- The installation must also allow for a minimum clearance of 2.3 m between the floor and the bottom of the blades.
- The fan must be earthed.
- 9The fan must be connected to a mains supply only. Fans connected to alternate power systems such as Solar, Wind, Battery etc will not be covered under the terms of this warranty.
- Use ONLY the EGLO controller supplied with your fan. Use of non-standard or solid-state dimmer type controllers can cause inferior performance, and permanently induce a humming noise in your fan motor which cannot be repaired, and wich will not be covered under warranty.
- Do NOT change the direction of your fan whilst it is spinning. ONLY change the direction after the fan blades have come to a complete stop.
- Do NOT insert any object into the fan blades whilst in operation, as this can cause damage to the fan, and personal injury.
- Do NOT use ceiling fans and gas appliances in the same room at the same time
- Only globes specified on the products rating label are to be used in EGLO ventilation products.
- All EGLO products are warranted to be free from defects in Workmanship and materials provided the products are used with a voltage supply within the range the product is designed to operate.
- This ceiling fan is solely suitable for use in dry, closed indoor spaces. It is not suitable for use in bathrooms or other consistently damp areas. This product is only intended for private household use. Do not operate at temperatures over 40 °C (104 °F).
- EGLO lighting will not be liable for any advice given to the consumer from any of our suppliers or third parties, related or otherwise.
- Proper performance relies on the right fan being correctly installed in the optimum location. Fans that do not perform as expected and which are not faulty cannot be replaced or exchanged under warranty.
- The important safeguards and instructions in this manual are not designed to cover every possible condition or circumstance. It is understood that common sense, caution and care are factors that cannot be built into the product, those using and maintaining this product must supply these factors.
- WARNING: If unusual oscillating movement is observed, immediately stop using the ceiling fan and contact the manufacturer, its service agent or suitably qualified persons.
- The replacement of parts of the safety suspension system device shall be performed by the manufacturer, its service agent or suitably qualified persons.
- The mounting of the suspension system shall be performed by the manufacturer, its service agent or suitably qualified persons.
- The fan is to be supplied through a residual current device (RCD) having a rated residual operating current not exceeding 30 mA.
- The fan is considered to be suitable for use in countries having a warm damp equable climate. It may also be used in other countries.
BOX CONTENT

Tool Requried

ASSEMBLY & MOUNTING INSTRUCTIONS




















CHANGING THE ILLUMINANT
Changing Illuminant: Before replacing the illuminant ensure that the light is notlive! Lights and illuminants will become hot in operation. Allow them to cool before a change. Use only the illuminant specified on the product. The maximum power per illuminant may not be exceeded. Also, if applicable, the prescribed illuminant type must be observed.
CLEANING
Cleaning: Use a soft brush or lint-free cloth to prevent scratching the finish. Surface smudges or an accumulation of dirt and dust can be removed by using a mild detergent and only a slightly dampened cloth. Do NOT use abrasive cleaning agents as they may damage the finish
MAINTENANCE
Maintenance: All EGLO ceiling fans need to be maintained regularly to maintain performance. Every 6 months, retighten ALL screws with a screwdriver. The repair or replacement of parts of the safety suspension system shall be performed only by the manufacturer, its service agent, or suitably qualified persons.
DISPOSAL

Do not dispose of electrical appliances as unsorted municipal waste, use separate collection facilities. Contact your local council for more information regarding the collection systems available. If electrical appliances are disposed of in landfills or dumps, hazardous substances can leak into the ground water and get into the food chain, damaging your health and well-being.
TECHNICAL DATA
| Item number: | 35082/35083 |
| Operating voltage: | 220-240 V~ 50 Hz |
| Total output: | 55W(motor), 2x7W max |
| Rotational speed: | 225 rpm |
| Dimensions: | Height: 14,88 in (37,8 cm) |
| Fan diameter: | 48 in (122 cm) |
| Weight: | 16 lb (7,3 kg with packaging) |
DECLARATION OF CONFORMITY
EGLO GmbH declares that the product 35082/35083 and the supplied remote control comply with Directive 2014/53 / EU. The full text of the EU declaration of conformity can be found at the following Internet address: www.eglo.com
EGLO LEUCHTEN GMBH
Heiligkreuz 22
6136 Pill
Austria
www.eglo.com
































