Altronix ALSD2 Siren Drivers

Overview
ALSD1 and ALSD2 are high output, very low current draw dual channel siren drivers designed to work with alarm panels with limited current capability.
Specifications
Operation
- 6VDC or 12VDC operation.
- Parallel or series speaker wiring
- 113 db @ 10’ @ 6V – 8 Ohms
- 115 db @ 10’ @ 6V – 4 Ohms
- 116 db @ 10’ @ 12V – 8 Ohms
- 120 db @ 10’ @ 12V – 4 Ohms
Additional Features
- Two (2) channel operation – steady or yelp.
- Very low current draw.
Board Dimensions (W x L x H approx.)
- ALSD1:
3” x 2.5” x 1.125” (72.6mm x 63.5mm x 28.6mm) - ALSD2:
2.5” x 1.9” x 1.1” (63.5mm x 48.3mm x 27.9mm)
Current Draw/Load Table
| Voltage | Current Draw | Load | |
| ALSD1 | ALSD2 | ||
| 6V | 0.48A | 0.3A | 8 Ohms |
| 6V | 0.50A | 0.61A | 4 Ohms |
| 12V | 0.92A | 0.55A | 8 Ohms |
| 12V | 1.86A | 1.22A | 4 Ohms |
Installation Instructions
- Mount the SirenDriver in desired location (mounting hardware included).
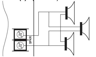
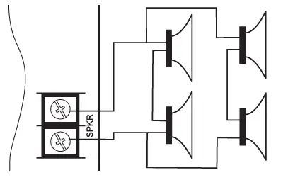
- Connect 4 Ohm or 8 Ohm speakers to terminals marked [SPKR] (Figs. 1, 2 below). See suggested speaker wiring diagrams below.
- Connect 6VDC to 12VDC from output terminals on control panel or other desired power source (observing polarity) to [GND] and [STY+] or [YLP+] on siren driver.
Note: Steady tone overrides yelp tone if both channels are triggered simultaneously.
Typical Speaker Wiring Diagrams
Two (2) Speakers, 8 Ohms each

Three (3) Speakers, 8 Ohms each

Four (4) Speakers, 4 or 8 Ohms each

Two (2) Internal/External Hook-up

Fusing External Speakers:
Speakers that are accessible from outside the building should have a 2.5A fuse placed in series with the speaker leads so that any attempt to short the speaker leads will blow the fuse on that speaker while other speakers will continue to operate.
Altronix is not responsible for any typographical errors.


















