
SECURITY DOOR CONTROLS
WWW.SDCSECURITY.COM
[t] 800.413.8783 805.494.0622
E-mail: [email protected]
801 Avenida Acaso, Camarillo, CA 93012
PO Box 3670, Camarillo, CA 93011
INSTALLATION INSTRUCTIONS
474MU
TOUCHLESS SENSE SWITCH w/ MANUAL OVERRIDE BUTTON
Installation & Operation

NOTE: The SDC 474MU must be mounted to a single-gang electrical back box or plaster ring. All national and local codes must be followed in the installation of the 474MU.
- It is not necessary to remove the back cover. All connections should be terminated to the provided 5-pin wire harness.
- Feed the low voltage wiring through the wall to the backbox.
- Connect the wires to the wiring harness using twist-on wire connectors, crimp connectors, or another acceptable connector (see page 2 for typical wiring examples).
- Mount the stainless steel faceplate onto the backbox using the two supplied screws. Be careful not to pinch any wires when mounting the device.
- Apply 12 or 24 VDC power to the device. The LED indicator ring will turn RED.
- Test for proper activation by placing a hand within a few inches of the sensor. The LED sensor ring will change from RED to GREEN, and the relay will activate.
- If necessary, adjust the read range of the sensor by carefully turning the blue potentiometer visible through the rear cutout of the 474U.
Features & Applications
- Uses Active IR sensor technology; the device is activated with the simple wave of a hand
- Designed to control electric locks/strikes, magnetic locks
- Latching manual button will override lock power in the event of loss of power or sensor switch failure
- Ideal for use in cleanrooms, hospitals, labs, schools, or offices
- Adjustable sensing ranges from 2″ up to 7″
- Mounted on a durable stainless steel plate
- Dual LED, the illuminated sensor indicates the status
- 8-inch color-coded wire harness for easy installation.
Specifications
| Input Voltage | 12 or 24VDC | |
| Current @ 2142vVDD2 | 36mA Standby 45mA Active | |
| Contact Rating (Switch or Button) | (1) Form C Relay, 3A@30VDC (Resistive) | |
| LED Color | Standby | Red |
| Active | Green | |
| Read Range | Adjustable (2″-7″) | |
| Output Activation Time | 1 Second or as long as the sensor is triggered | |
| Operating Temp. | -4deg F — 131deg F (-20C — 55C) | |
| Weight | 4 oz. (113q) | |
| Dimensions | 4.5″ X 2.75″ x 1.375″ | |
Dimensions
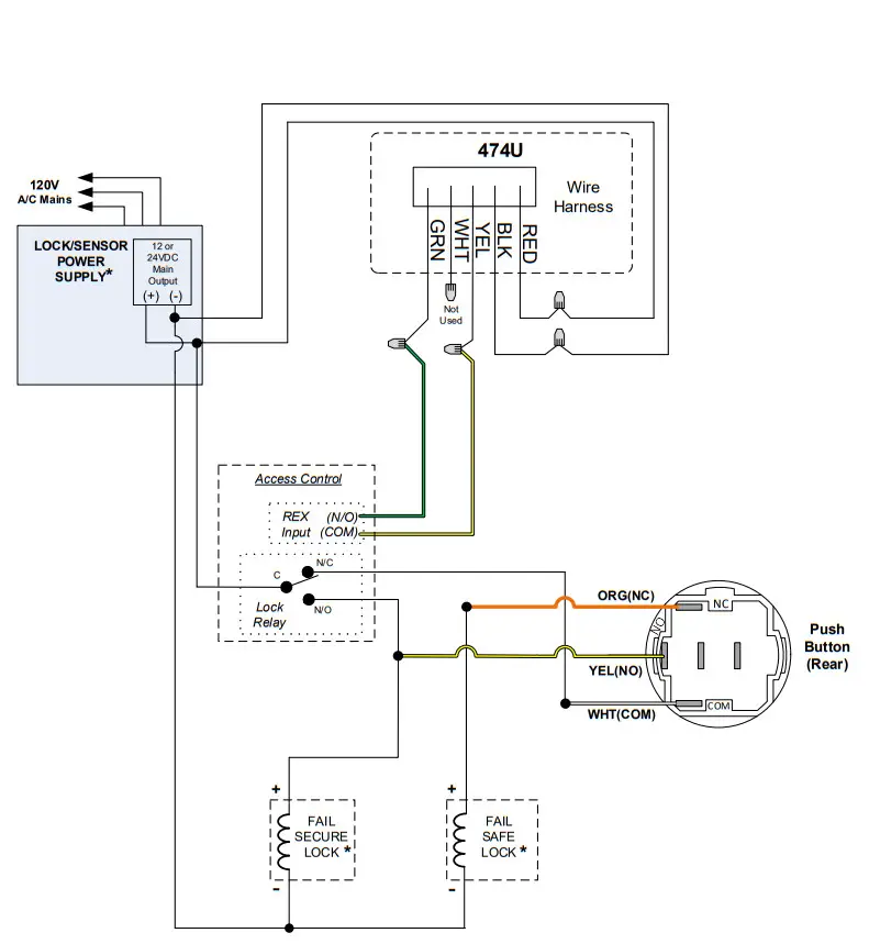
Wiring Details

Read Range Adjustment
NOTE: Carefully use a small Phillips head screwdriver to turn the blue pot, ¼ turn at a time

Any suggestions or comments on this instruction or product are welcome. Please contact us through our website or email [email protected]
Typical Wiring Example
Using the 474U as a Request-to-Exit (REX) device in an access control system.

- NOTE(s):
*Refer to manufacturer’s installation instructions for Power Supply, Access Control & Locking Hardware wiring. The lock input voltage shown is the same as the power supply output.
P:\INST INSTRUCTIONS\PUSH AND KEY SWITCH\INST-474MU
Rev B
02-21


















