sargent and greenleaf 2890 High Security Door Lock Drilling Templates

Product Information S&G 2890 High Security Door Lock Drilling Templates
The S&G 2890 High Security Door Lock Drilling Templates are used to install high-security door locks on doors. The templates are available for different strike mounting applications and include templates for exterior and interior mounting, as well as various strike options.
Before You Begin
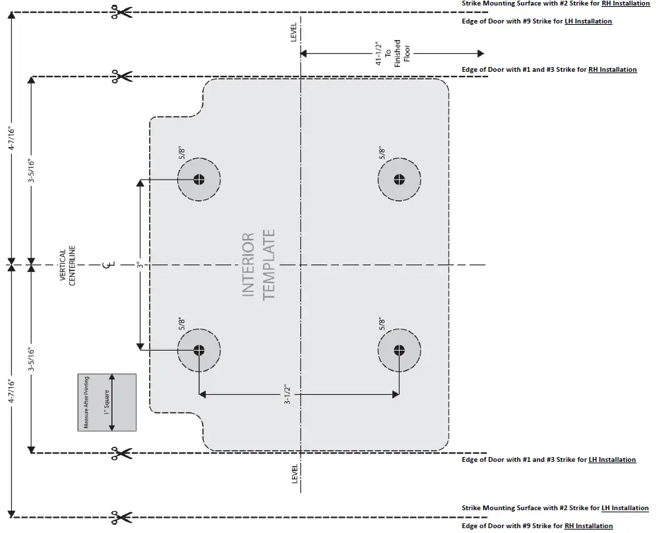
Before beginning the installation process, identify the strike mounting for your specific application. Use the vertical centerline dimension from the template to mark the door and measure and mark 41-1/2 inches from the finished floor. Align the template to the vertical and horizontal reference marks on the door and adjust, level, and tape it to the door. Center punch all holes on the exterior template and align the center hole of the strike to the centerline mark on the jamb. The S&G 2890 accommodates right-hand and left-hand, in-swing and out-swing doors. A single model can be used for any of these applications. Be sure to order a unit with the correct strike for your particular application. The S&G 2890 should only be mounted on a door that is level, plumb, and square in its frame.
The door should be equipped with a properly functioning closer that closes the door smoothly and completely with no assistance. Correct all door deficiencies before proceeding. The S&G 2890 is designed for doors between 1-3/8” to 2” thick. A kit is available from Sargent and Greenleaf for thicker doors.The S&G 2890 is a surface mounted automatic door deadbolt. It has tight mounting tolerances, and is best fitted to doors already installed and properly adjusted in the area where they will be used. Any uncorrected door and/or hardware problems will likely complicate the lock installation and result in unsatisfactory operation. Measure precisely for accurate alignment between inside and outside assembly. Misalignment could cause device malfunction. Some doors, i.e. sound seal, may require special adapters for strike mounting. These should be obtained from the door manufacturer
Product Usage Instructions
- Align the appropriate template to the door and tape it in place once properly aligned and leveled.
- Center punch all holes on the exterior template and remove it.
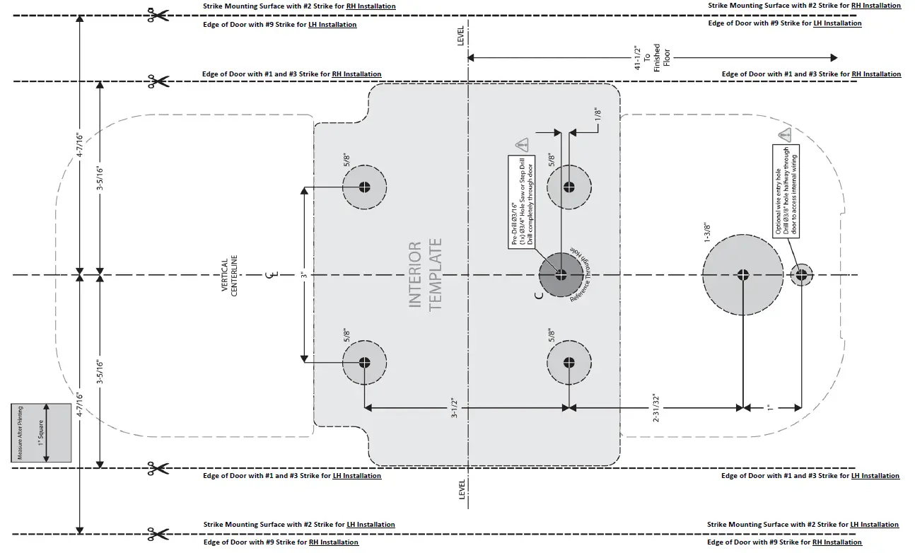
- Pre-drill holes halfway through the door to size indicated, using a step drill for heavy gauge metal doors or doors with internal reinforcements.
- Pre-drill hole C all the way through the door.
- Pre-drill remaining 3/16 holes halfway through the door.
- Remove the template and repeat steps 2-5 for the interior template if necessary.
- Ensure that all holes align with those drilled from the opposite side of the door.
- Install the appropriate strike for your specific application, ensuring that it engages the lock and that the mounting surface is sturdy.
- Some doors may require strike brackets to reinforce the mounting surface or to clear door seals.
Following these instructions will ensure that your S&G 2890 High Security Door Lock is installed correctly and securely.
Strike Mounting
Identify strike mounting for this application

Interior Side of Door
- Use the vertical centerline dimension from template to mark door from referenced edge. Measure and mark 41-1/2″ from finished floor.
- Align template to vertical and horizontal reference marks on door.Adjust, level, and tape template to door.
- Align center hole of strike to the centerline mark on jamb and verifythat it will engage the lock. Make sure that the mounting surface issturdy. NOTE: Some doors will require strike brackets to reinforcethe mounting surface or to clear door seals.
- Center punch all holes on template.
- Remove template and pre-drill hole C ALL THE WAY through door.
- Pre-drill remaining 3/16” holes HALFWAY through door

Exterior Side of Door
- Punch a hole in exterior template at hole C.
- Align hole C to the reference through-hole centerlines previously drilled through the door. Tape template to door once properly aligned and leveled.
- Center punch all holes on exterior template.
- Remove template and pre-drill holes HALFWAY through door.
NOTE: These new holes should align with the holes drilled on theopposite side of door.

- Drill holes HALFWAY through both interior & exterior of door to sizeindicated. Drill hole B 1-3/8″ HALFWAY through both interior &exterior of door. NOTE: On heavy gauge metal doors, or doors withinternal reinforcements, a step drill can be more effective.
- These new holes should be through-holes when finished drilling andshould align with holes drilled from opposite side.
Mounting Template – Primary Entrance

Secondary Exit Only

Secondary Entrance

Primary Entrance

Exterior Mounting Template – Secondary Entrance

Exterior Mounting Template – Secondary Exit Only

SG-LIT-TEMPLATE-INSTALLGUIDE-2890C REV12/17/2020

















