DOMETIC FT7000P Pro-Pedal Foot Throttle Instruction Manual

WARNING
Cancer and Reproductive Harm www.P65Warnings.ca.gov
REVISION 2 Form No. IS-FT7000 02/22 | ©2022 Dometic Corporation
Service Center & Dealer Locations Visit: www.dometic.com
Please read these instructions carefully and follow all instructions, guidelines, and warnings included in this product manual in order to ensure that you install, use, and maintain the product properly at all times. These instructions MUST stay with this product.
By using the product, you hereby confirm that you have read all instructions, guidelines, and warnings carefully and that you understand and agree to abide by the terms and conditions as set forth herein. You agree to use this product only for the intended purpose and application and in accordance with the instructions, guidelines, and warnings as set forth in this product manual as well as in accordance with all applicable laws and regulations. A failure to read and follow the instructions and warnings set forth herein may result in an injury to yourself and others, damage to your product, or damage to other property in the vicinity. This product manual, including the instructions, guidelines, and warnings, and related documentation, may be subject to changes and updates. For up-to date product information, please visit www.dometic.com.
1 Explanation of Symbols and Safety Instructions
This manual has safety information and instructions to help you eliminate or reduce the risk of accidents and injuries.
1.1 Recognize Safety Information
This is the safety alert symbol. It is used to alert you to potential physical injury hazards. Obey all safety messages that follow this symbol to avoid possible injury or death.
1.2 Understand Signal Words
A signal word will identify safety messages and property damage messages, and also will indicate the degree or level of hazard seriousness.
WARNING Indicates a hazardous situation that, if not avoided, could result in death or serious injury.
NOTICE: Used to address practices not related to physical injury.
Indicates additional information that is not related to physical injury.
1.3 Supplemental Directives
To reduce the risk of accidents and injuries, please observe the following directives before proceeding to install this product:
- Read and follow all safety information and instructions.
- Read and understand these instructions before installing this product.
- The installation must comply with all applicable local or national codes, including the latest edition of the following standards:
U.S.A. American Boat and Yacht Council (ABYC)
1.4 General Safety Messages
WARNING: LOSS OF CONTROL HAZARD. Failure to obey the following could result in death or serious injury:
- Use only Dometic replacement parts and components that are specifically approved for use with the product.
- Avoid improper installation, adjustment, alterations, service, or maintenance of the product.
- Do not modify this product in any way. Modification can be extremely hazardous.
2 Intended Use
The Pro-Pedal Throttle, hereinafter referred to as engine control, provides mechanical throttle operation for inboard, outboard, inboard/outboard, and sterndrive engines. The installer-provided control cables, hereinafter referred to as cables, connect the engine control to the boat engine. Inboard/outboard and sterndrive engines are hereinafter referred to as I/O engines. This engine control is only suitable for the intended purpose and application in accordance with these instructions.
This manual provides information that is necessary for the proper installation of the engine control. Poor installation and/or improper operating or maintenance will result in unsatisfactory performance and a possible failure. The manufacturer accepts no liability for any injury or damage to the product resulting from:
- Incorrect assembly or connection
- Incorrect maintenance or use of spare parts other than original spare parts provided by the manufacturer
- Alterations to the product without express permission from the manufacturer
- Use for purposes other than those described in this manual
Dometic reserves the right to change product appearance and product specifications.
3 General Information
This section provides general information about the engine control and its components.
Dometic recommends the installation and use of an emergency ignition interrupt. This switch should be connected by a cord to the boat driver. Should the driver be thrown from the helm position, the engine will automatically shut off. This switch can be obtained from most marine dealers and distributors.
The images used in this document are for reference purposes only. Components and component locations may vary according to specific product models. Measurements may vary ±0.38 in. (10 mm).
3.1 Compatibility
This engine control is compatible with engines from the following manufacturers.

3.2 Component Dimensions
This section provides the general dimensions of the rear, top, and front mounted engine controls.

1 Rear (Stern) Mount Engine Control Dimensions

2 Top (Gunwale) Mount Engine Control Dimensions

3.3 Tools and Materials
Dometic recommends that the following tools and materials be used while installing the engine control.


4 Pre-installation
WARNING: ELECTRIC SHOCK HAZARD. Failure to obey these warnings could result in death or serious injury.
- Disconnect the power before performing any installation or maintenance activities.
- Before cutting or drilling, check under the deck and make sure there is sufficient clearance and space around any wires, tubes, pipes, and other obstructions.
This section describes the activities to complete prior to installing the engine control.
4.1 Planning the Cable Routing
Dometic Xtreme™ cables are recommended, however the engine control is compatible with many current 3300/33C, OEM cables.
Consider the following when planning where to route the cable:
Cable Placement
- Do not install the cable in areas of excess heat such as on, or close to, exhaust manifolds where temperatures may exceed 212 °F (100 °C).
- Do not rest the cable on sharp edges that could cause chafing.
Bend Radius
- When routing the cable, select a path with a minimum number of bends, making the bends as large as possible.
- Sharp or frequent bends will result in difficult throttle control, loss of motion, and premature cable wear.
- Do not make bends of less than the recommended minimum bend radius.

Supporting the Cable
- Do not bundle the cable together with electrical wiring.
- Do not tie or clamp the cable within 36 in. (91 cm) of the engine control.
- When supporting the cable beyond 36 in. (91 cm) of the engine control, the cable should be loosely clamped or tied for support at regular intervals.
4.2 Determining the Cable Length
One cable is required to install the engine control. To determine which length cable to use, measure the cable routing path appropriate to the engine type.
4.2.1 Measuring the Cable Routing for an Outboard Engine

- Measure from the engine control connection along an unobstructed cable routing to the center of the outboard engine.
- Add 4 ft to the measurement to allow for a loop to provide unrestricted engine movement.
- Round the resulting measurement up to the nearest whole foot.
- Use this measurement to obtain the correct length cable.
The last two digits of a Dometic cable part number equals the length of the cable in feet.
4.2.2 Measuring Cable Routing for an Inboard or I/O Engine

- Measure from the engine control connection along an unobstructed cable routing to the throttle connection.
- Round the resulting measurement up to the nearest whole foot.
- Use this measurement to obtain the correct length cables.
The last two digits of a Dometic cable part number equals the length of the cable in feet.
4.3 Preparing the Mounting Location
This section describes how to plan and prepare the engine control mounting location.
4.3.1 Planning the Mounting Location
To ensure the best performance, the free operation of the pedal and all its connections is essential.
Consider the following when planning where to mount the engine control:
- Allow adequate clearance for the full range of pedal movement at any position on the slide mount (if one is used) and for the operator to comfortably position their leg.
- Allow adequate clearance under the deck for the cable.
- Allow a minimum of 36 in. (914 mm) from the cable nest connection with no restraint.
4.3.2 Preparing the Mounting Opening
If replacing an engine control, refer to the manufacturer’s instructions for removing the existing engine control, then compare the mounting template to the existing opening and modify as required.
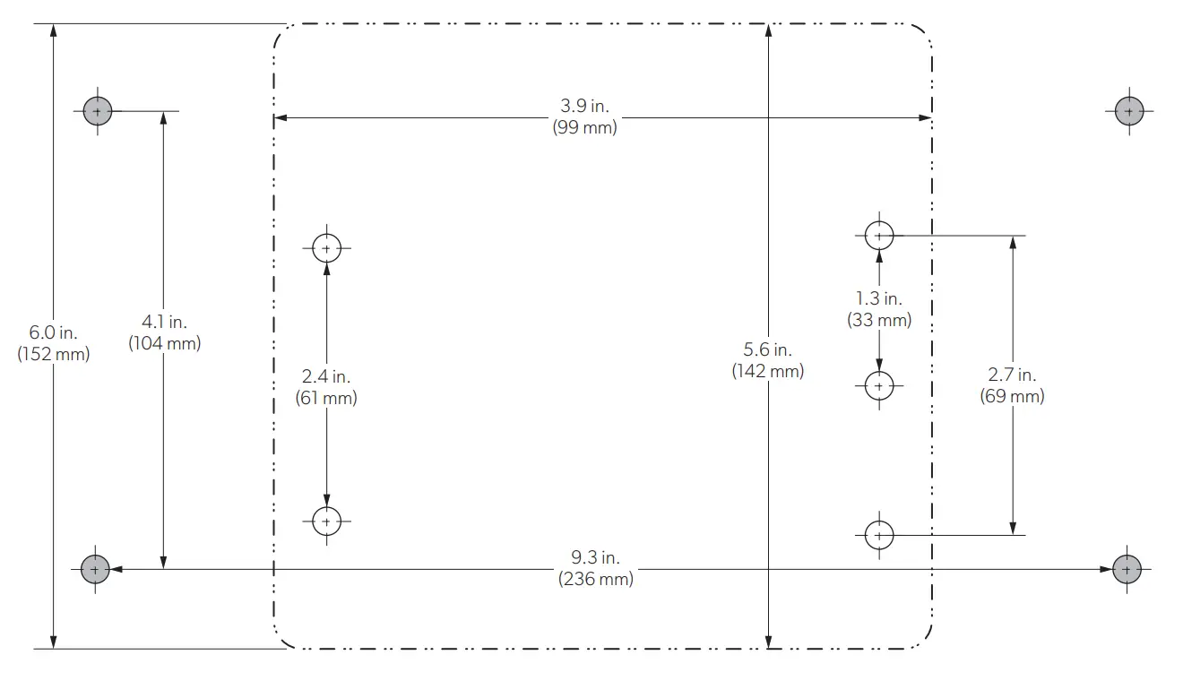
Use the mounting template to cut and drill the required mounting openings. See “Mounting Template” on page 15.
5 Installation
Refer to the manufacturer’s instructions for cable direction, adjustments, and lubrication. This section describes how to install the cable and mount the engine control.
5.1 Connecting the Cable to the Engine Control
Push and pull refer to the direction of the cable motion to open the throttle. 1. Determine where to connect the cable to the throttle wheel according to the cable entry direction.
– For rear entry cable connections, see Figure 7.
- For top entry cable connections, see Figure 8.
– For front entry cable connections, see Figure 9.

Rear Entry Cable Connections

Top Entry Cable Connections


Front Entry Cable Connections

- Throttle Wheel
- Cable Bearing
- Mercury Cable
- BRP/OMC Cable
- Gen II Cable
- 3300/33C Red Eye Terminal
- Screw
- Cable Fitting
- Lock Nut
- 30 Series Clip
- Mercury Gen 2 Clip
- Trunnion
- Clip Slot
- Position the cable bearing with the wide end facing the throttle wheel.
- Fit the cable end over the narrow end of the cable bearing.
- Secure the end of the cable and cable bearing to the throttle wheel with the screw.
- If using a 3300/33C cable, do the following:
a. Screw on the red eye terminal. Ensure that threads are seen in the middle of the terminal.
b. Tighten the lock nut against the red eye terminal to lock it in place. - If using a Mercury Gen 2 or 30 series clip, do the following:
a. Attach the clip to the cable with the label side of the clip facing the throttle wheel.
b. Insert into the clip slot on the throttle wheel.

- Inner Cover
- Trunnion
- Cable
7. If using a cable with a trunnion, insert the trunnion into the inner cover.

- Flat-Head Phillips Screw
- Outer Cover
- Pan-Head Phillips Screw
8. Secure the outer cover with the flat-head Phillips screws starting with the middle screw.
9. Screw in the pan-head Phillips screw.
5.2 Connecting the Cable to the Engine
NOTICE: The cable must be disconnected from the engine before making engine idle adjustments. Adjusting the engine idle while the throttle cable is connected to the engine may cause jamming action against the idle stop, causing the engine control to not function properly, resulting in damage to the engine control, the cable, and the engine.
To prevent hard shifting, the cable must be free of load (no load) when the throttle lever is in the idle position.

- Idle Stop
- Engine Throttle Lever
- Cable Terminal
- Throttle Cable2
1 Figure represents generic engine.
2 3300/33C throttle cable shown
- Make sure the engine control is in idle.
The engine throttle lever should rest lightly against the idle stop on the carburettor. - Connect the cable to the engine throttle lever.
- If using 3300/33C cables, tighten all lock nuts against the adapters.
5.3 Mounting the Engine Control
This section describes how to mount the engine control based on its model.
The cables should be installed on the engine control prior to mounting.
- If using a slide mount, do the following:
a. Screw the slide mount securely to the deck of the boat in the preselected mounting location. See “4.3.1 Planning the Mounting Location” on page 7.
b. Slide the engine control into the slide mount making sure the engine control is seated in both sides of the slide mount grooves.
c. Slide to desired position and verify that the spring-loaded pin has locked in place. See “6.1 Slide Mount Adjustment” on page 11. - If mounting directly to the deck, do the following:
a. Position the engine control in the preselected mounting location.
b. Use the slide mount screws to secure the engine control to the boat deck.
6 Adjusting the Engine Control
NOTICE: Turn off the boat engine and place the gear shift in neutral prior to making adjustments to the engine control.
The section describes how to adjust the pedal position, wide open throttle end stop, torsion spring, and idle position.
6.1 Slide Mount Adjustment
This section describes how to adjust the slide mount to allow the pedal to be comfortably operated by different people.
- Turn off the engine and shift into neutral.
- Pull up on the spring-loaded pin.
- Slide the pedal assembly forwards or backwards until it is in the desired position.
- Release the spring-loaded pin. It will automatically lock the pedal assembly in place.
6.2 Wide Open Throttle End Stop Adjustment
This section describes how to adjust the wide open throttle end stop to prevent over traveling the pedal and placing stress on the throttle cable and throttle body during wide open throttle operation.

- Turn off the engine and shift into neutral.
- Turn the end stop adjustment screw clockwise to decrease the arc the pedal travels to reach the wide open throttle position.
6.3 Torsion Spring Adjustment
This section describes how to fine tune the pressure on the spring that returns the pedal to the idle position.

- Turn off the engine and shift into neutral.
- Turn the torsion spring adjustment screw counter clockwise to reduce the pressure on the spring and soften the pedal return.
6.4 Idle Adjustment
NOTICE: To prevent damage to the transmission, ensure that the engine is at idle before shifting into forward or reverse.
This section describes how to adjust the idle adjustment screw to prevent over traveling of the pedal while at idle.

(1) Pedal
(2) Idle Adjustment Screw
- Turn off the engine and shift into neutral.
- Turn the idle adjustment screw clockwise to lower the pedal’s starting idle position.
7 Maintenance
WARNING: CONTROL HAZARD. Failure to obey these warnings could result in death or serious injury.
- The loosening or separation of one or more fasteners may cause the failure of the engine control system.
- Do not cover cracks in a cable with tape or other sealants. Doing so may cause the cable to fail without warning.
- Use only Dometic replacement parts and components that are specifically approved for use with the product.
The maintenance and cleaning instructions provided in this section should be performed at the intervals indicated, or as needed, depending on the use of the product. Failure to properly maintain the product may void the warranty and could result in unsafe operation. Preventive maintenance is not covered under the warranty. - After a few hours of operation and at frequent intervals thereafter, check all fasteners and the complete engine control system for secureness and integrity.
- Keep all moving parts free from the build-up of salt and other foreign material. This will affect their operation and create control problems.
- Periodically inspect the engine control for corrosion. Replace any parts affected by corrosion.
- Periodically inspect the cables for cracks and other damage. If any are found, replace the cable.
- Check the cables. If a cable is stiff during operation, replace it immediately.
- Periodically treat exposed metal components with a MARINE GRADE WAX.
8 Disposal
Place the packaging material in the appropriate recycling waste bins, whenever possible. Consult a local recycling center or specialist dealer for details about how to dispose of the product in accordance with all applicable national and local regulations.
9 Warranty Information
LIMITED TWO-YEAR WARRANTY AVAILABLE AT WWW.SEASTARSOLUTIONS.COM/SUPPORT-2/WARRANTY-2/SEASTAR-SOLUTIONS-WARRANTY.
IF YOU HAVE QUESTIONS, OR TO OBTAIN A COPY OF THE LIMITED WARRANTY FREE OF CHARGE, CONTACT:
DOMETIC CORPORATION: SEASTAR SOLUTIONS 640 NORTH LEWIS ROAD LIMERICK, PENNSYLVANIA 19468 1-610-495-7011
[email protected]
INSTALLER: THESE INSTRUCTIONS CONTAIN IMPORTANT SAFETY INFORMATION AND MUST BE FORWARDED TO MARINE CRAFT OWNER.
10 Mounting Template
NOTICE: The following template is provided for informational purposes and is not to scale. Check all the dimensions before cutting or drilling.



CONTACT US
dometic.com/en-us/terms-and-conditions-consumer/contact-us
A complete list of Dometic companies, which comprise the Dometic Group, can be found in the public filings of: DOMETIC GROUP AB Hemvärnsgatan 15 SE-17154 Solna Sweden

















