Neomounts FPMA-HAC100 Medical Ceiling Mount Instruction Manual

BEFORE STARTING ASSEMBLY
- Please read this manual thoroughly, before assembling the product.
- Some drawings are enlarged to clarify the steps.
- Do not discard any of the packaging until you have checked all the parts.
- If you are missing any of the parts, please contact your supplier.
Note Only if required, all fastening hardware can be replaced by the installer at their own risk, based on the requirements of the ceiling composition; Remounts shall not be held liable if any fastening hardware supplied by third parties fails to sufficiently secure the ceiling mount to the ceiling.
Cleaning recommendations
- Please use non-abrasive or diluted products to clean the plastic components of this product, such as soap water or diluted alcohol.
- Use a soft cloth with 91% isopropyl alcohol to remove pen or marker spots on the surface of the arm.
- For any other stains like iodine spots, a soft cloth with above cleansers is suggested for cleaning.
- The following chemicals are strictly forbidden to use cleaning the arm: abrasive cleansers, acetone, mineral spirits, paint thinner or any other harsh or toxic chemicals.
THE INSTALLATION SHOULD BE PERFORMED BY A QUALIFIED TECHNICIAN AND SHOULD MEET THE REQUIREMENTS OF LOCAL REGULATIONS
PARTS


ARM OPERATION

POSITIONING
Right view Unit: mm

SERVICEABLE RANGE


CEILING ASSEMBLY


STEP 1
Install the ceiling mount firmly to a solid ceiling
- Disassemble the ceiling mount and the adjustable pole.
- Choose the exact place you want to fix the ceiling mount on the ceiling and mark the drill holes.
- Drill 4 expansion bolts into the ceiling and place the 4 holes of the ceiling mount into the 4 expansion bolts. Recommended drill bit size: diameter Ø2,7 mm/ depth 60 mm ±20
- Lock the bolts with 4 washers and 4 nylon nuts.

STEP A
Install the ceiling cover
If the upper pole hangs below a suspended ceiling, remove the ceiling cover spacer and push the ceiling cover up to the ceiling. Insert the two screws using the supplied Allen key to secure.

STEP B
Install the ceiling cover
If the lower pole hangs below a suspended ceiling, push the ceiling cover with ceiling cover spacer up to the ceiling. Insert the two screws using the supplied Allen key to secure.

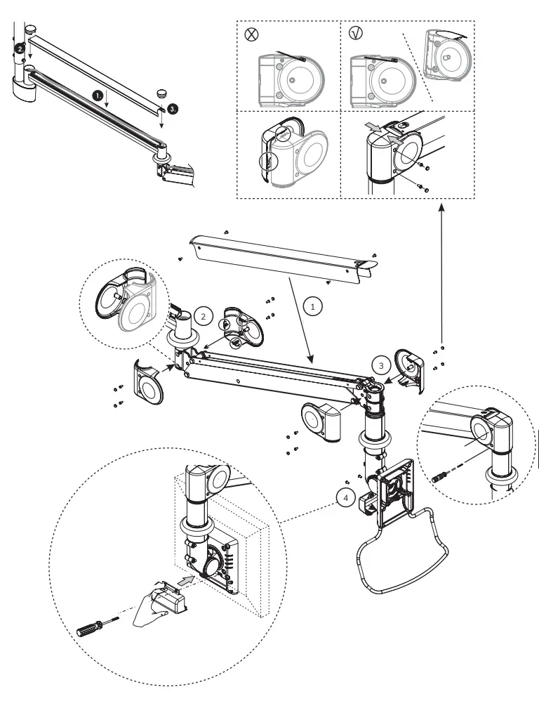
STEP 2
- Place the bearings onto the spindle.
- Place the arm onto the spindle.
- Manage the cables well and make sure that the C-clip is fitted into the groove of the spindle securely, so the fixed section of the arm cannot be pulled out from the mount while adjusting the arm.
- Put the rotating cover-L on the arm.

STEP 3
Adjust the height
- Put the adjustable pole inside the ceiling mount.
- Fix the pole at the desired height by wrench with 2 screws, 2 screw bushings, 2 washers and 2 nylon nuts.

NOTE
Please make sure this joint is in a vertical 90O angle.

CABLE ASSEMBLY
PARTS

STEP 1.1
Remove the cable covers.

STEP 1.2
Run the cables through the arm. Assemble the cable wrapper.

The VESA adapter must be moved entirely down to put the cable through.- Allowing for arm movement, it is suggested to keep at least 15 cm of cable left from the VESA adapter. 15


MONITOR ASSEMBLY
STEP 1.1
Remove the back cover utilizing a screw driver (not included), as shown and pull out the cable in order to install the monitor.

STEP 1.2
Fix the monitor on the VESA mount, using the Allen key and screws.

STEP 1.3
Connect the cable to the monitor Connect the cables to the monitor, complete the circuit and replace the VESA cable cover-B or VESA cable cover-S.

STEP 1.4
Fix the handle bar
- Insert the handle bar into the 2 holes on the bottom of the VESA interface.
- Fix the handle bar with 4 screws with a 2,5 mm Allen key through the 4 holes on the lower part of the VESA interface.

REPLACEMENT OF THE ARM COVERS
Follow the order as below to assemble the covers. Replace the adjuster covers as shown.

ADJUSTMENT FOR LOADING
Caution for weight capacity adjustment
- Make sure you have checked the weight of the monitor you wish to mount.
- Support the arm throughout/ during installation.
- Pull down the arm and take out the upper cap (see below figure) during adjustment.


ADJUSTING UNIVERSAL JOINT TENSION
When assembling the arm with monitors of different weight, you may find that the tension of the universal joint needs to be adjusted to ease movement or to maintain the desired monitor position. If so, adjust as follows:
- Remove the plastic universal joint cover.
- Find the nylon nut (not the screw head) and use the provided wrench to adjust the tension. Fix the screw head by wrench during adjustment.
- Use one hand to support the monitor and adjust the tension of the universal joint: Clockwise: more tension Counter clockwise: less tension
- When the desired tension is achieved, replace the plastic covers.
Caution
- Support the monitor during the adjustment procedure.
- Only adjust the nylon nut (not the screw head).
- Do not disassemble the universal joint.

SAFETY NOTES
- Once assembled do not disassemble.
- Make sure that mounting screws are suitable for the horizontal surface and adequate to hold the weight of the arm and the monitor.
- Support the monitor and arm throughout assembly and mounting.
- Keep small parts out of reach from children.
Make sure that the horizontal surface is substantial to hold the weight of the arm and the monitor.

Only use with LCD/ TFT monitors compliant with VESA 75×75 mm or 100×100 mm.

Monitors to be mounted should not weigh more than the maximum weight capacity of the mount, as stated in this manual.

Do not hang or swing on the arm.

Do not hold the arm as a support to get up.

Do not hang unnecessary objects on the arm.

CAUTION


















