301EMRP
User Manual
ERP 511395
2/07
Notices and Trademarks
Copyright by Honeywell International Inc.
Release 511395 February 2007
While this information is presented in good faith and believed to be accurate, Honeywell disclaims the implied warranties of merchantability for a particular purpose and makes no express warranties except as may be stated in its written agreement with and for its customers.
In no event is Honeywell liable to anyone for any indirect, special or consequential damages. The information and specifications in this document are subject to change without notice.
Honeywell Analytics
4005 Matte Blvd, Unit G
Brossard, Quebec, J4Y 2P4
Contacts
World Wide Web
The following Honeywell Websites may be of interest to our customers:
| Honeywell Organization | WWW Address (URL) |
| Honeywell Analytics | http://www.honeywellanalytics.com |
| Corporate | http://www.honeywell.com |
| International | http://content.honeywell.com/global/ |
Telephone
Contact us by telephone at the numbers listed below:
| Organization | Phone Number | |
| The United States and Canada | Honeywell Analytics | 1-800-563-2967 1-450-619-2450 Fax: 1-888-967-9938 |
| Asia Pacific | Honeywell Asia Pacific Inc. Hong Kong | (852) 23 31 9133 |
| Europe | Honeywell Pace Brussels, Belgium | [32-2]728-2711 |
| Latin America
| Honeywell International Inc. Sunrise, Florida, U.S.A. | (954) 845-2600 |
Sales Information
Contact us at [email protected]
Symbol Definitions
The following table lists the symbols used in this document to denote certain conditions:
Symbol | Definition |
![]() | ATTENTION: Identifies information that requires special consideration |
![]() | TIP: Identifies advice or hints for the user, often in terms of performing a task |
| REFERENCE _ INTERNAL: Identifies an additional source of information within the booklet. Indicates a situation which, if not avoided, may result in equipment or work (data) on the system being damaged or lost, or may result in the inability to properly operate the process. | |
| CAUTION: Indicates a potentially hazardous situation that, if not avoided, may result in minor or moderate injury. It may also be used to alert against unsafe practices. | |
![]() | CAUTION: The symbol on the equipment refers the user to the product manual for additional information. The symbol appears next to the required information in the manual. |
![]() | WARNING: Indicates a potentially hazardous situation that, if not avoided, could result in serious injury or death. The WARNING symbol on the equipment refers the user to the product manual for additional information. The symbol appears next to the required information in the manual. |
INTRODUCTION
Description
The 301EMRP has been designed to connect to a 301EM network, which can host up to 10 301EMRP units to ensure efficient air control. These units display the network status and perform actions programmed in the 301EM.
Although the 301EMRP is designed to perform actions programmed in the 301EM, it is possible to program some functions using the display screen and keypad. The 301EMRP is designed with 4 separate relays, each capable of receiving one accessory.
Unpacking
After opening the package, remove the equipment and components. Please make sure that all the items described on the order form or packing slip are actually in the box and are undamaged.
Installation Instructions
Installation Guidelines
These guidelines must be strictly observed to assure that the equipment will work properly. If they are not applied, Honeywell will not recognize any liability in case of improper operation:
- Make sure to locate all units easily accessible for proper service.
- Avoid any location where units could be subject to vibrations.
- Avoid any location close to any electromagnetic interference.
- Avoid any location where there are large temperature swings.
- Verify local requirements and existing regulations that may affect the choice of location.
Wall Mount Installation
The remote panel must be installed where the display can be easily read.

We recommend installing the monitor at a height of 1.5 m from the ground.
- Mark two holes 6 3/8” apart in height
- Mark two holes10 9/16” apart in width
- Drill 1/4” holes and prepare as necessary
- Mount unit with appropriate screws
Remember to pass all wiring through knock-outs at the base of the unit.
Wiring Details
System Wiring

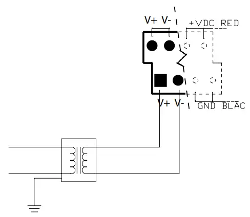
Power
Refer to your specific network diagram for the power supply wire gauge (black and red wires).

Connect 301EM to 301EMRP
Connect the 301EM to the 301EMRP using the diagram below. The maximum distance between the 301EM and the last 301EMRP is 1000 ft. (305 m). Use twisted and shielded cable #24/2 AWG (Belden 9841) for the Communication (green and white).

Relay Outputs
The relays outputs will withstand up to 5 amps at 30 Vdc or 250 Vac (resistive load only). They can be used to activate horns, strobes, etc. Refer to the drawing below for proper wiring.
See the APPENDIX section in the 301EM User’s Manual for more details about B52 and ASHRAE standard configuration.


Output 24 Vdc, J8
The three 24 Vdc / 250 mA outputs are provided to activate the DC horn, strobe, etc.

RFS: Optional built-in stobe
RFSA: Optional built-in strobe and horn
CALIBRATION / PROGRAMMING
User Interface
When power is initially applied, the unit’s LCD screen will display the product’s name and firmware revision.
Programming
The 301EMRP (remote panel) actions are programmed in the 301EM (see 301EM User Manual, Appendix section). The unit performs the programmed actions depending on what accessories are connected to the unit. The 301EMRP addresses must be programmed on each unit to enable them to receive information from the 301EM. Once the
addresses are programmed, the 301EM will detect the remote panels through network scans.
Key Definitions
| ESC Key: | Use the ESC key to exit the menus or cancel an input. Use it also to stop the alternating reading between the connected sensors. |
| (Up/Down): | Use the Scroll Keys to scroll the menus or to select a specific value. |
| Enter Key: | Use the Enter key to enter a programming field or to validate a specific value. |
| Fan Start Key: | Control relay #1 (Fan) (For B-52 or ASHRAE 15 programming). |
| Silence Key: | Turns off the buzzer and horns |
Specifications
Remote Panel 301EMRP
| Power Requirement: | 22-27 Vac, 50/60 Hz, 29-38Vdc, 2.0 A max @ 24 Vdc |
| Standard Outputs: | 4 DPDT relays 3 Outputs at 24 Vdc @ 250 mA each |
| Audible Alarm: | 65 dBA @ 3 foot (1 m) |
| Display : | Backlit LCD |
| Visual Indicators: | Green LED: Normal operation Red LEDs: Alarm A, B and C Yellow LED: Fault/service alarm Amber LED: Tx (Activated in network mode) |
| Communication (length of lines) | 1000 ft. between 301EM and 301EMRP |
| Relay Output Rating: | 5A, 30Vdc or 250Vac (resistive load) |
| Circuit Protection: | Long Time-Lag Polyswitch Type TT |
| Overvoltage Category: | II |
| Operating Environnement: | 22-27 Vac, 50/60 Hz, 29-38Vdc, 2.0 A max @ 24 Vdc |
| Power Requirement: | Indoor use |
| Operating Temperature | |
| Range: | 32°F to 100°F (0 to 40°C) |
| Operating Humidity Range: | 0 to 95% RH (non-condensing) |
| Operating Altitude: | Up to 9843 feet (3,000 m) |
| Enclosure: | NEMA 4X ABS – Polycarbonate |
| Pollution Degree: | 2 |
| Size: | 7.99” (H) x 11.02”(W) x 2.76” (D) (20.3 x 28 x 7 cm) |
| Weight: | 2.26 lbs (1.02 kg) |
| Optional Horn: | 105dBA, 4-28V, 2800Hz (RFSA) Min. Voltage 80 dB(A) min. @ 2 ft and 6 Vdc Max Voltage 90 dB(A) min. @ 2 ft and 28 Vdc |
| Optional Strobe: | STAS flashing LED, 24VAC/VDC |
MAINTENANCE
Periodic Inspections and Calibration
The 301EMRP is a maintenance-free controller. Only the sensors need a periodic inspection.
Periodic Inspections and Calibration
Honeywell provides its customers with specialized gas detection equipment. Beyond the warranty period, the systems must be maintained on a regular basis.
Replacement Parts
LED replacement instructions (for RFS or RFSA options):
- Turn the cap until the black and white diamond shapes are aligned
- Pull off the cap
- Use the insertion tool to remove the LED
- Use the insertion tool to put in the new LED
- Put the cap back on
- Turn the cap until the white diamond shapes are aligned.
Due to the continuous evolution of our products, please contact our service department to order parts or for more details.
Cleaning
Clean the exterior with a soft, damp cloth. Do not use solvents, soaps, or polishers.
Limited Warranty
Honeywell Analytics, Inc. warrants to the original purchaser and/or ultimate customer (“Purchaser”) of Vulcain products (“Product”) that if any part thereof proves to be defective in material or workmanship within twelve (12) months, such defective part will be repaired or replaced, free of charge, at Honeywell Analytics’ discretion if shipped
prepaid to Honeywell Analytics at 4005 Matte Blvd., Unit G, Brossard, Quebec, J4Y 2P4, in a package equal to or in the original container. The Product will be returned freight prepaid and repaired or replaced if it is determined by Honeywell Analytics that the part failed due to defective materials or workmanship. The repair or replacement of any
such defective part shall be Honeywell Analytics’ sole and exclusive responsibility and liability under this limited warranty.
Re-Stocking Policy
The following re-stocking fees will apply when customers return products for credit:
- 15% re-stocking fee will be applied if the product is returned within 1 month following the shipping date
- 30% re-stocking fee will be applied if the product is returned within 3 months following the shipping date
A full credit (less re-stocking fee) will only be issued if the product is in perfect working condition. (If repairs are required on the returned product, the cost of these repairs will be deducted from the credit to be issued.)
No credits will be issued beyond the three-month period.
Exclusions
a.If Gas sensors are part of the Product, the gas sensor is covered by a twelve (12) month limited warranty of the manufacturer.
b.If gas sensors are covered by this limited warranty, the gas sensor is subject to inspection by Honeywell Analytics for extended exposure to excessive gas concentrations if a claim by the Purchaser is made under this limited warranty. Should such inspection indicate that the gas sensor has been expended rather than failed prematurely, this limited warranty shall not apply to the Product.
c.This limited warranty does not cover consumable items, such as batteries, or items subject to wear or periodic replacement, including lamps, fuses, lives, nes, sensor elements, cartridges, or filter elements.
Warranty Limitation and Exclusion
Honeywell Analytics will have no further obligation under this limited warranty. All warranty obligations of Honeywell Analytics are extinguishable if the Product has been subject to abuse, misuse, negligence, or accident or if the Purchaser fails to perform any of the duties set forth in this limited warranty or if the Product has not been operated in accordance with instructions, or if the Product serial number has been removed or altered.
Disclaimer of Unstated Warranties
The warranty printed above is the only warranty applicable to this purchase. All other warranties, express or implied, including, but not limited to, the implied warranties of merchantability or fitness for a particular purpose are hereby disclaimed.
Limitation of Liability
It is understood and agreed that Honeywell Analytics’ liability, whether in contract, in tort, under any warranty, in negligence or otherwise shall not exceed the amount of the purchase price paid by the purchaser for the product and under no circumstances shall Honeywell Analytics be liable for special, indirect, or consequential damages. The price stated for the product is a consideration limiting Honeywell analytics’ liability. No action, regardless of form, arising out of the transactions under this warranty may be brought by the purchaser more than one year after the cause of actions has occurred.
511395
2/07























