Ferroli 3542B320 Hydraulic Kit for Hybrid Systems with Gas Boiler and Monoblock Heat Pump User Manual

- Read the warnings in this instruction booklet carefully since they provide important information on safe installation, use and maintenance.
- This instruction booklet is an integral and essential part of the product and must be kept with care by the user for future reference.
- If the unit is sold or transferred to another owner or if it is to be moved, always make sure the booklet stays with the appliance so that it can be consulted by the new owner and/or installer.
- Installation and maintenance must be carried out by professionally qualified personnel, according to current regulations and the manufacturer’s instructions.
- Incorrect installation or inadequate maintenance can result in damage or injury. The manufacturer declines any liability for damage caused by errors in installation and use or by failure to follow the instructions provided.
- Before carrying out any cleaning or maintenance operation, disconnect the unit from the power supply using the system switch and/or the special cut-off devices.
- In case of a fault and/or poor operation, deactivate the unit and do not try to repair it or directly intervene. Contact professionally qualified personnel. Any repair/replacement of the products must only be carried out by qualified personnel using genuine parts. Failure to comply with the above can compromise the safety of the unit.
- Periodic maintenance performed by qualified personnel is essential in order to ensure proper operation of the unit.
- This unit must only be used for its intended purpose.
- Any other use is deemed improper and therefore hazardous.
- After unpacking, check the good condition of the contents. The packing materials are potentially hazardous and must not be left within the reach of children.
- The unit can be used by children aged at least 8 years and by persons with reduced physical, sensory or mental capabilities, or lacking experience or the necessary knowledge, only if under supervision or they have received instructions on its safe use and the related risks. Children must not play with the unit.
- Cleaning and maintenance intended to be done by the user can be carried out by children aged at least 8 years only if under supervision.
- In case of doubt, do not use the unit. Contact the supplier.
- The unit and its accessories must be appropriately disposed of in compliance with current regulations.
- The images given in this manual are a simplified representation of the product. In this representation there may be slight and insignificant differences with respect to the product supplied.

The CE marking certifies that the products meet the essential requirements of the relevant directives in force. The declaration of conformity may be requested from the manufacturer.
The original documentation is written in English. All other languages are translations.
The manufacturer declines all responsibility for any inaccuracies in this manual due to printing or typing errors.
The manufacturer reserves the right to modify the products contents in this catalogue without previous notice.
1.1 Presentation of the kit
The kit has the purpose to integrate a monoblock reversible heat pump for outdoor installation with a gas boiler, thus allowing the creation of a hybrid system capable of producing hot and cold water for summer and winter air conditioning. The production of domestic hot water will instead made only by the gas boiler which can be either or for instantaneous domestic hot water production or via an external boiler (not supplied). The kit has been designed to make plumbing and electrical installation work as easy as possible.
The kit essentially consists of:
- circulator at the service of the system (supplied with kit 042093X0, not present in kit 042096X0 and therefore to be purchased by the installer).
- thermally insulated hydraulic manifold
- system and dirt separator shut-off valves for a simple maintenance / replacement of the various components of the kit, as well as of the boiler and of the heat pump.
Accessory: - mud separator filter with magnetic ring (cod. 0YBP3BX0) complete with shut-off valve
- under-boiler cover kit (cod. 016096X0)
For more details on the maintenance of the various system components (boiler, heat pump and dirt separator filter), refer to the installation, user and maintenance manual supplied with the individual components.
The hydraulic installation is based on:
- Outdoor installation of the heat pump
- Indoor or outdoor (in a partially protected place) installation of the gas boiler
- installation under the boiler of the kit
- hydraulic connection of the kit to the heat pump and to the system to be served.
The electrical installation is based on:
- Electrical connection of the system circulator to the terminals of the heat pump hydronic board
- Electrical connection of the system water outlet probe (T1 probe) to the terminals of the heat pump hydronic board. The heat pump is supplied as standard with this probe (cable
length 10 meters) - Electrical connection of the boiler activation input to the terminals of the heat pump hydronic board.
1.2 Functional hydraulic scheme

*: supplied with magnetic dirt separator filter accessory
**: supplied with kit 042093X0, not present in kit 042096X0 and therefore to be purchased by the installer

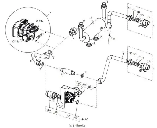
1.3 Assembly sequence and components
1.3.1 Kit without circulator (code 042096X0)


*: components supplied with magnetic dirt separator filter accessory
**: components supplied with the kit, to be used if the magnetic dirt separator filter accessory is installed
1.3.2 Kit with circulator (code 042093X0)


*: components supplied with magnetic dirt separator filter accessory
**: components supplied with the kit, to be used if the magnetic dirt separator filter accessory is installed
1.4 Views kit mounted under the boiler

1.5 Views kit mounted under the boiler + magnetic dirt separator filter accessory (code 0YBP3BX0)

1.6 Views kit mounted under the boiler + “under-boiler cover kit” accessory (code 016096X0)

1.7 Electrical connections
BEFORE ANY OPERATION WHICH INCLUDES ELECTRICAL CONNECTION OR MAINTENANCE, DISCONNECT THE GAS BOILER AND THE HEAT PUMP FROM THE ELECTRICAL MAINS.
NEVER TOUCH TERMINALS OR ELECTRICAL COMPONENTS WITH THE GAS BOILER OR HEAT PUMP ELECTRICALLY POWERED. THERE IS THE RISK OF ELECTRIC SHOCK WITH RISK OF INJURY OR DEATH!
All equipment in the system must be connected to an effective earthing system carried out as required by current safety standards. Have the efficiency and adequacy of the earthing system checked by professionally qualified personnel, the manufacturer is not responsible for any damage caused by the system’s lack of earthing.
Refer to the safety instructions given in the installation, user and maintenance manuals supplied with the equipment’s that make up the system.

To connect the system circulator to the heat pump hydronic board (terminals P_o-N), connect the cable L = 900 supplied with the kit to the circulator, then extend it as necessary to reach the board in a safe and appropriate way. It is recommended to run the cable inside a sheath.
1.8 Settings to be made on the heat pump
1.8.1 Dip switch settings for heat pump hydronic board
According to the type of gas boiler used, set the dip switches as indicated in the following figures.

1.8.2 Heat pump hydronic board parameters
For the correct functioning of the system, the parameters indicated in the following table must be set.

For more details, refer to the installation and user manual supplied with the heat pump.
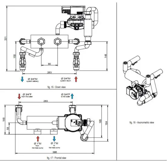
1.9 Overall dimensions and hydraulic connections
1.9.1 Basic kit

1.9.2 Basic kit + magnetic dirt separator filter accessory (cod. 0YBP3BX0)


1.10 Plant circulator speed setting (supplied with kit 042093X0, not present in kit 042096X0)
To change the speed use the circulator display button (see figure below).

1.11 System circulator head curves (supplied with kit 042093X0, not present in kit 042096X0)

FERROLI S.p.A.
Via Ritonda 78/a
37047 San Bonifacio – Verona – ITALY
www.ferroli.com
Fabbricato in Italia – Made in Italy
ead More About This Manual & Download PDF:



















