Webstone 4141 Series Full Port Forged Brass Uni Flange Ball Valves

Product Information
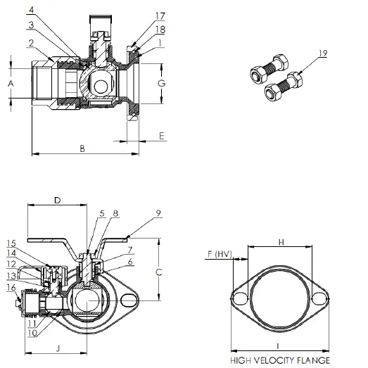
The 4141 Series Full Port Forged Brass Uni-Flange Ball Valves with MDuelttai-cFhuanbclteioRnoHtait-iFnlgowFlHanogsee Drain Adjustable Packing Gland, Nuts & Bolts IPS x Rotating Flange 600 WOG is a high-quality valve designed for use in both standard and high-velocity pumps. The valve is made of brass with PTFE stem seals, a stainless steel handle, and vinyl jackets. The drain valve is made of brass with an enamel-coated aluminum handle. The rotating flange is made of brass with EPDM washer and strap. The valve is available in different sizes ranging from 3/4″ to 1 1/2″ and comes in a case of 20.
Webstone, the manufacturer of the product, has been committed to providing quality products since 1954. The product specifications provided are in U.S. customary units and are approximate. Webstone reserves the right to change or modify product design, construction, specifications, or materials without prior notice.
Product Usage Instructions
The 4141 Series Full Port Forged Brass Uni-Flange Ball Valves are designed for use in both standard and high-velocity pumps. The valve is suitable for use in water supply systems, HVAC systems, and other industrial applications. Follow the below instructions to use the product:
- Select the appropriate valve size based on your requirements.
- Install the valve in the pipeline using the IPS x Rotating Flange connection.
- Tighten the flange bolts and nuts to secure the valve in place.
- Open the valve by turning the handle counterclockwise.
- Close the valve by turning the handle clockwise.
- To drain the valve, turn the drain valve handle counterclockwise.
- To close the drain valve, turn the handle clockwise.
It is important to note that the valve is rated for a maximum pressure of 600 WOG (Water, Oil, or Gas) and a temperature range of -20°F to 300°F. The valve should not be used for applications beyond its rated pressure and temperature range. Additionally, ensure that the valve is installed and operated by a qualified professional in accordance with local codes and regulations.
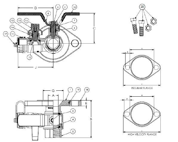
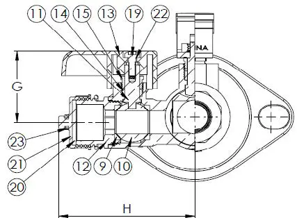
4141 Series
Full Port Forged Brass Uni-Flange Ball Valves w/ Detachable Rotating Flange & Multi-Function Hi-Flow Hose Drain
Adjustable Packing Gland, Nuts & Bolts
IPS x Rotating Flange 600 WOG
| ITEM | SIZE | CTN | CASE | A | B | C | D | E | F | G | H | I | J | |||
| 41413 | 3/4” | 2 | 20 | 3/4 | 2 3/4 | 2 3/8 | 2 1/2 | 3/8 | 1/2 | 1 1/2 | 2 11/16 | 4 1/8 | 2 3/4 | |||
| 41414 | 1” | 2 | 20 | 1 | 2 15/16 | 2 5/8 | 2 1/2 | 3/8 | 1/2 | 1 1/2 | 2 11/16 | 4 1/8 | 2 3/4 | |||
| 41415 | 1 1/4” | 2 | 20 | 1 1/4 | 3 5/16 | 3 3/16 | 3 3/16 | 3/8 | 1/2 | 1 1/2 | 2 11/16 | 4 1/8 | 3 1/4 | |||
| 41416 | 1 1/2” | 2 | 10 | 1 1/2 | 4 | 3 3/8 | 3 13/16 | 3/8 | 1/2 | 1 1/2 | 2 11/16 | 4 1/8 | 3 1/2 | |||
| HV MODELS FIT BOTH STANDARD & HIGH VELOCITY PUMPS | ||||||||||||||||
| 41413HV | 3/4” | 2 | 20 | 3/4 | 2 3/4 | 2 1/4 | 2 1/2 | 7/16 | 5/8 | 1 1/2 | 2 11/16 | 4 1/8 | 2 3/4 | |||
| 41414HV | 1” | 2 | 20 | 1 | 2 15/16 | 2 5/8 | 2 1/2 | 7/16 | 5/8 | 1 1/2 | 2 11/16 | 4 1/8 | 2 3/4 | |||
| 41415HV | 1 1/4” | 2 | 20 | 1 1/4 | 3 5/16 | 2 7/8 | 3 3/16 | 7/16 | 5/8 | 1 1/2 | 2 11/16 | 4 1/8 | 3 1/4 | |||
| 41416HV | 1 1/2” | 2 | 10 | 1 1/2 | 4 | 3 3/8 | 3 13/16 | 7/16 | 5/8 | 1 1/2 | 2 11/16 | 4 1/8 | 3 1/2 | |||
| – | 2” | 2 | 10 | 1 1/2 | 4 | 3 1/8 | 3 3/8 | 7/16 | 5/8 | 1 1/2 | 2 11/16 | 4 1/8 | 3 3/8 | |||
| *NOTE: 41417WHV is a Standard Port Valve
PATENTED TECHNOLOGY | NO. | DESCRIPTION | MATERIAL | |||||||||||||
| 1 | FLANGED BODY | BRASS | ||||||||||||||
| 2 | END CAP | BRASS | ||||||||||||||
| 3 | SEATS | PTFE | ||||||||||||||
| 4 | BALL | BRASS HCP | ||||||||||||||
| 5 | STEM | BRASS | ||||||||||||||
| 6 | STEM SEAL | PTFE | ||||||||||||||
| 7 | PACKING GLAND | BRASS | ||||||||||||||
| 8 | HANDLE | STEEL CP | ||||||||||||||
| 9 | HANDLE NUT | STAINLESS STEEL | ||||||||||||||
| 10 | HANDLE JACKET | VINYL | ||||||||||||||
| 11 | DRAIN VALVE SEATS | PTFE | ||||||||||||||
| 12 | DRAIN VALVE BALL | BRASS HCP | ||||||||||||||
| 13 | DRAIN VALVE STEM | BRASS | ||||||||||||||
| 14 | DRAIN VALVE STEM SEAL | PTFE | ||||||||||||||
| 15 | DRAIN VALVE HANDLE | ENAMEL COATED ALUMINUM | ||||||||||||||
| 16 | DRAIN VALVE HANDLE SCREW | BRASS | ||||||||||||||
| 17 | DRAIN VALVE CAP, WASHER & STRAP | BRASS W/ EPDM WASHER &STRAP | ||||||||||||||
| 18 | ROTATING FLANGE | BRASS | ||||||||||||||
| 19 | ROTATING FLANGE RING | STAINLESS STEEL | ||||||||||||||
| 20 | FLANGE BOLTS & NUTS | STEEL ZP | ||||||||||||||
![]() | TEMP °F | PSI | ||||||||||||||
| 100 | 600 | |||||||||||||||
| 150 | 490 | |||||||||||||||
| 200 | 470 | |||||||||||||||
| 250 | 439 | |||||||||||||||
| 300 | 411 | |||||||||||||||
| 350 | 294 | |||||||||||||||
| 366 | N/A | |||||||||||||||
*NOTE: 41417WHV is a Standard Port Valve
THIS SPACE FOR DESIGNER/ENGINEER APPROVAL
| THIS SPACE FOR DESIGNER/ENGINEER APPROVAL | |
| Job/Customer Date Contractor Model Specified Qty Approved By Designer/Engineer Date Contractor’s PO# Submitted by Date Other | |

Specifications: Designed for residential, commercial or industrial use with water or a glycol mixture. This approved Webstone valve is actuated by a blowout proof stem and features an adjustable packing gland. Flange features a conical inlet to minimize turbulence. The rotating flange is secured by a snug-fit snap-ring that provides greater control over positioning during installation. Multi-directional main valve allows for draining from either side of the pump. Threaded ends comply with ANSI B1.20.1.
THIS SPACE FOR DESIGNER/ENGINEER APPROVAL
| THIS SPACE FOR DESIGNER/ENGINEER APPROVAL | |
| Job/Customer Date Contractor Model Specified Qty Approved By Designer/Engineer Date Contractor’s PO# Submitted by Date Other | |
5141 Series
Full Port Forged Brass Uni-Flange Ball Valves w/ Detachable Rotating Flange
& Multi-Function Hi-Flow Hose Drain Adjustable Packing Gland, Nuts & Bolts SWT x Rotating Flange
600 WOG – ISO 9001
| ITEM # | SIZE | CTN | CASE | A | B | C | D | E | F | G | H | I | J |
| 51413 | 3/4” | 2 | 20 | 3/4 | 3 | 2 1/4 | 2 1/2 | 7/16 | 1/2 | 1 1/2 | 2 11/16 | 4 1/8 | 2 3/4 |
| 51414 | 1” | 2 | 20 | 1 | 3 1/4 | 2 5/8 | 2 1/2 | 7/16 | 1/2 | 1 1/2 | 2 11/16 | 4 1/8 | 2 3/4 |
| 51415 | 1 1/4” | 2 | 20 | 1 1/4 | 3 1/2 | 2 7/8 | 3 3/16 | 7/16 | 1/2 | 1 1/2 | 2 11/16 | 4 1/8 | 3 1/4 |
| 51416 | 1 1/2” | 2 | 10 | 1 1/2 | 4 3/8 | 3 3/8 | 3 13/16 | 7/16 | 1/2 | 1 1/2 | 2 11/16 | 4 1/8 | 3 1/2 |
| HV MODELS FIT BOTH STANDARD & HIGH VELOCITY PUMPS | |||||||||||||
| 51413HV | 3/4” | 2 | 20 | 3/4 | 3 | 2 7/16 | 2 1/2 | 7/16 | 5/8 | 1 1/2 | 2 11/16 | 4 1/8 | 2 3/4 |
| 51414WV | 1” | 2 | 20 | 1 | 3 1/4 | 2 5/8 | 2 1/2 | 7/16 | 5/8 | 1 1/2 | 2 11/16 | 4 1/8 | 2 3/4 |
| 51415HV | 1 1/4” | 2 | 20 | 1 1/4 | 3 1/2 | 2 7/8 | 3 3/16 | 7/16 | 5/8 | 1 1/2 | 2 11/16 | 4 1/8 | 3 1/4 |
| 51416WV | 1 1/2” | 2 | 10 | 1 1/2 | 4 3/8 | 3 3/8 | 3 13/16 | 7/16 | 5/8 | 1 1/2 | 2 11/16 | 4 1/8 | 3 1/2 |
| 51417HV | 2” | 2 | 10 | 1 1/2 | 4 11/16 | 3 1/8 | 3 3/8 | 7/16 | 5/8 | 1 1/2 | 2 11/16 | 4 1/8 | 3 3/8 |
NOTE: 51417WHV is a Standard Port Valve
| NO. | DESCRIPTION | MATERIAL | |
| 1 | FLANGED BODY | BRASS | |
| 2 | END CAP | BRASS | |
| 3 | SEATS | PTFE | |
| 4 | BALL | BRASS HCP | |
| 5 | STEM | BRASS | |
| 6 | STEM SEAL | PTFE | |
| 7 | PACKING GLAND | BRASS | |
| 8 | HANDLE | STEEL CP | |
| 9 | HANDLE NUT | STAINLESS STEEL | |
| 10 | HANDLE JACKET | VINYL | |
| 11 | DRAIN VALVE SEATS | PTFE | |
| 12 | DRAIN VALVE BALL | BRASS HCP | |
| 13 | DRAIN VALVE STEM | BRASS | |
| 14 | DRAIN VALVE STEM SEAL | PTFE | |
| 15 | DRAIN VALVE HANDLE | ENAMEL COATED ALUMINUM | |
| 16 | DRAIN VALVE HANDLE SCREW | BRASS | |
| 17 | DRAIN VALVE CAP, WASHER & STRAP | BRASS W/ EPDM WASHER & STRAP | |
| 18 | ROTATING FLANGE | BRASS | |
| 19 | ROTATING FLANGE RING | STAINLESS STEEL | |
| 20 | FLANGE BOLTS & NUTS | STEEL ZP | |
| TEMP °F | PSI | ||
| 100 | 600 | ||
| 150 | 485 | ||
| 200 | 395 | ||
| 250 | 210 | ||
| 300 | N/A | ||
| 350 | N/A | ||
| 366 | N/A | ||

THIS SPACE FOR DESIGNER/ENGINEER APPROVAL
| THIS SPACE FOR DESIGNER/ENGINEER APPROVAL | |
| Job/Customer Date Contractor Model Specified Qty Approved By Designer/Engineer Date Contractor’s PO# Submitted by Date Other | |

Specifications: Designed for residential, commercial or industrial use with water or a glycol mixture. This approved Webstone valve is actuated by a blowout proof stem and features an adjustable packing gland. Flange features a conical inlet to minimize turbulence. The rotating flange is secured by a snug-fit snap-ring that provides greater control over positioning during installation. Multi-directional main valve allows for draining from either side of the pump. Solder joint temperature ratings are per ASME B16.18 Annex A for 95-5 solder. Other solder materials have lower pressure/temperature limits. Do not silver braze or overheat valves when soldering.
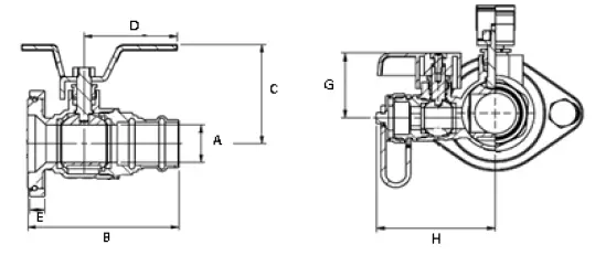
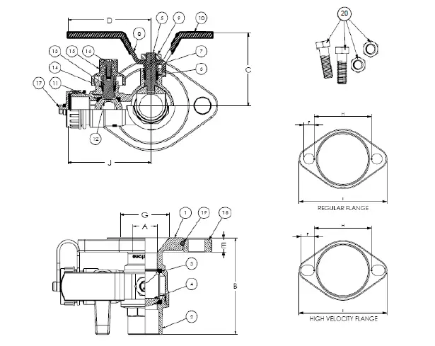
H-8141 Series
The Isolator w/ Rotating Flange & Multi-Function Drain Full Port Forged Brass Uni-Flange Ball Valve w/ Detachable Rotating Flange,
Multi-Function Hi-Flow Hose Drain,
Adjustable Packing Glands,
Nuts & Bolts
Certifications



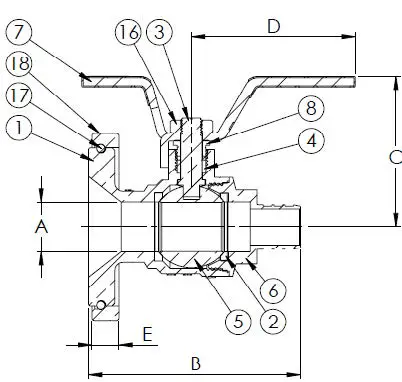
| PATENTED TECHNOLOGY | ||||||
| NO. | DESCRIPTION | MATERIAL | ||||
| 1 | BODY | BRASS | ||||
| 2 | SEAT | PTFE | ||||
| 3 | STEM | BRASS | ||||
| 4 | STEM SEAL | PTFE | ||||
| 5 | BALL | BRASS CP | ||||
| 6 | END CAP | BRASS | ||||
| 7 | HANDLE | PLATED STEEL | ||||
| 8 | PACKING GLAND | BRASS | ||||
| 9 | DRAIN SEATS | PTFE | ||||
| 10 | DRAIN BALL | BRASS CP | ||||
| 11 | DRAIN STEM | BRASS | ||||
| 12 | DRAIN END CAP | BRASS | ||||
| 13 | DRAIN HANDLE | EPOXY COATED ALUMINUM | ||||
| 14 | STEM SEAL | PTFE | ||||
| 15 | PACKING GLAND | BRASS | ||||
| 16 | HANDLE NUT | STAINLESS STEEL | ||||
| 17 | RETAINER | STAINLESS STEEL | ||||
| 18 | FLANGE | BRASS | ||||
| 19 | SCREW | STAINLESS STEEL | ||||
| 20 | GASKET | EPDM | ||||
| 21 | CAP | BRASS | ||||
| 22 | WASHER | STAINLESS STEEL | ||||
| 23 | STRAP | PVC | ||||
| 24 | FLANGE BOLTS | STAINLESS STEEL | ||||
| 25 | HEX NUTS | STAINLESS STEEL | ||||
Designed for residential, commercial or industrial use with water, oil or gas. This approved Webstone valve is actuated by a blowout proof stem and features an adjustable packing nut. *Slotted bolt holes accommodate both standard and high velocity pumps.

1141 Series
The Isolator w/ Rotating Flange & Multi-Function Drain
Full Port Forged Dezincification Resistant Brass Uni-Flange Ball Valve w/ Detachable Rotating Flange,
Multi-Function Hi-Flow Hose Drain,
Adjustable Packing Glands, 0.00 Nuts & Bolts
ASTM F1807 PEX x Rotating Flange
Max Operating Pressure: 400 WOG
Certified to NSF/ANSI 61 & 372, NSF/ANSI 14 & IAPMO ANSI Z1157 ISO 9001
| ITEM# | SIZE (in) | CTN | CASE | A | B | C | D | E | F | G | H |
| H-11413W | 3/4 | 1 | 20 | 0.75 | 3.12 | 2.25 | 2.38 | 0.38 | 3.50 | 1.56 | 2.75 |
| H-11414W | 1 | 1 | 20 | 1.00 | 3.32 | 2.63 | 3.38 | 0.38 | 3.50 | 1.56 | 2.81 |
| HV MODELS FIT BOTH STANDARD AND HIGH VELOCITY PUMPS | |||||||||||
| H-11413WHV | 3/4 | 1 | 20 | 0.75 | 3.12 | 2.25 | 2.38 | 0.38 | 3.19 | 1.56 | 2.75 |
| H-11414WHV | 1 | 1 | 20 | 1.00 | 3.32 | 2.63 | 2.38 | 0.38 | 3.19 | 1.56 | 2.81 |
Designed for residential, commercial or industrial use with water, oil or gas. This approved Webstone valve is actuated by a blowout proof stem and features an adjustable packing nut. PEX end dimensions comply with ASTM F1807




| NO. | DESCRIPTION | MATERIAL |
| 1 | Body | Lead Free Brass |
| 2 | Seats | PTFE |
| 3 | Stem | Lead Free Brass |
| 4 | Packing Gland | PTFE |
| 5 | Ball | Lead Free Brass |
| 6 | End Cap | Lead Free Brass |
| 7 | Handle | Chrome Plated Steel |
| 8 | Packing Nut | Brass |
| 9 | Drain Seats | PTFE |
| 10 | Drain Ball | Lead Free Brass |
| 11 | Drain Stem | Lead Free Brass |
| 12 | Drain End Cap | Lead Free Brass |
| 13 | Drain Handle | Enamel Coated Aluminum |
| 14 | Drain Packing Gland | PTFE |
| 15 | Drain Packing Nut | Brass |
| 16 | Handle Nut | Stainless Steel |
| 17 | Retaining Ring | Stainless Steel |
| 18 | Rotating Flange | Brass |
| 19 | Drain Handle Screw | Stainless Steel |
| 20 | Drain Cap Gasket | EPDM |
| 21 | Drain Cap | Brass |
| 22 | Drain Handle Washer | Stainless Steel |
| 23 | Drain Cap Strap | PVC |
| 24 | Flange Bolts | Stainless Steel |
| 25 | Flange Nuts | Stainless Steel |
3141 Series
The Isolator w/ Rotating Flange & Multi-Function Drain
Full Port Forged Dezincification Resistant Brass Uni-Flange Ball Valve w/ Detachable Rotating Flange,
Multi-Function Hi-Flow Hose Drain,
Adjustable Packing Glands, 0.00 Nuts & Bolts
ASTM F1960 PEX x Rotating Flange
Max Operating Pressure: 400 WOG
Certified to NSF/ANSI 61 & 372, NSF/ANSI 14 & IAPMO ANSI Z1157 ISO 9001
| ITEM# | SIZE (in) | CTN | CASE | A | B | C | D | E | F | G | H |
| H-31413W | 3/4 | 1 | 20 | 0.75 | 3.41 | 2.25 | 2.38 | 0.38 | 3.50 | 1.56 | 2.75 |
| H-31414W | 1 | 1 | 20 | 1.00 | 3.82 | 2.63 | 3.38 | 0.38 | 3.50 | 1.56 | 2.81 |
| HV MODELS FIT BOTH STANDARD AND HIGH VELOCITY PUMPS | |||||||||||
| H-31413WHV | 3/4 | 1 | 20 | 0.75 | 3.41 | 2.25 | 2.38 | 0.38 | 3.19 | 1.56 | 2.75 |
| H-31414WHV | 1 | 1 | 20 | 1.00 | 3.82 | 2.63 | 2.38 | 0.38 | 3.19 | 1.56 | 2.81 |
Designed for residential, commercial or industrial use with water, oil or gas. This approved Webstone valve is actuated by a blowout proof stem and features an adjustable packing nut. PEX end dimensions comply with ASTM F1960





| NO. | DESCRIPTION | MATERIAL |
| 1 | Body | Lead Free Brass |
| 2 | Seats | PTFE |
| 3 | Stem | Lead Free Brass |
| 4 | Packing Gland | PTFE |
| 5 | Ball | Lead Free Brass |
| 6 | End Cap | Lead Free Brass |
| 7 | Handle | Chrome Plated Steel |
| 8 | Packing Nut | Brass |
| 9 | Drain Seats | PTFE |
| 10 | Drain Ball | Lead Free Brass |
| 11 | Drain Stem | Lead Free Brass |
| 12 | Drain End Cap | Lead Free Brass |
| 13 | Drain Handle | Enamel Coated Aluminum |
| 14 | Drain Packing Gland | PTFE |
| 15 | Drain Packing Nut | Brass |
| 16 | Handle Nut | Stainless Steel |
| 17 | Retaining Ring | Stainless Steel |
| 18 | Rotating Flange | Brass |
| 19 | Drain Handle Screw | Stainless Steel |
| 20 | Drain Cap Gasket | EPDM |
| 21 | Drain Cap | Brass |
| 22 | Drain Handle Washer | Stainless Steel |
| 23 | Drain Cap Strap | PVC |
| 24 | Flange Bolts | Stainless Steel |
| 25 | Flange Nuts | Stainless Steel |
| THIS SPACE FOR DESIGNER/ENGINEER APPROVAL | |
| Job/Customer Date Contractor Model Specified Qty Approved By Designer/Engineer Date Contractor’s PO# Submitted by Date Other | |
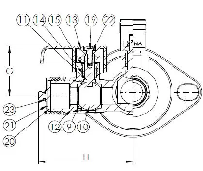
4141 Series
Full Port Forged Brass Uni-Flange Ball Valves w/ Detachable Rotating Flange
& Multi-Function Hi-Flow Hose Drain Adjustable Packing Gland, Nuts & Bolts
IPS x Rotating Flange
600 WOG – ISO 9001
| ITEM # | SIZE | CTN | CASE | A | B | C | D | E | F | G | H | I | J | |||
| 41413W | 3/4” | 2 | 20 | 3/4 | 2 3/4 | 2 3/8 | 2 1/2 | 3/8 | 1/2 | 1 1/2 | 2 11/16 | 4 1/8 | 2 3/4 | |||
| 41414W | 1” | 2 | 20 | 1 | 2 15/16 | 2 5/8 | 2 1/2 | 3/8 | 1/2 | 1 1/2 | 2 11/16 | 4 1/8 | 2 3/4 | |||
| 41415W | 1 1/4” | 2 | 10 | 1 1/4 | 3 5/16 | 3 3/16 | 3 3/16 | 3/8 | 1/2 | 1 1/2 | 2 11/16 | 4 1/8 | 3 1/4 | |||
| 41416W | 1 1/2” | 2 | 10 | 1 1/2 | 4 | 3 3/8 | 3 13/16 | 3/8 | 1/2 | 1 1/2 | 2 11/16 | 4 1/8 | 3 1/2 | |||
| HV MODELS FIT BOTH STANDARD & HIGH VELOCITY PUMPS | ||||||||||||||||
| 41413WHV | 3/4” | 2 | 20 | 3/4 | 2 3/4 | 2 1/4 | 2 1/2 | 7/16 | 5/8 | 1 1/2 | 2 11/16 | 4 1/8 | 2 3/4 | |||
| 41414WHV | 1” | 2 | 20 | 1 | 2 15/16 | 2 5/8 | 2 1/2 | 7/16 | 5/8 | 1 1/2 | 2 11/16 | 4 1/8 | 2 3/4 | |||
| 41415WHV | 1 1/4” | 2 | 10 | 1 1/4 | 3 5/16 | 2 7/8 | 3 3/16 | 7/16 | 5/8 | 1 1/2 | 2 11/16 | 4 1/8 | 3 1/4 | |||
| 41416WHV | 1 1/2” | 2 | 10 | 1 1/2 | 4 | 3 3/8 | 3 13/16 | 7/16 | 5/8 | 1 1/2 | 2 11/16 | 4 1/8 | 3 1/2 | |||
| 41417WHV | 2” | 2 | 10 | 1 1/2 | 4 | 3 1/8 | 3 3/8 | 7/16 | 5/8 | 1 1/2 | 2 11/16 | 4 1/8 | 3 3/8 | |||
| *NOTE: 41417WHV is a Standard Port Valve
PATENTED TECHNOLOGY | NO. | DESCRIPTION | MATERIAL | |||||||||||||
| 1 | FLANGED BODY | BRASS | ||||||||||||||
| 2 | END CAP | BRASS | ||||||||||||||
| 3 | SEATS | PTFE | ||||||||||||||
| 4 | BALL | BRASS HCP | ||||||||||||||
| 5 | STEM | BRASS | ||||||||||||||
| 6 | STEM SEAL | PTFE | ||||||||||||||
| 7 | PACKING GLAND | BRASS | ||||||||||||||
| 8 | HANDLE | STEEL CP | ||||||||||||||
| 9 | HANDLE NUT | STAINLESS STEEL | ||||||||||||||
| 10 | HANDLE JACKET | VINYL | ||||||||||||||
| 11 | DRAIN VALVE SEATS | PTFE | ||||||||||||||
| 12 | DRAIN VALVE BALL | BRASS HCP | ||||||||||||||
| 13 | DRAIN VALVE STEM | BRASS | ||||||||||||||
| 14 | DRAIN VALVE STEM SEAL | PTFE | ||||||||||||||
| 15 | DRAIN VALVE HANDLE | ENAMEL COATED ALUMINUM | ||||||||||||||
| 16 | DRAIN VALVE HANDLE SCREW | BRASS | ||||||||||||||
| 17 | DRAIN VALVE CAP, WASHER & STRAP | BRASS W/ EPDM WASHER &STRAP | ||||||||||||||
| 18 | ROTATING FLANGE | BRASS | ||||||||||||||
| 19 | ROTATING FLANGE RING | STAINLESS STEEL | ||||||||||||||
| 20 | FLANGE BOLTS & NUTS | STEEL ZP | ||||||||||||||
![]() | TEMP °F | PSI | ||||||||||||||
| 100 | 600 | |||||||||||||||
| 150 | 490 | |||||||||||||||
| 200 | 470 | |||||||||||||||
| 250 | 439 | |||||||||||||||
| 300 | 411 | |||||||||||||||
| 350 | 294 | |||||||||||||||
| 366 | N/A | |||||||||||||||
| THIS SPACE FOR DESIGNER/ENGINEER APPROVAL | |
| Job/Customer Date Contractor Model Specified Qty Approved By Designer/Engineer Date Contractor’s PO# Submitted by Date Other | |

Specifications: Designed for residential, commercial or industrial use with water or a glycol mixture. This approved Webstone valve is actuated by a blowout proof stem and features an adjustable packing gland. Flange features a conical inlet to minimize turbulence. The rotating flange is secured by a snug-fit snap-ring that provides greater control over positioning during installation. Multi-directional main valve allows for draining from either side of the pump. Threaded ends comply with ANSI B1.20.1.
| THIS SPACE FOR DESIGNER/ENGINEER APPROVAL | |
| Job/Customer Date Contractor Model Specified Qty Approved By Designer/Engineer Date Contractor’s PO# Submitted by Date Other | |

Specifications: Designed for residential, commercial or industrial use with water or a glycol mixture. This approved Webstone valve is actuated by a blowout proof stem and features an adjustable packing gland. Flange features a conical inlet to minimize turbulence. The rotating flange is secured by a snug-fit snap-ring that provides greater control over positioning during installation. Multi-directional main valve allows for draining from either side of the pump. Solder joint temperature ratings are per ASME B16.18 Annex A for 95-5 solder. Other solder materials have lower pressure/temperature limits. Do not silver braze or overheat valves when soldering.
H-8141W Series
The Isolator w/ Rotating Flange & Multi-Function Drain Full Port Forged Brass Uni-Flange Ball Valve
w/ Detachable Rotating Flange,
Multi-Function Hi-Flow Hose Drain,
Adjustable Packing Glands,
Nuts & Bolts
Certifications
Certified to NSF/ANSI 61 & 372
Lead-Free





Designed for residential, commercial or industrial use with water, oil or gas. This approved Webstone valve is actuated by a blowout proof stem and features an adjustable packing nut. *Slotted bolt holes accommodate both standard and high velocity pumps.

| THIS SPACE FOR DESIGNER/ENGINEER APPROVAL | |
| Job/Customer Date Contractor Model Specified Qty Approved By Designer/Engineer Date Contractor’s PO# Submitted by Date Other | |
9141W Series
Full Port Forged Brass Uni-Flange Ball Valves
w/ Detachable Rotating Flange, Conical Inlet
& Multi-Function Hi-Flow Hose Drain
Adjustable Packing Gland w/ Nuts & Bolts Female PP-R Metric Socket x Rotating Flange Manufactured for use with Aquatherm® PP-R Piping Max. Operating Pressure: 355 PSI**
ISO 9001 – Patented Technology
| LEAD FREEE ITEM # | METRIC PIPE SIZE | SIZE * | CTN | CASE | A | B | C | D | E | F | G | H | I | J |
| 91413WHV | 25 | 3/4” | 1 | 20 | 3/4 | 3 9/16 | 2 13/16 | 4 | 7/16 | 5/8 | 1 1/2 | 2 11/16 | 4 1/8 | 2 3/4 |
| 91414WHV | 32 | 1” | 1 | 20 | 1 | 3 3/4 | 2 5/8 | 4 | 7/16 | 5/8 | 1 1/2 | 2 11/16 | 4 1/8 | 2 3/4 |
| 91415WHV | 40 | 1 1/4” | 1 | 10 | 1 1/4 | 4 7/16 | 2 15/16 | 5 3/4 | 7/16 | 5/8 | 1 1/2 | 2 11/16 | 4 1/8 | 3 1/4 |
| 91416WHV | 50 | 1 1/2” | 1 | 10 | 1 1/2 | 5 3/16 | 3 1/2 | 5 3/4 | 7/16 | 5/8 | 1 1/2 | 2 11/16 | 4 1/8 | 3 1/2 |
| 91417WHV | 63 | 2” | 1 | 10 | 1 1/2 | 5 3/8 | 3 1/2 | 5 3/4 | 7/16 | 5/8 | 1 1/2 | 2 11/16 | 4 1/8 | 3 3/8 |
*PP-R Sockets are manufactured based on metric units of measurement. Imperial nominal diameter is provided as reference only. **Overall pressure rating at 73°F. Further restrictions determined by intended operating conditions and limitations specific to the system design. Maximum pressure rating for the seat and body alone is 600 PS. 91417WHV (2’’ only) is a Reduced Port Valve.

| NO. | DESCRIPTION | MATERIAL |
| 1 | FLANGED BODY | BRASS |
| 2 | END CAP | BRASS w/ PP-R |
| 3 | SEATS | PTFE |
| 4 | BALL | BRASS HCP |
| 5 | STEM | BRASS |
| 6 | STEM SEAL | PTFE |
| 7 | PACKING GLAND | BRASS |
| 8 | HANDLE NUT | STAINLESS STEEL |
| 9 | HANDLE JACKET | VINYL |
| 10 | DRAIN VALVE SEATS | PTFE |
| 11 | DRAIN VALVE BALL | BRASS HCP |
| 12 | DRAIN VALVE STEM | BRASS |
| 13 | DRAIN VALVE STEM SEAL | PTFE |
| 14 | DRAIN VALVE HANDLE | ENAMEL COATED ALUMINUM |
| 15 | DRAIN VALVE HANDLE SCREW | BRASS |
| 16 | DRAIN VALVE CAP, WASHER & STRAP | BRASS w/ EPDM |
| 17 | ROTATING FLANGE | BRASS |
| 18 | ROTATING FLANGE RING | STAINLESS STEEL |
| 19 | FLANGE BOLTS & NUTS | STEEL ZP |
| TEMP °F | PSI | TEMP °F | PSI |
| 73 | 355 | 130 | 210 |
| 80 | 337 | 140 | 185 |
| 90 | 312 | 150 | 164 |
| 100 | 286 | 160 | 143 |
| 110 | 261 | 170 | 121 |
| 120 | 236 | 180 | 100 |
| THIS SPACE FOR DESIGNER/ENGINEER APPROVAL | |
| Job/Customer Date Contractor Model Specified Qty Approved By Designer/Engineer Date Contractor’s PO# Submitted by Date Other | |

| THIS SPACE FOR DESIGNER/ENGINEER APPROVAL | |
| Job/Customer Date Contractor Model Specified Qty Approved By Designer/Engineer Date Contractor’s PO# Submitted by Date Other | |
10141W Series
Full Port Forged Brass Uni-Flange Ball Valves
w/ Detachable Rotating Flange, Conical Inlet
& Multi-Function Hi-Flow Hose Drain
Adjustable Packing Gland w/ Nuts & Bolts
Female PP-RCT Metric Socket x Rotating Flange Manufactured for use with all PP-R & P-RCT Piping Systems Max. Operating Pressure: 600 PSI**
ISO 9001 – Patented Technology
| LEAD FREEE ITEM # | METRIC PIPE SIZE | SIZE * | CTN | CASE | A | B | C | D | E | F | G | H | I | J |
| 101413WHV | 25 | 3/4” | 1 | 20 | 3/4 | 3 9/16 | 2 13/16 | 4 | 7/16 | 5/8 | 1 1/2 | 2 11/16 | 4 1/8 | 2 3/4 |
| 101414WHV | 32 | 1” | 1 | 20 | 1 | 3 3/4 | 2 5/8 | 4 | 7/16 | 5/8 | 1 1/2 | 2 11/16 | 4 1/8 | 2 3/4 |
| 101415WHV | 40 | 1 1/4” | 1 | 10 | 1 1/4 | 4 7/16 | 2 15/16 | 5 3/4 | 7/16 | 5/8 | 1 1/2 | 2 11/16 | 4 1/8 | 3 1/4 |
| 101416WHV | 50 | 1 1/2” | 1 | 10 | 1 1/2 | 5 3/16 | 3 1/2 | 5 3/4 | 7/16 | 5/8 | 1 1/2 | 2 11/16 | 4 1/8 | 3 1/2 |
| 101417WHV | 63 | 2” | 1 | 10 | 1 1/2 | 5 3/8 | 3 1/2 | 5 3/4 | 7/16 | 5/8 | 1 1/2 | 2 11/16 | 4 1/8 | 3 3/8 |
| NO. | DESCRIPTION | MATERIAL |
| 1 | FLANGED BODY | BRASS |
| 2 | END CAP | BRASS w/ PP-RCT |
| 3 | SEATS | PTFE |
| 4 | BALL | BRASS HCP |
| 5 | STEM | BRASS |
| 6 | STEM SEAL | PTFE |
| 7 | PACKING GLAND | BRASS |
| 8 | HANDLE NUT | STAINLESS STEEL |
| 9 | HANDLE JACKET | VINYL |
| 10 | DRAIN VALVE SEATS | PTFE |
| 11 | DRAIN VALVE BALL | BRASS HCP |
| 12 | DRAIN VALVE STEM | BRASS |
| 13 | DRAIN VALVE STEM SEAL | PTFE |
| 14 | DRAIN VALVE HANDLE | ENAMEL COATED ALUMINUM |
| 15 | DRAIN VALVE HANDLE SCREW | BRASS |
| 16 | DRAIN VALVE CAP, WASHER & STRAP | BRASS w/ EPDM |
| 17 | ROTATING FLANGE | BRASS |
| 18 | ROTATING FLANGE RING | STAINLESS STEEL |
| 19 | FLANGE BOLTS & NUTS | STEEL ZP |

*PP-R Sockets are manufactured based on metric units of measurement. Imperial nominal diameter is provided as reference only. 101417WHV (2” only) is a Reduced Port Valve. **Valve seat/body maximum pressure rating at 100 F. Overall valve pressure rating is determined by intended operating conditions and limitations specific to the system design.
| THIS SPACE FOR DESIGNER/ENGINEER APPROVAL | |
| Job/Customer Date Contractor Model Specified Qty Approved By Designer/Engineer Date Contractor’s PO# Submitted by Date Other | |

Specifications: Designed for residential, commercial or industrial use with water, oil or gas. This approved Webstone valve is actuated by a blowout proof stem and features an adjustable packing gland. Socket end dimensions are in accordance with ASTM F 2389 Metric Series. HV models fit both standard and high velocity pumps.
Quality and Commitment Since 1954
www.webstonevalves.com
P: (800) 225-9529
F: (800) 336-5133
Webstone product specifications in U.S. customary units are approximate and are provided for reference only. Webstone reserves the right to change or modify product design, construction, specifications or materials without prior notice and without incurring any obligation to make such changes and modifications on Webstone products previously or subsequently sold.




















