UR FOG Fogging systems with mechanical pump technology Installation Guide
PACKAGE CONTENT
Inside the package you will find:
- A fogging machine Modular 200/300/400/500/800 model
- One 500 ml fluid bag (200/300 mod.) – One 750 ml (400/500 mod.) – One 1000 ml (800 mod.)
- A warning label to indicate the device presence
- Installation and use manual
PRODUCT PRESENTATION
Thank you for purchasing a UR Fog product
The device in accordance with the regulations, must be installed by qualified personnel.No operations (including the replacement of the bags)can be performed by the end user.The user manual shows diagnostics, visual and acoustic, to be reported as a reference to the personnel qualified to operate on the device.
In the back of the device 5 fastening points are available (of which 4 at least mandatory) to securely anchor the unit to the fixing surface. The choice of the most suitable fasteners varies according to the materials on which the unit is fixed and the choice of the same must be made by the installer in compliance with the rules in place.
The product is a stationary appliance and is supplied WITHOUT power supply cord and mains plug.
Means for disconnection must be incorporated in the fi xed wiring in accordance with the wiring rules.
If the supply cord is damaged, it must be replaced by the manufacturer, its service agent or similary qualified persons in order to avoid a hazard.
Simple: Machine easy to install and able to be integrated to any existing alarm system; they lodge 1 fog fluid bag.
Cheap: The lowest power consumption among fogging systems.
CONDITIONS OF USE AND WARNINGS
The fog generated by UR Fog does not create problems or injuries to people during a short stay in a room filled with fog, if the system is used according to the manufacturer’s recommendations. The generated fog is certified as safe for people and animals from an authorized international certification company and it is proven that it does not leave any residual. UR Fog products are certified respecting European laws and regulations. Any certifications required in specific countries are a responsibility of the distributor of that specific country.
The documents related to certifications can be requested by mail to: [email protected]. It is not guaranteed by the manufacturer the use of UR Fog system in the presence of objects that may be damaged anyway by the contact with substances based on glycol, water and alcohol. Any employee or worker that may be exposed to fog must be warned in advance and must be checked for any allergy to the substances listed above.
At the date of printing of this manual it has never been pointed out any problem related to any allergy. UR Fog is in no way responsible for any damage or condition of use that has not been required and specifically approved by any specific written request prior to the installation of its products.
For fog fluid please refer to UR Fog fluid safety data sheet published on the website and carefully read it at www.urfog.com.
Contact a doctor if for any reason you swallow fog fluid or if after contact with eyes or skin you have any kind of reaction, and in any case wash it immediately with water and soap. Do never stay for a long time in a room filled with fog. Do not use charged bags that are not the ones suggested by UR Fog and never try to recharge them, they are made for a single use. Follow your national rules for the dispose of empty bags. Keep UR Fog bags out of reach of babies and animals. The nozzle may be hot and touching it may cause burns. Do not look directly into the nozzle. Never use UR Fog products for any purpose that is not related to protection from thief or robbery (the choice of the conditions of use in case of robbery will be suggested by your security consultant). Never use different fog fluids or add any other substance into the bags.Do not use or keep charged UR Fog machines in vehicles and do never transport UR Fog before 24 hours since it has been shut off. During transport it must be not armed.
INSTALLATION TIPS FOR FOGGING SYSTEMS
Please observe the following instructions for installing UR Fog:
- This appliance is not intended for use by person (including children) with reduced physical, sensory or mental capabilities, or lack of experience and knowledge, unless they have been given supervision or instruction concerning use of the appliance by a person responsible for their safety.
- Children should be supervised to ensure that they do not play with this appliance.
- The machine must be installed avoiding to obstruct escape routes.
- Verify the fog does not limit the visibility near: stairs, landings, moving objects that may cause falls, injuries or any damage to persons.
- When using the product in multi-storey buildings, if the escape route runs through an area which is protected by a fogging system, it is recommended to install a vocal warning that provides instructions on the behavior to observe.
- Do not look directly into the nozzle. Do not add any other substance into the bags.
- The nozzle may reach high temperatures, touch it may cause burns.
- When UR Fog produces fog avoid staying closer than 1 meter from the machine.
- Before testing UR Fog, remember to report it in advance to the firefighters in your area to avoid false alarms.
- Remember to put warning labels about the presence of UR Fog on the windows.
- Report its installation to the firefighters in your area and to other institutions if needed.
- It is necessary to add an external switch to separate the fog generator from the alarm system and it should be activated before the maintenance to avoid that input tests, for example, can activate the fog generator.
- Never direct the fog jet towards an object or a wall less than 2 meters away and if possible increase the suggested minimum distance.
Thanks to the power of the jet, UR Fog reaches and exceeds more than 10 meters away in the first 3 seconds from the point where the machine is installed. - Setting the shooting time interval between the minimum and maximum shown in the shooting table, avoid “overshooting” even if the produced fog is dry and generally doesn’t leave residue. A shot that goes far beyond the recommended seconds can create a residue problems in the room.
- Install at an height of about 2,5 meters not to let it be reached, avoiding possible tampering.
- Do not move the machine when it is still hot.
- The main body of UR Fog, which has the heating system enclosed inside a metal frame, should not be opened unless by specific and authorized service centers. Do not open and touch for any reason the insulation before 24 hours UR Fog has been shut off. The internal part may reach really high temperature.
- Do not activate the UR Fog machine before the installation is completed.
- Insert the fluid bag as the last procedure and verify the anti tampering function.
- When the installation is finished, always test the system.
- Install UR Fog avoiding any obstacles in front of it which can prevent the spreading of the fog.
- The tip of a stranded conductor should not be soft-soldered where the conductor is subjected to contact pressure.
- The UR Fog machine should not be exposed to water spray or dripping.
- Request to UR Fog or its distributors to take part in courses for installers to ensure the optimal installation of the equipment.
- The content of the bags is mechanically predetermined and can be subject to variations +/- 10%
TECHNICAL SPECIFICATIONS AND BATTERY ENDURANCE/BACKUP
| * Industrial standard as fromother manufacturers Weight without bag | MODULAR200 7,5 Kg | MODULAR300 8 Kg | MODULAR400 8,5 Kg | MODULAR500 8,5 Kg | MODULAR800 9,5 Kg |
| Max fog emission in a single shot | 200/600* m3 | 300/900* m3 | 400/1200* m3 | 500/1500* m3 | 800/1600* m3 |
| Total fog emission capacity with full bag | 850/2550* m3 | 850/2550* m3 | 1275/3825* m3 | 1275/3825* m3 | 1700/5100* m3 |
| Fog bag capacity | 1 x 500 ml | 1 x 500 ml | 1 x 750 ml | 1 x 750 ml | 1 x 1000 ml |
| Working time without mains power | 1 hour | 1 hour | 1 hour | 1 hour | 2 hours |
| Max power on heating system | 170 W | 170 W | 280 W | 280 W | 280 W |
| Average power consumption during heating | 170 W | 170 W | 280 W | 280 W | 280 W |
| Heating time | about an hour | about an hour | about an hour | about an hour | over 2 hours |
| Average power consumption | 37 W | 37 W | 48 W | 48 W | 48 W |
| Maximum current consumption at 12 V | 1,2 A | 1,2 A | 1,8 A | 2 A | 2,5 A |
| Battery type (not included) | Pb 2 Ah 12V | Pb 2 Ah 12V | Pb 2 Ah 12V | Pb 2 Ah 12V | Pb 2 Ah 12V |
| Door tamper | n/a | n/a | n/a | n/a | n/a |
| Anti-tear off and anti-shift | n/a | n/a | n/a | n/a | n/a |
The “empty” signal shows that the unit is still capable of performing a full shot at full capability. However, it is recommended to always have at disposal a further recharge and to proceed at the substitution as soon as possible.
WARNING:
- Do not disconnect the machine immediately after the shot
- Change the battery every two years
- Change the bag as soon as the “empty” signal appears
- The generator cannot be activated on a surface that does not allow air circulation from side slots
PREPARATION TO THE INSTALLATION
It is always recommended to secure the fog generator to a wall even when it is placed on a flat surface.
The optional bracket, mainly recommended for ceiling installation, can also simplify standard installation, by allowing to use back holes for the passage of cables. An optional orientable module is available for wall mounting.
Always verify that the bracket or the support surface are suitable for the weight of the machine.
It is suggested not to install the machine behind walls in a limited closed area without a specific ventilation, in order to prevent a possible overheating.
CAUTION:. to avoid injuries please securely secure the fogging machine to the wall according to the installation instructions.After removing the machine from the package, unscrew the four screws of the front panel. Remove the front panel and uncover the electrical circuit (hereinafter referred to as PCB), the DC12V power supply, the thermal unit and the fluid bag.
ELECTRICAL POWER SUPPLY
The 240V input provides primary power to the heat exchanger and, by the use of a switching power supply, to the electronic board and the pump. The heat exchanger’s working time without mains power ensures proper functioning for a certain period of time, depending on the model, even in complete absence of mains power.
The functioning of the electronic part and the pumping system is guaranteed by the 12V 2A battery (not included).
Although the heating element is of 180W, the average power consumption is 170W during heating and between 40W and 60W when operating.
Do not use inverter or UPS if you are not sure that they generate a pure sine wave, not a rebuilt one. Ask please to the UPS manufacturer the correspondence of such features before proceeding with the connection.
- The max current to be considered for the system is 2A
- The connection to the 240V and 110V electricity grid must be performed by a qualified technician.
- Connect the equipment to the electricity grid only after you have completed the installation.
- It is necessary to connect the ground terminal.
- The system must be connected to the mains through an automatic switch (automatic switch, curie C, with Ih= 10 A and Idif= 30 mA,…) with breaching capacity based on the assumed fault current of the fogging system in the sampling point.
PLEASE NOTE THAT, AS ALL POWERED EQUIPMENT FROM THE ELECTRICITY GRID REQUIRING INSTALLATION, IT IS SUBJECT TO COMPLIANCE WITH RULES OF THE COUNTRY IN WHICH IT IS INSTALLED (D.M. 37 January 22, 2008)
IF YOU NEED TO REPLACE THE FUSE, USE ONLY FUSE WITH THE FOLLOWING SPECIFICATIONS:
Timed Fuse 250v H Type (1500A) CERAMIC BODY FILLED WITH QUARTZ, REF. STD. EN60127-2-3/DIN41660 3,15AH (EXAMPLE OMEGA GT520231)
While connecting the machine to the mains power, it is recommended to pay attention to the connection and the screwing of the terminal block screws. The fact of disconnecting or modifying the ground cable voids the warranty and can cause troubles or accidents related to the temperature control.
POWER SUPPLY CONNECTION
- The battery is essential for the safe use of the device,
it is recharged by the board’s circuitery - The predisposition 2A 12V lead-acid battery is lodged below the exchanger
- To gain access to the battery slot it is necessary to remove the plastic front panel and possible stop screw.

- 12V Power supply connection
- 240V Power supply connection
- 240V Mains power
- Ground connection
- Battery slot (battery not included)


ESCRIPTION OF INPUT AND OUTPUT CONNECTIONS
Connection PIN description
DC12V Power supply OUTPUT
- + DC 12V Output (max 300 mA)
- – 0V DC ground connected
OUTPUTS - READY OC – temperature reached
- ARM OC – ready to shoot
- EMPTY/FAULT OC – empty bag/faulty unit
INPUTS - GND
- ARM Arming input
- TRIG Shooting input
Note: both commands are contact that close towards GND
OUTPUT Power DC12 V
Output DC12v (max 300mA) for electrical connection of local device driven from the board. It can be used to power a local PIR or a remote receiver. It is raccomanded not to overload the output.
OUTPUTS
EMPTY This Output (NPN Open Collector) closes towards negative when the bag is empty or in reserve. This is signal is activated by a sensor that detects the fluid end only during the shot. The empty bag notification is removed by pressing the RESET button (see chapter 12).
For this reason , if an empty bag or a bag with few amount of fluid will be inserted, the unit will be able to detect this condition only during a shot.
FAULT This Output (NPN Open Collector) closes towards negative when a fault condition that voids functionality occurs.
It also activated when maintanance is needed, eg. empty batteries or wrong detections on power supply or temperature sensor. If a power fault occurs it will be self resetted when mains power is back.
It is suggested to connect at least the first two output signals to an alarm panel or other equipment able to forward thesignal to whom is concerned.
To avoid false activation wire disconnecting doesn’ t activates the fog emission , for this reason we suggest to double check the reliability of the connections towards the alarm panel and to protect wires from intentional or potential void.
INPUTS
ARMING
Closing the contact ARM : the blue led turns ON and then , if the unit has reached the correct temperature, it is ready to generate fog. Resetting ARM condition immediatly stops accidentall fog emission.
TRIG Closing the contact TRIG: If the unit is armed and has reached the correct temperature, it creates fog for the time set. During the shot, if the contact ARM is open, it immediatly stops fog generation.
After the shot, all further shot command within 120 seconds will not be processed.
- A) J4 Mains power connection
- B) J5 Heater Resistor
- C) J2 Fuse Cable
- D) J7 Power supply unit 12v
- E) J9 Battery 12v 2A connector
- F) J8 Thermal Sensor connector
- G) J10 Inputs/Outputs connector
- H) J11 RS232 connector
- I) J3 (J6) FogStorm Pump Connector
- L) J1 USB port
- M) F4 Mains fuse
- W1 Shooting time setting enable
- W2 Reserved (Open)
- W3 Reserved (Closed)

CONNECTION EXAMPLES
The diagrams and examples below are intended only for a “better understanding” of the operation of the inputs / outputs. None of the diagrams below represents the “single scheme to perform” as, in respect of the reference standard EN50131-8, there are precise indications and only using all inputs and outputs on the PCB it is possible to abide by the standard.
Is recommended to use the “HOLD-UP” function after a careful evaluation of the risks from a security consultant.
When UR Fog Modular is ARMED , it becomes immediatly ready to create fog. For safety reasons and to avoid false fog emissions is suggested to program the allarm panel to allow enough time to leave the place.
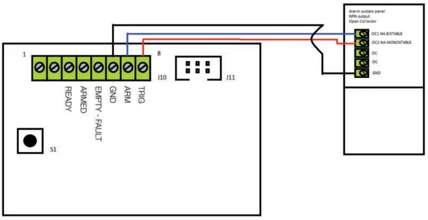
- A UR Fog Modular inputs connected to standard alarm panel outputs
- B UR Fog Modular inputs connected with a clean contact ( relays) alarm panel outputs
- C Wiring example of UR Fog Modular outputs to drive leds and/or relays
A – UR Fog Modular inputs connected to standard alarm panel outputs
The ON/OFF output of this alarm panel is an Open Collector NPN that is OPEN with the alarm OFF and close to negative for all the time the alarm panel is active and monitoring.
The alarm panel output is normally open and close the contact during alarm time.
B – UR Fog Modular inputs connected with a clean contact (relays) alarm panel outputs
The ON/OFF output of this alarm panell is an open relay when panell is OFF that continuosly keep close for all the time the alarm panel is monitoring.
The alarm output of the panell is an open realy that close when alarm condition is detected.
C – Wiring example of UR Fog Modular outputs to drive leds and/or relays
SHOOTING TIME SETTING AND FOG FLOW DIRECTION

To set the shooting time, after opening the front panell, you must close the jumper W1 in SET position as shown in figure, then, holding down the button S1 “RESET”, the green led on the front will flash and each flash is equivalent to one second. If you press the button again, the shooting time is not added to the one previously set, but will restart from zero.
Notice: each blink equals 1 second.
If RESET button is keeped pressed for a time longer than the shoting time allowed for the unit, shooting time will be set to the maximum.
Shooting time can be set according to desired seconds, but to correclty activate the bag reserve in full security, it must beset minimun 4 seconds of shooting
RECOMMENDED SHOOTING SECONDS ACCORDING TO THE VOLUME SPACE TO PROTECT (m3)
Fogging systems UR Fog Modular are able to produce fog based on second by second setting.
The maximum quantity of 5,6 ml/s (UR Fog Modular 200) and 11,3 ml/s (UR Fog Modular 800) allows to fill an area of about 200 and 800 m3.
There might be cases in which, due to specific characteristic of the location, nozzle type, levels of temperature and air pressure, degree of the fog density and light in the target area, the shooting time can be increased or decreased.
For example, above 5mt of height the shooting time must be integrated and above 7mt , every additional meter should be considered as double.
(HxLxP) x D x V x R x I
- HxLxP: Height x Width x Depth of the area to protect
- D: Density of the produced fog
- V: Temperature and air pressure
- R: Acceptable residue in case of saturation of V parameter
- I: Intensity of the surface light
The following tables indicate the suggested fog emission in relation to the number of seconds of shooting set in average condition of temperature, air pressure and humidity.
To correctly dimension the machines it is needed to verify that the saturation of the area occurs in faster time than the one supposed for the theft.
SHOOTING TABLE MODULAR 200 (max 28 sec.)
| m³ to protect50 (150*) | Seconds of emission7 | m³to protect100 (300*) | Secondsof emission14 | m³to protect200 (600*) | Secondsof emission28 |
| 75 (225*) | 9 | 150 (450*) | 21 |
SHOOTING TABLE MODULAR 300 (max 40 sec.)
| m³ to protect 50 (150*) | Seconds of emission7 | m³ to protect 150 (450*) | Seconds of emission 21 | m³to protect300 (900*) | Seconds of emission 40 |
| 75 (225*) | 9 | 200 (600*) | 28 | ||
| 100 (300*) | 14 | 250 (750*) | 35 |
SHOOTING TABLE MODULAR 400 (max 46 sec.)
| m³ to protect 50 (150*) | Seconds of emission 6 | m³ to protect 150 (450*) | Seconds of emission 21 | m³to protect 300 (900*) | Seconds of emission 40 |
| 75 (225*) | 9 | 200 (600*) | 23 | 400 (1200*) | 46 |
| 100 (300*) | 12 | 250 (750*) | 35 |
SHOOTING TABLE MODULAR 500 (max 48 sec.)
| m³ to protect 50 (150*) | Seconds of emission 6 | m³ to protect 150 (450*) | Seconds of emission 16 | m³ to protect 300 (900*) | Seconds of emission 27 |
| 75 (225*) | 9 | 200 (600*) | 21 | 400 (1200*) | 37 |
| 100 (300*) | 12 | 250 (750*) | 24 | 500 (1500*) | 48 |
SHOOTING TABLE MODULAR 800 (max 69 sec.)
| m³ to protect 50 (150*) | Seconds of emission 5 | m³ to protect 200 (600*) | Seconds of emission 19 | m³ to protect 500 (1500*) | Seconds of emission 43 |
| 75 (225*) | 8 | 250 (750*) | 22 | 600 (1800*) | 51 |
| 100 (300*) | 10 | 300 (900*) | 26 | 700 (2100*) | 60 |
| 150 (450*) | 14 | 400 (1200*) | 35 | 800 (2400*) | 69 |
* Industrial standard as from other manufacturers
The value in the first column indicates the volume of the room to be protected, with respective seconds of emission reported in the second column. The value in m³ varies depending on the density to be obtained. With the suggested value it is possible to get the maximum density recommended to ensure the absence of any residual. In places where a little residual causes no problems, it is possible to increase the shooting time. Please note that the more fog released, the more the time required to recover visibility. High levels of fog, over recommended limits, can leave residual. Any residue usually goes away by itself within 24/48 hours, otherwise, being soluble in water, it is enough to use a wet cloth for cleaning. If you desire to obtain an average of 1 meter visibility after 60 seconds, as specified by the standard EN 50131-8, as used as reference by all manufacturers of Fog generators, the number of shooting seconds it is to be reduced in half.
INSTALLATION, EXCHANGE AND BAG RESET
Insert the bag in place as show in picture.

Insert a new bag and push metal connector till a “click” is heard.

Press button S1
FRONT LEDS MEANING
EMPTY RESERVE: RED LED (right)
ON: Error (Empty bag or low fluid, Mains power off/Battery low) or Fault
OFF: No error condition.
ARM FAULT: BLU LED (center)
ON: Unit is armed and ready to shoot (with green led ON).
OFF: Unit is disarmed, shot not possible.
HEATING: GREEN LED (left)
ON: Unit has reached the correct temperature.
OFF: Unit is warming, no shot possible.
The EMPTY signal also means that fluid is going LOW.
It means that the unit has shot at least 100 seconds since last reset (Modular 200).
The central RED low power light means unit is powered on. The RED FAULT led is on the top of the board.
MAINTENANCE
UR FOG fogging systems don’t need special maintance , nevertheless is suggested a periodical check to the following parts by skilled operators:
- Verify battery and power supply status.
- Verify screws are firmly closed.
- Verify the output nozzle is not damaged and without anyting inside.
- Verify pneumatic circuit.
- Verify once a year liquid pump.
BATTERY AND POWER SUPPLY CHECK
Verify that the output of the power supply without any load (battery unplugged) is 14,1 V on the PSU and 13,8 V on FASTON battery connectors. If a different value is noticed, set the trimmer on power supply.
Verify battery status (integrity check, no overheating); is suggested to replace the battery on 2 years base due to the heavy load during shots without mains power.
SCREWS
Verify that all fixing screws are correctly setted and eventually rescrew them.
OUTPUT NOZZLE
Verify that ouput nozzle is not damaged and that there is nothing inside blocking the fog ejection flow.
YEARLY PUMP FUNCTIONALITY TEST
The test is done executing a trial shot on the unit. To avoid creating too much fog during the test is suggested to stop the flow after a few seconds dearming the unit under test. The fog flow will immediatly stop.
RESET FROM FAULT CONDITION
Disconnect the units from any power source , both mains power and battery must be disconnected. Wait 15 minutes and reconnect the battery and mains power.
This procedure helps to understand if the fault condition was due to mains power overload, serius power supply problems or problems in thermal loop. The fault condition is shown by the RED led ON (LED DL4 on the top), the output FAULT immediatly switchs and can indicate a transient or fixable condition (Eg. low battery power or no mains power), or a problem that cannot be fixed on site.
WARNING: The RED led (LED DL1 , middle of the board), means that unit is ON. It is NOT a fault condition. On mains power fault or battery low conditions the unit will recover itself without any further operation on it. In the evenience that the mains power fault has generated further problems to the unit (Eg. on board fuse) or that the backup battery is not working anymore , the maintenance is needed.
DEFECTS POSSIBLE SOLUTION
| DEFECT FOUND | POSSIBLE CAUSE | POSSIBLE SOLUTION |
| Small fog flow coming out from nozzle | All products are 100% and a small ammount of liquid could be still in the warming unit Check power input DC12v | This condition is normal and can happen on first installation, it will completely disappear in a while when the unit will become completely hot. Verify the output from power supply |
| RED Led ON (Error) | Too low battery level or exaust | Replace Battery |
| Bag in Reserve or Empty | Replace fluid Bag | |
| No Mains power | Check mains power or F4 fuse | |
| RED Led ON (Fault) | Disturbance / interference or potential differences between devices | In the evenience of high noise on mains power (lightings) an error while reading thermocouple values can occur. Execute recovery. If even recovery fails the unit may be faulty |
| In very large installations or with more than one fog units connected to the same alarm panel, a mains power difference can occur, in that evenience the units have to be decoupled | ||
| Error in the thermal loop | Error on thermocouple, fuse cable, resistor. Please refer to technical service | |
| Heater Temperature too high or thermocouple error | Switch off the unit and verify the screw on J8 connector | |
| Poor ventilation | Switch off the unit and clean air holes | |
| Unit ARMED (BLUE LED ON) but don’t execute trig command | Red front led ON | Bag changed ,reset needed Follow instructions. |
| Empty bag- replace it following instructions. | ||
| Green front led is OFF | Unit still warming, wait max 120 min. with the unit connected to the mains power | |
| Wires error | Verifify on J10 that when alarm is ON there is a contact beetween – GND(6) + TRIG(8) | |
| Mains power overload | Try the Recover procedure(Paragraph 16) With no results replace the board | |
| Electronic Board overheath | Clean air flow holes (Paragraph 14) | |
| Unit cannot be ARMED BLU LED OFF | Wires error | Verifify on J10 that when alarm is active there is a contact beetween – GND(6) + ARM(7) |
| While setting shooting time the green LED lights once | The W1 jumper is OPEN, unit in’ “RESET” mode | Refer to bag Reset and shooting time setting Warning: please verify/set again the shooting time. |
| See time setting (Paragraph 11) |
WARRANTY
The warranty of UR Fog is two years and is handled directly from the dealer or authorized installer, so please contact your supplier to take advantage of warranty with the copy of the purchase document that contains the serial number of the machine. Not included in the warranty: moving parts and/or damages depending on the incorrect use unless it is found a manufacturing defect in origin. Liquid and bags are not covered by warranty.
BY BREAKING THE SECURITY LABELS AND THE OPENING OF THE MACHINE YOU WILL ACCEPT WHAT IS WRITTEN ON THIS MANUAL AND ON THE WEB SITE: www.urfog.com
We recommend to throw away the batteries in the appropriate waste containers for recycling. Heavy metals contained in them are recyclable.
UR Fog srl: Via Toscana n. 38 – 10099 San Mauro Torinese – Italy
Phone +39 011/01.33.037 – Fax 011/01.33.005
[email protected]
Legal office: Via Giacinto Collegno 11 – 10143 – Torino – Italy
RESELLER/INSTALLER STAMP (company to contact for the warranty)
Serial number
Date of installation
Signature of installer
At the end of the installation, write down the identification number of the machines, the date of the installation and sign in the dedicated spaces.
MAINTENANCE
| DATE | BATTERY EXCHANGE | BAG EXCHANGE | SIGNATURE | ||
| YES | NO | YES | NO | ||
| YES | NO | YES | NO | ||
| YES | NO | YES | NO | ||
| YES | NO | YES | NO | ||
| YES | NO | YES | NO | ||
| YES | NO | YES | NO | ||
| YES | NO | YES | NO | ||
| YES | NO | YES | NO | ||
| YES | NO | YES | NO | ||
| YES | NO | YES | NO | ||
| YES | NO | YES | NO | ||
| YES | NO | YES | NO | ||
| YES | NO | YES | NO | ||
| YES | NO | YES | NO | ||
| YES | NO | YES | NO | ||
| YES | NO | YES | NO | ||
| YES | NO | YES | NO | ||
It is mandatory to fill out this table in accordance with the security rules.
Support
N.B. Ask for the PDF module writing to: [email protected]
TO USE UR FOG FOGGING SYSTEMS WITH PURIFOG/PURIFOG
HYPO FLUIDS FOLLOW THE DATASHEETS INSTRUCTIONS AVAILABLE FOR DOWNLOAD ON WWW.PURIFOG.COM
UR Fog S.r.l. Via Toscana 38 – 10099
San Mauro Torinese – Italy
























